Schneider Electric MTN649808 Space Logic KNX Blind actuator REG-K/8x/10 Instruction Manual
For your safety
![]()
DANGER
HAZARD OF ELECTRIC SHOCK, EXPLOSION, OR ARC FLASH
Safe electrical installation must be carried out only by skilled professionals. Skilled professionals must prove profound knowledge in the following areas:
- Connecting to installation networks
- Connecting several electrical devices
- Laying electric cables
- Connecting and establishing KNX networks
- Safety standards, local wiring rules and regulations
Failure to follow these instructions will result in death or serious injury
![]()
DANGER
RISK OF FATAL INJURY FROM ELECTRIC SHOCK
The output may carry electrical current even when the load is switched off.
- When working on the device: Always disconnect the device from the supply by means of the fuse in the incoming circuit.
- Even if the manual switch is in the „OFF“ position, a KNX telegram can switch the connections to being live at any time. Before working on the device, always diconnect the fuse in the incoming circuit from the supply.
Failure to follow these instructions will result in death or serious injury.
CAUTION
The device may be damaged!
- Always operate the product in compliance with the specified technical data.
- Only connect one motor per channel.
- Only install devices with at least basic insulation next to the device.
Failure to follow these instruction can result in equipment damage.
Blind actuator introduction
- The blind actuator REG-K/8x/10 with manual mode (referred to below as the actuator) can control up to eight blind/roller shutter drives with limit switch independently of one another.
- You can switch the actuator to manual operation and check that it works even without ETS programming, and you can control the connected loads directly at the actuator in the event of a bus failure.
- The actuator has a bus coupler. It is installed on a DIN rail, with the bus connection made via a bus connecting terminal. A data rail is not required.
- It is supplied with power both from the bus voltage and from the mains. This makes three different operating
modes possible: - Bus and mains supply
This is a standard operating mode. The actuator is supplied by both the bus and mains voltages. - Bus supply only
The actuator is operated solely in bus mode. It can continue to carry out all functions, but there may be a slight time delay (e.g. switching of the relays, slat adjustment). Manual operation is possible. - Mains supply only
It may only be possible to operate the actuator manually, without bus communication. You can activate the loads directly using the channel keys.
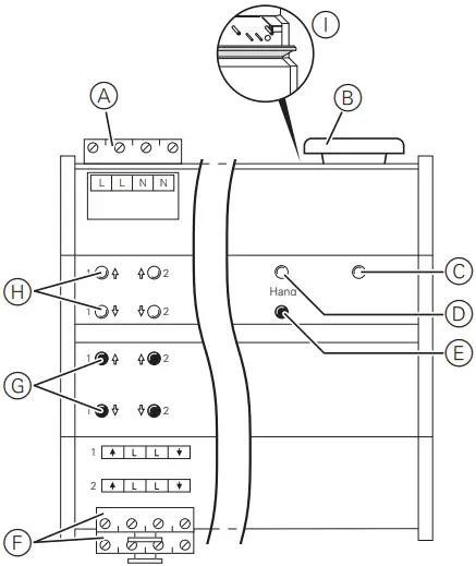
Connections, displays and operating elements

- A Mains connection: The actuator has two connecting terminals each for the N and L cables (looping is possible).
- B Under the cable cover: Bus connecting terminal, programming button and programming LED (red)
- C Operating LED “RUN” (green)
- D Manual operation LED “Manual” (red)
- E Manual operation key “Manual”
- F Channel terminals for load voltage
- G Channel keys for manual control of the corresponding channel, only respond when manual operation is switched on
- H Channel status LEDs (yellow) for the corresponding channel
- I Flap forward to open
When and how the LEDs light up
| Mains and bus voltage or bus voltage only | mains voltage only | |
| RUN (green) | On | Off |
| Manual (red) | during manual operation | during manual operation |
| Channel (yellow) | during movement | during movement |
Mounting the Actuator
- Set the actuator onto the DIN rail

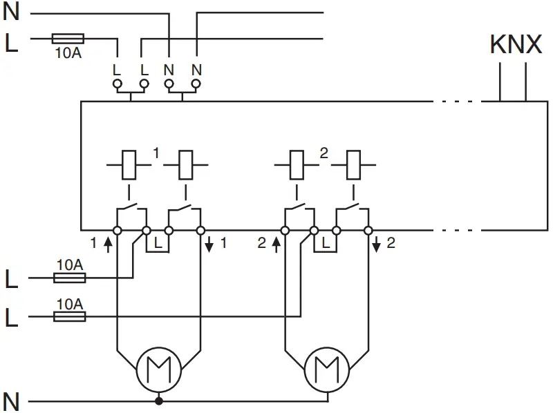
- Connect KNX.

WARNING
Risk of fatal injury from electrical current. The device could become damaged.
Safety clearance must be guaranteed in accordance with IEC 60664-1. There must be at least 4 mm between the individual cores of the 230 V supply cable and the KNX line.
CAUTION - The device may be damaged!
- Connect the bus connection and the supply voltage with correct polarity.
- Connect the bus voltage first and only then the load voltage
- Connections with a 10 A circuit breaker connected upstream.
- If the mains voltage is looped, protect the mains connection with a 10 A circuit breaker connected upstream as well.
Failure to follow these instruction can result in equipment damage.
CAUTION
If the toggle times are too short, the blind motor could be damaged.!
- The toggle time at the factory setting is 500 ms. A longer toggle time may be necessary for other motors. Refer to the manufacturer’s specifications in the data sheet for the motor.
Failure to follow these instruction can result in equipment damagE.
- The toggle time at the factory setting is 500 ms. A longer toggle time may be necessary for other motors. Refer to the manufacturer’s specifications in the data sheet for the motor.
- Connect the mains voltage.
- Switch on bus/mains voltage.
- Wait at least 30 seconds.
After the bus/mains voltage has been switched on, all the actuator relays are moved to a predefined position (factory setting: “Off”).
- Connect the load.
- Connect the load voltage.
Now you can check the functionality of the actuator and the connected loads without having to load the application from the ETS. (See the “Manual operation” section.)
Putting the actuator into operation
- Press the programming button. The programming LED lights up.
- Load the physical address and application into the device from the ETS.
The programming LED goes out.
The operating LED lights up: The application was loaded successfully, the device is ready for operation.
Manual operation
Normally, you control the blind or roller shutter using push-buttons or by remote control. However, you can also switch the actuator to manual operation and then raise or lower each blind manually using its channel keys. In order to be able to do this, the ETS parameter “Manual operation enabled” must be set to “enabled” and mains or bus voltage must be present
Manual operation before downloading the application for the first time
Immediately after the initial installation, you can switch the actuator to manual operation, e.g. in order to test the drives.
Manual operation with the ETS setting “Bus and manual operation”
In manual operation, the actuator also responds to KNX telegrams. The command last received is given priority. Exception: Safety alarms (e.g. weather) always have priority with this setting.
Manual operation with the ETS setting “Manual operation only”
In manual operation, the actuator does not respond to KNX telegrams, nor to safety alarms. This setting can be ]useful when carrying out maintenance, for example.
CAUTION
Loads could be damaged. When operating loads in “Manual operation only” using the channel keys, prioritised safety functions (e.g. weather alarm position, priority control) no longer work. To prevent damage, you should therefore be very careful when operating manually.
Make sure that the ETS parameter “Manual operating mode” is set to “Bus and manual operation” (not “Manual operation only”), when you hand over the system to the operator.
Time-limited manual operation is another function that can be set in the ETS. With this function, you can set a time period after which manual operation (including “Manual operation only”) is cancelled automatically. The actuator then responds to KNX telegrams again.

Change the actuator over to manual operation
- Press the manual operation key E. The red manual operation LED D lights up. The actuator is in manual operation.
- The green operating LED C goes out when “Manual operation only” is set in the ETS.
- The green operating LED C remains on when “Bus and manual operation” is set in the ETS.
Controlling the blind/roller shutter in manual operation
WARNING
Blinds/roller shutters can cause injury when they are moving. If you are operating blinds/ roller shutters using channel keys, make sure that no people are in the range of movement.
- To raise (arrow up) or lower (arrow down) the blind/ roller shutter: press the corresponding channel key G.
- To halt the movement of travel: press the channel key G again. The corresponding channel status LED H lights up during movement.
Exit manual operation
- Press the manual operation key E again. The red manual operation LED D goes out. The green operating LED C lights up. The actuator now only responds to KNX telegrams.
What should I do if there is a problem?
The red manual operation LED and the green operating LED are not lit. Manual operation cannot be activated.
- Bus and mains voltage have failed.
- Check both.
The green operating LED is not lit.
- Check both.
- The bus voltage has failed.
- Check bus voltage; only manual operation is
possible.
- Check bus voltage; only manual operation is
- Application was not loaded properly.
- Load it again
- Red manual operation LED is lit: Manual operation is active and “Manual operation only” is set in the ETS. Only manual operation is possible. There is no fault.
- Switch off manual operation.
Actuator does not react to the manual operation key, the red manual operation LED does not light up, manual operation is not possible.
- ETS parameter “Manual operation enabled” is set to “blocked”. There is no fault.
- Set the “Manual operation enabled” parameter to “Enabled/enable”.
- “Manual operation enabled” is blocked by an object (value=0), there is no fault.
- Enable manual operation via object.
In manual operation, the actuator does not react to the activation of the channel keys, the red manual operation LED lights up, manual mode is not possible.
- The green operating LED is still lit: ETS parameter “Manual operation mode” is set to “Bus and manual operation”, a prioritised function (e.g. weather alarm or lock) is activated, there is no malfunction.
- Wait until the higher-level function has been completed, or switch the ETS parameter “Manual operation type” to “Manual operation only”.
- The green operating LED is not lit: Bus voltage has failed and the ETS parameter “Manual operation when bus voltage fails” has been “blocked”.
- Check the bus voltage
In manual operation, the actuator controls connected loads without a channel key being pressed.
- The ETS parameter “Manual operating mode” is set to “Bus and manual operation”. The control command for the actuator came via a KNX telegram. There is no fault.
- Switch the ETS parameter “Manual operating mode” to “Manual operation only”.
Technical data
- External auxiliary voltage: AC 110 – 240 V, 50 – 60 Hz, max. 2 VA
- Supply from KNX: DC 24 V, max. 17.5 mA
- Nominal voltage: AC 230 V
- Nominal current: 10 A, inductive cos = 0.6
- Nominal power of motor: max. 1000 W at AC 230 V
- Switching frequency: max. 15 times per minute at
- nominal load Fuse: one 10 A circuit breaker connected upstream per channel
- Ambient temperature
- Operation: -5 °C to +45 °C
- Storage: -25 °C to +55 °C
- Transport: -25 °C to +70 °C
- Environment: can be used at up to 2000 m above sea level (MSL)
- Max. humidity: 93 %, no moisture condensation
- Operating elements: 1 programming button, 1 “Manual” manual operation key, 2 channel keys per channel
- Display elements: 1 red LED: programming control, 1 green LED: ready for operation, “RUN”, 1 red LED: manual operation status, 2 yellow status LED per channel
- KNX connection: two 1 mm pins for bus connecting terminal
- Mains connection: 4-gang screw terminals for max. 2.5 mm² 2 x L / 2 x N Load connection: per channel one plug in 4- gang screw terminal for max. 2.5 mm²
- Device width: 8 depth units = approx. 144 mm
Schneider Electric -Contact
Schneider Electric Industries SAS
35 rue Joseph Monier
Rueil Malmaison 92500, France
If you have technical questions, please contact the Customer Care Centre in your country.
se.com/contact

UK Representative
Schneider Electric Limited
Stafford Park 5
Telford, TF3 3 BL, UK























