
Schneider Electric MTN647595 KNX Switching Actuator

For your safety
DANGER
HAZARD OF ELECTRIC SHOCK, EXPLOSION, OR ARC FLASH
Safe electrical installation must be carried out only by skilled professionals. Skilled professionals must prove profound knowledge in the following areas:
- Connecting to installation networks
- Connecting several electrical devices
- Laying electric cables
- Connecting and establishing KNX networks
- Safety standards, local wiring rules and regulations
Failure to follow these instructions will result in death or serious injury.
DANGER
RISK OF FATAL INJURY FROM ELECTRIC SHOCK
The output may carry electrical current even when the load is switched off.
- When working on the device: Always disconnect the device from the supply by means of the fuse in the incoming circuit.
- Even if the manual switch is in the „OFF“ position, a KNX telegram can switch the connections to being live at any time. Before working on the device, always diconnect the fuse in the incoming circuit from the supply.
Failure to follow these instructions will result in death or serious injury.
CAUTION
The device may be damaged!
- Always operate the product in compliance with the specified technical data.
- Do not use the current detection function for applications relevant to safety.
- Connect only pure ohmic loads to a channel with direct current (DC).
- Only install devices with at least basic insulation next to the device.
Failure to follow these instruction can result in equipment damage.
Getting to know the switch actuator
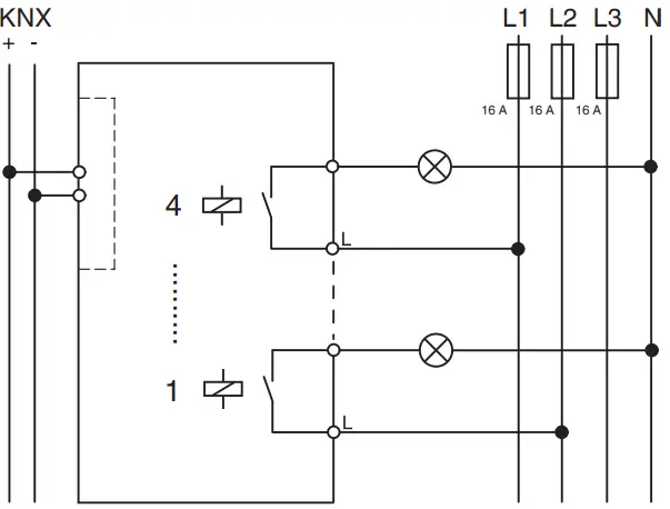
The switch actuator REG-K/4×230/16 with current detection and manual mode (referred to below as the actuator) can switch four loads via separate, floating make contacts.
You can also manually switch the connected loads with manual switches on the actuator without bus voltage.
The actuator has a bus coupler. It is installed on a DIN-rail TH 35 according to EN 60715, with the bus connection made via a bus connecting terminal. It is supplied with power from the bus voltage. A data rail is not required.
The actuator also has integrated current detection which measures the load current of each channel.
Connections, displays and operating elements

- A Bus connecting terminal, max. 4 core pairs
- B Cable cover
- C Programming button
- D Programming LED (red LED)
- E Operational LED “RUN” (green LED)
- F Manual switch
- G Screw terminals
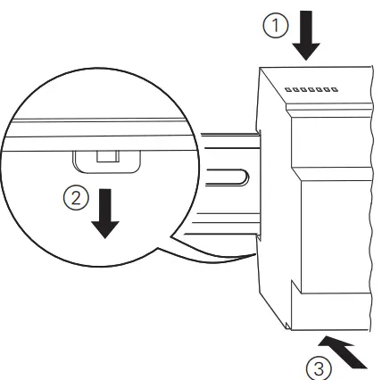
Mounting the actuator
CAUTION
Strong magnetic fields can influence the current measurement. Install devices with a strong magnetic field (e.g. wound transformers such as bell transformers) at least 2 cm away from the actuator.
- Set the actuator onto the DIN rail.

- Connect KNX.
WARNING
Risk of fatal injury from electrical current. The device can be damaged.
Safety clearance must be guaranteed in accordance with IEC 60664-1. There must be at least 4 mm between the individual cores of the 230 V supply cable and the KNX line.
DANGER
RISK OF FATAL INJURY FROM ELECTRIC SHOCK
Voltage may be present at the outputs when the mains voltage is connected to the system.
If subjected to strong vibrations during transportation, the switch contacts might change to the enabled state.
After connecting the bus voltage, set the relays of the channels to the position desired simply by switching „On/Off“ or by changing the manual switch to „OFF“.
Failure to follow these instructions will result in death or serious injury.
CAUTION
The device may be damaged!
Protect the switch contacts with a series-connected 16 A circuit breaker.
Failure to follow these instruction can result in equipment damage. - Connect the bus voltage.
- Wait at least 30 seconds.
- Set the relays of the channels to the position desired simply by switching “On/Off” or by changing the manual switch to “OFF”.
- Connect the load

- Connect the mains voltage
You can now check the function of the connected load using the manual switch, without having to load the application from the ETS. (See the “Operating the actuator” section.)
Commissioning the actuator
- Press the programming button.
The programming LED lights up. - Load the physical address and application into the device from the ETS.
The programming LED goes out.
The operational LED lights up: The application has been loaded successfully, the device is ready to be operated.
Operating the actuator
Connected devices are usually controlled using push-buttons or by remote control. However, you can manually switch each of the actuator’s channels on and off directly at the manual switches.
What should I do if there is a fault?
The green operational LED “RUN” is not lit.
| Cause | Solution |
| The bus voltage has failed. | Check bus voltage; only manual operation is possible. |
| The application was not loaded properly. | Load it again. |
Technical data
Power supply from KNX: DC 24 V, approx. 16 mA
- For alternating current (AC) per channel:
- Nominal voltage: AC 230 V, 50/60 Hz
- Nominal current: 16 A, cos = 0.6
- Incandescent lamps: AC 230 V, max. 3600 W
- Halogen lamps: AC 230 V, max. 2500 W
- Fluorescent lamps: AC 230 V, max. 2500 VA, with parallel compensation
- Capacitive load: AC 230 V, 16 A, max. 200 µF
- Motor load AC 230 V, max. 1000 W
- Switching frequency: max. 10x per minute at nominal load
- Fuse: one 16 A circuit breaker connected upstream per channel
- Current detection (load current): Detection range
- (sine effective value): 0.1 A to 16 A
- Sensing accuracy: +/- 8% from the existing current value (sine) and +/- 100 mA
- Frequency: 50/60 Hz
- Display: 100 mA
- Sensing speed : 200 ms
- For direct current (DC) per channel:
- Nominal voltage: DC 12-24 V +10%, 0.1-16 A
- Nominal current: 16 A
- Switching frequency: max. 10x per minute at nominal load
- Fuse: one circuit breaker capable of operating with direct current per channel, connected upstream
- Current detection (load current):
- Detection range: 0.1 A to 16 A
CAUTION: Connect only pure ohmic loads to a channel with direct current (DC). - Sensing accuracy: +/- 8% from the existing current value and +/- 100 mA
- Display: 100 mA
- Sensing speed ; 200 ms
- Detection range: 0.1 A to 16 A
- Ambient temperature
- Operation: -5 °C to 45 °C
- Environment: Can be used at up to 2000 m above mean sea level (MSL)
- Max. humidity: 93% relative humidity, no moisture condensation
- Operating elements: 1 programming button 1 manual switch per channel
- Display elements: 1 red LED: programming check
- 1 green LED: ready for operation, “RUN”
- KNX connection: Two 1 mm pins for bus connecting terminal
- Load connection: one 2-gang screw terminal per channel for max. 2.5 mm with one conductor or max. 1.5 mm with two conductors
- Device width: 4 modules = approx. 70 mm
Schneider Electric -Contact
Schneider Electric Industries SAS
35 rue Joseph Monier
Rueil Malmaison 92500
France
If you have technical questions, please contact the Customer Care Centre in your country.se.com/contact
UK Representative
Schneider Electric Limited
Stafford Park
Telford, TF3 3 BL, UK

WARNING
DANGER



















