
4941671 DU 1 S RF KNX Dimming Actuator
Instruction Manual
DU 1 S RF KNX
4941671
https://documents.theben.de/?p=4941671
For more information, see product page
4941671 DU 1 S RF KNX Dimming Actuator
WARNING
Danger of death through electric shock or fire!
- Installation should only be carried out by professional electrician!
- Disconnect the mains power supply prior to installation and/or disassembly!
- Please refer to the KNX manual for detailed functional descriptions.
General information
- The wireless universal dimmer actuator DU1SRF KNX complies with EN 60669-2-1 if correctly installed
- It can be installed with conventional push buttons/switches in fl ush-mounted boxes
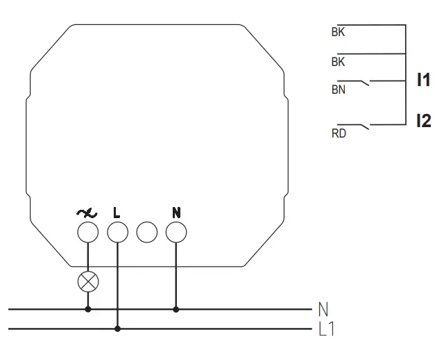
- Binary input for fl oating contacts, such as push buttons, window contacts, temperature sensors (I2)
- The ETS (Engineering Tool) is used to select application programmes, to assign specific parameters and addresses, and to transfer them to the device
Technical data
- Operating voltage: 230 V AC, 50/60 Hz
- Standby output: min.: < 0,4 W
- Type of contact: ε-contact
- Load types: R/L/C
- Minimum load: 2 W
- Protection rating: IP 20
- Protection class: II subject to correct installation
- Operating temperature: – 5 °C … + 45 °C
- With trailing edge: bulb/halogen lamp load/dimmable LEDs* 250 W at 25 °C
- Binary inputs:
– Contact voltage: 3.3 V
– Contact current: 0.5 mA
– Max. cable length: 3 m (external inputs)
– Length of connecting wires: 25 cm - Rated impulse voltage: 4 kV
- Pollution degree: 2
- Connection cross-section: 4 mm 2
- Dimensions: 44.4 x 48.6 x 24.9 mm
- Radio frequency: 868,3 MHz (KNX RF1.R)
- Transmission power: < 10 mW
- Range open fi eld: up to 100 m
- * With leading edge: LED: 22 W (up to 25 °C)
Due to continuing technical progress, abnormalities in dimming response or radio interference cannot be ruled out when operating dimmed lamps (in particular LEDs).
Theben AG herewith declares that this type of radio installation complies with Directive 2014/53/EU. The complete text of the EU Declaration of Conformity is available at the following Internet address: www.theben.de/red-konformitaet
Correct connection required for smooth operation. Respect polarity L/N!
Example of a label with QR code
This device supports KNX Secure. For start-up, the Factory-Default-Setup-Key (FDSK) is required (sticker on the device and the secure card).
Keep the Factory-Default-Setup-Key in a safe place.
Remove the stickers from the device for maximum safety. If the FDSK is lost, a recovery is not possible. In this case, start-up is only possible „insecure“.
Proper use
- The wireless universal dimming actuators switch and dim the brightness of different lamps, such as bulbs, high-voltage halogen lamps, low-voltage halogen lamps (conventional or with electronic transformer) or dimmable LED lamps for 230 V as well as fans
- If potential-free push buttons or switches are connected to the inputs, they can carry out various functions, such as switching, dimming, raising/lowering blinds etc.
- For use in residential and other buildings (office buildings, public buildings, hotels etc.)
- Only for use in closed, dry rooms
Installation
¾ For installation in conventional flush-mounted boxes (according to DIN 49073).
Connection
Risk of electric shock!
¾ The inputs carry mains voltage! When connecting the inputs or before any intervention at one of the inputs, interrupt the 230 V supply of the device.
¾ Protect against accidental contact during installation.
¾ Maintain a minimum distance of 3 mm from live parts or use additional insulation, e.g. separating strips/walls.
¾ Do not remove the insulation from the unused auxiliary inputs.
¾ Do not cut off the conductors of the unused auxiliary inputs.
Do not connect mains voltage (230 V) or other external voltages to the extension inputs!
During installation, ensure there is adequate insulation between mains voltage (230 V) and bus or extensions (min. 5.5 mm).
Start up via direct control (factory setting)
Via input I1, manual operation (one-button operation for dimming, without parameter setting) is possible. This can be changed with the ETS.
Hotline Theben:
+49 7474 692-369



















