Schneider Electric MTN6810-0102 SpaceLogic KNX Universal Dimming Extension
About this document
You can find all the information required for safe installation in this document. More detailed product information is available on the Internet -> See QR code.

http://go2se.com/ref=MTN6810-0102
For your safety
DANGER: HAZARD OF ELECTRIC SHOCK, EXPLOSION, OR ARC FLASH.
Safe electrical installation must be carried out only by skilled professionals. Skilled professionals must prove profound knowledge in the following areas:
- Connecting to installation networks
- Connecting several electrical devices
- Laying electric cables
- Connecting and establishing KNX networks
- Safety standards, local wiring rules and regulations
Failure to follow these instructions will result in death or serious injury.
Getting to know the device
The SpaceLogic KNX Universal Dimming Extension is a dimming actuator that extends the channels of a Universal Dimming Master. You can dimm and switch max. 2 dimmable loads. They are always controlled by a master device. The actuator automatically detects the connected load for each channel. Dimming operating modes:
- RC operating mode = trailing edge phase (automatic)
- RL operating mode = leading edge phase (automatic)
- RL-LED operating mode = leading edge phase (ETS)
For LEDs/CFLs the RC operating mode is automatically set. In some cases, however, LEDs/CFLs must be operated with the RL-LED operating mode. Please also read the product information on the internet and the instructions of the lamp manufacturers.
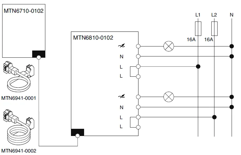
Connections and operating elements

- A Load connections
- B Link interface
- C Status LEDs
Installation and connection
Installing

WARNING
- Risk of death from electric shock.
- Only install devices with at least basic insulation next to the device.
- Failure to observe this instruction can result in death or serious injury.
Connecting

WARNING
- Fire hazard due to overload.
- Only loop through the neutral conductor to a Universal
- Dimming Master or to a Universal Dimming Extension.
- Failure to observe this instruction can result in death or serious injury.
CAUTION
The device can become damaged.
- Only connect dimmable transformers.
- Only use wound transformers with a load of at least 30% of the nominal load.
- Do not connect a combination of capacitive and inductive loads to one channel.
- Do not connect a load electrically in parallel to multiple channels.
- Do not dim socket outlets.
Technical data
- Supply voltage: via link interface
Insulation: Protective separation between the bus and the mains voltage
Power dissipation: < 6 W
Number of channels: 2 (Connection to different phases possible)
Nominal voltage: AC 110-240 V, 50/60 Hz - Nominal power:


- Fusing: max. 16 A Miniature circuit breaker
- Dimmer type: 3-wire
- Environment Temperature in operation: -5 °C … +55 °C

- Max. humidity: 93 %, no condensation
- Installation height: Up to 2000 m above sea level
- Protections: Electronic load detection, Short detection, Overload detection
- Resistance to fire and heat: Glow wire test according to IEC 60695
- Connecting terminals KNX: Bus connection terminal
- Mains: 8-gang screw terminal
- Device width: 4 modules = approx. 72 mm
Dispose of the device separately from household waste at an official collection point. Professional recycling protects people and the environment against potential negative effects.
SPECIFICATION
2x 350 WN (220 V-240 V)- 2x 200 W (110V-127V)
2x 350 W (220 V-240 V)- 2x 200 W (110V-127 V)
2x 200 W (max. 1.3A, 220 V-240 V)- 2x 135 W (max. 1.5 A, 110V-127 V)
2x 350 VA (220 V -240 V)- 2x 200 VA (110 V- 127 V)
2x 350 VA (220 V – 240 V)- 2x 200 VA (110V-127 V)
2x 60 W (max. 0.5 A, 220 V -240 V)- 2x 54 W (max. 0.6 A, 110 V-127 V)
Schneider Electric -Contact
Schneider Electric Industries SAS
- 35 rue Joseph Monier
- Rueil Malmaison 92500 France
- If you have technical questions, please contact the Customer Care Centre in your country.
- se.com/contact
UK Representative
- Schneider Electric Limited
- Stafford Park 5 Telford, TF3 3 BL, UK


2x 200 W (max. 1.3A, 220 V-240 V)
2x 350 VA (220 V -240 V)
2x 350 VA (220 V – 240 V)

















