

Owner’s Manual
Model EF2570G
6909450159
IMPORTANT SAFETY INFORMATION: Always read this manual first before attempting to install or use this fireplace. For your safety, always comply with all warnings and safety instructions contained in this manual to prevent personal injury or property damage.
To view the full line of Dimplex products, please visit www.dimplex.com
Always use a qualified technician or service agency to repair this fireplace.
NOTE: Procedures and techniques that are considered important enough to emphasize.
CAUTION: Procedures and techniques which, if not carefully followed, will result in damage to the equipment.
WARNING: Procedures and techniques which, if not carefully followed, will expose the user to the risk of fire, serious injury, or death.
Welcome & Congratulations
Thank you and congratulations for choosing to purchase an electric fireplace from Dimplex, the world leader in electric fireplaces. Please carefully read and save these instructions.
CAUTION: Read all instructions and warnings carefully before starting installation. Failure to follow these instructions may result in a possible electric shock, fire hazard and will void the warranty. Please record your model and serial numbers below for future reference: model and serial numbers can be found on the Model and Serial Number Label of your fireplace.

NO NEED TO RETURN TO THE STORE
Questions with operation or assembly? Require Parts Information?
Product Under Manufacturer’s Warranty?
Contact us at:
www.dimplex.com/customer_support
For Troubleshooting and Technical Support
OR
Toll-Free 1-888-DIMPLEX (1-888-346-7539)
Monday to Friday 8:00 a.m. to 4:30 p.m. EST
Please have your model number and product serial
number ready. (See above)
IMPORTANT INSTRUCTIONS
When using electrical appliances, basic precautions should always be followed to reduce the risk of fire, electric shock, and injury to persons, including the following:
- Read all instructions before using this appliance.
- The heater is hot when in use. To avoid burns, do not let bare skin touch hot surfaces. The trim around the heater outlet becomes hot during heater operation. Keep combustible materials, such as furniture, pillows, bedding, papers, clothes, and curtains at least 3 feet (0.9m) from the front of the heater and away from the side and rear.
- Extreme caution is necessary when any heater is used by or near children or invalids and whenever the unit is left operating and unattended.
- Always unplug the fireplace when not in use.
- Do not operate any heater with a damaged cord or plug, or if the heater has malfunctioned, or if it has been dropped or damaged in any manner. Contact technical service at 1-888-346-7539.
- Do not use outdoors.
- The fireplace is not intended for use in bathrooms, laundry areas, and similar indoor locations. Never locate a heater where it may fall into a bathtub or other water container.
- Do not run the cord under carpeting. Do not cover the cord with throw rugs, runners, or the like. Arrange cord away from traffic area and where it will not be tripped over.
- To disconnect the unit, turn the controls off, then remove the plug from the outlet.
- Do not insert or allow foreign objects to enter any ventilation or exhaust opening as this may cause an electric shock or fire, or damage to the heater.
- To prevent a possible fire, do not block air intake or exhaust in any manner.
- All electrical heaters have hot and arcing or sparking parts inside. Do not use in areas where gasoline, paint, or flammable liquids are used or stored.
- Do not modify the fireplace. Use it only as described in this manual. Any other use not recommended by the manufacturer may cause fire, electric shock, or injury to persons.
- Always plug heaters directly into a way outlet/receptacle. Never use an extension cord or reloadable power tap (outlet/ power strip).
- Do not burn wood or other materials in the fireplace.
- Always use a certified electrician should new circuits or outlets be required.
- Always use properly grounded, fused, and polarized outlets.
- Disconnect all power supplies before performing any cleaning, maintenance, or relocation of the unit.
- When transporting or storing the unit and cord, keep it in a dry place, free from excessive vibration, and store it so as to avoid damage.
WARNING: Construction and electrical outlet wiring must comply with local building codes and other applicable regulations to reduce the risk of fire, electric shock, and injury to persons.
WARNING: Do not attempt to wire your own new outlets or circuits. To reduce the risk of fire, electric shock, or injury to persons, always use a licensed electrician. ![]()
WARNING: Remote control contains a small battery. Keep away from children. If swallowed, seek medical attention immediately.
WARNING: Do not install remote control battery backward, charge, put in fire, or mix with used or other battery types – may explode or leak causing injury.
NOTE: Changes or modifications not expressly approved by the party responsible for compliance could void the user’s authority to operate the equipment.
![]() | CAUTION RISK OF ELECTRIC SHOCK DO NOT OPEN NO USER-SERVICEABLE PARTS INSIDE | ![]() |
SAVE THESE INSTRUCTIONS
IMPORTANT INSTRUCTIONS
NOTE: This equipment has been tested and found to comply with the limits for Class B digital devices, pursuant to part 15 of the FCC Rules. These limits are designed to provide reasonable protection against harmful interference in a residential installation. This equipment generates, uses, and can radiate radio frequency energy and, if not installed and used in accordance with the instructions, may cause harmful interference to radio or television reception, which can be determined by turning the equipment off and on, the user is encouraged to try to correct the interference by one or more of the following measures:
- Reorient or relocate the receiving antenna.
- Increase the separation between the equipment and the receiver.
- Connect the equipment into an outlet on a circuit different from that to which the receiver is connected.
- Consult the dealer or an experienced radio/TV technician for help.
Operation is subject to the following two conditions: (1) this device may not cause interference and (2) this device must accept any interference, including interference that may cause undesired operation of the device.
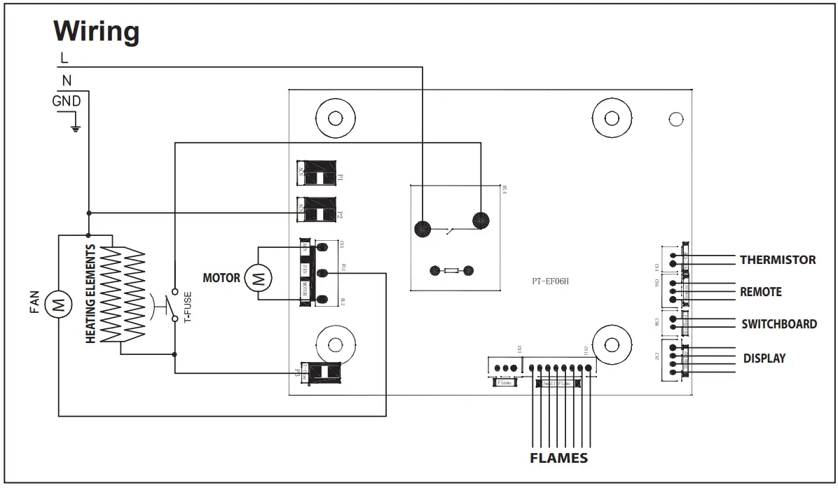
Fireplace Installation
WARNING: Ensure the power cord is not installed so that it is pinched or against a sharp edge and ensure that the power cord is stored or secured to avoid tripping or snagging to reduce the risk of fire, electric shock, or injury to persons.
WARNING: Construction and electrical outlet wiring must comply with local building codes and other applicable regulations to reduce the risk of fire, electric shock, and injury to persons.
WARNING: Do not attempt to wire your own new outlets or circuits. To reduce the risk of fire, electric shock or injury to persons, always use a licensed electrician.
WARNING: To reduce the risk of fire, do not store or use gasoline or other flammable vapors or liquids in the vicinity of the heater. Grounding Instructions This product must be grounded. If it should malfunction or break- down, grounding provides a path
of least resistance for electric current to reduce the risk of electric shock. This product is equipped with a cord having an equipment-grounding conductor and a grounding plug. The plug must be plugged into an appropriate outlet that is properly installed and grounded in accordance with all local codes and ordinances.
DANGER: Improper connection of the equipment-grounding conductor can result in a risk of electric shock. Check with a qualified electrician or serviceman if you are in doubt as to whether the product is properly grounded. Do not modify the plug provided with the product – if it will not fit the outlet, have a proper outlet installed by a qualified electrician. This product is for use on a nominal 120-volt circuit and has a grounding plug that looks like the plugin Figure 1. Make sure that the product is connected to an outlet having the same configuration as the plug. No adapter should be used with this product.
NOTE: A 15 Amp, 120 Volt circuit is required. A dedicated circuit is preferred but not essential in all cases. A dedicated circuit will be required if, after installation, the circuit breaker trips or fuse blows on a regular basis when the cassette is operating. Additional appliances on the same circuit may exceed the current rating of the circuit breaker.
Media Installation
- Remove the two knobs in the top corners (Figure 2).
- Remove the front glass assembly from the unit.
NOTE: There are two clips on the bottom that hold the assembly on the unit. - Carefully pour the media into the media tray.
- Reinstall the front glass assembly, ensuring that the clips are inserted into the frame.
- Install the fireplace into the mantel (refer to mantel assembly instructions).
Operation

WARNING: This electric firebox must be properly installed before it is used. The manual controls for the unit are located in the top right-hand corner. (Figure 3)
NOTE: Press any button to activate the On-Screen display before making any changes.
A –
Standby
Turns the unit On and Off. When the unit is turned back On, the system will recall its last heat setting used.
NOTE: When the unit is turned OFF the media lighting will not immediately go out. This is a designed feature to represent the embers of the fire slowly fading out.
! NOTE: Although the heater has been turned off the fan may still run to prevent overheating.
B –
Light Control
Adjusts the lighting of the media. Repeatedly pressing the light control button will cycle through the five different colors of flame. When adjusting the colour of the media lighting this icon will light up with a blue light. The setting will be displayed on the main display with the flames in the corresponding colour: L1 – Blue, L2 – Pink, L3 – White, L4 – Autocycle, and L5 – Orange.
C –
Thermostat
By pressing the
, on the firebox, or the
and,
on the remote, the 7 different temperature set-
tings that the firebox can be operated at will be cycled through.
60°C (99°F) → 30°C (86°F) →
28°C (82°F) → 26°C (78°F) →
24°C (75°F) → 22°C (71°F) →
“OF” (for use without the heater)
Press and hold the down arrow for 5 seconds to switch temperature readout from °C to and °F.
Disable Heat
If desired, depending on the season, the heater on the unit can be disabled. The unit will operate in the same fashion, with remainder of the controls.
To disable:
Press and hold the
button on the unit for 5 seconds will disable the heater, indicated by the temperature display flashes.
To enable:
With the temperature displayed (it will be flashing), press and hold the
button on the unit for 5 seconds to reactivate the heating controls.
D –
Sleep Timer
This icon will light up with a blue light when using the Timed Shut-OFF function. A time will be displayed on the main display ranging from 10 (minutes) to 6 (hours).
Resetting the Temperature Cutoff Switch
Should the heater overheat, an automatic cut-out will turn the heater off and it will not come back on without being reset. It can be reset by unplugging the unit and waiting 5 minutes before plugging the unit back in.
CAUTION: If you need to continuously reset the heater, unplug the unit and call technical support at 1-888-346-7539.
Remote Control (Figure 3)
The fireplace is supplied with an IR multifunction remote. Before the remote will operate the plastic insulating sheet needs to be removed.
|Battery Replacement
Battery Requirements: CR2025 button battery
- Locate and remove the battery bracket (Figure 4).
- The battery has two sides, one with a button feature, and the other is flat.
- Insert the battery with the button side down into the battery bracket, making sure the battery is firmly seated.
The battery must be recycled or disposed of properly. Check with your Local Authority or Retailer for recycling advice in your area.

Maintenance
WARNING: Disconnect power before attempting any maintenance or cleaning to reduce the risk of fire, electric shock or damage to persons.
Glass Cleaning
The glass is cleaned in the factory during the assembly operation. During shipment, installation, handling, etc., the front glass panel may collect dust particles; these can be removed by dusting lightly with a clean dry cloth. To remove fingerprints or other marks, the front glass panel can be cleaned with a damp cloth. The front glass panel should be completely dried with a lint-free cloth to prevent water spots. To prevent scratching, do not use abrasive cleaners or spray liquids on the clear door surface.
Compact Fireplace Surface Cleaning
Use warm water only to clean painted surfaces of the Compact Fireplace. Do not use abrasive cleaners.
Servicing
Except for the cleaning described above, an authorized service representative should perform any other servicing.
Warranty
ONE YEAR LIMITED WARRANTY
Products to which this limited warranty applies: This limited warranty applies to the following models of your newly purchased Dimplex electric fireplace. This limited warranty applies only to purchases made in any province of Canada except for Yukon Territory, Nunavut, or Northwest Territories or in any of the 50 States of the USA (and the District of Columbia) except for Hawaii and Alaska. This limited warranty applies to the original purchaser of the product only and is not transferable. Products excluded from this limited warranty: Products purchased in Yukon Territory, Nunavut, Northwest Territories, Hawaii, or Alaska are not covered by this limited warranty. Products purchased in these States, provinces, or territories are sold AS IS without warranty or condition of any kind (including, without limitation, any implied warranties or conditions of merchantability or fitness for a particular purpose) and the entire risk of as to the quality and performance of the products is with the purchaser, and in the event of a defect, the purchaser assumes the entire cost of all necessary servicing or repair. What this limited warranty covers and for how long: Products covered by this limited warranty have been tested and inspected prior to shipment and, subject to the provisions of this warranty, Dimplex warrants such products to be free from defects in material and workmanship for a period of 12 months from the date of the first purchase of such product. The limited 12 month warranty period also applies to any implied warranties that may exist under applicable law. Some jurisdictions do not allow limitations on how long an implied warranty lasts, so the above limitation may not apply to the purchaser. What this limited warranty does not cover: This limited warranty does not apply to products that have been repaired (except by Dimplex or its authorized service representatives) or otherwise altered. This limited warranty does further not apply to defects resulting from misuse, abuse, accident, neglect, incorrect installation, improper maintenance or handling, or operation with an incorrect power source. What to do when your unit ceases to operate as described in this manual: Defects must be brought to the attention of Dimplex Technical Service by contacting Dimplex North America Limited at 1-888-346-7539, or 1367 Industrial Road, Cambridge Ontario, Canada N1R 7G8. Please have proof of purchase, catalog/ model, and serial numbers available when calling. Limited warranty service requires proof of purchase of the product. What Dimplex will do in the event of a defect: In the event, a product or part covered by this limited warranty is proven to be defective in material or workmanship during the 90 day limited warranty period you have the following rights: Dimplex will in its sole discretion replace such defective part(s) without charge, or if part replacement proves not to be commercially practicable or cannot be timely made, Dimplex may, in lieu of replacing part(s) choose to replace the unit.
This limited warranty does not entitle the purchaser to on-site or in-home services. On-site or in-home services may be performed at the purchaser’s specific request and expense at Dimplex’s then-current rates for such services. The purchaser is responsible for the removal and transportation of such product or part (and any repaired or replacement product or part) to and from the authorized dealer’s or service agent’s place of business. Dimplex will not be responsible for, and the limited warranty services shall not include, any expense incurred for installation or removal of the product or part (or any replacement product or part) or any labor or transportation costs. Such costs shall be the purchaser’s responsibility. What Dimplex and its dealers and service agents are also not responsible for:
IN NO EVENT WILL DIMPLEX, OR ITS DIRECTORS, OFFICERS, OR AGENTS, BE LIABLE TO THE PURCHASER OR ANY THIRD PARTY, WHETHER IN CONTRACT, IN TORT, OR ON ANY OTHER BASIS, FOR ANY INDIRECT, SPECIAL, PUNITIVE, EXEMPLARY, CONSEQUENTIAL, OR INCIDENTAL LOSS, COST, OR DAMAGE ARISING OUT OF OR IN CONNECTION WITH THE SALE, MAINTENANCE, USE, OR INABILITY TO USE THE PRODUCT, EVEN IF DIMPLEX OR ITS DIRECTORS, OFFICERS, OR AGENTS HAVE BEEN ADVISED OF THE POSSIBILITY OF SUCH LOSSES, COSTS OR DAMAGES, OR IF SUCH LOSSES, COSTS, OR DAMAGES ARE FORESEEABLE. IN NO EVENT WILL DIMPLEX, OR ITS OFFICERS, DIRECTORS, OR AGENTS BE LIABLE FOR ANY DIRECT LOSSES, COSTS, OR DAMAGES THAT EXCEED THE PURCHASE PRICE OF THE PRODUCT. SOME JURISDICTIONS DO NOT ALLOW THE EXCLUSION OR LIMITATION OF INCIDENTAL OR CONSEQUENTIAL DAMAGES, SO THE ABOVE LIMITATION OR EXCLUSION MAY NOT APPLY TO THE PURCHASER.
How State and Provincial law apply:
This limited warranty gives you specific legal rights, and you may also have other rights which vary from jurisdiction to jurisdiction. The provisions of the United Nations Convention on Contracts for the Sale of Goods shall not apply to this limited warranty or the sale of products covered by this limited warranty.
Replacement Parts
Flicker Motor …………………………………9601130100RP
Flicker Rod ………………………………….9601140100RP
Heater Assembly (with cutout) ……………………..9601130300RP
Control Board ………………………………..9601130400RP
Switchboard. . . . . . . . . . . . . . . . . . . . . . . . . . . . . . . . . . . . . . . . 9601140200RP
Display Board ………………………………..9601130600RP
Thermistor . . . . . . . . . . . . . . . . . . . . . . . . . . . . . . . . . . . . . . . . . 9601130700RP
Flame LED’s …………………………………9601140300RP
Ember LED’s . . . . . . . . . . . . . . . . . . . . . . . . . . . . . . . . . . . . . . . 9601140400RP
Cord Set ……………………………………9601131100RP
Front Glass ………………………………….9601140500RP
Remote Control . . . . . . . . . . . . . . . . . . . . . . . . . . . . . . . . . . . . . 9601140600RP
IR Sensor. . . . . . . . . . . . . . . . . . . . . . . . . . . . . . . . . . . . . . . . . . 9601131400RP
Crystals …………………………………….9601140700RP

Dimplex North America Limited
1367 Industrial Road
Cambridge ON
Canada N1R 7G8
© 2015 Dimplex North America Limited



















