EF42B Electric Fireplace Insert

Electric Fireplace Insert
Model Number: (EF42B, EF43B, EF44B, EF45B, EF302B)
OWNER’S MANUAL
WARNING
Read and understand this entire owner’s manual, including all safety information, before plugging in or using this product. Failure to do so could result in fire, electric shock, or serious personal injury.
CAUTION
Keep this owner’s manual for future reference. If you sell or give this product away, make sure this manual accompanies this product.
DO NOT RETURN!
Contact our customer service team for help first.
- [email protected]
- Call: 844-377-5786
IMPORTANT SAFETY INFORMATION
When using electrical appliances, basic precautions should always be followed to reduce the risk of fire, electric shock, and injury to persons, including the following:
- Read all instructions before using this appliance.
- Use this appliance only as described in this manual. Any other use not recommended by the manufacturer may cause fire, electric shock, or injury to persons.
- DO NOT use outdoors.
- NEVER use this appliance in bathrooms, laundry rooms, or any other location where the appliance could fall into a bathtub or pool, become damp, or come in contact with water.
- For residential use only. NOT for commercial use! Any commercial or public use of this appliance voids all warranties and could cause injury.
- This product is not intended to be a primary heat source. It is for supplemental heat only.
- Do not locate the appliance immediately below a fixed socket outlet.
- This appliance must be grounded.
- DO NOT operate any appliance with a damaged cord or plug or after the appliance malfunctions, has been dropped, or damaged in any manner. Discard appliance or return to authorized service facility for examination and/or repair.
- This appliance is hot when in use. To avoid burns, DO NOT let bare skin touch hot surfaces. Keep combustible materials, such as furniture, pillows, bedding, papers, clothes, and curtains at least 3 feet (0.9m) from the front of the appliance.
- Extreme caution is necessary when any appliance is used by or near children or invalids and whenever the appliance is left operating and unattended.
- DO NOT insert or allow foreign objects to enter any ventilation or exhaust opening, as this may cause electric shock or fire or damage the appliance.
- To prevent a possible fire, DO NOT block air intakes or exhaust in any manner. Doing so could cause a fire. DO NOT use on soft surfaces, like a bed, where openings may become blocked.
- As the appliance has hot and arcing or sparking parts inside. DO NOT use it in areas where gasoline, paint, or flammable liquids are used or stored.
- AVOID FIRE! Regularly inspect all air vents to make sure they are free from dust, lint, or other blockage. Unplug the unit and clean with a vacuum ONLY. DO NOT rinse or get wet.
- DO NOT USE this appliance with any solid-state speed control devices.
- Risk of electric shock! DO NOT OPEN! No user-serviceable parts inside!
- NEVER modify this appliance. Doing so could result in personal injury or property damage. Modification of this fireplace completely voids all warranties.
- NEVER leave this appliance unattended. To disconnect the appliance, ALWAYS turn controls to OFF then remove the plug from
the outlet or turn off the circuit when not in use.
Pr duct Usage Instructions
Follow these instructions to use the Electric Fireplace Insert safely:
- Read the entire owner’s manual before using the product.
- Use the product only as described in the manual. Any other use not recommended by the manufacturer may cause fire, electric shock, or injury to persons.
- Do not use the product outdoors or in any location where it could come in contact with water.
- The product is intended for residential use only and is not for commercial use.
- The product is not intended to be a primary heat source. It is for supplemental heat only.
- Ensure that the product is grounded and that it is not operated with a damaged cord or plug.
- Keep combustible materials at least 3 feet (0.9m) away from the front of the appliance to avoid burns.
- Do not insert or allow foreign objects to enter any ventilation or exhaust opening, as this may cause electric shock or fire or damage the appliance.
- Make sure all air vents are free from dust, lint, or other blockage. Use a vacuum to clean them regularly. Do not rinse or get wet.
- NEVER modify the appliance, as doing so could result in personal injury or property damage.
- NEVER leave the appliance unattended. To disconnect the appliance, ALWAYS turn controls to OFF then remove the plug from the outlet or turn off the circuit when not in use.
- ALWAYS turn this appliance off before unplugging it from the outlet. To prevent a possible fire, do not burn wood or other materials in this appliance.
- ALWAYS disconnect this unit from the power supply before performing any assembly or cleaning, or before relocating the electric fireplace.
- Always use properly grounded, fused and polarized outlets.
- Always use ground fault protection where required by electrical code.
- Avoid use of an extension cord because an extension cord may overheat and cause a fire. However if you have to use an extension cord, the cord should be No.14 AWG minimum size and rated to not less than 1
- NEVER plug this appliance into an outlet that is old, cracked, or has any loose wires or connections. Plugging this appliance into a faulty outlet could result in electric arcing within the outlet that could cause the outlet to overheat or catch fire. DO NOT run power cord under carpeting. DO NOT cover power cord with throw rugs, runners, or similar coverings. DO NOT route power cord under furniture or appliances.
- Arrange power cord away from traffic area, and where it will not be tripped over. ALWAYS check your appliance cord and plug connections with each use! A. MAKE SURE the plug fits tight in the outlet! Faulty wall outlet connections or loose plugs can cause the outlet to overheat. B. Appliances draw more current than small appliances. Overheating may occur even if it has not occurred with the use of other appliances. C. During use check frequently to see if the plug outlet is HOT! If the outlet or faceplate is HOT, discontinue use immediately and have a qualified electrician inspect and/or replace the faulty outlets. SAVE THESE INSTRUCTIONS.
Safety Alert Key:
WARNING! Indicates a hazardous situation which, if not avoided could result in death or serious injury.
CAUTION! Indicates a hazardous situation which, if not avoided, could result in minor or moderate injury
TECHNICAL SPECIFICATIONS
Electric Specifications
| Model | Volt | Watt (min/max) | Hz | BTU(max) | Amp | Heating Area(max) |
| EF42-45B EF302B | 120 | 750/1500 | 60 | 5000 | 12.5 | 400 square feet |
Product Dimensions


BEFORE INSTALLATION
WARNING!
DO NOT operate or use this Electric Fireplace if it is damaged or has malfunctioned or any part has been under water. Immediately call a qualified service technician to inspect and to replace any part of the electrical system if necessary. Keep plastic wrapping away from children.
Note:
Keep the packaging (carton, poly bag, polystyrene, etc.) for future transportation and/or storage. • If the unit needs to be returned, please make sure all the spare parts are packed inside, door handles are taken off, and packed the same as the original packing.
Check Spare Parts
- Open the packaging carefully and remove the polystyrene.
- Check the spare part list below to verify all parts have been received. Carefully check if any damages that may have for the insert or spare parts.


Function Testing
Please refer to section 5a. Manual Control Panel and 5b. Remote Control to test the appliance first before installation. Should any defects found, please contact service team for help.
E-mail [email protected] or call 844-377-5786 during 9:00 to 17:00 EST from Monday to Friday.
INSTALLATION INSTRUCTIONS
ALWAYS unplug this fireplace heater before assembly or cleaning, or before relocating. Failure to do so could result in electric shock, fire or personal injury. KEEP drapery and other furnishings at least 3ft /0.9m from the front and sides of the electric fireplace.
AFTER installation, ensure that there is 20.004m° ventilation area between inside and outside of fireplace mantel.
Tools Required
A Phillips screwdriver
Locating the Appliance
Your new electric fireplace may be installed virtually anywhere in your home. However, when choosing a location, ensure that the general instructions for safety are followed.
- For best results, install out of direct sunlight, water or very damp air.
- Power supply service must be installed within proximity of electric fireplace prior to finishing avoiding reconstruction.
Minimum Clearance to Combustibles
- Sides……………………… 0 inch
- Floor……………………… 0 inch
- Back……………………….0 inch
- Top (shelf or TV)………..8 inch min
- Front………………………36 inch

Warning: Risk Of fire
Keep electrical cords, drapery, furnishings or other combustibles at least 3ft. (0.9 m) from the front of the electric fireplace.
Electrical Supply Circuit Requirements
Plan the location of the appliance so that it will have adequate electric power. A 15 AMP, 60Hz circuit is required for 120V installation. The appliance should ideally be located close to a suitable main socket to enable power connection.
- The power cord is 6ft long and locates on the right side of the unit. If the cord is found not long enough to reach the outlet, a grounded extension could be run from an existing socket outlet but a minimum size 14 AWG with a minimum rating 1875W would be recommended, and it should not be longer than 7ft and 10 31/64″
- Always make sure the outlet is in good condition and the plug is not loose. NEVER exceed the maximum amperage of the circuit.

Note:
- This model can NOT be hard wired.
- THE PLUG MUST BE PLUGGED VERY TIGHTLY. DO NOT plug other appliances onto the same circuit.
Install the Door Handles
Open the door and fix the handles with 2pcs ST4x10 screws on each side.
Insert into the Opening
The product can be built into a framing, an existing fireplace opening, a custom mantel or a cabinet. The opening depth 8 3/16″ is suggested for better ventilation. It is recommended of the clearance from the top of the appliance to the bottom of TV to be kept 8″ at least if there is a TV above. No special venting would be required on either side. The desired dimension should follow below diagram and table.
Note: The removable handles on both sides could be removed if the existing opening is found a little bit narrow.

OPERATING INSTRUCTIONS
Read and understand this entire owner’s manual, including all safety information, before plugging in or using this product. Failure to do so could result in electric shock, fire, serious injury, or death.
WARNING! Do not operate the unit if it is damaged or has malfunctioned. If you suspect the unit is damaged, call a qualified service technician to inspect and replace any part of the electrical system if necessary.
Manual Control Panel
Note: When the heater is first turned on, a slight odor may be present. This is normal and should not occur again unless the heater is not used for a long period of time.

Remote Control
Note: Remote control can be used only when the main power switch is on. Aim the remote control at the remote receiver (see picture on page 10) which is on the left of the main power switch
NOTE: A coin cell (CR2032) should be used for this remote but it is NOT included in the package in consideration of the transportation safety, please source it locally.

Temperature Limiting Control
This heater is equipped with a Temperature Limiting Control. Should the heater reach an unsafe temperature, the heater will automatically turn OFF. To reset:
Unplug the power cord from the outlet. Turn the Power Switch on the CONTROL PANEL to OFF. Wait at least 5 minutes.
Inspect the fireplace to make sure no vents are blocked, or clogged with dust or lint. If they are, use a vacuum to clean the vent areas.
With the Power Switch in the OFF position, plug the power cord back into the outlet.
If it switches off again, UNPLUG THE HEATER RIGHT AWAY! Have the outlets, wiring, and breaker box inspected by a professional. Make necessary repairs before using the heater.
CARE AND MAINTENANCE
ALWAYS turn the heater OFF and unplug the power cord from the outlet before cleaning, performing maintenance, or moving this fireplace. Failure to do so could result in electric shock, fire, or personal injury.
NEVER immerse in water or spray with water. Doing so could result in electric shock, fire, or personal injury. Risk of electric shock! DO NOT OPEN! No user-serviceable parts inside!
Cleaning
Metal:
Buff using a soft cloth, slightly dampened with a citrus oil-based product.
DO NOT use brass polish or household cleaners as these products will damage the metal trim.
Glass:
Use a good quality glass cleaner and dry thoroughly with a paper a towel or lint-free cloth.
NEVER use abrasive cleansers, liquid sprays, or any cleaner that could scratch the surface.
Plastic:
Wipe gently with a slightly damp cloth and a mild solution of dish soap and warm water.
NEVER use abrasive cleansers, liquid sprays, or any cleaner that could scratch the surface.
Vents:
Use a vacuum or duster to remove dust and dirt from the heater and vent areas.
Clean the exterior of the fireplace with a slightly damp cloth or duster.
Maintenance
Electrical and Moving Parts:
- The fan motors are lubricated at the factory and will not require lubrication.
- Electrical components are integrated in the fireplace and are not serviceable by the consumer.
Storage:
Store heater in a clean dry place when not in use.
Replacement parts:
- Use only replacement parts supplied by the manufacturer. Use of any other parts, or modifying the fireplace in any way, will void all warranties.
- No internal parts are replaceable or serviceable.
LIMITED WARRANTY
This warrants to the original purchaser that this product is free from defects in material and workmanship as of the date of purchase and that it will, under normal use and proper care, remain so for one year from the date of purchase. Missing or initially defective parts will be replaced free of charge during the period of this limited warranty. If parts are unavailable, comparable replacement of refund will be given.
The original dated sales receipt is required for all warranty claims. This warranty does not cover damage which has occurred during transport from the point of purchase to the consumer’s home. This warranty does not cover glass, light bulbs, batteries, transportation, labor, or other issues not associated with the manufacture of the product.
This product is for residential use only. Any and all commercial use of this product voids all warranties, and frees the manufacturer from all liability.
Read and understand all assembly and operating instructions, and all safety information and warnings, before use. The following will void this warranty: Damage caused from tampering with, modifying, or altering the fireplace insert in any manner; Damage due to incorrect assembly, improper care, misuse, or abuse; Damage from being used with the wrong power source; Water damage; Damage caused from this insert being used outdoors; Damage caused from this insert being used for excessive periods of time; Damage caused by the insert being used in a commercial application; Damage from use as a primary heat source; Other misuse or abuse not specifically listed herein.
This product is not intended to be used as a primary heat source. It is for supplemental heating purposes only.
TROUBLESHOOTING GUIDE
- The remote does not work and the new unit we just got cannot be turned on.
- Make sure the main power switch on the top right behind the fence is on.
- There would be a long beep when the main power switch is turned on.
- If there is no beep, the connecters on the PCB board might be loosen, please contact service team for a checking instruction.
- If there is a beep and the control panel can be used but the remote is not working, the remote is not working either close or far, please contact service team for help.
- My old unit no longer works, it cannot power on.
- Check the power cord to see if it is well.
- If the power cord is fine, check the wires behind the rocker switch to see if they are burned.
- If the wires are well, too, the PCB board might be broken and need to be replaced. Please contact service team for a replacement and instruction.
- The heater does not work, it turns on for several seconds then shuts off itself.
- New product:
a. Turn the thermostat to 8 to see if the heater will work continuously.
b. If not, unplug the unit for a whole night.
c. If still not, contact service team for a checking instruction, the fan assembly should be checked. - Product has been used for some time:
a. Open the top panel to check if the fan can move smoothly or the heater motor is well connected.
b. If yes, pull off the CN3 connecter plugged on the PCB board. If the heater works. the button panel should be replaced
c. If the heater still does not work after unplugging the CN3 connecter, please contact service team for a further solution.
- New product:
- There is no air coming out when turn the heater on.
- New product:
a. Confirm if the air outlet feels warm or there is something getting red inside when the heater is turned on. If yes, the fan is stuck or the heat motor is not in right position.
b. If not, check the heater connecters on PCB board. Unplug and replug all connecters to see if the heater will work. - Product has been used for some time:
a. Confirm if the air outlet feels warm or there is something getting red inside when the heater is turned on. If yes, the fan is stuck or the heat motor is not in right position.
b. If not, please contact service team for help.
- New product:
- The heater does not come back even the room is already cold. Turn the thermostat to 8 to see if the heater will work continuously, if yes, the sensor is malfunction, if not, please contact service team for help.
- The flame does not show up or flicker or a noise when turn it on. Please contact service team for a checking instruction of the flame LED board connecter, flame motor and spindle.
- The front trim is out of shape, the remote is missed or the log iS broken. Please contact service team for a replacement and instruction.
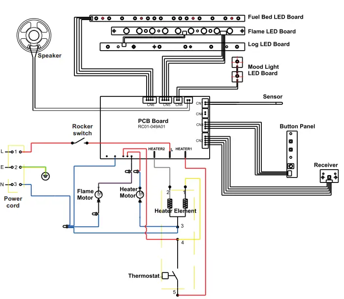
SCHEMATIC DIAGRAM
Ningbo Richen Electrical Appliance Co., Ltd
Address: No. 19, Yongdinghe Road, Xiapu, Beilun, Ningbo PR. China


















![Pleasant Hearth Electric Fireplace Insert User Manual [model: 24-900-002] Pleasant Hearth Electric Fireplace Insert User Manual [model: 24-900-002]](https://static-data1.manualsee.com/1/img/92/71366/2021/02/Pleasant-Hearth-Electric-Fireplace-Insert-User-Manual-Model-24-900-002.jpg)





