ELECTRIC FIREPLACE INSERT
Model No.: WESTERN (EF42D-45D)
OWNER’S MANUAL
| Read and understand this entire owner’s manual, including all safety information, before plugging in or using this product. Failure to do so could result in fire, electric shock, or serious personal injury. |
| Keep this owner’s manual for future reference. If you sell or give this product away, make sure this manual accompanies this product. |
NO VENTING REQUIRED
120V AC; 60 Hz; 1500 Watts
WARNING DO NOT RETURN THIS PRODUCT!
Contact our customer service team for help first.
[email protected]
Call: 844-377-5786
IMPORTANT SAFETY INFORMATION!
WARNING
- Read all instructions before using this heater!
- This heater is hot when in use. To avoid burns, DO NOT let bare skin touch hot If provided, use handles when moving this heater. Keep combustible materials, such as furniture, pillows, bedding, papers, clothes, and curtains at least 3 feet (0.9m) from the front of the heater, and keep them away from the sides and rear.
- Extreme caution is necessary when any heater is used by or near children or invalids and whenever the heater is left operating and unattended.
- DO NOT operate any heater with a damaged cord or plug or after the heater malfunctions, has been dropped or damaged in any manner. Discard heater, or return to an authorized service facility for examination and/or repair.
- DO NOT run power cord under carpeting. DO NOT cover power cord with throw rugs, runners, or similar coverings. DO NOT route power cord under furniture or Arrange power cord away from traffic area, and where it will not be tripped over.
- DO NOT insert or allow foreign objects to enter any ventilation or exhaust opening, as this may cause electric shock or fire, or damage the heater.
- To prevent a possible fire, DO NOT block air intakes or exhaust in any manner. Doing so could cause a fire. DO NOT use on soft surfaces, like a bed, where openings may become blocked.
- A heater has hot and arcing or sparking parts inside. DO NOT use it in areas where gasoline, paint, or flammable liquids are used or stored.
- Use this heater only as described in this manual. Any other use not recommended by the manufacturer may cause fire, electric shock, or injury to persons.
- ALWAYS plug heaters directly into a wall outlet/receptacle. NEVER use with an extension cord or relocatable power tap (outlet/power strip).
- Connect to properly grounded outlets ONLY.
- DO NOT place the heater near a bed because objects such as pillows or blankets can fall off the bed and be ignited by the heater.
- NEVER use this heater in bathrooms, laundry rooms, or any other location where the heater could fall into a bathtub or pool, become damp, or come in contact with water.
- AVOID FIRE! Regularly inspect all air vents to make sure they are free from dust, lint, or another blockage. Unplug the unit and clean with a vacuum ONLY. DO NOT rinse or get Wet.
- WARNING: DO NOT DEPEND ON THE POWER SWITCH THE SOLE MEANS OF DISCONNECTING POWER WHEN SERVICING OR MOVING THE HEATER. ALWAYS UNPLUG THE POWER CORD.
- WARNING: REDUCE THE RISK OF FIRE OR ELECTRIC SHOCK—DO NOT USE THIS HEATER WITH ANY SOLID-STATE SPEED CONTROL DEVICES.
- For residential use only! NOT for commercial use! Any commercial or public use of this heater voids all warranties and could cause injury.
- This product is not intended to be a primary heat source. It is for supplemental heat only.
- INDOOR use only! NEVER use this heater outdoors! Doing so may result in electric shock!
- Risk of electric shock! DO NOT OPEN! No user-serviceable parts inside!
- NEVER modify this heater. Doing so could result in personal injury or property damage. Modification of this fireplace completely voids all warranties.
- ALWAYS turn this heater off before unplugging it from the outlet.
- ALWAYS disconnect this unit from the power supply before performing any assembly or cleaning, or before relocating the electric fireplace.
- NEVER leave this heater unattended. ALWAYS unplug this heater when not in use.
- ALWAYS store this heater in a dry location. NEVER use the fireplace if it has become wet.
- ONLY use this heater on a 120V AC 15-Amp circuit. NEVER overload the circuit. If this heater trips the circuit breaker, unplug all other appliances on the same circuit before the next Avoid plugging other appliances into the same circuit as this heater.
- NEVER plug this heater into an outlet that is old, cracked, or has any loose wires or connections. Plugging this heater into a faulty outlet could result in electric arcing within the outlet that could cause the outlet to overheat or catch fire.
- ALWAYS check your heater cord and plug connections with each use!
- MAKE SURE the plug fits tight in the outlet! Faulty wall outlet connections or loose plugs can cause the outlet to overhet.
- Heaters draw more current than small appliances. Overheating may occur even if it has not occurred with the use of other appliances.
- During use check frequently to see if the plug outlet or faceplate is HOT!
- If the outlet or faceplate is HOT, discontinue use immediately and have a qualified electrician inspect and/or replace the faulty outlets.
- This heater has a polarized plug (one blade is wider than the other). As a safety feature to reduce the risk of electrical shock, this plug is intended to fit in a polarized outlet only one way. If the plug does not fit fully in the outlet, reverse the plug. If it still does not fit, contact a qualified electrician. Do not attempt to defeat this safety feature.
- SAVE THESE INSTRUCTIONS!

PREPARATION
DO NOT use this Electric Fireplace if any part has been underwater. Immediately call a qualified service technician to inspect and replace any part of the electrical system if necessary. Keep plastic wrapping away from children. |
Unpacking the Electric Fireplace. Remove all parts and hardware from the carton and place them on a clean, soft, dry surface. Check the parts list to make sure nothing is missing. Dispose of packaging materials properly. Please recycle whenever possible. Keep the original packaging for future transport and/or storage.


PRODUCT DIMENSIONS

Units: mm
| Model | Width (W) | Height (H) | Depth (D) | Mantel opening size | Mantel Minimum Depth (RD) | |
| Width (OW) | Height (OH) | |||||
| EF42D | 630 | 545 | 220 | 580-610 | 510-540 | 205 |
| EF43D | 710 | 625 | 220 | 660-690 | 590-620 | 205 |
| EF44D | 810 | 625 | 220 | 760-790 | 590-620 | 205 |
| EF45D | 890 | 685 | 220 | 840-870 | 650-680 | 205 |
Units: inch
| Model | Width (W) | Height (H) | Depth (D) | Mantel opening size | Mantel Minimum Depth (RD) | |
| Width (OW) | Height (OH) | |||||
| EF42D | 24.8 | 21.5 | 8.7 | 22.8-24 | 20.1-21.3 | 8.1 |
| EF43D | 28 | 24.6 | 8.7 | 26-27.2 | 23.2-24.4 | 8.1 |
| EF44D | 31.9 | 24.6 | 8.7 | 30-31.1 | 23.2-24.4 | 8.1 |
| EF45D | 35 | 27 | 8.7 | 33.1-34.3 | 25.6-26.8 | 8.1 |
ASSEMBLY
![]() | ALWAYS unplug this fireplace heater before assembly or cleaning, or before relocating. Failure to do so could result in electric shock, fire, or personal injury. KEEP drapery and other furnishings at least 3ft /0.9m from the front and sides of the electric fireplace. AFTER installation, ensure that there is ≥0.004 ㎡ ventilation area between the inside and outside of the fireplace mantel. |
Your new electric fireplace may be installed virtually anywhere in your home. However, when choosing a location ensure that the general instructions are followed. For best results, install out of direct sunlight. Power supply service must be either completed or placed within the electric fireplace prior to finishing to avoid reconstruction.
When moving the insert into the mantel, Do not let the bottom of the insert touch the mantel to avoid scratch.
BATTERY INFORMATION
- This remote control uses one CR2032 Lithium on button cell battery (included).
- Instructions for battery installation are inside the Remote Control battery compartment.
- Always replace the battery in the remote control with the same type of battery.
NEVER dispose of batteries in fire. Failure to observe this precaution may result in an explosion. Dispose of batteries at your local hazardous material processing center, or as required by local ordinances. |
OPERATION
Read and understand this entire owner’s manual, including all safety information, before plugging in or using this product. Failure to do so could result in electric shock, fire, serious injury, or death. |
Power
Make sure the Power Switch, located on the control panel, is in the OFF position. Plug the power cord
into a 110~120 Volt 15 Amp outlet (see IMPORTANT SAFETY INFORMATION on Pages 3 and 4).
Make sure the outlet is in good condition and that the plug is not loose. NEVER exceed the maximum
amperage for the circuit. DO NOT plug other appliances into the same circuit.
Temperature Limiting Control
This heater is equipped with a Temperature Limiting Control. Should the heater reach an unsafe temperature, the heater will automatically turn OFF. To reset:
- Unplug the power cord from the outlet.
- Turn the Power Switch on the CONTROL PANEL to OFF. Wait at least 5 minutes.
- Inspect the fireplace to make sure no vents are blocked, or clogged with dust or lint. If they are, use a vacuum to clean the vent areas.
- With the Power Switch in the OFF position, plug the power cord back into the outlet.
- If it switches off again, UNPLUG THE HEATER RIGHT AWAY! Have the outlets, wiring, and breaker box inspected by a professional. Make necessary repairs before using the heater.
Heater Rating
Maximum heat output: 1500W (4600BTU); Maximum heating area: 400 square feet.
Operation
Review the IMPORTANT SAFETY INFORMATION on Pages 3 and 4 before operating.
| NOTICE: When the heater is first turned on, a slight odor may be present. This is normal and should not occur again unless the heater is not used for a long period of time. |
Control Panel
Located on the right and top side panel of the fireplace.
| BUTTON | NAME | FUNCTION |
|
| POWER SWITCH | Turn on the main power supply. A long “beep” sound will be heard when the switch is turned on On Position “I”. Note: The remote control will lost the memory for function settings when the switch is turned on Off Position “0”. |
![]() | FLAME | The flame will be cycled Flame A – Flame B – Flame C – Flame Off. Flame A: full bright flame + little blue Flame B: full bright flame Flame C: half bright flame |
|
| HEATER | The heater will be cycled Low – High – Heater Off. You will see the indicator light illuminates on left to Power Switch. The indicator light goes out within 10s. Low: (●○) High: (●●) Note:
|
![]() | THERMOSTAT | Start with setting 9 and when the room has reached the desired level, turn the rotary switch counterclockwise until the thermostat just ‘clicks’ off. The thermostat will then maintain the room at the selected level. To increase the temperature, turn the rotary switch clockwise to a higher setting. |
Remote Control
| NOTICE: Control panel Power Switch must be ON to use remote control. Aim the remote control at the remote receiver. Make sure you hear a beep each time you press the button! If not, the fireplace will not respond to the signal. |
| REMOTE | BUTTON | NAME | FUNCTION |
![]() | ![]() | POWER | This fireplace can be easily operated by this button. All function settings will be memorized if the fireplace is turned off by the “Power Button”. For next use, we can only push this button to have the same settings (can both for flame and heater) as the latest use. For first-time use, it will turn on Flame A. |
![]() | FLAME | The flame will be cycled Flame A – Flame B – Flame C – Flame Off. | |
![]() | LOW HEAT | To turn on the heater on half heat setting or turn off the heater. | |
![]() | HIGH HEAT | To turn on the heater on full heat setting or turn off the heater. |
CARE AND MAINTENANCE
ALWAYS turn the heater OFF and unplug the power cord from the outlet before cleaning, performing maintenance, or moving this fireplace. Failure to do so could result in electric shock, fire, or personal injury. |
Cleaning
NEVER immerse in water or spray with water. Doing so could result in electric shock, fire, or personal injury. |
Metal:
- Buff using a soft cloth, slightly dampened with a citrus oil-based product.
- DO NOT use brass polish or household cleaners as these products will damage the metal trim.
Glass:
- Use a good quality glass cleaner and dry thoroughly with a paper towel or lint-free cloth.
- NEVER use abrasive cleansers, liquid sprays, or any cleaner that could scratch the surface.
Plastic:
- Wipe gently with a slightly damp cloth and a mild solution of dish soap and warm water.
- NEVER use abrasive cleansers, liquid sprays, or any cleaner that could scratch the surface.
Vents:
- Use a vacuum or duster to remove dust and dirt from the heater and vent areas.
- Clean the exterior of the fireplace with a slightly damp cloth or duster.
Maintenance
Risk of electric shock! DO NOT OPEN! No user-serviceable parts inside!
|
Electrical and Moving Parts:
- The fan motors are lubricated at the factory and will not require lubrication.
- Electrical components are integrated in the fireplace and are not serviceable by the consumer.
Storage:
- Store heater in a clean dry place when not in use.
Replacement parts:
- Use only replacement parts supplied by the manufacturer. Use of any other parts, or modifying the fireplace in any way, will void all warranties.
- No internal parts are replaceable or serviceable.
WARNING! No other servicing should be performed by the consumer. Do not attempt to service the unit yourself |
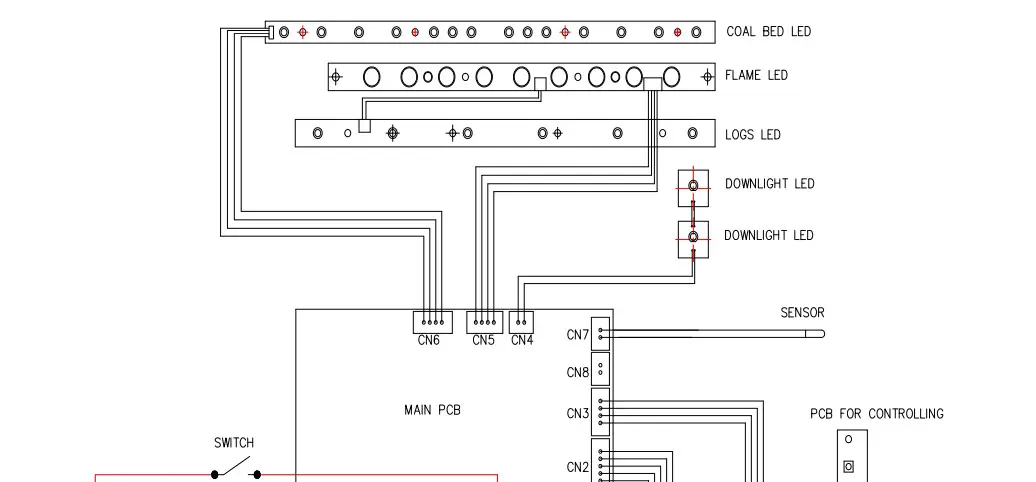
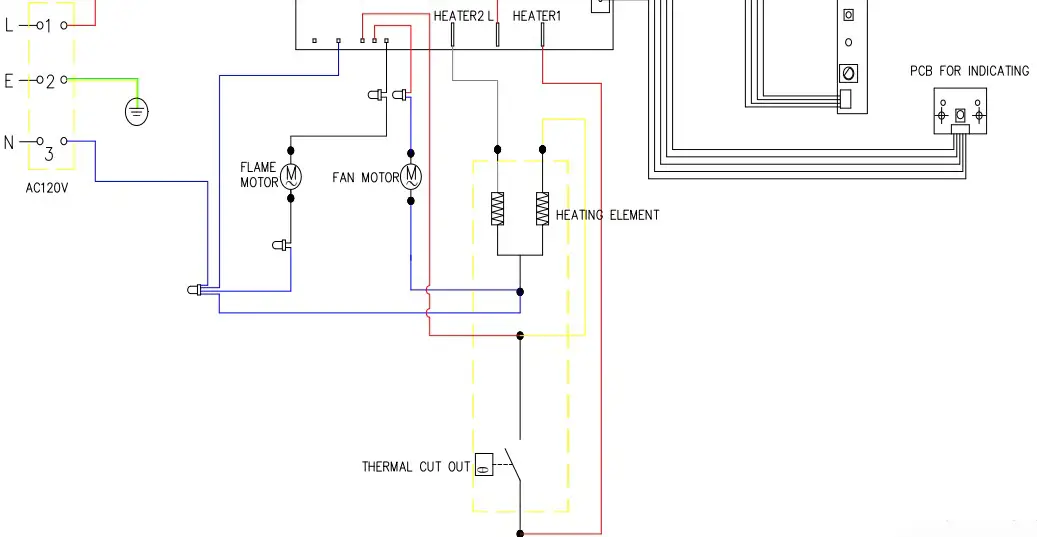
SCHEMATIC DIAGRAM

FAQ – FREQUENTLY ASKED QUESTIONS
- Why does the fan blow before the heat comes on, and after the heater is turned off?
Heat and cool gradually. The fan blows when the heater is first turned on, and the heat is still heating up. After the heater turns off, the fan will continue to blow air for 10 seconds. This allows the fireplace to cool slowly and helps prevent overheating. - What does the fireplace beep? Can I turn the beeping off?
The beeps indicate that the signal from the control panel, or remote control, has been received by the fireplace. The beeping cannot be turned off. - Why doesn’t the fireplace function change when the remote control setting changes?
The fireplace function will only change if there is a beep after pressing the button. If you do not hear a beep, try again. If you hear a beep, the fireplace function will change to match the remote control setting. - Why does the remote control not work, or only work sometimes?
Check to make sure the batteries are good. If necessary, change to new batteries. If the remote control is not aimed properly, if you are too far away, or if you are too far off to the side, the signal may not reach the fireplace. Get closer, aim at the upper top corner of the screen (where the red heat indicator light is located), and try again. - How do I change from high heat to low heater?
The heater is controlled by the heater button on the control panel or the heater buttons on the remote control. - Is the thermostat setting accurate?
The temperature within a room can vary. Room size, fireplace location, airflow, sunlight, wall type (interior vs. exterior), insulation, etc. all affect temperature. The fireplace set may not match your home thermostat exactly. This is normal. Try different thermostat settings on your fireplace until you find one that is right for you. - Can I use a heater without flame effect?
The heater can be used without flame effect. But the indicator light on the lower fuel bed always illuminates when heating on.
TROUBLESHOOTING GUIDE
| PROBLEM | SOLUTION |
| There is no power to the fireplace, or it does not turn on. |
|
| The control panel functions do not work. |
|
| The FLAME button doesn’t work. |
|
| The heater does not work. |
|
| The heater does not blow hot air when it turns on and off. | This is normal. The fans blow cool air while the heater gradually heats up. The fans blow after the heater turn off to cool the heater and prevent overheating. |
| The remote control does not work. |
|
| The thermostat does not work. |
|
LIMITED WARRANTY
This warrants to the original purchaser that this product is free from defects in material and workmanship as of the date of purchase and that it will, under normal use and proper care, remain so for one year from the date of purchase. Missing or initially defective parts will be replaced free of charge during the period of this limited warranty. If parts are unavailable, a comparable replacement of refund will be given.
The original dated sales receipt is required for all warranty claims. This warranty does not cover damage that has occurred during transport from the point of purchase to the consumer’s home. This warranty does not cover glass, light bulbs, batteries, transportation, labor, or other issues not associated with the manufacture of the product.
This product is for residential use only. Any and all commercial use of this product voids all warranties and frees the manufacturer from all liability.
Read and understand all assembly and operating instructions, and all safety information and warnings, before use. The following will void this warranty: Damage caused from tampering with, modifying, or altering the fireplace insert in any manner; Damage due to incorrect assembly, improper care, misuse, or abuse; Damage from being used with the wrong power source; Water damage; Damage caused from this insert being used outdoors; Damage caused from this insert being used for excessive periods of time; Damage caused by the insert being used in a commercial application; Damage from use as a primary heat source; Other misuse or abuse not specifically listed herein.
This product is not intended to be used as a primary heat source. It is for supplemental heating purposes only.
Thank you for purchasing this product! If you have questions about assembly or operation of this product, are missing parts, or if the product is damaged, please e-mail us at: [email protected] |
DO NOT use this Electric Fireplace if any part has been underwater. Immediately call a qualified service technician to inspect and replace any part of the electrical system if necessary. Keep plastic wrapping away from children.
Read and understand this entire owner’s manual, including all safety information, before plugging in or using this product. Failure to do so could result in electric shock, fire, serious injury, or death.










Thank you for purchasing this product! If you have questions about assembly or operation of this product, are missing parts, or if the product is damaged, please e-mail us at: 



![Puraflame Alice In Wall Recessed Electric Fireplace User Manual [ef172b, Ef173b, Ef174b, Ef175b, Ef176b] Puraflame Alice In Wall Recessed Electric Fireplace User Manual [ef172b, Ef173b, Ef174b, Ef175b, Ef176b]](https://static-data1.manualsee.com/1/img/133/68149/2021/02/PuraFlame-Alice-In-Wall-Recessed-Electric-Fireplace-User-Manual-EF172B-EF173B-EF174B-EF175B-EF176B.jpg)






![Pleasant Hearth Electric Fireplace Insert User Manual [model: 24-900-002] Pleasant Hearth Electric Fireplace Insert User Manual [model: 24-900-002]](https://static-data1.manualsee.com/1/img/92/71366/2021/02/Pleasant-Hearth-Electric-Fireplace-Insert-User-Manual-Model-24-900-002.jpg)






