PuraFlame HM45D Ventless Electric Fireplace Insert

Product Information
Model Number:
- (EF42D, EF43D, EF44D, EF45D, EF302A)
OWNER’S MANUAL
WARNING
Read and understand this entire owner’s manual, including all safety information, before plugging in or using this product. Failure to do so could result in fire, electric shock, or serious personal injury.
CAUTION
Keep this owner’s manual for future reference. If you sell or give this product away, make sure this manual accompanies this product.
DO NOT RETURN!
Contact our customer service team for help first.
[email protected].
Call: 844-377-5786
Important Safety Information
WARNING
- Read all instructions before using this heater!
- This heater is hot when in use. To avoid burns, DO NOT let bare skin touch hot surfaces. If provided, use handles when moving this heater. Keep combustible materials, such as furniture, pillows, bedding, papers, clothes, and curtains at least 3 feet (0.9m) from the front of the heater, and keep them away from the sides and rear.
- Extreme caution is necessary when any heater is used by or near children or invalids and whenever the heater is left operating and unattended.
- DO NOT operate any heater with a damaged cord or plug or after the heater malfunctions, has been dropped or damaged in any manner. Discard heater, or return to authorized service facility for examination and/or repair.
- DO NOT run power cord under carpeting. DO NOT cover power cord with throw rugs, runners, or similar coverings. DO NOT route power cord under furniture or appliances. Arrange power cord away from traffic area, and where it will not be tripped over.
- DO NOT insert or allow foreign objects to enter any ventilation or exhaust opening, as this may cause electric shock or fire, or damage the heater.
- To prevent a possible fire, DO NOT block air intakes or exhaust in any manner. Doing so could cause a fire. DO NOT use on soft surfaces, like a bed, where openings may become blocked.
- A heater has hot and arcing or sparking parts inside. DO NOT use it in areas where gasoline, paint, or flammable liquids are used or stored.
Technical Specifications
Electric Specifications
- Volts: 120V AC
- Hertz: 60Hz
- Watts: 1350W
- Amps: 11.25A
Product Specifications
- Dimensions: varies by model number
- Weight: varies by model number
- Heating Area: varies by model number
- Fireplace Style: Western Electric Fireplace Insert
Before Installation
Check
Before using the electric fireplace insert, check that:
- All parts are included in the package
- No visible damage is present on the product
- The power cord is not damaged
- The heater has not been dropped or damaged in any manner
Temperature Limiting Control
The electric fireplace insert is equipped with a temperature-limiting control. If the unit exceeds a certain temperature, it will automatically shut off. This is a safety feature designed to prevent overheating and potential fire hazards.
Care and Maintenance
Regular care and maintenance of the electric fireplace insert will ensure optimal performance and longevity of the product.
- Unplug the unit from the power source before cleaning
- Use a soft, dry cloth to clean the exterior of the unit
- Do not use abrasive cleaners or solvents on the unit
- Clean the glass panel with a soft cloth and glass cleaner
- Inspect the power cord for any damage or wear and tear
- Store the unit in a dry, cool place when not in use
Limited Warranty
The electric fireplace insert comes with a limited warranty. Contact customer service for more information.
Troubleshooting Guide
If you experience any issues with the electric fireplace insert, consult the troubleshooting guide in the owner’s manual or contact customer service for assistance.
Schematic Diagram
A schematic diagram of the electric fireplace insert is included in the owner’s manual for reference.
Product Usage Instructions
- Read the entire owner’s manual, including all safety information, before using the electric fireplace insert.
- Check that all parts are included in the package and that there is no visible damage on the product.
- Place the electric fireplace insert on a flat, stable surface at least 3 feet (0.9m) away from any combustible materials, such as furniture, pillows, bedding, papers, clothes, and curtains.
- Plug the power cord into a grounded 120V AC outlet.
- Turn on the electric fireplace insert using the on/off switch or remote control.
- Adjust the temperature and flame settings to your preference using the controls on the unit or remote control.
- To turn off the electric fireplace insert, use the on/off switch or remote control and unplug the power cord from the outlet.
- Regularly clean and maintain the electric fireplace insert to ensure optimal performance and longevity of the product.
Keep this owner’s manual for future reference. If you sell or give this product away, make sure this manual accompanies this product.
WARNING
Read and understand this entire owner’s manual, including all safety information, before plugging in or using this product. Failure to do so could result in fire, electric shock, or serious personal injury.
CAUTION
Keep this owner’s manual for future reference. If you sell or give this product away, make sure this manual accompanies this product.
DO NOT RETURN!
Contact our customer service team for help first. [email protected] Call: 844-377-5786.
IMPORTANT SAFETY INFORMATION
WARNING
- Read all instructions before using this heater!
- This heater is hot when in use. To avoid burns, DO NOT let bare skin touch hot surfaces. If provided, use handles when moving this heater. Keep combustible materials, such as furniture, pillows, bedding, papers, clothes, and curtains at least 3 feet (0.9m) from the front of the heater, and keep them away from the sides and rear.
- Extreme caution is necessary when any heater is used by or near children or invalids and whenever the heater is left operating and unattended.
- DO NOT operate any heater with a damaged cord or plug or after the heater malfunctions, has been dropped or is damaged in any manner. Discard the heater, or return to the authorized service facility for examination and/or repair.
- DO NOT run the power cord under the carpeting. DO NOT cover the power cord with throw rugs, runners, or similar coverings. DO NOT route the power cord under furniture or appliances. Arrange a power cord away from the traffic area, and where it will not be tripped over.
- DO NOT insert or allow foreign objects to enter any ventilation or exhaust opening, as this may cause electric shock or fire, or damage the heater.
- To prevent a possible fire, DO NOT block air intakes or exhaust in any manner. Doing so could cause a fire. DO NOT use on soft surfaces, like a bed, where openings may become blocked.
- A heater has hot and arcing or sparking parts inside. DO NOT use it in areas where gasoline, paint, or flammable liquids are used or stored.
- Use this heater only as described in this manual. Any other use not recommended by the manufacturer may cause fire, electric shock, or injury to persons.
- ALWAYS plug heaters directly into a wall outlet/receptacle. NEVER use with an extension cord or relocatable power tap (outlet/power strip).
- Connect to properly grounded outlets ONLY.
- DO NOT place the heater near a bed because objects such as pillows or blankets can fall off the bed and be ignited by the heater.
- NEVER use this heater in bathrooms, laundry rooms, or any other location where the heater could fall into a bathtub or pool, become damp, or come in contact with water.
- AVOID FIRE! Regularly inspect all air vents to make sure they are free from dust, lint, or other blockage. Unplug the unit and clean with a vacuum ONLY. DO NOT rinse or get wet.
- WARNING: DO NOT DEPEND ON THE POWER SWITCH THE SOLE MEANS OF DISCONNECTING POWER WHEN SERVICING OR MOVING THE HEATER. ALWAYS UNPLUG THE POWER CORD.
- WARNING: REDUCE THE RISK OF FIRE OR ELECTRIC SHOCK—DO NOT USE THIS HEATER WITH ANY SOLID-STATE SPEED CONTROL DEVICES.
- For residential use only! NOT for commercial use! Any commercial or public use of this heater voids all warranties and could cause injury.
- This product is not intended to be a primary heat source. a It is for supplemental heat only.
- INDOOR use only! NEVER use this heater outdoors! Doing SO may result in electric shock!
- Risk of electric shock! DO NOT OPEN! No user-serviceable parts inside!
- NEVER modify this heater. Doing so could result in personal injury or property damage. Modification of this fireplace completely voids all warranties.
- ALWAYS turn this heater off before unplugging it from the outlet.
- ALWAYS disconnect this unit from the power supply before performing any assembly or cleaning, or before relocating the electric fireplace.
- NEVER leave this heater unattended. ALWAYS unplug this heater when not in use.
- ALWAYS store this heater in a dry location. NEVER use the fireplace if it has become wet.
- ONLY use this heater on a 120V AC 15-Amp circuit. NEVER overload the circuit. If this heater trips the circuit breaker, unplug all other appliances on the same circuit before the next use. Avoid plugging other appliances into the same circuit as this heater.
- NEVER plug this heater into an outlet that is old, cracked, or has any loose wires or connections. Plugging this heater into a faulty outlet could result in electric arcing within the outlet that could cause the outlet to overheat or catch fire.
- ALWAYS check your heater cord and plug connections with each use!
- MAKE SURE the plug fits tight in the outlet! Faulty wall outlet connections or loose plugs can cause the outlet to overheat.
- Heaters draw more current than small appliances. Overheating may occur even if it has not occurred with the use of other appliances.
- During use check frequently to see f the plug outlet or faceplate is HOT!
- If the outlet or faceplate is HOT, discontinue use immediately and have a qualified electrician inspect and/or replace the faulty outlets.
This heater has a polarized plug (one blade is wider than the other). As a safety feature to reduce the risk of electrical shock, this plug is intended to fit in a polarized outlet only one way. If the plug does not fit fully in the outlet, reverse the plug. If it still does not fit, contact a qualified electrician. Do not attempt to defeat this safety feature.

SAVE THESE INSTRUCTIONS!
TECHNICAL SPECIFICATIONS
Electric Specifications
| Model | Volt | Watt (min/max) | Hz | BTU(max) | Amp | Heating Area(max) |
| EF42-45D EF302A | 120 | 750/1500 | 60 | 4600 | 12.5 | 400 square feet |
Product Dimensions

| Model | A | B | C | D | E | F | G | H |
| EF42D | 24.80 | 22.91 | 21.89 | 16.93 | 21.46 | 20.04 | 8.7 | 7.8 |
| EF43D | 27.95 | 25.96 | 25.20 | 20.02 | 24.61 | 23.19 | 8.7 | 7.8 |
| EF44D | 31.89 | 29.90 | 29.02 | 23.95 | 24.61 | 23.19 | 8.7 | 7.8 |
| EF45D | 35.04 | 33.05 | 32.29 | 27.10 | 26.99 | 25.55 | 8.7 | 7.8 |
| EF302A | 35.04 | 33.05 | 32.29 | 27.10 | 22.44 | 21 | 8.7 | 7.8 |
BEFORE INSTALLATION
Check:
WARNING!
DO NOT use this Electric Fireplace if any part has been under water. Immediately call a qualified service technician to inspect and to replace any part of the electrical system if necessary. Keep plastic wrapping away from children.
Spare Parts Checking
- Open the packaging carefully and remove the polystyrene.
- Check all the spare parts are fully received.
- Carefully check if any damages that may have for the spare parts.
NOTE:
Contact service team for help if there is any part missing or damaged. Email to [email protected] or call 844- 377-5786 during EDT 9:00 to 17:00 from Monday to Friday.

Kindly suggestions
- Keep the packaging (carton, polystyrene, poly bag, etc.) for future transportation and/or storage.
- If there is any problem or question, please contact the service team.
- If the unit needs to be returned, please make sure all the spare parts are packed inside, and packed the same as the original packaging.
Note: This model cannot be hard-wired.
INSTALLATION INSTRUCTIONS
ALWAYS unplug this fireplace heater before assembly or cleaning, or before relocating. Failure to do so could result in electric shock, fire, or personal injury.
- KEEP drapery and other furnishings at least 3ft /0.9m from the front and sides of the electric fireplace.
- AFTER installation, ensure that there is 20.004m ventilation area between inside and outside of fireplace mantel.
- Locating the Appliance
Your new electric fireplace may be installed virtually anywhere in your home. However, when choosing a location, ensure that the general instructions for safety are followed.- For best results, install out of direct sunlight, water or very damp air.
- Power supply service must be installed within proximity of electric fireplace prior to finishing avoiding reconstruction.
- Locate an outlet
- Plug in (you may run the power cord out of the framed wall opening to an existing outlet or install an outlet on a nearby wall stud within the wall). The circuit should be 120v 15amp.
- The power cord is 6ft long. If the cord is not long enough to reach the outlet, a grounded extension cord minimum AWG No. 14 wiring and rated to a minimum or 1875 watts may be used, please kindly noted that it should not be longer than 7.87ft.
- Make sure the outlet is in good condition and that the plug is not loose. NEVER exceed the maximum amperage for the circuit. DO NOT plug other appliances into the same circuit.
- Recessed into a wall
It is available to install the unit into a wall. The opening depth 8.1″ is suggested for better ventilation. Build the opening according to the suggested specification shown below.
Opening sizes ranges/inches SKU Width Height Depth(min) Depth(suggest) EF42D 21.9-23.9 20.1-21.3 7.8
8.1
EF43D 25.2-27.2 23.2-24.4 EF44D 29.1-31.1 23.2-24.4 EF45D 32.3-34.3 25.6-26.6 EF302A 32.3-34.3 21-22 Prepare the opening and outlet, place the unit into the framed opening gently and no fixing brackets are needed.
Note: If the existing opening is found a little bit narrow, the handles on both sides could be removed. - Insert into a cabinet or wood mantel.
It is available to install the unit into a wood cabinet or mantel. Also, it would be better to keep the depth at 8.1″. The clearance from the top of the unit to the bottom of TV or something else sitting on the cabinet should be 8″ at least.
OPERATING INSTRUCTIONS
Read and understand this entire owner’s manual, including all safety information, before plugging in or using this product. Failure to do so could result in electric shock, fire, serious injury, or death.
WARNING!
Do not operate the unit if it is damaged or has malfunctioned. If you suspect the unit is damaged, call a qualified service technician to inspect and replace any part of the electrical system if necessary.
Manual Control Panel

Note:
When the heater is first turned on, a slight odor may be present. This is normal and should not occur again unless the heater is not used for a long period of time.



Remote Control
Note:
The remote control can be used only when the main power switch is on. Aim the remote control at the remote receiver which is on the left of the main power switch

NOTE:
A coin cell (CR2032) should be used for this remote but it is NOT included in the package in consideration of transportation safety, please source it locally.


Temperature Limiting Control
This heater is equipped with a Temperature Limiting Control. Should the heater reach an unsafe temperature, the heater will automatically turn OFF. To reset:
- Unplug the power cord from the outlet.
- Turn the Power Switch on the CONTROL PANEL to OFF. Wait at least 5 minutes.
- Inspect the fireplace to make sure no vents are blocked, or clogged with dust or lint. If they are, use a vacuum to clean the vent areas.
- With the Power Switch in the OFF position, plug the power cord back into the outlet.
If it switches off again, UNPLUG THE HEATER RIGHT AWAY! Have the outlets, wiring, and breaker box inspected by a professional? Make necessary repairs before using the heater.
CARE AND MAINTENANCE
ALWAYS turn the heater OFF and unplug the power cord from the outlet before cleaning, performing maintenance, or moving this fireplace. Failure to do so could result in electric shock, fire, or personal injury.
Cleaning
NEVER immerse in water or spray with water. Doing so could result in electric shock, fire, or personal injury.
Metal:
- Buff using a soft cloth, slightly dampened with a citrus oil-based product.
- DO NOT use brass polish or household cleaners as these products will damage the metal trim.
Glass:
- Use a good quality glass cleaner and dry thoroughly with a paper towel or lint-free cloth.
- NEVER use abrasive cleaners, liquid sprays, or any cleaner that could scratch the surface.
Plastic:
- Wipe gently with a slightly damp cloth and a mild solution of dish soap and warm water.
- NEVER use abrasive cleaners, liquid sprays, or any cleaner that could scratch the surface.
Vents:
- Use a vacuum or duster to remove dust and dirt from the heater and vent areas.
- Clean the exterior of the fireplace with a slightly damp cloth or duster.
Maintenance
- Risk of electric shock! DO NOT OPEN! No user-serviceable parts inside!
- ALWAYS turn the heater OFF and unplug the power cord from the outlet before cleaning, performing maintenance, or moving this fireplace. Failure to do so could result in electric shock, fire, or personal injury.
Electrical and Moving Parts:
- The fan motors are lubricated at the factory and will not require lubrication.
- Electrical components are integrated into the fireplace and are not serviceable by the consumer.
Storage:
- Store the heater in a clean dry place when not in use.
Replacement parts:
- Use only replacement parts supplied by the manufacturer. Use of any other parts, or modifying the fireplace in any way, will void all warranties.
- No internal parts are replaceable or serviceable.
LIMITED WARRANTY
This warrants to the original purchaser that this product is free from defects in material and workmanship as of the date of purchase and that it will, under normal use and proper care, remain so for one year from the date of purchase. Missing or initially defective parts will be replaced free of charge during the period of this limited warranty. If parts are unavailable, a comparable replacement or refund will be given. The original dated sales receipt is required for all warranty claims. This warranty does not cover damage that has occurred during transport from the point of purchase to the consumer’s home. This warranty does not cover glass, light bulbs, batteries, transportation, labor, or other issues not associated with the manufacture of the product.
This product is for residential use only. Any and all commercial use of this product voids all warranties and frees the manufacturer from all liability.
Read and understand all assembly and operating instructions, and all safety information and warnings, before use. The following will void this warranty: Damage caused from tampering with, modifying, or altering the fireplace insert in any manner; Damage due to incorrect assembly, improper care, misuse, or abuse; Damage from being used with the wrong power source; Water damage; Damage caused from this insert being used outdoors; Damage caused from this insert being used for excessive periods of time; Damage caused by the insert being used in a commercial application; Damage from use as a primary heat source; Other misuse or abuse not specifically listed herein. This product is not intended to be used as a primary heat source. It is for supplemental heating purposes only.
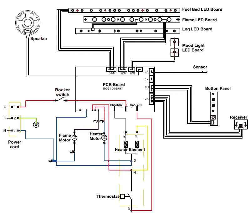
TROUBLESHOOTING GUIDE
- The remote does not work and the new unit we just got cannot be turned on.
- Make sure the main power switch on the top right behind the fence is on.
- There would be a long beep when the main power switch is turned on.
- If there is no beep, the connectors on the PCB board might be loosening, please contact the service team for checking instructions.
- If there is a beep and the control panel can be used but the remote is not working, the remote is not working either close or far, please contact the service team for help.
- My old unit no longer works, it cannot power on.
- Check the power cord to see if it is well.
- If the power cord is fine, check the wires behind the rocker switch to see if they are burned.
- If the wires are well, too, the PCB board might be broken and need to be replaced. Please contact the service team for a replacement and instructions.
- The heater does not work, it turns on for several seconds then shuts off itself.
- New product:
- Turn the thermostat to 8 to see if the heater will work continuously.
- If not, unplug the unit for a whole night.
- If still not, contact the service team for checking instructions, the fan assembly should be checked.
- Product has been used for some time:
- Open the top panel to check if the fan can move smoothly or the heater motor is well connected.
- If yes, pull off the CN3 connecter plugged on the PCB board. If the heater works, the button panel should be replaced.
- If the heater still does not work after unplugging the CN3 connecter, please contact service team for a further solution.
- New product:
- There is no air coming out when turn the heater on.
- New product:
- Confirm if the air outlet feels warm or if there is something getting red inside when the heater is turned on. If yes, the fan is stuck or the heat motor is not in right position.
- If not, check the heater connectors on the PCB board. Unplug and replug all connectors to see if the heater will work.
- Product has been used for some time:
- Confirm if the air outlet feels warm or there is something getting red inside when the heater is turned on. If yes, the fan is stuck or the heat motor is not in right position.
- If not, please contact the service team for help.
- New product:
- The heater does not come back even the room is already cold. Turn the thermostat to 8 to see if the heater will work continuously, if yes, the sensor is malfunctioning, if not, please contact service team for help.
- The flame does not show up or flicker or a noise when turn it on. Please contact the service team for check instructions of the flame LED board connecter, flame motor and spindle.
- There is a black tie inside the unit or there is a small spot on the glass. Please contact the service team for an instruction of removing the glass.
- The front trim is out of shape, the remote is missed or the log is broken. Please contact the service team for a replacement and instructions.
SCHEMATIC DIAGRAM

Ningbo Richen Electrical Appliance Co., Ltd
Address: No.19, Yongdinghe Road, Xiapu, Beilun, Ningbo PR. China.
www.puraflame.com.















![Puraflame Alice In Wall Recessed Electric Fireplace User Manual [ef172b, Ef173b, Ef174b, Ef175b, Ef176b] Puraflame Alice In Wall Recessed Electric Fireplace User Manual [ef172b, Ef173b, Ef174b, Ef175b, Ef176b]](https://static-data1.manualsee.com/1/img/133/68149/2021/02/PuraFlame-Alice-In-Wall-Recessed-Electric-Fireplace-User-Manual-EF172B-EF173B-EF174B-EF175B-EF176B.jpg)



