Acrel ADL100-ET Low Power Consumption DIN Rail Digital Single

Declare
The copyright is the property of Acrel. Any information in any paragraph or section cannot be extracted, copied or otherwise reproduced or propagated. Otherwise offenders shall take all consequences.
All rights are reserved.
Acrel reserves the right to modify the product specifications herein without notification. Please consult the local agent about the latest specifications before placing a purchase order
Overview
ADL100 single-phase electric meter is designed for single-phase active energy measurement on low voltage systems, in the same time it can measure electrical parameters like voltage, current, power, and so on. It is also RS485 can be chosen. This power meter has the advantages of smaller volume, high precision, good EMC, easily installing, etc, All meters meet the related technical requirements of electronic power meters in the IEC62053-21、IEC62053-22 standards.
Function
| Function | Function description | Function provide |
| Measurement of kWh | Single-phase active kWh (positive and negative) | ■ |
| Measurement of electrical parameters | Voltage, Current, Active power, Reactive power, Apparent power, Power factor and Frequency | ■ |
| LCD Display | 8 bits section LCD display | ■ |
| Key programming | 3 keys to set parameters like code, address, baud rate, multi-tariff and communication protocol | ■ |
| Pulse output | Active energy pulse output | ■ |
| Multi-tariff | Adapt 4 time zones, 2 time interval lists, 14 time interval by day and 4 tariff rates | □F |
| Communication | Communication interface: RS485, Communication protocol: MODBUS-RTU | □C |
| Infrared communication | ■ |
Technical parameter
Electric performance
|
Input voltage | Reference voltage | AC 220V |
| Reference frequency | 50Hz | |
| Power consumption | <10VA | |
|
Input current | Basic current | 10A,20A(External transformer) |
| Maximum current | 60A,100A(External transformer) | |
| Starting current | 4‰Ib | |
| Consumption | <4VA (Maximum current) | |
| Measurement performance | Accuracy of measuring | 1class |
| Range of measuring | 000000.00~99999999kWh | |
| Clock accuracy | Error≤0.5s/d | |
| Active pulse | Pulse width | 80±20ms |
| Pulse constant | 1600imp/kWh,LED | |
|
Communication | Interface | RS485(A+、B-) |
| Connection mode | Shielded twisted pair conductors | |
| Protocol | MODBUS-RTU | |
Mechanical performance
- Outline (Length × Width × Height) 88mm×36mm×70mm
Work environment
| Temperature range | Work temperature | -25℃~55℃ |
| Storage Temperature | -40℃~70℃ | |
| Relative humidity | ≤95%(No condensation) | |
| Altitude | <2000m | |
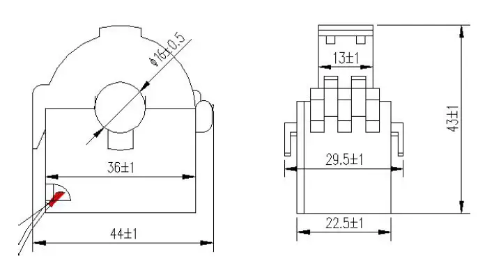
Overall dimensions (unit: mm)

Instrument dimensions
Note: The torque should not be greater than 2.0N·m
External transformer dimensions
Wiring and installing

Tips:
ADL100-ET single-phase electric meter used the direct connecting method. Please pay attention to the direction of input and output while wiring and screwing tightly, to prevent the meter from abnormal work.
Operation and display
Key description
| Key Icon | Key name | Key function |
![]() | Menu | Enter/ quit, save |
![]() | Up | Flash bit change |
![]() | Down | Flash bit rightward/ next page |
Display of measurement menu
Show total energy when connected. Change information while pressing the down key. Display information as follows:
Note: There are no (10)(11)(12)(13)(14)(15)when the multi-tariff function (F) is not applied.
Press
any main menu and get into
the interface, and then press
show
, and enter the code. If you enter the wrong code, it will show
and back to main menu; and if you enter the right code, you can set the parameter. After setting the parameter, it will show
and save the change by pressing
and quit without save by pressing
.
Item can be set
| Num | Firstly Menu | Secondly menu | |||
| Symbol | Meaning | Symbol | Meaning | Range | |
| 1 | ![]() | Code | ![]() | Set code | 0000-9999 |
| 2 | ![]() | (modbus) | ![]() | Set address (modbus) | 1-247 |
| 3 | ![]() | Baud rate | Set baud rate | 9600 、 4800 、 2400、 1200 | |
| 4 | ![]() | Multi-tariff | ![]() | Set multi-tariff | No/Yes |
| 4 | ![]() | Parity method | ![]() | Set parity method | None/Even/Od d |
| 6 | ![]() | Save | ![]() | Save page | No/Yes |
Key setting process

Communication Description
Communication protocol
The meters adapt Modbus. Please refer to the relevant standards for more information. The multi-tariff data mean nothing when the multi-tariff function (F) is not applied.
MODBUS Address list
| Address | Variable | Length | R/W | Notes |
| 0000H | Current total energy | 4 | R | |
| 0001H | ||||
| 0002H | Current spike energy | 4 | R | |
| 0003H | ||||
| 0004H | Current peak energy | 4 | R | |
| 0005H | ||||
| 0006H | Current flat energy | 4 | R | |
| 0007H | ||||
| 0008H | Current valley energy | 4 | R | |
| 0009H | ||||
| 000AH | Code | 2 | R/W | |
| 000BH | U Voltage | 2 | R | |
| 000CH | I Current | 2 | R | |
| 000DH | P Active power | 2 | R | |
| 000EH | Q Reactive power | 2 | R | |
| 000FH | S Apparent power | 2 | R | |
| 0010H | PF Power factor | 2 | R | |
| 0011H | Frequency | 2 | R | |
| 0012H | Year, month | 2 | R/W | |
| 0013H | Day, hour | 2 | R/W | |
| 0014H | Minute, second | 2 | R/W | |
| 0015H high | Address | 1 | R/W | 1~247 |
|
0015H low |
Communication baud rate |
1 |
R/W | Baud Rate: 1:9600 2:4800 3:2400 4:1200 |
| 0016H …… 0021H |
Reserve | |||
| 0022H | Total electric energy of last month | 4 | R | |
| 0023H |
| 0024H | Spike electric energy of last month | 4 | R | |
| 0025H | ||||
| 0026H | Peak electric energy of last month | 4 | R | |
| 0027H | ||||
| 0028H | Flat electric energy of last month | 4 | R | |
| 0029H | ||||
| 002AH | Valley electric energy of last month | 4 | R | |
| 002BH | ||||
| 002CH | Total electric energy of last 2 month | 4 | R | |
| 002DH | ||||
| 002EH | Spike electric energy of last 2 month | 4 | R | |
| 002FH | ||||
| 0030H | Peak electric energy of last 2 month | 4 | R | |
| 0031H | ||||
| 0032H | energy of last 2 month | 4 | R | |
| 0033H | ||||
| 0034H | Valley electric energy of last 2 month | 4 | R | |
| 0035H | ||||
| 0036H | Total electric energy of last 3 month | 4 | R | |
| 0037H | ||||
| 0038H | Spike electric energy of last 3 month | 4 | R | |
| 0039H | ||||
| 003AH | Peak electric energy of last 3 month | 4 | R | |
| 003BH | ||||
| 003CH | Flat electric energy of last 3 month | 4 | R | |
| 003DH | ||||
| 003EH | Valley electric energy of last 3 month | 4 | R | |
| 003FH | ||||
| 0040H … 0047H | ||||
| 0048H | Test method | 2 | R | 0000 None 0002 Even |
| 0049H … 0067H | Reserved | |||
| 0068H | Current forward active total energy | 4 | R | |
| 006AH | Current forward active spike energy | 4 | R | |
| 006CH | Current forward active peak energy | 4 | R | |
| 006EH | Current forward active flat energy | 4 | R | |
| 0070H | Current forward active valley energy | 4 | R |
| 0072H | Current reversing active total energy | 4 | R | |
| 0074H | Current reversing active spike energy | 4 | R | |
| 0076H | Current reversing Active peak energy | 4 | R | |
| 0078H | Current reversing active flat energy | 4 | R | |
| 007AH | Current reversing Active valley energy | 4 | R | |
| 007CH … 0081H | 4 time zones | 3×4 | R/W | |
| 0082H … 0096H | 14-period of time Parameters setting information | 3×14 | R/W | The first time list |
| 0097H … 00ABH | 14-period of time Parameters setting information | 3×14 | R/W | The second time list |































