MINNKOTA 2884053 24/36V Maxxum and Fortrex Control Board Installation Guide
Description
| Item | Part # | Description | Qty. |
| 1 | 264066 | CONTROL BRD ASM,MAX/FTX 24/36V | l |
| 2 | 2263471 | SCREW-#6-32 X 1/4″ SEIYIS ZPS | 4 |
| 3 | 2223455 | SCREW#-10-32 X 1/2″ ZP MACHINE | 2 |
| 4 | 2880705 | TERMINAL-RING 10 GA (SERVICE) | 4 |
| 5 | 2256300 | TIE WRAP-5.5″ BLACK | 1 |
TOOLS AND RESOURCES REQUIRED
- #2 Phillips Screwdriver
- Wire Cutter
- Wire Stripper
- Terminal Crimper
- 1/2″ Open End Wrench
- Pliers
- Small Flat Blade Screwdriver
- Approximately 30 Minutes
CAUTION
Always wear safety glasses and gloves.
Disconnect all power to the Trolling Motor before beginning any work or maintenance.
Johnson Outdoors Inc. is not responsible for any damage due to improper rigging or installation.
If you do not have the skills, experience and tools to perform the following maintenance and repairs we recommend you seek the help of a Minn Kota Authorized Service Providers.
A list of Authorized Service Providers can be found at:
https://www.minnkotamotors.com/Authorized-Service-Providers/.
Or contact our Technical Service Department by email at: [email protected] or by dialing 800-227-6433
REMOVAL
- Position the Foot Pedal Upside Down Steered to the left limit Heel Down/Toe Up.
- Use a Pliers to remove the E-Clip retaining the Speed Knob then Remove the Speed Knob from the Pedal.
- Use the ’/z” Wrench to loosen the Nut retaining the Potentiometer until the Potentiometer can be removed from the Foot Pedal
Upper. - Remove the Reed Switch
- Push the tab of the Push Button Magnet Assembly toward the Reed Switch and then gently push outward on the Tab, at the same time grasp the top side of the Push Button Magnet Assembly and continue to pull until the tab is completely free of the foot pedal upper.
Use care to prevent breaking the Push Button Magnet Assembly.
The Pedal Button Spring is under the Push Button Magnet Assembly, be sure to find and set it aside for reassembly. - Use the pliers squeeze the Reed Switch Clip and push it up through the Foot Pedal Upper.
- Use the flat blade screwdriver to push the reed switch up and out of the Reed Switch clip.
Set the reed switch clip aside for reassembly, move the reed switch to the underside of the foot pedal upper.
- Push the tab of the Push Button Magnet Assembly toward the Reed Switch and then gently push outward on the Tab, at the same time grasp the top side of the Push Button Magnet Assembly and continue to pull until the tab is completely free of the foot pedal upper.
- Remove the Bottom Plate.
- Remove the (2) Machine Screws securing the control board to the bottom plate.
These can be discarded, replacements are included in the hit. - Remove the (5) #8-18 Screws that secure the bottom plate to the foot pedal base.
Set these 5 screws aside for reassembly. - Lift the bottom plate away from the foot pedal base.
NOTICE: These screws are the same diameter and thread pitch as different length screws used elsewhere in the motor.
Take note of where the screws come from if other components are also being removed when you are completing this board replacement.
- Remove the (2) Machine Screws securing the control board to the bottom plate.
- Remove the Control Board.
- Disconnect the Lead wires and motor wires connected to the control board.
If connected with flag terminals pull the terminals off of the blade connectors on the board.
If connected with ring terminals use the #2 Phillips Screw Driver to remove the Screws Securing the terminals to the board.
The Screws can be discarded, replacements are included with the kit. - Disconnect the Orange and Brown wires.
- Remove the wires from the MOM/OFF/CON Switch.
- To access the MOM/OFF/CON Switch the Switch Plate Must be Removed, Use the #2 Screw Driver to remove the
(2) #6-20 Screws that secure it then slide the plate out from under the steering cable and out of the foot pedal base. - Remove the Yellow, White, and Green Wires from the Switch.
- To access the MOM/OFF/CON Switch the Switch Plate Must be Removed, Use the #2 Screw Driver to remove the
- Lift the control board out of the Foot Pedal Base, guide the Reed Switch and Potentiometer through the opening their wires pass through in the Foot Pedal Base.
NOTICE: It may be necessary to loosen steering tension to get the switch plate out from under the steering cable.
- Disconnect the Lead wires and motor wires connected to the control board.
MODIFICATION
- If the previous board was installed with Flag Terminals cut the Flag Terminals off and reterminate the Black and Red Motor Wires and Battery Positive and Negative Leadwire with the included Ring Terminals.
To make repositioning the wires easier during installation the Cable Tire securing the motor wires and lead wire to the Foot Pedal Base may be cut and removed, a replacement Cable Tie is included.
INSTALLATION
- Position and connect the Control Board Assembly.
- Guide the Potentiometer and Reed Switch through the rectangular opening in the Foot Pedal Base closest to the Foot Pedal Upper.
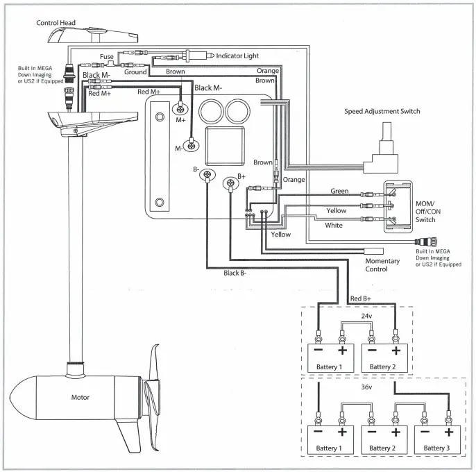
- Route the White, Yellow and Green Wires over to the MOM/OFF/CON Switch along the same path as the wires from the previous board, connect the wires to the MOM/OFF/CON as indicated on the wiring diagram.
- Reinstall the Switch Plate.
- Connect the Orange and Brown Leads from the Board to the Orange and Brown Wires that exit the foot pedal base along with the steering cables, these wires may be black with Orange and Brown Traces.
- Place the Board in the Foot Pedal Base in the same location and orientation as the board that was removed.
- Install the Red and Black Motor Wires at the locations shown on the Wiring Diagram using (2) of the included #6-32 Screws.
- Install the Lead Wires at the locations shown on the Wiring Diagram using (2) of the included #6-32 Screws.
- 11 the Cable Ie was removed install the new cable tie securing the Motor Wires, Lead Wires, Light Wires, and Any Sonar Extension Cable to the Foot Pedal Base.
NOTICE: If the control board wires connected to the orange and black wire were both black verify that at the control box the brown wire from the lower unit is connected to the wire with the brown trace continuing to the foot pedal.
If the Brown Wire from the Motor Lower Unit is connected to the Foot Pedal Wire with the Orange Trace Move that connection to the wire with the Brown Trace.
- Install the Potentiometer/Speed Knob.
- Loosen the nut on the potentiometer.
- Slide the shaft into the holder with the ribbon cable exiting toward the heel of the pedal upper.
- Use the ’/z” Wrench to tighten the nut on the potentiometer shaft securing the potentiometer to the foot pedal upper.
- Slide the Speed Control Knob onto the Potentiometer Shaft.
- Install the E-Clip on the Speed Knob.
- Install the Reed Switch.
- Pass the Reed Switch through the wire clamp and then through the opening for the Reed Switch Clip
- Pass the wires through the slot in the Reed Switch Clip so the wires are exiting the narrow end of the Reed Switch Clip and the Reed Switch is at the wider end of the Reed Switch Clip.
- Slide the Reed Switch down into the tube of the Reed Switch Clip.
Slide it further down than you expect will be normal operation (adjustment step will done with the motor connected to power after all other steps are completed). - Position the Reed Switch Clip so the Slot will be accessible after the foot pedal is fully assembled, then push the Reed Switch Clip into the opening under the Momentary Button.
- Install the Bottom Plate
- Align one of the two holes in the plate for the control board with the appropriate hole in the Control Board Transfer Bar and start one of the #10-32 Machine Screw through the bottom plate into the transfer bar.
- Repeat step A for the other hole.
- Tighten both #10-32 Screws fully securing the control board to the bottom plate.
- Position the bottom plate so the holes along the outer edge align with the holes in the foot pedal base and install the (5) #8-18 Screws that secure the Bottom Plate to the Foot Pedal Base.
NOTICE: These are thread-cutting screws, failure to align the screws with the threads previously formed will damage the foot pedal base.
- Turn the Foot Pedal right side up.
CAUTION
Complete any other motor assembly prior to the next step.
Verify the prop can shaft can spin safely, if the prop is installed remove it.
The next steps require limited operation of the motor. - Connect the motor to an appropriate power source..
- Test Constant operation, place the MOM/OFF/CON switch in the constant position and turn the Speed Knob from zero to a faster speed setting, verify speed varies as the knob is moved.
Turn the speed back to zero. - Install the Push Button Magnet Assembly
- Place the MOM/OFF/CON switch in the MOM position.
- Place the Push Button Spring on circular “Post” that is in the Momentary Switch Cavity near the Reed Switch Clip.
- Insert the horizontal tab of the Push Button Magnet Assembly in the slot toward the edge of the foot pedal upper then rotate the Momentary Button into place, as gently as possible, depressing the vertical tab so it slides along the inside edge of the Momentary Button Cavity and into its slot.
- Place the MOM/OFF/CON Switch in the Momentary (MOM) Position.
- Turn the Speed Knob to a speed where the prop shaft will turn.
Press the momentary on/off Push Button all the way down and hold it.
Use the Flat Blade Screw Driver through the slot in the Reed Switch Clip to slowly push the Reed Switch up until the prop shaft begins spinning.
Test by releasing and pushing the Momentary On/Off Push Button to verify the motor runs when it is pushed down and does not run as soon as you let off. Adjust the Reed Switch position as needed for the momentary on/off function to operate properly.
NOTICE: If the reed switch is too high (the motor does not shut off when the button is not being pressed) you will need to remove the Momentary On/ Off Push Button and push the reed switch down from above, then repeat steps A-D.
WIRING DIAGRAM

CUSTOMER SUPPORT
Minn Kota Consumer & TechnitaI Sen/ice
Johnson Outdoors Marine EIettronics, Inc.
P0 Box 8129
Mankato, MN 56001
T21 Power Drive
Mankato, MN 5600l
Phone: (800) 227-64f3
Fax: (800) 527-4464
minnkotamotors.com




















