‘Orion Range’
Infra-red Motion Detector – IP44
Model: OD104
Instruction Manual
Important Safety Instructions
- Please read these instructions carefully before installation and keep safe for future reference.
IMPORTANT
This product should be installed by a competent person and in accordance with the current IET Wiring Regulations and Building Regulations.
If in doubt,consult a qualified electrician.
- Always turn off the mains supply before commencing work.
This product uses an infra-red heat detector. The detector senses ‘warmth movement’ in the surrounding area when it is dark. When movement is detected the sensor is activated and triggers the connected load. It has a built in photo-cell that can identify day and night.
FIELD OF DETECTION

INSTALLATION
As the detector responds to changes in temperature, avoid the following situations:
- Avoid pointing the detector towards objects with highly reflective surfaces, such as mirrors etc.
- Avoid mounting the detector near heat sources, such as heating vents, air conditioning units, lights etc.
- Avoid pointing the detector towards objects that may move in the wind, such as curtains, tall plants etc.
Switch the mains supply OFF first to prevent electric shock.
- Remove the rear cover by inserting a small flat-bladed screwdriver in the release slot and twisting., refer to Dia:1.

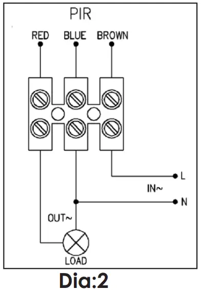
- Connect the mains in and load out cable according to Dia:2, feeding cables through the silicon grommets.
Note: Please refer to Data Sheet on the GreenBrook website – www.greenbrook.co.uk for wiring sensor in parallel. - Secure the sensor back plate to the wall usingtwo wood screws (ensure there is no wiring/gas/water services directly behind the screws) Dia:3.
- Position sensor onto back plate and click back into place.
TESTING
- Turn ‘Time’ control fully anti-clockwise and ‘Lux’ control fully clock wise refer to Dia: 4.
- Re-connect mains supply, allow 30 seconds for the sensor to warm-up, and then perform a walk-by in front of the sensor; lamp should turn on and stay on for approximately 10 seconds, and will go off if no further movement is detected.

ADJUSTING THE ‘LUX’ CONTROL
- Turning Lux control fully clock wise, the sensor will operate in both daylight and darkness.
- Turning Lux control fully anti-clockwise, the sensor will operate in darkness only.
- Set control to operate at your required daylight level.
ADJUSTING THE ‘TIME ON’ CONTROL
- Turning the time control fully anti-clock wise will set the on duration to 10 seconds +/- 3 seconds.
- Turning the time control fully clock wise will set the on duration to 15 minutes +/- 2 minutes.
TROUBLE SHOOTING
Light not coming on
- Check that lamp is good.
- Check there is nothing obscuring the PIR sensor.
Intermittent operation
- Check there are no curtains that can move in the wind.
- Check there are no heating vents nearby.
TECHNICAL INFORMATION
| Rated Voltage: | 230V~50Hz |
| IP Rating: | IP44 |
| Ambient Light: | <3-2,000 LUX (Adj) |
| Time Delay: | Min 10 sec ± 3 sec Max 15 min ± 2 min |
| Rated Load: | Max 800W Max 400W |
| Detection Range: | 180° |
| Detection Distance: | 12M max (<24°C) |
| Working Temp: | -20° – + 40°C |
| Working Humidity: | <93%RH |
| Power Consumption: | 0.5W approx |
| Installation Height: | 1.8 – 2.5M |
| Detection Moving Speed: | 0.6 – 1.5m/s |
| Dimensions: | 80.2 x 55.5 x 66.5mm |
| Conforms To: | BS EN61058-1 |
NOTE:
Product & Packaging Disposal
When disposing of this item and its packaging please follow local regulations and use an appropriate waste disposal centre.
See GreenBrook website for further details.
GUARANTEE
Your GreenBrook Motion Detector IP44 OD104 is guaranteed for 1 year from the date of purchase.
This is in addition to your statutory rights.
PLEASE KEEP THESE INSTRUCTIONS SAFE FOR FUTURE REFERENCE
WEST ROAD . HARLOW
ESSEX . CM20 2BG . UK
[email protected]
www.greenbrook.co.uk
Issue no: 706822

TESTING

















