2.5 CFM
Vacuum Pump
Owner’s Manual & Safety Instructions

WARNING
![]()
To prevent explosion, serious injury, and death:
- Service of air conditioning systems must be done only by a trained and experienced technician to avoid overfilling.
- Technicians opening refrigeration circuits in automotive air conditioning systems MUST be certified in refrigerant recovery and recycling procedures in compliance with section 609 of the Clean Air Act Amendments of 1990. For additional information regarding ozone depletion and air conditioning service regulations, visit EPA’s website: www.epa.gov/ozone
Visit our website at: http://www.harborfreight.com
Email our technical support at: [email protected]
Save This Manual Keep this manual for the safety warnings and precautions, assembly, operating, inspection, maintenance, and cleaning procedures. Write the product’s serial number in the back of the manual near the assembly diagram (or month and year of purchase if the product has no number).
Keep this manual and the receipt in a safe and dry place for future reference.
When unpacking, make sure that the product is intact and undamaged. If any parts are missing or broken, please call 1-888-866-5797 as soon as possible.
Copyright© 2020 by Harbor Freight Tools®. All rights reserved.
No portion of this manual or any artwork contained herein may be reproduced in any shape or form without the express written consent of Harbor Freight Tools.
Diagrams within this manual may not be drawn proportionally. Due to continuing improvements, the actual product may differ slightly from the product described herein.
Tools required for assembly and service may not be included.
WARNING
Read this material before using this product. Failure to do so can result in serious injury.
SAVE THIS MANUAL.
WARNING SYMBOLS AND DEFINITIONS
![]() | This is the safety alert symbol. It is used to alert you to potential personal injury hazards. Obey all safety messages that follow this symbol to avoid possible injury or death. |
![]() DANGER | Indicates a hazardous situation that, if not avoided, will result in death or serious injury. |
| Indicates a hazardous situation that, if not avoided, could result in death or serious injury. | |
![]() CAUTION | Indicates a hazardous situation that, if not avoided, could result in minor or moderate injury. |
| NOTICE CAUTION | Addresses practices not related to personal injury. |
IMPORTANT SAFETY INFORMATION
General power tool Safety Warnings![]()
Read all safety warnings and instructions.
Failure to follow the warnings and instructions may result in electric shock, fire and/or serious injury.
Save all warnings and instructions for future reference.
The term ″power tool″ in the warnings refers to your mains-operated (corded) power tool.
Work area safety
- Keep work area clean and well-lit. Cluttered or dark areas invite accidents.
- Do not operate power tools in explosive atmospheres, such as in the presence of flammable liquids, gases or dust. Power tools create sparks that may ignite dust or fumes.
- Keep children and bystanders away while operating a power tool. Distractions can cause you to lose control.
- Never use this Vacuum pump to vent refrigerants into the air. it is illegal and harmful to the environment to do so.
Electrical safety
- power tool plugs must match the outlet. never modify the plug in any way. Do not use any adapter plugs with grounded power tools. Unmodified plugs and matching outlets will reduce risk of electric shock.
- Do not expose power tools to rain or wet conditions. Water entering a power tool will increase the risk of electric shock.
- Do not abuse the cord. never use the cord for carrying, pulling or unplugging the power tool. Keep cord away from heat, oil, sharp edges or moving parts.
Damaged or entangled cords increase the risk of electric shock. - When operating a power tool outdoors, use an extension cord suitable for outdoor use.
Use of a cord suitable for outdoor use reduces the risk of electric shock. - if operating a power tool in a damp location is unavoidable, use a Ground Fault circuit interrupter (GFci) protected supply. Use of a GFCI reduces the risk of electric shock.
Personal safety
- Stay alert, watch what you are doing, and use common sense when operating a power tool. Do not use a power tool while you are tired or under the influence of drugs, alcohol, or medication. A moment of inattention while operating power tools may result in serious personal injury.
- use personal protective equipment. always wear eye protection.
Safety equipment such as dust masks, non-skid safety shoes, hard hats, or hearing protection used for appropriate conditions will reduce personal injuries. - Only use safety equipment that has been approved by an appropriate standards agency. Unapproved safety equipment may not provide adequate protection.
Eye protection must be ANSI-approved and breathing protection must be NIOSH-approved for the specific hazards in the work area.
Power tool use and care
- use the correct power tool for your application. The correct power tool will do the job better and safer at the rate for which it was designed.
- Do not use the power tool if the switch does not turn it on and off. Any power tool that cannot be controlled with the Switch is dangerous and must be repaired.
- Disconnect the plug from the power source before making any adjustments, changing accessories, or storing power tools. Such preventive safety measures reduce the risk of starting the power tool accidentally.
- Store idle power tools out of the reach of children and do not allow persons unfamiliar with the power tool or these instructions to operate the power tool. Power tools are dangerous in the hands of untrained users.
- Maintain power tools. check for misalignment or binding of moving parts, breakage of parts and any other condition that may affect the power tool’s operation. if damaged, have the power tool repaired before use. Many accidents are caused by poorly maintained power tools.
- use the power tool, accessories and tool bits, etc. in accordance with these instructions, taking into account the working conditions and the work to be performed. Use of the power tool for operations different from those intended could result in a hazardous situation.
Service
Have your power tool serviced by a qualified repair person using only identical replacement parts. This will ensure that the safety of the power tool is maintained.
Vacuum pump Specific Safety Warnings
- Avoid overfilling. Do not service air conditioning systems improperly.
- Wear ANSI-approved safety goggles during setup and/or use.
- Certification is required by law for technicians opening refrigeration circuits.
- Use in dry locations only.
- Do not cover this unit. This Vacuum Pump gets very hot when in use. Do not use near combustibles and allow the unit to cool down completely after using, and/or before moving or storage.
- Maintain labels and nameplates on the tool. These carry important safety information. If unreadable or missing, contact Harbor Freight Tools for a replacement.
- Do not leave the tool unattended when it is plugged into an electrical outlet. Turn off the tool, and unplug it from its electrical outlet before leaving.
- This product is not a toy.
Keep it out of reach of children. - People with pacemakers should consult their physician(s) before use. Electromagnetic fields in close proximity to the heart pacemakers could cause pacemaker interference or pacemaker failure.
In addition, people with pacemakers should:
• Avoid operating alone.
• Properly maintain and inspect to avoid electrical shock.
• Properly ground power cord.
Ground Fault Circuit Interrupter (GFCI) should also be implemented – it prevents sustained electrical shock. - The warnings, precautions, and instructions discussed in this instruction manual cannot cover all possible conditions and situations that may occur. It must be understood by the operator that common sense and caution are factors that cannot be built into this product but must be supplied by the operator.
SAVE THE INSTRUCTION
Grounding
![]()
TO PREVENT ELECTRIC SHOCK AND DEATH FROM INCORRECT GROUNDING WIRE CONNECTION:
check with a qualified electrician if you are in doubt as to whether the outlet is properly grounded. Do not modify the power cord plug provided with the tool. never remove the grounding prong from the plug. Do not use the tool if the power cord or plug is damaged. if damaged, have it repaired by a service facility before use. if the plug will not fit the outlet, have a proper outlet installed by a qualified electrician.
Grounded tools: tools with three-prong plugs

- Tools marked with “Grounding Required” have a three-wire cord and three-prong grounding plug. The plug must be connected to a properly grounded outlet. If the tool should electrically malfunction or break down, grounding provides a low resistance path to carry electricity away from the user, reducing the risk of electric shock.
- The grounding prong in the plug is connected through the green wire inside the cord to the grounding system in the tool.
The green wire in the cord must be the only wire connected to the tool’s grounding system and must never be attached to an electrically “live” terminal. - The tool must be plugged into an appropriate outlet, properly installed, and grounded in accordance with all codes and ordinances.
The plug and outlet should look like those in the preceding illustration. (See 3-prong plug and Outlet.)
Extension cords
- Grounded tools require a three-wire extension cord.
Double Insulated tools can use either a two or three-wire extension cord. - As the distance from the supply outlet increases, you must use a heavier gauge extension cord. Using extension cords with inadequately sized wire causes a serious drop in voltage, resulting in loss of power and possible tool damage. (See table a.)
- The smaller the gauge number of the wire, the greater the capacity of the cord. For example, a 14 gauge cord can carry a higher current than a 16 gauge cord. (See table a.)
- When using more than one extension cord to make up the total length, make sure each cord contains at least the minimum wire size required. (See table a.)
- If you are using one extension cord for more than one tool, add the nameplate amperes and use the sum to determine the required minimum cord size. (See table a.)
- If you are using an extension cord outdoors, make sure it is marked with the suffix “W-A” (“W” in Canada) to indicate it is acceptable for outdoor use.
- Make sure the extension cord is properly wired and in good electrical condition. Always replace a damaged extension cord or have it repaired by a qualified electrician before using it.
- Protect the extension cords from sharp objects, excessive heat, and damp or wet areas.
| Table A: Recommended Minimum Wire Gauge for Extension Cords* (120/240 Volt) | |||||
| NAMEPLATE AMPERES (at full load) | EXTENSION CORD LENGTH | ||||
| 25′ | 50′ | 75′ | 100′ | 125′ | |
| 0 — 2.0 | 18 | 18 | 18 | 18 | 16 |
| 2.1 — 3A | 18 | 18 | 18 | 16 | 14 |
| 3.5 — 5.0 | 18 | 18 | 16 | 14 | 12 |
| 5.1 — 7.0 | 18 | 16 | 14 | 12 | 12 |
| 7.1 — 12.0 | 18 | 14 | 12 | 10 | |
| 12.1 — 16.0 | 14 | 12 | 10 | ||
| 16.1 —20.0 | 12 | 10 | – | ||
| * Based on limiting the line voltage drop to five volts at 150% of the rated amperes. | |||||
Symbology
| Double Insulated | |
| Volts | |
| Alternating Current | |
| Amperes | |
| No Load Revolutions per Minute (RPM) | |
| WARNING marking concerning Risk of Eye Injury. Wear ANSI-approved safety goggles with side shields. | |
| Read the manual before set-up and/or use. | |
| WARNING marking concerning Risk of Fire. Do not cover ventilation ducts. Keep flammable objects away. | |
| WARNING marking concerning Risk of Electric Shock. Properly connect the power cord to the appropriate outlet. |
Specifications
| Electrical Rating | 120 VAC / 60 Hz / 3.2 A |
| Air Displacement | 2.5 CFM |
| Fittings | R134A and R12/R22 |
| Ultimate Vacuum | 75 micron (10 Pascal) |
| Oil Capacity | 8.5 Ounces (250 ml) |
Setup – Before use:
Read the ENTIRE IMPORTANT SAFETY INFORMATION section at the beginning of this manual including all text under subheadings therein before set up or use of this product.
Functions

Operating instructions
Read the ENTIRE IMPORTANT SAFETY INFORMATION section at the beginning of this manual including all text under subheadings therein before set up or use of this product.
Tool Set Up
- Before operating the Vacuum Pump, check the oil level by placing the Vacuum Pump on a flat, level surface. Observe the Oil Sight Glass. The oil should be at the fill line on the Oil Sight Glass.
- If oil is needed, unscrew the Oil Fill Plug and add oil through the hole under the fitting. Use a low viscosity vacuum pump oil (i.e., HFV-46).
- Inspect the sealing O-Ring each time the Oil Fill Plug is removed. Look for tears, cracks, and other damage. Replace if needed.
- Replace the Oil Fill Plug and tighten securely to prevent oil from escaping under pressure during use.
Workpiece and Work area Set up
- Designate a work area that is clean and well-lit. The work area must not allow access by children or pets to prevent distraction and injury.
- Vehicle exhaust fumes and accumulated refrigerant gas can kill you. Do not operate the vehicle’s engine or service air conditioner in enclosed or poorly ventilated areas.
- Route the power cord along a safe route to reach the work area without creating a tripping hazard or exposing the power cord to possible damage. The power cord must reach the work area with enough extra length to allow free movement while working.
- Set the vehicle’s parking brake, block the tires, and set the vehicle’s transmission to neutral or park.
General Operating instructions
![]()
TO PREVENT SERIOUS INJURY AND DEATH FROM EXPLOSION: Service of air conditioning systems must be done only by trained and experienced technicians to avoid overfilling.
Technicians opening refrigeration circuits in automotive air conditioning systems MUST be certified in refrigerant recovery and recycling procedures in compliance with section 609 of the Clean Air Act Amendments of 1990. For additional information regarding ozone depletion and air conditioning service regulations, visit EPA’s website: www.epa.gov/ozone
- Before operating the Vacuum Pump, check the oil level as explained under Tool Set Up on page 7.
- Use only one Inlet Fitting at a time. Keep the other Fitting capped while not in use.
- Turn the vehicle/appliance and AC system OFF.
- As appropriate, attach the R-12, R-22, or R-134A manifold to the AC drain port of the vehicle/appliance.
This is a “quick release” fitting. The drain port is generally the lower of the two manifold ports and will be located downstream from the compressor in the vehicle/appliance.
Refer to the vehicle/appliance owner’s manual for vehicle-specific information. - Attach an AC refrigerant recovery system and drain the refrigerant.
- After reaching 26 to 28 in/hg vacuum, stop and disconnect the recovery system.
- Attach this Vacuum Pump and run for 10 minutes to further raise the vacuum level inside the AC system.
- Turn the switch ON.
- The vacuum will build for approximately 2 minutes before reaching full power. Allow the Pump to operate for approximately 10 minutes to thoroughly remove all moisture and gas from the system.
- The Gauge (not included) should show negative pressure and maintain that reading for 10 minutes. If, during that time the pressure reading rises back toward “0”, there may be a leak in the system.
- Close all valves on the Manifold (sold separately), and turn the switch OFF before disconnecting the hose from the vacuum fitting.
- To prevent accidents, unplug the Power Cord after use.
- Allow the Vacuum Pump to completely cool before wiping down and storing indoors out of children’s reach.
NOTE: The process is the same for both vehicle and other refrigeration systems.
Maintenance and Servicing
Procedures not specifically explained in this manual must be performed only by a qualified technician.
![]()
TO PREVENT SERIOUS INJURY FROM ACCIDENTAL OPERATION: Turn the Power Switch of the tool off and unplug the tool from its electrical outlet before performing any inspection, maintenance, or cleaning procedures.
TO PREVENT SERIOUS INJURY FROM TOOL FAILURE: Do not use damaged equipment. If abnormal noise or vibration occurs, have the problem corrected before further use.
Cleaning, Maintenance, and Lubrication
- BEFORE EACH USE, inspect the general condition of the tool. Check for:
• loose hardware,
• misalignment or binding of moving parts,
• cracked or broken parts,
• damaged electrical wiring, and
• any other condition that may affect its safe operation. - AFTER UDE, wipe external surfaces of the tool with clean cloth.
Warning! if the supply cord of this power tool is damaged, it must be replaced only by a qualified service technician.
Troubleshooting
| Problem | Possible Causes | Likely Solutions |
| Tool will not start. | 1. Cord not connected. 2. No power at outlet. 3. Internal damage or wear. (Carbon brushes or switches, for example.) | 1. Check that cord is plugged in. 2. Check power at outlet. If the outlet is unpowered, turn off the tool and check the circuit breaker. If the breaker is tripped, make sure the circuit is the right capacity for the tool and the circuit has no other loads. 3. Have a technician service tool. |
| Tool operates slowly or overheats. | Extension cord too long or wire size too small. | Eliminate the use of extension cord. If an extension cord is needed, use a shorter/heavier gauge cord. See Extension Cords in Grounding section on page 5. |
| Excessive noise or rattling. | Internal damage or wear. (Carbon brushes or bearings, for example.) | Have technician service tool. |
Follow all safety precautions whenever diagnosing or servicing the tool. Disconnect power supply before service. | ||
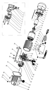
Parts List and Diagram
THE MANUFACTURER AND/OR DISTRIBUTOR HAS PROVIDED THE PARTS LIST AND ASSEMBLY DIAGRAM IN THIS MANUAL AS A REFERENCE TOOL ONLY. NEITHER THE MANUFACTURER OR DISTRIBUTOR MAKES ANY REPRESENTATION OR WARRANTY OF ANY KIND TO THE BUYER THAT HE OR SHE IS QUALIFIED TO MAKE ANY REPAIRS TO THE PRODUCT, OR THAT HE OR SHE IS QUALIFIED TO REPLACE ANY PARTS OF THE PRODUCT. IN FACT, THE MANUFACTURER AND/OR DISTRIBUTOR EXPRESSLY STATES THAT ALL REPAIRS AND PARTS REPLACEMENTS SHOULD BE UNDERTAKEN BY CERTIFIED AND LICENSED TECHNICIANS, AND NOT BY THE BUYER. THE BUYER ASSUMES ALL RISK AND LIABILITY ARISING OUT OF HIS OR HER REPAIRS TO THE ORIGINAL PRODUCT OR REPLACEMENT PARTS THERETO, OR ARISING OUT OF HIS OR HER INSTALLATION OF REPLACEMENT PARTS THERETO.
Parts List
| part | Description | part | Description |
| 1 | Fan cover | 29 | Filter |
| 2 | Cross screw | 30 | Trestle |
| 3 | Shaft Circlip | 31 | O-ring |
| 4 | Fan | 32 | O-ring |
| 5 | Motor cover | 33 | Pump body |
| 6 | Wave washer | 33-1 | Screw |
| 7 | Bearing | 33-2 | Round Pin |
| 8 | Cross screw | 33-3 | Back-pump cover |
| 9 | Motor rotor | 33-4 | Rotary vane |
| 10 | Centrifugal switch | 33-5 | Pump rotor |
| 11 | Bearing | 33-6 | Spring |
| 12 | Motor stator | 33-7 | Pump stator |
| 13 | Power supply cord | 33-8 | Exhaust valve plate |
| 14 | Power switch | 33-9 | Limiting plate |
| 15 | Insulating bushing | 33-10 | Screw |
| 16 | Nut | 34 | Exhaust fitting |
| 17 | Handle slipcover | 35 | Oil housing |
| 18 | Junction box | 36 | Sight glass |
| 19 | Capacitor | 37 | Oil drain plug |
| 20 | Handle | 38 | O-ring |
| 21 | Nut | 39 | Screw |
| 22 | Motor hull | 40 | O-ring |
| 23 | Cross screw | 41 | Oil-proofing plate |
| 24 | Centrifugal switch base | 42 | Rubber feet |
| 25 | Shaft seal | 43 | Screw |
| 26 | Inlet fitting cap | 44 | Base |
| 27 | Inlet fitting | 45 | Screw |
| 28 | Inlet fitting cap |
Record product’s Serial number Here:
Note: If the product has no serial number, record the month and year of purchase instead.
Note: Some parts are listed and shown for illustration purposes only, and are not available individually as replacement parts. Specify UPC 792363612456 when ordering parts.
Maintenance
Assembly Diagram

Limited 90 Day Warranty
Harbor Freight Tools Co. makes every effort to assure that its products meet high quality and durability standards, and warrants to the original purchaser that this product is free from defects in materials and workmanship for the period of 90 days from the date of purchase. This warranty does not apply to damage due directly or indirectly, to misuse, abuse, negligence or accidents, repairs or alterations outside our facilities, criminal activity, improper installation, normal wear and tear, or to lack of maintenance. We shall in no event be liable for death, injuries to persons or property, or for incidental, contingent, special or consequential damages arising from the use of our product. Some states do not allow the exclusion or limitation of incidental or consequential damages, so the above limitation of exclusion may not apply to you. THIS WARRANTY IS EXPRESSLY IN LIEU OF ALL OTHER WARRANTIES, EXPRESS OR IMPLIED, INCLUDING THE WARRANTIES OF MERCHANTABILITY AND FITNESS.
To take advantage of this warranty, the product or part must be returned to us with transportation charges prepaid. Proof of purchase date and an explanation of the complaint must accompany the merchandise. If our inspection verifies the defect, we will either repair or replace the product at our election or we may elect to refund the purchase price if we cannot readily and quickly provide you with a replacement. We will return repaired products at our expense, but if we determine there is no defect, or that the defect resulted from causes not within the scope of our warranty, then you must bear the cost of returning the product.
This warranty gives you specific legal rights and you may also have other rights which vary from state to state.
Item 61245
For technical questions, please call 1-888-866-5797.
26541 agoura road • calabasas, ca 91302 • 1-888-866-5797
















