
Mastercraft P42010SMP Pump Out Vacuum Cleaner

Address:
777 South Street P.O. Box 2310 Newburgh, N Y 12550-0606
TEL: (800) 835-7812 (845) 565-8850
FAX:
(800) 752-6883 (845) 565-9392 Internet Access:
www.pristal.com
[email protected]
READ ALL INSTRUCTION BEFORE OPERATING THE VACUUM
This vacuum cleaner will afford you many years of trouble-free operating satisfaction, provided it is given proper care. All parts have passed rigid quality control standards prior to being assembled to produce the finished product. Prior to packaging, the vacuum was again inspected for assurance of flawless assembly.
Your vacuum is protectively packed to prevent damage in shipment. We recommend that upon delivery, unpack the vacuum and inspect it for any possible damage. Only a visual examination will reveal damage that may have occurred.
If damage is discovered, immediately notify the transportation company that delivered your vacuum. As a shipper, we are unable to report claims for concealed damage. You must originate any claims within 5 days.
This manual is for your protection and information. PLEASE READ CAREFULLY since failure to follow precautions could result in discomfort or injury.
SAVE THESE INSTRUCTION
IMPORTANTSAFETY INSTRUCTION
WARNING
To Reduce the Risk of Fire, Electric §hock or Injury:
Wet Vacuums
To avoid electric shock DD NOT expose to rain.
Store Indoors
When using this electric vacuum, basic precautions should always be followed, including the following:
- DO NOT leave the vacuum when plugged in. Unplug it from the outlet when not in use and before servicing.
- This is NOT a toy. Close attention is necessary when used around or near children.
- Use only as described in this safety manual. Use only the manufacturer’s recommended attachments and accessories.
- DO NOT use this vacuum with damaged cord or plug. If the vacuum is not working as it should, because it has been dropped, damaged, left outdoors or dropped into water, contact an authorized service center or factory.
- DO NOT pull the vacuum by the cord, use cord as a handle, close a door on the cord or pull cord around sharp edges and corners. DO NOT run vacuum over the cord. Keep cord away from heated surfaces.
- DO NOT unplug the vacuum by pulling on the cord. To unplug, grasp the plug, not the cord.
- DO NOT handle the vacuum plug or vacuum with wet hands.
- DO NOT put any objects into openings. DO NOT use with any openings blocked; keep free of dust, lint, hair, and anything that may reduce air flow.
- Keep hair, loose clothing, fingers, and all parts of body away from openings and moving parts.
- DO NOT pick up anything that is smoking or burning such as cigarettes, matches, or hot ashes.
- DO NOT use without wet adaptor.
- Turn OFF all the controls before unplugging.
- Use extra care when cleaning on stairs.
- DO NOT use this vacuum to pick up flammable or combustible liquids such as gasoline or use in areas where they may be present.
- DO NOT use where anesthetics or oxygen are used.
- Replace damaged or worn parts immediately with genuine original equipment parts to maintain safety and to protect your limited warranty.
- DD I\IDT use an extension cord unless absolutely necessary. If an extension cord is used, then wire size must be #14 gauge or larger and should not exceed 50 feet in length. The extension cord must be three-wire type to insure GROUNDING protection.
This vacuum must be connected to a properly grounded outlet only. See grounding instructions (Page 3).
GRUNDING INSTRUCTION
DANGER
Improper use of the grounding plug can result in a risk of electric shock.
Electrical equipment must be grounded. If it should mal-function or breakdown, grounding provides a path of least resistance for electrical current to reduce the risk of electric shock. This vacuum is equipped with a cord having an equipment grounding conductor and grounding plug. The plug must be inserted into an appropriate outlet that is properly installed and grounded in accordance with all local codes and ordinances.
If repair or replacement of the cord or plug is necessary, DO NOT connect the grounded wire to either flat blade terminal. The wire with insulation having an outer surface that is green with or without yellow stripes is the grounding wire.
GROUNDING METHOD

This electric equipment is for use on a nominal 120 volt circuit, and has a grounded plug that looks like the plug illustrated in (Fig A). A temporary adaptor that looks like the adaptor illustrated in (Fig B & C) may be used to connect this plug to a 2-pole receptacle as shown in (Fig B) if a properly grounded outlet is not available. The temporary adaptor should be used only until a properly grounded outlet (Fig A] can be installed by a qualified electrician. The green color rigid ear, lug or the like extending from the adaptor must be connected to a permanent ground such as a properly grounded outlet box cover. Whenever the adaptor is used, it must be held in place by a metal screw [Fig C).
WARNING
Improper connection of the equipment-grounding conductor can result in a risk of electric shock. Check with a qualified electrician or service person if you are in doubt as to whether the outlet is properly grounded.
DO NOT modify the plug provided with the equipment. If it will not fit the outlet .have a proper outlet installed by a qualified electrician.
Note: In Canada, the use of a temporary adaptor is not permitted by the Canadian Electrical Code.
CARE OF THE VACUUM
Treat this vacuum as you would any other high grade precision made product. Dropping, unreasonable bumping across thresholds and other misuses may result in a damaged unit which will not be covered by warranty.
When not in use, the power cord should be wrapped around the motor head for storage.
Read this manual completely before operating the vacuum. It is important to follow instructions in this manual to prevent the possibility of injury or damage to the user and/or vacuum.
1″1/4 HP MOTOR HEAD REPLACEMENT PART LIST

| Ref No | Parts Description | Part No | |
| 1 | Switch | 1 | 324140 |
| 2 | Purse Lock | 1 | 365483 |
| 3 4 5 | Convenience Outlet Strain Relief 50 Ft Power Cord w/GFI | 1 1 1 | 312495 434299 313149 |
| 6 7 8 9 10 11 12 | #10-24 Hex Nut w/Lkwhr #10=24 X 3/d’ Screw Dome Assembly Flat Gasket Motor Holdown Circle Gasket Yellow W ire Connector | 3 1 1 2 1 2 2 | 331201 337315 320137 378607 396559 306975 350648 |
| 14 15 16 17 18 19 20 | Cover Assembly w/Float Assy Float Cage Assembly Black Vinyl Screw Protector Float Ball w/Hex Nut Plate Gasket Red Vinyl Screw Protector Ground Spring | 1 1 4 1 1 6 1 | 430943 430935 420271 378003 374644 341649 307440 |
| 21 22 23 | 10-24 Hex Lockwasher #10 Int Tooth Lockwasher #12-14 X ½” Screw | 4 3 6 | 313815 364037 14595 |
| 24 25 28 | Nylon Spacer – .37 X .215 Dome Cover w/Handle Flat Washer | 1 1 4 | 332186 363057 322169 |
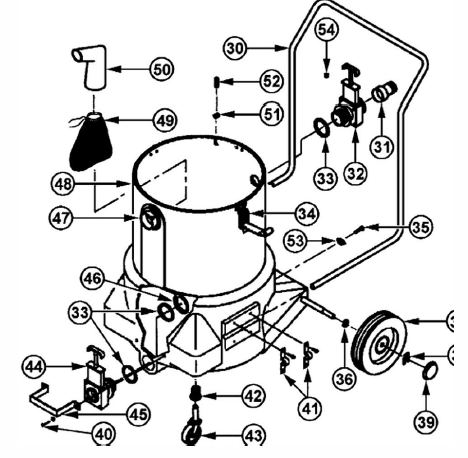
SUMP PUMP REPLACEMENT PART LIST


TANK ASSEMBLY REPLACEMENT PART LIST


TOOLS HOSES AND INSTALLATION


- Line up the slots in the swivel connector with the retaining rivets on the tank inlet.
- Insert swivel connector and twist clockwise until rivets reset against slot end.
- Slide free end of hose onto the grooved end of the hose.
- To attach tool to wand, turn wand nut counterclockwise approximately four complete turns.
Insert the tool into wand and coupling. While holding the tool in place, turn nut clockwise until wand nut is fully locked.
Tool&. Hose Installation
The hose and swivel connector are preassembled at the factory.

TROUBLE SHOOTING GUIDE
CAUTION
Always disconnect power cord before servicing vacuum.
PROBLEM: Loss of Vacuum.
CAUSE:
- Vacuum is running but no suction.
- Front gate valve is open or clogged.
- Clogged hose or wand.
- Vacuum tank is damaged.
- Loose or broken fan or motor not working.
- Float cage ball is hung up.
SOLUTION:
- Float assembly gasket is missing or worn out.
- Close gate valve or remove debris and close gate valve.
- Remove obstruction, try reversing hose,
- Replace vacuum tank.
- Contact manufacturer or authorized service center.
- Check float cage ball, freeup and clean if necessary.
PROBLEM: Motor is not running.
CAUSE:
- Defective or broken switch.
- Defective motor or power cord.
- Blown fuse or tripped circuit breaker.
- Carbon brushes worn.
- Debris in the fan housing.
SOLUTION:
- Contact manufacturer or authorized service center.
- Contact manufacturer or authorized service center.
- Replace fuse, reset circuit breaker or check GFI breaker on power core and reset.
- Replace carbon brushes.
- Remove vacuum motor and clean out debris from fan.
PROBLEM: Water blowing from vacuum when running.
CAUSE:
- Float ball is filled with water or damaged.
- Float valve gasket is worn.
- Foamy liquid is being picked up.
- Vacuum tank full, not discharging solution.
SOLUTION:
- Empty ball or replace if damaged.
- Replace gasket.
- Add defoamer to tank.
- Gate valve is closed or clogged. Open gate valve and remove debris if necessary.
PROBLEM: Pump not discharging while running.
CAUSE:
- Drain hose or discharge gate valve clogged.
- Defective power cord. plug or receptacle.
- Pump impeller clogged.
- Float hung up mechanically.
- Internal mechanical or electrical trouble.
SOLUTION:
- Unclog drain hose or discharge gate valve.
- Open discharge gate valve.
- Add defoamer to tank.
- Unclog or replace if damaged.
WARNING
Repairs should only be performed by an authorized service center.
















