WILTEC 52900 Vacuum Pump
Read and follow the operating instructions and safety information before using for the first time.
Technical changes reserved!
Illustrations, functional steps, and technical data may deviate insignificantly due to continuous further developments.
Updating the documentation
If you have suggestions for improvement or have found any irregularities, please contact us.
The information contained in this document may alter at any time without prior notice. No part of this document may be copied or otherwise duplicated without prior written consent. All rights reserved. WilTec Wildanger Technik GmbH cannot be held liable for any possible mistakes in this operating man-ual, nor in the diagrams and illustrations shown.
Although WilTec Wildanger Technik GmbH has made every possible effort to ensure that this operating manual is complete, accurate, and up-to-date, errors cannot be ruled out entirely.
If you have found an error or wish to suggest an improvement, we look forward to hearing from you. Send us an e-mail to:
[email protected]
or use our contact form:
https://www.wiltec.de/contacts/
The most recent version of this manual in several languages can be found in our online shop:
https://www.wiltec.de/docsearch
Our postal address is:
WilTec Wildanger Technik GmbH
Königsbenden 12
52249 Eschweiler – Germany
To return your goods for exchange, repair, or other purposes, please use the following address.
Attention! To allow for a trouble-free complaint or return, it is important to contact our customer service team before returning your goods.
Retourenabteilung
WilTec Wildanger Technik GmbH
Königsbenden 28
52249 Eschweiler – Germany
E-mail: [email protected]
Tel: +49 2403 55592–0
Fax: +49 2403 55592–15
Introduction
Thank you for choosing to purchase this quality product. To minimise the risk of injury, we ask you to always take some basic safety precautions when using this product. Please read this operating manual carefully and make sure that you understand it.
Keep these operation instructions in a safe place.
Safety instructions
CAUTION:
The device is not intended for use by persons (including children) with impaired or limited physical, sensory, and mental abilities or lack of experience and/or real knowledge, unless they are supervised by a person responsible for their safety or follow the instructions made by this person on how to correctly use the device. Children should be supervised to ensure that they do not play with the device.
ATTENTION:
- Perform a visual inspection of the device before every use. Do not use the device if the safety appliances are damaged or worn out. Never override safety regulations.
- Only use the device accordingly to the intended purpose stated in this manual.
- You are responsible for the safety of the working zone.
- If the cable or plug is damaged due to external influences, the cable must not be repaired, but must be replaced with a new one. This work may only be carried out by a qualified electrician.
- The voltage of 230 V AC indicated on the nameplate of the device must match the existent mains voltage.
- Never lift, carry, or fix the device by using the power cable.
- Make sure that the electric plug connections are protected from flood and humidity.
- Always unplug the appliance before working on it.
- Avoid exposing the device to direct water jets or rain.
- The user is responsible for complying with local safety and mounting regulations. Ask an electrician, if necessary.
- In case of device failure, repairs can only be carried out by an electrician.
- Do not pump any flammable, explosive, or toxic gases!
- Do not pump any corrosive gases!
- Do not pump any gasses that contain particles or a large quantity of steam!
- The temperature of the gas pumped must not exceed 80 ℃, the ambient temperature should be comprised between –5 and +60 ℃!
- If the device should be disconnected, do pull out the plug. Do not pull on the cable!
- Do not use any damaged supply line! Repairs can only be performed by experts!
- The plug or cable must not be touched with your hands being wet!
- Neither perform switching operations, nor pull out the plug in the presence of flammable gases! Risk of spark formation!
WARNING:
Read all safety precautions and instructions. Failure to obey the safety precautions and instructions might cause an electric shock, a fire, and/or severe injuries. Keep all safety precautions and instructions for future use.
Electrical connection
- The electrical connection is made to an earthed socket 230 V ~ 50 Hz. Fuse min. 10 A.
- The device has an ON/OFF switch with which it is switched on and off. The inner control lamp of the switch is lit when the motor is switched on.
Use
The pump is used to evacuate closed recipients and to apply vacuum to them by pumping down the gases. They are particularly applicable for use in the service area, refrigeration (to pump down R12, R22, or R134a), and other areas such as household, motor industry, trade, air-conditioning technology, medical technology, vacuum-packaging, gas analysis, and hot forming of plastics.
Main parts
52900
52905

Commissioning
- Before commissioning the vacuum pump, check the mains voltage to know if it matches the voltage given on the nameplate. A max. 10 % deviation is acceptable. The pump is operational with a protective contact plug. Check the on/off switch to make sure that it is switched to Off before plugging in the plug. Remove the exhaust outlet fastener and lay it aside. When operated, the pump should be placed in a dry, clean, flat, and horizontal spot. The distance to other objects should be at least 2 cm, and at least 5 cm at the front and rear part. When pumping harmful gases, the outlet connection should be connected to an appropriate hose and led outdoors or into an appropriate removal unity.
- The pump is transported without filled-in oil. Fill the pump before operating it. To do so, the outlet connection is unscrewed and removed, the oil filled in here until it is visible at the lower ned of the oil window. The TW-1.5 A pump contains approx. 220 mℓ (cm³), the VP280 600 mℓ (cm³, see technical specifications).
- The outlet connection is re-screwed, a closure cap of the intake port unscrewed and removed, the motor switch switched to On. With the pump running smoothly after approx. 30 s (depending on the temperature), the closure cap of the intake port is re-screwed. After at least 1 more minute, re-check the oil level. With the pump running, the oil level should match the oil level line of the oil window. If necessary, top up oil.
ATTENTION:
Any insufficient oil level will result in a worse end vacuum, too high an oil level will cause oil (oil dust) to be blown off via the outlet1
To switch off the pump after use, proceed as follows to improve the service life of the pump:
- Close the valve between the pump and equipment.
- Remove the hose connected to the pump inlet.
- Re-screw the closure cap of the intake port to avoid any contamination of the pump by pollution or particles.
Maintenance
- Vacuum pump oil
The condition and type of the oil are crucial for the achievable end vacuum. It is recommended to use high-vacuum oil. This is a particular mixture that allows maximum viscosity during normal operation and good cold starts. - Oil change
- The pump must run at least 30 min to allow the oil to become thinner. Remove the oil drain screw. Collect the waste oil in an appropriate container and dispose of it properly. The oil drain can be accelerated by opening the closure cap of the intake port and partially closing the outlet port during at most 20 s with the engine running. After draining, tilt the pump towards the oil drain opening to drain remaining oil. If necessary, fill in a small quantity of oil into the outlet port and use it to flush. Re-drain afterwards. Flushing can be repeated several times if the waste oil has been very contaminated (with heavy contamination, the oil might be filled in to a high level and the pump run during a prolonged time with the outlet closed). Clean oil means lower wear and tear and a longer service life!
- Re-screw the oil drain screw. Remove the outlet connection and fill in oil up to the lower edge of the window (see technical specifications). Make sure that the suction side is closed. Run the pump during 1 min, adjust the oil level as described under Commissioning, 3. Make sure that the outlet connection is re-screwed, the outlet port closed, and the oil drain screw tight.
- If the oil is heavily contaminated by water emulsions, it may be necessary to screw off the pump lid and to wipe the pump clean.
- You might also lead the oil into the recipient of the pump: To do so, wait for the pump to warm up. With the pump running, screw off the oil drain screw, partially close the outlet. The oil is pushed back from the oil recipient like this and will take the contaminations along. When no more oil comes out, switch off the pump. Repeat until the contaminations are flushed out. Now re-screw the oil drain screw and top up the oil level as described.
Troubleshooting
The pump has been constructed for a dependable operation and long service life. The following hints are meant to help you to re-operate your pump quickly if this has any dysfunctions. When you decide to unmount the pump, note that errors made during this procedure might void the warranty.
- Starting problems
Check the mains voltage. - Oil leaks
Make sure that the oil used does not derive form a previous oil change. If there is oil near the drain screw or at the pump lid seal, check these and, if necessary, replace the oil and seal. - Bad vacuuming performance
Make sure that the vacuum gauge and all connections are in good condition and tight. You can check leaks by using a thermistor gauge and by applying a small quantity of vacuum oil onto the suspicious connections or error spots. The vacuum will improve momentarily, the oil closing the uptight spot. Make sure that the oil is not too contaminated; this could provoke oil and pressure pulsations. The oil level must not be too high; the oil, heavily warmed up, could expand. To check the oil level, start the pump with the intake closed, then check the oil level via the window after a while. If necessary, top up oil.
Most of the problems can be avoided by performing sufficient vacuum oil changes!
Technical specifications

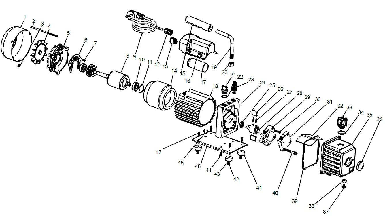
Exploded views
52900
52905
Regulations for waste disposal
- The Waste Electrical and Electronic Equipment Directive (WEEE Directive, 2012/19/EU) of the EU was implemented in the German law related to electrical and electronic equipment and appliances.
- All WilTec electric devices that fall under the WEEE directive are labelled with the symbol of a crossed-out wheeled rubbish bin. This symbol indicates that this electric device must not be disposed of with the domestic waste.
- WilTec Technik GmbH is registered with the German registration authority EAR (Stiftung ElektroAltgeräte Register) under the WEEE-registration number DE45283704.
- Disposal of used electrical and electronic devices (in-tended for use in the countries of the European Union and other European countries with a separate waste collection system for these devices).
- The symbol on the packaging or the product itself indicates that this product must not be treated as normal domestic waste but must be disposed of at a recycling collection station for electrical and electronic waste. By disposing of this product correctly, you contribute to the protection of the environment and the health of your fellow people. Inappropriate disposal threatens the environment and health.
Material recycling helps to reduce the consumption of raw materials.
Additional information about the recycling of this product can be provided by your local commune, the municipal waste disposal facilities, or the store where you purchased the product.
Important Note:
Reproduction and any commercial use (of parts) of this operating manual, requires a written permission of WilTec Wildanger Technik GmbH.

















