PITTSBURGH Air Compressor

When unpacking, make sure that the product is intact and undamaged. If any parts are missing or broken, please call 1-888-866-5797 as soon as possible.
Copyright© 2012 by Harbor Freight Tools®. All rights reserved. No portion of this manual or any artwork contained herein may be reproduced in any shape or form without the express written consent of Harbor Freight Tools. Diagrams within this manual may not be drawn proportionally. Due to continuing improvements, actual product may differ slightly from the product described herein. Tools required for assembly and service may not be included.
IMPORTANT SAFETY INFORMATION
General Safety Warnings
WARNING Read all safety warnings and instructions.
Failure to follow the warnings and instructions may result in electric shock, fire and/or serious injury. Save all warnings and instructions for future reference. The warnings, precautions, and instructions discussed in this instruction manual cannot cover all possible conditions and situations that may occur. It must be understood by the operator that common sense and caution are factors which cannot be built into this product, but must be supplied by the operator.
- Work area safety
- Keep work area clean and well lit. Cluttered or dark areas invite accidents.
- Do not operate the Compressor in explosive atmospheres, such as in the presence of flammable liquids, gases or dust. Compressor motors produce sparks which may ignite the dust or fumes.
- Keep children and bystanders away from an operating compressor.
- Electrical safety
- Compressor plugs must match the outlet. Never modify the plug in any way. Do not use any adapter plugs with grounded compressors. Standard plugs and matching outlets will reduce risk of electric shock.
- Do not expose compressor to rain or wet conditions. Water entering a compressor will increase the risk of electric shock.
- Do not abuse the cord. Never use the cord for unplugging the compressor. Keep cord away from heat, oil, sharp edges or moving parts. Damaged or entangled cords increase the risk of electric shock.
- Personal safety
- Stay alert, watch what you are doing and use common sense when operating this compressor. Do not use this compressor while you are tired or under the influence of drugs, alcohol or medication. A moment of inattention while operating a compressor may result in serious personal injury.
- Use personal protective equipment. Always wear ANSI-approved eye protection during setup and use.
- Prevent unintentional starting. Ensure the switch is in the off-position before connecting to power source or moving the compressor.
- Compressor use and care
- Do not use the compressor if the switch does not turn it on and off. Any compressor that cannot be controlled with the switch is dangerous and must be repaired.
- Disconnect the plug from the power source before making any adjustments, changing accessories, or storing the compressor. Such preventive safety measures reduce the risk of starting the compressor accidentally.
- Store an idle compressor out of the reach of children and do not allow persons unfamiliar with the compressor or these instructions to operate it. A compressor is dangerous in the hands of untrained users.
- Maintain the compressor. Keep the compressor clean for better and safer performance. Follow instructions for lubricating and changing accessories. Keep dry, clean and free from oil and grease. Check for misalignment or binding of moving parts, breakage of parts and any other condition that may affect the compressor’s operation. If damaged, have the compressor repaired before use. Many accidents are caused by a poorly maintained compressor.
- Use the compressor in accordance with these instructions, taking into account the working conditions and the work to be performed. Use of the compressor for operations different from those intended could result in a hazardous situation.
- Service
- Have your compressor serviced by a qualified repair person using only identical replacement parts. This will ensure that the safety of the compressor is maintained.
Specifications
- Electrical Rating 12 VDC
- Maximum Air Pressure 150 PSI
- Air Flow Capacity 1.35 CFM
Components and Controls
Operating Instructions
Read the ENTIRE IMPORTANT SAFETY INFORMATION section at the beginning of this manual including all text under subheadings therein before set up or use of this product.
Compressor Area Set Up
1. Designate a work area that is clean and well-lit. The work area must not allow access by children or pets to prevent injury.
2. Locate the Compressor on a flat level surface. Route the air hose along a safe route to reach the work area without creating a tripping hazard or exposing the air hose to possible damage. The air hose must be long enough to reach the work area with enough extra length to allow free movement while working.
General Operation
- Turn the On/Off Switch to the “OFF” position.
- Connect the coiled Air Hose to the Compressor Hose.
- Pull back on the collar of the Air Hose’s coupler.
- Firmly insert the Compressor Hose connector into the coupler.
- Release the collar, which will snap the connector into place.
- Pull lightly on both hoses to ensure a proper connection.
- Select the desired Nozzle accessory and attach it to the end of the Air Nozzle.
- Turn on the car engine.
- Attach the clamps on the Power Cord onto the 12V automotive battery (not included) power source.
- Connect the RED clamp of the Compressor to the positive (+) terminal of the battery.
- Connect the BLACK terminal of the Compressor to a good ground source on the engine block.
WARNING! Do NOT connect it to the other battery terminal.
Note: Connect to 12VDC power source only.
- Be sure the valve stem is clean and free of dirt.
- Turn the Compressor On/Off Switch to the “ON” position.
Note: Turn the Compressor on before connecting to the tire valve to prevent blowing the fuse. - Holding the Air Nozzle Grip, connect the Nozzle to the valve stem of the item to be inflated.
- Monitor the Pressure Gauge carefully to avoid over-inflating the item.
- Continue inflating until the recommended pressure is reached.
- Turn the compressor On/Off Switch to the “OFF” position.
- Remove the Nozzle from the object.
- Verify tire pressure with a tire pressure gauge (not included), then replace the valve cap where applicable.
- If the tire pressure is low, repeat the steps beginning with Step 7.
- When finished, remove the Clamps from the power source.
CAUTION! The metal parts of the compressor and hoses will become hot during use. Do not touch them. - Allow the Compressor to cool, then wipe down and replace into the included storage bag. Return the Nozzles to the small storage bag attached to the Compressor Hose.
- Store in a dry location.
Maintenance and Servicing
Procedures not specifically explained in this manual must be performed only by a qualified technician. TO PREVENT SERIOUS INJURY FROM ACCIDENTAL OPERATION: Turn the Power Switch “OFF” and disconnect the Battery Clamps before performing any inspection, maintenance, or cleaning procedures. TO PREVENT SERIOUS INJURY FROM COMPRESSOR FAILURE: Do not use damaged equipment. If abnormal noise or vibration occurs, have the problem corrected before further use.
Cleaning, Maintenance, and Lubrication
- BEFORE EACH USE, inspect the general condition of the air compressor. Check for:
• loose hardware,
• misalignment or binding of parts,
• cracked or broken parts,
• damaged electrical wiring, and
• any other condition that may affect its safe operation. - AFTER USE, wipe external surfaces of the compressor with a clean cloth.
- Store the Air Compressor in a clean, dry, safe location out of reach of children and other unauthorized people.
- AFTER EVERY 500 HOURS OF REGULAR USE, replace Compression Ring and Inlet and Outlet Valves. Please note: This work should only be done by a qualified service technician.
- Rotate Filter counterclockwise and remove from the compressor. Gently pry the cover from the threaded end. Remove the filter, wash in warm water and liquid soap (no harsh powder soap), rinse thoroughly, and let dry.

- Insert back into the filter holder. Align the three indexing ribs on filter housing with the three recessed grooves in the filter cover and push the cover, snapping it onto the housing. Thread the assembly back into the front cover, being careful not to cross thread it.
- Lubricate the Shaft and Piston Ring after using 20 times.
- Remove the four Screws holding the Front Cover in place and slide the Front Cover off. (See Assembly Diagram.)
- Put a drop or two of machine oil on the Shaft and Piston Ring. Note: Turn the Compressor upside down to allow the oil to penetrate onto the piston rings.
- Slide the Front Cover back on and secure in place with the four screws.

- If the Fuse needs to be replaced, unthread the two screws holding the fuse in place. Slide out the Fuse holder, replace the old Fuse with a new Fuse (included in the inflator nozzle bag), and slide the Fuse holder back into its slot. Fasten back into place with the screws.
WARNING! To prevent fire, replace fuse only with fuse of same type and rating. Do not replace with any other object.
Troubleshooting
| Problem | Possible Causes | Likely Solutions |
| Decreased output. | 1. Not enough air pressure and/or air flow. 2. Blocked air inlet Filter (3). 3. Air leaking from loose housing or connections. 4. Mechanism contaminated. | 1. Check for loose connections.
2. Clean air inlet screen of buildup. 3. Make sure housing and connections are properly assembled and tight. 4. Have qualified technician clean and where possible, lubricate mechanism. |
| Severe air leakage. (Slight air leakage is normal, especially on older tools.) | 1. Cross-threaded housing components.
2. Loose housing.
3. Dirty, worn or damaged valve. | 1. Check for incorrect alignment and uneven gaps. If cross-threaded, disassemble and replace damaged parts before use. 2. Tighten housing assembly. If housing cannot be tightened properly, internal parts may be misaligned. 3. Clean or replace valve assembly. |
| No output | 1. Poor clamp connection. 2. Power Switch in Off (O) position. 3. Run-down battery. 4. Blown Fuse. | 1. Clean clamps and reconnect properly. 2. Turn Power Switch to On (I) position.
3. Recharge battery. 4. Replace Fuse. |
| Follow all safety precautions whenever diagnosing or servicing the tool. Disconnect from battery before service. | ||
PLEASE READ THE FOLLOWING CAREFULLY
THE MANUFACTURER AND/OR DISTRIBUTOR HAS PROVIDED THE PARTS LIST AND ASSEMBLY DIAGRAM IN THIS MANUAL AS A REFERENCE TOOL ONLY. NEITHER THE MANUFACTURER OR DISTRIBUTOR MAKES ANY REPRESENTATION OR WARRANTY OF ANY KIND TO THE BUYER THAT HE OR SHE IS QUALIFIED TO MAKE ANY REPAIRS TO THE PRODUCT, OR THAT HE OR SHE IS QUALIFIED TO REPLACE ANY PARTS OF THE PRODUCT. IN FACT, THE MANUFACTURER AND/OR DISTRIBUTOR EXPRESSLY STATES THAT ALL REPAIRS AND PARTS REPLACEMENTS SHOULD BE UNDERTAKEN BY CERTIFIED AND LICENSED TECHNICIANS, AND NOT BY THE BUYER. THE BUYER ASSUMES ALL RISK AND LIABILITY ARISING OUT OF HIS OR HER REPAIRS TO THE ORIGINAL PRODUCT OR REPLACEMENT PARTS THERETO, OR ARISING OUT OF HIS OR HER INSTALLATION OF REPLACEMENT PARTS THERETO.
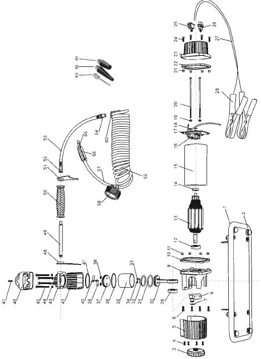
Parts List and Diagram
Parts List
| Part | Description | Qty |
| 1 | Base Board | 1 |
| 2 | Pad | 4 |
| 3 | Filter | 1 |
| 4 | Screw 4×8 | 4 |
| 5 | Front Cover | 1 |
| 6 | Screw 5×14 | 4 |
| 7 | Ring | 1 |
| 8 | Offset Wheel | 1 |
| 9 | Front End Cover | 1 |
| 10 | Decorative Ring | 1 |
| 11 | Nut | 4 |
| 12 | Bearing 6201z | 1 |
| 13 | Armature | 1 |
| 14 | Bearing 608z | 1 |
| 15 | Motor Cover | 1 |
| 16 | Brush Bracket | 1 |
| 17 | Motor Cover Board | 1 |
| 18 | Temperature Controller | 1 |
| 19 | Spring Washer | 2 |
| 20 | Screw 5×150 | 2 |
| 21 | Nut | 4 |
| 22 | Decorative Ring | 1 |
| 23 | Rear Cover | 1 |
| 24 | Screw 5×14 | 4 |
| 25 | Switch | 1 |
| 26 | Fuse Holder | 1 |
| 27 | Power Cord | 1 |
| 28 | Clamp | 2 |
| 29 | Bearing 6201z | 1 |
| 30 | Shaft | 1 |
| 31 | Piston Ring | 1 |
| 32 | Pressing Ring | 1 |
| Part | Description | Qty |
| 33 | Air Inlet Reed Valve | 1 |
| 34 | Rivet | 1 |
| 35 | Cylinder Liner | 1 |
| 36 | Seal Ring | 1 |
| 37 | Air Storage Cap | 1 |
| 38 | Seal Ring | 2 |
| 39 | Air Exhaust | 2 |
| 40 | Rivet | 2 |
| 41 | Seal Ring | 1 |
| 42 | Radiator Sleeve | 1 |
| 43 | Cylinder Cover 1 | 1 |
| 44 | Spring Washer | 4 |
| 45 | Screw 5×50 | 4 |
| 46 | Cylinder Cover 2 | 1 |
| 47 | Screw 4×12 | 1 |
| 48 | Triangle Bracket 1 | 1 |
| 49 | Air Pipe | 1 |
| 50 | Handle | 1 |
| 51 | Triangle Bracket 2 | 1 |
| 52 | Air Hose Connector | 1 |
| 53 | Rubber Hose | 1 |
| 54 | Air Hose Connector | 1 |
| 55 | Air Nozzle | 1 |
| 56 | Air Nozzle Grip | 1 |
| 57 | Rubber Hose | 1 |
| 58 | Pressure Gauge | 1 |
| 59 | Air Hose | 1 |
| 60 | Quick Connector | 1 |
| 61 | Inflator Nozzle 1 | 1 |
| 62 | Inflator Nozzle 2 | 1 |
| 63 | Needle Nozzle | 1 |
Accessory List
| Part | Description | Function |
| 61 | Inflator Nozzle 1 | Medium size fill orifice |
| 62 | Inflator Nozzle 2 | Small size fill orifice |
| 63 | Needle Nozzle | Inflate balls |
| Part | Description | Function |
| 26A | Fuse (not shown) -30A -Blade type | Overload Protection |
Assembly Diagram
Record Product’s Serial Number Here:
Note: If product has no serial number, record month and year of purchase instead.
Note: Some parts are listed and shown for illustration purposes only, and are not available individually as replacement parts. Specify UPC 193175044211 when ordering parts.
Limited 90 Day Warranty
Harbor Freight Tools Co. makes every effort to assure that its products meet high quality and durability standards, and warrants to the original purchaser that this product is free from defects in materials and workmanship for the period of 90 days from the date of purchase. This warranty does not apply to damage due directly or indirectly, to misuse, abuse, negligence or accidents, repairs or alterations outside our facilities, criminal activity, improper installation, normal wear and tear, or to lack of maintenance. We shall in no event be liable for death, injuries to persons or property, or for incidental, contingent, special or consequential damages arising from the use of our product. Some states do not allow the exclusion or limitation of incidental or consequential damages, so the above limitation of exclusion may not apply to you. THIS WARRANTY IS EXPRESSLY IN LIEU OF ALL OTHER WARRANTIES, EXPRESS OR IMPLIED, INCLUDING THE WARRANTIES OF MERCHANTABILITY AND FITNESS.
To take advantage of this warranty, the product or part must be returned to us with transportation charges prepaid. Proof of purchase date and an explanation of the complaint must accompany the merchandise. If our inspection verifies the defect, we will either repair or replace the product at our election or we may elect to refund the purchase price if we cannot readily and quickly provide you with a replacement. We will return repaired products at our expense, but if we determine there is no defect, or that the defect resulted from causes not within the scope of our warranty, then you must bear the cost of returning the product. This warranty gives you specific legal rights and you may also have other rights which vary from state to state.
26541 Agoura Road • Calabasas, CA 91302 • 1-888-866-5797


















