ROLAIR 8230HK30 Portable Air Compressor

Product Information
The ROLAIR air compressor is a portable, high-quality and reliable product designed specifically for professionals. The product is manufactured by Associate Engineering Corporation with over 50 years of experience in building air compressors. The product comes with a model number of 8230HK30 and is sold with a serial number. The air compressor operates on volts, HZ, and HP. Genuine ROLAIR replacement parts can be obtained through authorized dealers and service centers nationwide.
Product Usage Instructions
Before using the ROLAIR air compressor, it is important to read the instruction manual carefully. The manual contains safety warnings, identification of system controls, pre-start checklist, operation, maintenance, troubleshooting and guarantee information.
Pre-Start Checklist
- Ensure the tank gauge reads 0 PSI and air line(s) are disconnected
- Close drain valve(s)
- Record the amount of time it takes to build tank pressure from 0 to ______*PSI
- Periodically test your air compressor against this pump-up time to determine if it is operating correctly
- If time test is considerably off, contact your local ROLAIR representative to arrange service
Operation
- Read the instruction manual carefully before using the ROLAIR air compressor
- Ensure proper installation of the air compressor
- Follow the pre-start checklist before starting the air compressor
- Use the system controls as identified in the manual
- Use the air compressor as per your requirement
Maintenance
- Follow the maintenance instructions as provided in the instruction manual
- Regularly check and change oil as per instructions
- Clean the air compressor regularly
- Replace worn or damaged parts as needed
- Keep the air compressor in a dry and clean environment
If you have any questions on the installation, operation, or maintenance of your air compressor, please feel free to contact ROLAIR’s Customer Service Department at 1-800-310-3573.
PARTS
Genuine ROLAIR replacement parts are sold nationwide through a network of authorized dealers and service centers. Please contact the dealership where your air compressor was purchased or our factory Customer Service Department if you need help troubleshooting, obtaining parts, or locating an authorized ROLAIR service representative.
To order replacement parts
- Give compressor model number
- Give compressor serial number
- Name of part
- Part number
- Quantity required
RECORD OF PERTINENT INFORMATION
Make a permanent record of the model and serial number of your new air compressor here. You’ll save time and expense by including this reference information when requesting service or replacement parts.
| Place & Date of Purchase | Volts | |
| Model | HZ | |
| Serial # | HP |
With the tank gauge at 0 PSI and air line(s) disconnected, close drain valve(s) and record the amount of time it takes to build tank pressure on the space provided. Periodically test your air compressor against this pump-up time to determine if it is operating correctly. If time test is considerably off, contact your local ROLAIR representative to arrange service.
| From 0 to _*PSI | From 0 to _*PSI | |||||
| Date | Min | Sec | Date | Min | Sec | |
INTRODUCTION
Congratulations on the purchase of your new ROLAIR air compressor! With over 50 years experience building ROLAIR air compressors specifically designed for the professional, Associate Engineering Corporation has earned a reputation for providing a product unsurpassed in quality and reliability. We are committed to continuing this tradition by analyzing and adapting to the changing needs and rigorous demands of your industry. You can depend on ROLAIR because they are built to last. This manual was compiled for the benefit of the operator. Do not use or allow anyone else to use your air compressor until this manual is read and all safety/operating instructions are understood. By reading and following the instructions contained in this manual, you can achieve years of trouble-free service from your new air compressor. If you have any additional safety or operating questions after reading this manual, please contact your distributor or our customer service department. Do not remove or paint over any of the warning decals attached to the compressor. If any warning decal is missing or unable to be read, discontinue use and contact us for a free replacement (1-800-310-3573).
Definitions – Safety Warnings
Safety symbols are used throughout this manual to alert you to imminently hazardous and potentially hazardous situations. The following definitions describe the level of severity for each signal word.
- DANGER: Indicates an imminently hazardous situation which, if not avoided, WILL result in death or serious injury.
- WARNING: Indicates a potentially hazardous situation which, if not avoided, COULD result in death or serious injury.
- CAUTION: Indicates a potentially hazardous situation which, if not avoided, MAY result in minor or moderate injury or damage to the air compressor, or other property.
- WARNING: Do not start, operate, or service this machine until you read and fully understand owner’s manual. Failure to do so could result in death or serious injury. If you have any questions, call us toll free at 1-800-310-3573.
- WARNING: CONTAINS LEAD. May be harmful if eaten or chewed. May generate dust containing lead. Wash hands after use. Keep out of reach of children.
- WARNING: This product can expose you to chemicals including lead, which is known to the State of California to cause cancer and birth defects or other reproductive harm. For more information go to www.P65Warnings.ca.gov.
DANGER: RISK OF EXPLOSION OR FIRE
| WHAT CAN HAPPEN | HOW TO AVOID IT |
| Electrical components within the motor and pressure switch will spark. This is normal. If electrical sparks from the compressor come into contact with flammable vapors, they may ignite, causing fire or explosion. |
|
| Inadequate ventilation, or restrictions to any of the compressor’s ventilation openings, will cause serious overheating and could cause a fire. |
|
| Unattended compressors with leaks in the unit or air system could start unexpectedly and repeatedly and could result in overheating, fire, and personal injury or property damage. |
|
| A fire can occur if spilled gas or vapors come into contact with hot engine parts, lit cigarettes, or other sources of ignition.
|
|

DANGER: RISK TO BREATHING (ASPHYXIATION)
| WHAT CAN HAPPEN | HOW TO AVOID IT |
| Air from your compressor is not safe for breathing and may contain carbon monoxide, toxic vapors, or solid particles. Serious injury or death may occur from inhaling the compressed air from your air compressor. |
|
| Sprayed materials such as paint, stucco, insecticides, solvents, etc. may contain harmful vapors and poisons. |
|
| For gas-powered compressors, engine exhaust fumes contain poisonous carbon monoxide which is odorless and colorless. Inhaling those fumes could lead to serious injury or death.
| Operate compressors only in well-ventilated areas. Avoid inhaling engine exhaust fumes, and never run a small gas-powered engine in a closed building or confined area without adequate ventilation. |
WARNING: RISK OF BURSTING
AIR TANK: Air tanks do not have an infinite life and should be inspected once every year to ensure they are still safe for use. To find your state pressure vessels inspector, look under the Division of Labor and Industries in the government section of a phone book or call us toll-free at 1-800-310-3573 for assistance.
The following conditions could lead to a weakening of the air tank, and result in a violent air tank explosion:
| WHAT CAN HAPPEN | HOW TO AVOID IT |
| Failure to properly and regularly drain condensed water from the air tanks will lead to rust and thinning of the steel air tank can lead to a violent air tank explosion. | Drain tanks daily or after every 4 hours of use. If a tank develops a leak, replace it immediately with a new air tank, or new complete compressor. |
| Modifications, alterations, or attempted repairs made to the air tank can lead to a violent air tank explosion. |
|
| Unauthorized modifications to the safety valve, pressure switch, pilot unloader valve, or any other component which controls air tank pressure can lead to a violent air tank explosion. |
|
| Attachments & Accessories: | |
| Exceeding the pressure rating of air tools, spray guns, accessories, tires, or any other inflatables can cause them to explode or fly apart. |
|

DANGER: RISK OF INJURY OR PROPERTY DAMAGE WHEN TRANSPORTING OR STORING
| WHAT CAN HAPPEN | HOW TO AVOID IT |
| Oil from the compressor can leak or spill and could result in fire or breathing hazard; serious injury or death can result. Oil leaks will damage carpets, paint, or any other surfaces. |
|

WARNING: RISK OF ELECTRICAL SHOCK
| WHAT CAN HAPPEN | HOW TO AVOID IT |
| Electrical Grounding: Failure to provide adequate grounding to the compressor could result in serious injury or death from electrocution. |
|
| Your air compressor is powered by electricity. Like any electrically powered device, if it is not used properly it may cause electric shock. |
|
| Serious injury or death can occur if repairs are attempted by unauthorized personnel. | Any electrical repairs or wiring performed on this compressor should only be performed by ROLAIR authorized service personnel and in accordance with all national and local electrical codes. |

WARNING: RISK FROM FLYING OBJECTS
| WHAT CAN HAPPEN | HOW TO AVOID IT |
| Serious injury and property damage can occur from loose debris being propelled at high speeds from the compressed air stream. |
|

WARNING: RISK OF HOT SURFACES
| WHAT CAN HAPPEN | HOW TO AVOID IT |
| Serious burn injuries can result from touching exposed metal parts such as the engine or motor, pump, or any part of the copper/braided discharge lines and components. These parts will become hot during operation and stay hot for an extended period of time even after the compressor is shut down. |
|

WARNING: RISK FROM MOVING PARTS
| WHAT CAN HAPPEN | HOW TO AVOID IT |
| Serious injury or death can occur if moving parts such as belts, flywheels, pulleys, or fans come into contact with you or your clothing. |
|
| An electric air compressor can restart at any time when plugged in, and an unexpected startup can result in serious injury, death, or property damage. |
|
| Attempting to operate the compressor with any damaged or missing parts, protective guards, shrouds, or covers will expose you to moving parts and can result in serious injury or death. | Any repairs to the air compressor must only be made by ROLAIR factory authorized personnel. |

WARNING: RISK FROM LIFTING
| WHAT CAN HAPPEN | HOW TO AVOID IT |
| Serious injury can result from attempting to lift an object that is too heavy. | Always obtain assistance from others before attempting to lift any object that is too heavy for you. |

WARNING: RISK OF FALLING
| WHAT CAN HAPPEN | HOW TO AVOID IT |
| Always operate air compressor in a stable and secure position to prevent accidental movement of the unit. Never operate compressor on a roof or other elevated position. Use air hose to reach high locations. |

WARNING: RISK FROM NOISE
| WHAT CAN HAPPEN | HOW TO AVOID IT |
| Under some conditions and duration of use, noise from this product may contribute to hearing loss. | Always wear certified safety equipment: ANSI S12.6 (S3.19) hearing protection. |

WARNING: RISK OF UNSAFE OPERATION
| WHAT CAN HAPPEN | HOW TO AVOID IT |
| Serious injury or death can occur to you or others if air compressor is used in an unsafe manner. |
|

CAUTION: RISK OF DAMAGE TO AIR COMPRESSOR OR PROPERTY
| WHAT CAN HAPPEN | HOW TO AVOID IT |
| Failure to transport or operate the compressor properly may result in major repair expenses. |
|
FOR GAS ENGINE POWERED AIR COMPRESSORS – Please note that your gas powered air compressor may not be equipped with a spark arresting muffler. If the compressor is operated around flammable materials or agricultural crops, brush, forests, and grasslands, an approved spark arrestor must be installed, maintained and in good working order. An approved spark arrestor is legally required in the state of California under sections 4442 and 4443 of the California Public Resources Code Statute section 130050. Check your local and state regulations to determine if a spark arrestor is needed for your area of operation.
FOR HONDA ENGINES EQUIPPED WITH OPTIONAL ELECTRIC START – Review the instructions provided in the Honda owner’s manual included with your air compressor. If you’re unable to locate that manual please visit http://engines.honda.com click on SUPPORT & SERVICE, Owner’s Manual, & GX Series engines. Find the specification & serial number etched into the engine block and choose the appropriate owner’s manual.
HONDA SPECIFICATIONS & RECOMMENDATIONS (FOR ENGINES EQUIPPED W/ELECTRIC START)
| Engine | Charging System (A) | Fuse Size (A) | Battery | Minimum Battery Capacity |
| GX120, GX160, GX200 | 3.0 A | 15 A | 12V | 18 AH |
| GX240, GX270, GX340, GX390 | 3.0 A | 15 A | 12V | 24 AH |
| GX630 (V-Twin) | 17.0 A | 30 A | 12V | 45 AH |
Positive cable: AWG No. 4 x 1.5 m (5.0 ft.) maximum Negative Cable: AWG No. 4 x 2.3 m (7.5 ft.) maximum
ROLAIR RECOMMENDATIONS (FOR ENGINES EQUIPPED W/ELECTRIC START)
- Always drain the air compressor tank pressure completely and leave drain valve open prior to and after starting the
- Allow the air compressor to run, with the tank drain open for 30-40 seconds, before closing the drain to build tank pressure and cycle the engine between full throttle & idle speed.
- Locate & install battery terminal caps (boots) over the battery terminals & the open (+) starter solenoid For examples of the types of terminal caps to use search the following part numbers online: 444L8V02 or 444R8V02 (Insulator Red Battery L or R Post), 444L8V14 or 444R8V14 (Insulator Black Battery L or R Post), and 470N9V02 (Insulator Boot, Starter Terminal)
- The use of battery terminal caps (boots) are required by Honda to protect the terminals & posts from accident shorts that could lead to a fire and to reduce the exposure to moisture and debris that will corrode the terminals & posts prematurely.
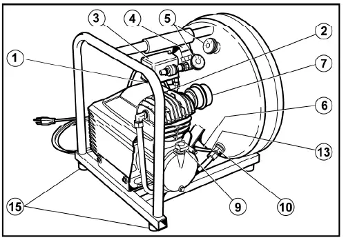
SYSTEM CONTROLS


- SAFETY-RELIEF VALVE Every ROLAIR air compressor is equipped with a safety-relief valve which is designed to discharge tank pressure at a predetermined setting when a systems failure occurs. Check the safety valve daily by pulling on the ring only when the tank pressure is completely The spring loaded valve should move freely within the safety valve body. An inoperable safety valve could allow an excessive amount of tank pressure to build causing the air tank to violently rupture or explode.
Do not tamper with or attempt to eliminate the safety relief valve. - MANUAL OVERLOAD / MOTOR RESET Every ROLAIR electric air compressor is built with manual overload If the motor overheats, the overload sensor will trip the reset button to protect the motor. If this occurs, please allow the motor to cool for approximately five minutes. Locate and push in the reset button. The use of an undersized or excessive length of extension cord may be the cause of overheating. Re- evaluate the power source and gauge/length of extension cord being used. (Refer to chart on page 10)
- PRESSURE SWITCH Most electric air compressors are operated by the use of a pressure Always make sure the lever is in the “Off” position before plugging in the power cord. By moving the lever to the “On/Auto” position, the compressor will start and stop automatically within the settings of the pressure switch which are typically 105 – 130 PSI. Do not attempt to stop the compressor by unplugging the power cord. To stop, simply move the lever to the “Off” position. The lever operates a relief valve that dumps off head pressure and allows the compressor to restart without load the next time it is used.
- REGULATOR – WORKING PRESSURE To adjust the output/line pressure, simply lift up on the regulator adjustment knob and rotate clockwise to increase working pressure or counterclockwise to decrease. Push adjustment knob back down to lock in setting. Never exceed the manufacturer’s maximum allowable pressure rating of the tool being used or item being inflated.
- PRESSURE GAUGE(S) Typically, most compressors are designed with a gauge to measure tank or storage pressure and another gauge attached to the regulator that indicates output or working pressure.
- DRAIN VALVE(S) One or more drain valves are installed to allow moisture to be drained on a daily basis from the compressor storage tank(s). Open drains carefully and slowly to prevent scale, rust, or debris from becoming expelled at a high rate of speed.
- AIR INTAKE FILTER Air intake filters are installed to prevent foreign matter from entering the engine or compressor pump. Check intake elements on a regular basis and either clean or replace as needed. Warm soapy water or low compressed air may be used to clean the elements. Check intake canisters or elbow components for cracks or broken seals and replace if structural problems are found.
SYSTEM CONTROLS (continued) - PILOT-UNLOADER VALVE A pilot-unloader valve is used on all gas-powered units and can be used on electric air compressors to operate in a continuous manner. When the storage tank reaches the top pressure setting of the pilot valve, the air being compressed is discharged to atmosphere instead of into the storage When the tank pressure drops to the low pressure setting of the pilot valve, the compressed air will be redirected to the air tank. Do not attempt to replace the pilot valve without first draining the tank pressure completely. See Figure 3 for adjustment and fine-tuning instructions. Do not adjust above the following factory recommendations
Classification Pressure Setting Direct Drive Compressor 105-130 PSI I-Stage Compressor 110-135 PSI II-Stage Compressor 130-150 PSI - SIGHT GAUGE/DIPSTICK Prior to daily operation, make a habit of checking the oil level of the compressor pump and engine (if compressor is gas powered). Every direct-drive hand-carry air compressor has a dipstick to help check and maintain the proper oil The dipstick also functions as a crankcase vent. Never operate a direct-drive unit without the factory-supplied dipstick. Our belt-driven air compressors are equipped with a sight gauge to make the daily task of checking the oil level easier. Always maintain the oil level to read 2/3 full on the sight gauge.
- CHECK VALVE Every ROLAIRair compressor is built with a check valve to seal off and maintain tank pressure after the top end pressure setting of pilot valve or pressure switch is reached. The check valve works in conjunction with the pressure switch relief valve to provide a loadless start for the compressor system. A quick burst of air escaping from the pressure switch relief valve after an electric unit reaches top end indicates the check valve is working properly. If the compressor has a mysterious leak after stopping that cannot be traced elsewhere, the check valve may require servicing/replacing.
- BREATHER/OIL FILL PLUG All reciprocating air compressor pumps are built with a crankcase vent to relieve the pressure that is created by the downward movement of the piston in the pump Our direct-drive air compressors vent the crankcase pressure through special ports in the dipstick. Our belt-drive units vent through the oil-fill plug. Never operate the air compressor without the dipstick or oil-fill plug.
- AUTOMATIC-IDLE CONTROL Every ROLAIR gas-powered air compressor is built with an engine idle control kit that automatically decreases the engine speed when the top end pressure setting of the pilot unloader valve is reached. The top RPM setting of the engine is factory set for maximum performance and service life. Do not alter the factory top RPM setting. The engine idle speed is factory set and controlled by a black plastic Philips head screw on the carburetor. A slight increase to the idle speed setting may be required when operating in colder temperatures. Turn screw clockwise in 1/4 turn increments to increase the idle speed. If the idle speed setting is too low, premature fouling of spark plug will
- COLD-START VALVE Most ROLAIR direct-drive air compressors are built with an automatic cold-start valve that allows the motor/pump to warm up before being subjected to tank pressure. Our belt-driven portable units have a manual drain valve installed on the pump aftercooler to assist with cold weather starting. Open drain valve and allow the motor and pump to run unloaded for a minute to warm up. Close the drain and repeat the procedure if the motor or engine continue to struggle.
- SCHMIDT BELT-TIGHTENING DEVICE (FOR GAS UNITS ONLY) Every ROLAIR gas-powered belt-driven portable air compressor has a unique system for maintaining proper belt tension. Simply loosen the 1/2” locknuts (only until washers beneath spin freely) that secure the engine and rotate the fine thread bolt located on the wheel end of the base plate clockwise until the desired belt tension is achieved. (See drawing in section on operating instructions for proper tension) Re-tighten 1/2” locknuts to secure engine and maintain desired belt tension setting.
- VIBRATION DAMPENER(S) The rubber pads installed beneath every portable ROLAIR tank assembly are very important to the proper operation of the air compressor. They provide protection from vibration that left unchecked could cause damage to many system components.
- ENGINE KILL SWITCH A kill switch is installed to easily stop the Do not attempt to move the throttle lever (as described in the Honda owner’s manual) when stopping the engine. The engine throttle lever is factory set and locked down at a top RPM setting that will provide maximum performance and service life for the complete air compressor system. The kill switch must be moved to the “On” position prior to pulling the recoil rope assembly to start the engine.
- ENGINE CHOKE Moving the choke lever completely to the left (closed position) will help start a cold Also see instructions for cold-start valve (Item #13). After start up, the choke lever must be moved completely to the right (open position) for the engine to operate properly. Fouling of spark plug and excessive internal carbon build up will occur if engine is operated with choke lever even partially closed.
- FUEL SHUT-OFF VALVE The fuel shut-off valve should only be moved to the “Open” position (completely to the right) when the engine is being operated. Always stop the flow of fuel by moving the shut-off valve completely to the left when the engine is not being Do not move or transport the air compressor with the fuel valve in the open position.
PRE-START CHECKLIST
Read the owner’s manual thoroughly. Make sure that you completely understand all of the safety warnings, system controls and instructions provided before attempting to operate this air compressor. Every effort has been made to provide you with the information needed to obtain many years of reliable and trouble-free service out of your new air compressor. It is your responsibility to operate the air compressor properly. To obtain the longest possible service life from your air compressor you must always keep the following instructions in mind.
- ALWAYS OPERATE THE COMPRESSOR IN A LEVEL POSITION All splash-lubricated pumps have a dipper on the bottom of the connecting rod that must remain submerged in the oil bath. Operation at more than a 10 degree angle will cause the pump to seize and void the product warranty
- OPERATE IN A CLEAN, DRY AND WELL VENTILATED AREA Allow at least 18” behind the belt guard for proper cooling of pump from flywheel blast. Do not operate in the rain or in areas of standing water. Never operate in an area where other gases, fumes or vapors are present which may become explosive when compressed. Do not operate compressor in an enclosed area.
- CHECK OIL LEVEL DAILY AND CHANGE AT REGULAR INTERVALS Refer to the maintenance section of this owner’s manual for the correct type/weight of oil to use and how often the oil should be changed. Check oil levels daily.
- INSPECT/CLEAN/CHANGE INTAKE ELEMENTS ON A REGULAR BASIS The ingestion of dirt into the pump and engine is the primary cause of premature wear. Pay special attention to the intake filters. Check intake filters daily.
- USE LONGER, PROPERLY SIZED AIR HOSE RATHER THAN EXTENSION CORDS If an extension cord must be used, please refer to the chart below for the proper gauge and maximum length that can be used. The use of inadequately sized air hose will also lead to frictional pressure drops that could affect the proper performance of your air tools.
ELECTRIC EXTENSION CORD TABLE Minimum Wire Size Extension Cord Length Motor 1/2 and 3/4 HP Motor 1, 1-1/2, and 2 HP Up to 25 ft. 14 Ga. 12 Ga. 25 – 50 ft. 12 Ga. 10 Ga. 50 – 100 ft. 10 Ga. 8 Ga. - DO NOT USE A GENERATOR AS THE POWER SOURCE Air compressors use inductive motors that require 3-5 times the full-load amp draw to properly start. Most generators will not provide the wattage needed to properly start this type of electric motor.
- CHECK TENSION OF BOLTS, BELTS, AND HARDWARE ON A REGULAR BASIS Operation of any equipment with loose bolts and/or fittings will lead to excessive vibration and the premature failure of the compressor system control components.
- MAINTAIN RUBBER VIBRATION PADS Excessive vibration is a major cause of premature compressor failure. Always maintain the rubber vibration pads located beneath tank assembly. Operation without them will void your warranty.
- DRAIN MOISTURE FROM AIR TANKS DAILY Water is a natural byproduct of compressed air. Drain air tank(s) after each use to combat internal tank corrosion. Keep drain valve(s) closed if storing compressor for any length of time.
- DO NOT ALTER FACTORY RPM SETTINGS ON GAS-POWERED Engine throttle arm is factory set and locked into position at RPMs that will provide maximum performance, fuel consumption and service life. Alterations to this setting will void your warranty.
OPERATION
WARNING – Your safety and the wellbeing of others during the operation of every ROLAIR compressor is our main concern. Do not operate or permit anyone else to operate your air compressor until the information contained in this manual is read and completely understood. Please contact your distributor or our customer service department if you have any questions on the proper use of your air compressor.
WET CONDITIONS: Do not operate your compressor in damp or wet conditions, or after it has been exposed to rain/sleet/ice/snow or moisture of any kind. Failure to follow this warning could lead to electric shock and/or rust and ice forming on critical components, making the compressor dangerous to operate. Always operate and/or store compressor in a clean, dry location with good ventilation.
DIRECT-DRIVE ELECTRIC
Establish that the air compressor is ready to operate by reviewing the topics and information provided in the “Pre-Start Checklist” section of this manual. Slowly open tank drain to remove any condensate that has accumulated and keep drain open for a few seconds after starting to warm up motor/pump assembly. Make sure the pressure switch lever is in the “Off” position before plugging power cord into a properly grounded outlet. Move pressure switch lever to the “On/Auto” position to build and automatically maintain top end tank pressure setting. Rotate regulator adjustment knob counterclockwise until the gauge attached reads 0 PSI before attaching air hose and accessory. Set working pressure by rotating regulator adjustment knob clockwise and lock in working pressure according to specifications provided by the tool manufacturer. Always use the pressure switch “On(Auto)/Off” lever to start or stop the air compressor. Never stop the compressor by unplugging it from the power source. Store compressor in a warm/dry location and perform maintenance as indicated in manual.

- BELT-DRIVE ELECTRIC START/STOP OPERATION
Follow same procedures described above for use of direct-drive electric compressors. Open drain valve located on pump aftercooler for cold starting purposes. An electric belt-driven motor should not be subjected to more than 15 starts per hour. Consult your dealer or any authorized ROLAIR service center for information on a conversion kit if you experience nuisance tripping of the motor overload due to an excessive amount of motor starts per hour. - CONSTANT-SPEED OPERATION Constant speed or continuous-running operation should be used during periods of heavy use to extend motor life and prevent overheating. If your machine is built to only operate continuously, special care must be taken to safely start and stop the machine. Always shut off the power to the electrical outlet at the main breaker or optional on/off switch before plugging in or unplugging the power cord. We also highly recommend complete draining of storage tank(s) and opening of aftercooler drain valve prior to starting, especially when operating in cold temperatures. Never stop the compressor by pulling the plug from the outlet. Use the breaker or optional on/off switch to shut off the power to the outlet first.
- DUAL-CONTROL OPERATION Dual controls allow an easy transition between start/stop and continuous-running operation. See figure 1 for instructions to switch operation from start/stop to constant speed. Always flip the lever on the pressure switch to the “off” position before plugging in or unplugging the power cord.
- DUTY CYCLE All ROLAIR belt-driven air compressors are equipped with S1 or 100% duty cycle motors and pumps. Given proper ventilation and electrical power, your ROLAIR compressor is capable of operating continuously when set up for constant speed operation. However, an excessive amount of starts per hour may generate enough heat to trip the motor overload. Please contact our factory Customer Service Department if overload problems repeatedly occur. Several ROLAIR direct-drive machines, Models FC1500HBP2, FC1500HS3 and JC10, are rated for 70% duty cycle. If subjected to continuous operation the internal overload will shut down the motor and only restart when sufficient cooling has occurred.
OPERATION (continued)
- GAS POWERED Refer to item numbers 12, 16, 17 & 18 in the “System Controls” section of this manual for information on the engine automatic idle control, kill switch, choke and fuel shut-off valve. Also note the engine throttle arm is locked into a top RPM setting that will provide maximum service life and does not need to be moved to start or stop the machine. Additional instructions can be found in the engine owner’s manual. Use the drain valve located on the pump aftercooler or intercooler for cold-starting purposes. Take additional care to keep dirt/debris from entering the fuel tank or obstructing the air flow through the engine or past the pump. Make sure the air flow to the regulator is completely closed (gauge attached reads 0 PSI) before attaching air hose and accessory. A slight hissing noise caused by the air flow being directed to atmosphere during engine idle is normal. Store compressor in a warm/dry location and perform maintenance as indicated in your manuals.
- FREEZING TEMPERATURES: Proper fluid maintenance and warm up procedures are mandatory before attempting to start or operate an air compressor in freezing temperatures. Water, a natural byproduct of compressed air, could turn into ice and potentially block air flow into, though, and/or out of the pump, air tank(s), and air line(s). Drain air tanks/ lines after every use and leave drain valves open when not in use. If all, or part, of the compressor may be frozen, you must completely thaw the compressor before attempting to start. Gradually increase the temperature above freezing and then drain moisture from the air tanks, intercoolers, and water traps. Cold Weather Best Practices
- Do not attempt to start a frozen Thaw completely first.
- Store your air compressor in a clean, dry area that stays consistently above freezing
- Change the oil in the pump and engine to winter grade (check owner’s manual).
- Prior to starting, open the tank drain(s) and allow the compressor to run for 45-60 seconds with the tank drain(s) open before closing to build tank pressure.
- Using a lubricator with de-icing fluid may also be needed to keep your air lines from freezing up/blocked by
- Contact your ROLAIR dealer or our factory customer service department if you have additional
High-Altitude Operation
Due to a decrease in atmospheric pressure air compressor pumps produce less CFM at higher elevations. As a rule of thumb the output will decrease approximately three percent per 1000 feet of elevation. Also, because air at higher elevations is less dense and does not cool as well, electric motors cannot be subjected to the full nameplate service factor amp rating and may need to be upgraded to avoid repeated overheating. Direct drive or hand-carry compressors built with cold-start valves may need to be modified when operated in higher elevations. Carburetors on gas-powered air compressors may also need to be rejetted to perform properly at higher elevations. Contact our factory Customer Service Department if your normally reliable air compressor fails to operate correctly at higher elevations.
MAINTENANCE
Your new air compressor represents the finest engineering and construction available. Even the best machinery requires periodic maintenance. Please stick to the maintenance schedule and consider the suggestions that follow to keep your compressor in peak condition.
NOTE: Always unplug or shut down your compressor and drain the air tanks completely before attempting any type of maintenance. Wait for compressor to cool before servicing.
IMPORTANT: Replace the oil after the first 50 hours of operation.
MAINTENANCE HINTS
- Use a soap/water solution to check for air leaks.
- Never clean filters with a flammable
- Retorque head bolts only after pump has
- Move motor 1/4″ and roll belts back on to increase belt tension on electric
- Never weld on air tank(s).
- Use heat to loosen Loctite seal on drain valves, engine pulleys, and flywheels before attempting to remove.
MAINTENANCE (continued)
LUBRICATION
Prior to each use, make a habit of checking the pump oil level. Most direct- drive air compressors have a dipstick with casting marks that indicate the minimum and maximum acceptable levels of oil. Our belt-driven pumps have a sight gauge, located on the outside of the crankcase, to make the task even easier. Always maintain the oil level at the maximum mark on the dipstick or to 2/3 full in the sight gauge Do not operate the pump with an inadequate or excessive amount of oil. The cost of failures which occur due to incorrect oil levels will not be covered under warranty. DO NOT USE A DETERGENT OIL!
NOTE: Unit must be level when in operation

OIL CHART

- ROLAIR Standard 10 WT or 30 WT Should be changed every 200-400 hours after the break-In period
- ROLAIR Semi-synthetic should be changed every 1,000 – 2,000 hours • ROLAIR Full-synthetic should be changed every 2,000 – 4,000 hours
MAINTENANCE SCHEDULE
| Recommendation | Daily | Weekly | Monthly | Quarterly | Annually |
| Check Oil Level | X | ||||
| Drain Moisture from Tank(s) 1 | X | ||||
| Inspect Air Filter(s) 4 | X | ||||
| Check for Unusual Noise or Vibration 2 | X | ||||
| Inspect Belt Guard | X | ||||
| Check for Air or Oil Leaks 3 | X | ||||
| Clean Exterior of Air Compressor 5 | X | ||||
| Check Condition of Vibration Pads | X | ||||
| Tighten/Retorque Bolts 6 | X | ||||
| Check Belt Tension 9 | X | ||||
| Check Operation of Safety Valve 10 | X | ||||
| Change Compressor Oil | X | ||||
| Clean/Change Air Filter 7 | X | ||||
| Perform Pump Up Time Test 8 | X | ||||
| Check Operation of System Controls 11 | X | ||||
| Check Air Tanks for Dents/Leaks 12 | X | ||||
| Tank Inspection by Certified Inspector 13 | X |
MAINTENANCE (continued)
TORQUE CHART (INCH/LB)
| Pump Type | Direct Drive | K12 | K17 | K18 | K24 | K28 | K30 |
| Head Bolts | 96 | 243 | 243 | 243 | 243 | 347 | 347 |
| Cylinder Bolts | 120 | 182 | 182 | 182 | 182 | 330 | 330 |
| Bearing-Carrier Bolts | N/A | 130 | 130 | 130 | 130 | 130 | 130 |
| Connecting-Rod Bolts | N/A | 121.5 | 121.5 | 121.5 | 121.5 | 121.5 | 173.6 |
| Flywheel Nut (left-hand thread) | N/A | 243 | 382 | 382 | 382 | 477 | 477 |
Determine pump type using suffix of Model number (Example: 4090HK17 uses K17 pump)
PILOT VALVE ADJUSTMENT
NOTE: Should only be performed by ROLAIR factory authorized personnel.
- RESETTING DIFFERENTIAL (2)
Make sure the top toggle lever is positioned as shown. (See Figure 3). Loosen locknut (1) by turning counterclockwise several full turns. Gently turn differential setting (2) clockwise only until the internal rod makes contact with the steel ball inside. After making contact, turn differential (2) counterclockwise 1/4 turn. Secure position by tightening locknut (1) and proceed to top end setting. - TOP-END SETTING (4)
Loosen locknut (3) by turning counterclockwise several full turns. (4) is the top end setting. Turning (4) clockwise will increase the top end pressure setting. Turning counterclockwise will decrease the top end pressure setting. Begin at a low setting by turning counterclockwise one full turn. Proceed to fine tuning instructions. - FINE-TUNING INSTRUCTIONS
Start engine/motor and observe tank pressure gauge. As tank pressure approaches 100-130 P.S.I.G., the pilot valve should begin unloading at felt muffler and cause gas engine to slow down to idle speed. If pilot valve does not unload as tank pressure approaches 130 P.S.I.G., slowly turn top end setting (4) counterclockwise until pilot starts to unload prematurely (at 100 P.S.I.G.), turn top end setting (4) clockwise in 1/4 turn increments, tap down on the internal rod at toggle attachment and repeat until desired top end setting is reached. If pilot valve begins to rifle (sputter), fine tune differential setting (2) 1/16 turn in either direction until rifling stops. After fine tuning, secure setting by turning locknuts (1 & 3) clockwise until tight. Hold setting (2 & 4) in place while turning locknuts to secure.
SCHMIDT BELT-TIGHTENING DEVICE
(FOR GAS UNITS ONLY)
NOTE: Should only be performed by ROLAIR factory authorized personnel. To tighten belt tension, proceed as follows:
- Loosen locknuts for engine hold-down bolts only until washers beneath spin freely.
- Rotate 1/2” adjusting bolt clockwise until desired tension is reached. (See Figure 4).
- Retighten locknuts to secure engine.
DRIVE PULLEYS
Drive pulleys must be properly aligned and drive belt tension set to specification. Improper pulley alignment and belt tension can cause motor overloading, excessive vibration and premature belt and/or bearing failure. (See Figure 5).


| GASOLINE ENGINE RPM SETTINGS | |||
| Model | Top RPM | Idle RPM | Pump RPM |
| 4090 Series | 2950 | 1900 | 1025 |
| 1040 & 2040 Series | 2775 | 1900 | 1175 |
| 6590 Series | 3150 | 1900 | 1125 |
| 8422 & 8230 Series | 3000 | 1900 | 900 |
NOTE: Engine RPM’s (High – Low Settings) are factory set for maximum efficiency. Adjusting RPM’s above factory specification will void the warranty.
TROUBLESHOOTING
WARNING – Make sure you completely understand all of the safety warnings and operation of each system control component before attempting any maintenance or repair. Always drain the tank pressure completely, make sure the power cord is unplugged, and unit has time to cool before performing any maintenance or service operations.
| PROBLEM | CAUSE | SOLUTION |
| Pump is slow to build tank pressure | Loose/slipping belt | Adjust belt tension |
| Excessive leaks in system | Correct air leaks | |
| Blown gasket | Replace head gaskets | |
| Broken reed valve | Replace reed valves | |
| Obstructed intake filter | Clean or replace intake element | |
| Leaking regulator | Replace regulator | |
| Defective pilot valve | Replace pilot valve | |
| Excessive oil consumption | Too much oil in crankcase | Drain to proper level |
| Improper weight of oil | Replace with proper oil | |
| Obstructed crankcase vent | Replace dipstick or oil fill plug/crankcase vent | |
| Dirty/plugged intake filter | Clean/replace intake filter | |
| Worn piston rings | Take unit in for service | |
| Scored cylinder | Take unit in for service | |
| Knocking noise | Loose pulley or flywheel | Tighten appropriate parts |
| Loose belts | Adjust belt tension | |
| Internal pump problem | Take unit in for service | |
| Overheating compressor | Poor ventilation | Relocate compressor |
| Improper pump rotation | Contact an electrician | |
| Internal pump problem | Take unit in for service | |
| Electric motor dead, will not even hum | Thermal overload tripped | Locate and push reset button |
| Reset physically broken | Replace overload/reset | |
| Loose motor leads or electrical connection | Locate and correct loose electrical connection(s) | |
| Short in power cord | Replace power cord | |
| Motor trips overload/reset button | Motor is starting/stopping excessively | Install constant speed or dual control kit |
| Overload is defective/weak | Replace overload | |
| Improper gauge of extension cord | Use longer lengths of air hose or heavier cord | |
| Stripped or poorly tightened motor thru bolts | Retighten or replace stripped thru bolts | |
| Cracks in end bell or housing | Take unit in for service | |
| Gasoline engine is hard to start | Fouled, incorrect, or improperly gapped spark plug | Install proper spark plug after gapping to factory specs |
| Improper engine oil level | Fill to top of threads for oil plug | |
| Improper weight of pump or engine oil | Change to proper weight of oil for operating temperature | |
| Improper or old gas | Take unit in for service |
Guarantee
Associate Engineering Corporation warrants that all ROLAIR compressors will be free of defects in material and workmanship for a period of twelve months from the date of initial retail purchase, or eighteen months from the date of manufacture, whichever may occur first. Should any failure to conform to this warranty be reported to the company within said period, the company shall, upon purchaser shipping the compressor to our plant transportation prepaid, correct such nonconformity by suitable repair or, at its option, furnish a replacement part F.O.B. our plant. Associate Engineering Corporation shall not be liable for any unauthorized repairs, replacements, adjustments to the compressors, or the costs of labor performed by the purchaser. This warranty is expressly in lieu of all other warranties expressed, implied or statutory (including, but not limited to, warranties of merchantability and fitness for purpose) and of any other obligations, and/or liabilities on the part of Associate Engineering Corporation. Associate Engineering Corporation neither assumes nor authorizes any other person to assume for it any other obligations or liability in connection with or with respect to any compressor. Associate Engineering Corporation shall in no event be liable neither for any consequential, incidental or special damages nor for the improper selection of any compressor for a particular application.
Quality
Associate Engineering Corporation is devoted to continual quality control and thorough research of the products we build. It is our creed to give you, the user, all of the experience and engineering available in the production of every piece of equipment we produce. Our line covers the complete needs of today’s varied air requirements. Rely on ROLAIR for all the newest and finest features that are available for the modern compressor.
606 South Lake Street > P.O. Box 346 > Hustisford, WI 53034-0346 > 920.349.3281 > fax 920.349.8861 > www.rolair.com
















