User’s manual
Customer Service
US: 1-800-645-2986
80 Gallon Air Compressor Two Stage
Models: (5 HP) B2811234 / (7.5 HP) B2811235 / (10 HP) B2811236
| 133679 | 133682 | 133685 |
| 133680 | 133683 | 133686 |
| 133681 | 133684 | 133687 |
![]() | ![]() | ![]() |
| (5 HP) B2811234 133679 133680 133681 | (7.5 HP) B2811235 133682 133683 133684 | (10 HP) B2811236 133685 133686 133687 |
SAFTEY INFORMATION
This manual contains very important information to know and understand. This is to provide for SAFTEY and to PREVENT EQUIPMENT PROBLEMS. To help understand this information, observe the following:
DANGER: Danger indicates and imminently hazardous situation which, if not avoided, will result in death or serious injury.
WARNING: Warning indicates a potentially hazardous situation which if not avoided, could result in death or serious injury.
CAUTION: Caution indicates a potentially hazardous situation which, if not avoided, may result in minor or moderate injury.
NOTICE: Notice indicates important information, that if not followed, may cause damage to equipment.
CALIFORNIA PROPOSITION 65
WARNING: This product or its power cord may contain chemicals known to the state of California to cause cancer and birth defects or other reproductive harm. Wash hands after handling.
- Allow only trained, authorized persons who have read and understood these operating instructions to use this equipment. Failure to follow the instructions, procedures and safety precautions in this manual can result in accidents and injuries.
- NEVER start or operate the compressor under unsafe conditions. Tag the compressor, disconnect, and lock out all power to it to prevent accidental start-up until the condition is corrected.
- Install, use, and operate the compressor only in full compliance with all pertinent OSHA regulations and all applicable Federal, State & Local codes, standards, and regulations.
- NEVER modify the compressor and/or controls in any way.
- Keep a first aid kit in a convenient place. Seek medical assistance promptly in case of injury. Avoid infection by caring for any small cuts and burns promptly.
BASIC NOMENCLATURE
Breathable Air
- NEVER use air from this compressor for breathable air except in full compliance with OSHA Standards 29 CFR 1910 and any other Federal, State or Local codes or regulations.
- DO NOT use airline anti-icer systems in air lines supplying respirators or other equipment used to produce breathable air. DO NOT discharge air from these systems in unventilated or other confined areas.

DANGER: Death or serious injury can result from inhaling compressed air without using proper safety equipment. See OSHA standards on safety. 
Pressurized Components
This equipment is supplied with an ASME designed and rated pressure vessel protected by an ASME rated relief valve. Pull the ring before each use to ensure the valve is functional. DO NOT attempt to open the valve while the machine is under pressure. See figure on the right.
CAUTION: DO NOT PULL WITH PRESSURE IN SYSTEM
Personal Protective Equipment
Be sure all Be sure all operators and others around the compressor and its controls comply with all applicable OSHA, Federal, State and Local regulations, codes, and standards relating to personal protective equipment. This includes respiratory protective equipment, protection for the extremities, protective clothing, protective shields and barriers, electrical protective equipment, and personal hearing protective equipment.
Read all manuals and information supplied for this unit carefully. Be thoroughly familiar with all inspection and operation guidelines. Only persons that have read and understand this manual should operate the compressor.
DANGER: Failure to follow instructions and safety guidelines laid out in this manual can result in serious injury or death. Ensure all users of this product read and understand this manual. Store the manual near the compressor for ease of reference. If the manual becomes damaged or illegible contact the manufacturer for a replacement.
BASIC NOMENCLATURE
| A. RING BASE | I. ELECTRIC MOTOR |
| B. TANK, 80 GALLONS | J. TANK PRESSURE GAUGE (psi) |
| C. INTEGRAL TOP PLATE | K. MOTOR WIRE HARNESS |
| D. PUMP, WITH OIL DRAIN | L. MAGNETIC STARTER |
| E. BELT GUARD | M. PRESSURE SWITCH WIRE HARNESS |
| F. AIR FILTER ASSEMBLY | N. PRESSURE SWITCH |
| G. OIL FILL | O. MAIN TANK OUTLET (3/4” FNPT) |
| H. MAIN LINE AND CHECK VALVE | P. TANK DRAIN |
INSTALLATION
Area
- Install compressor in a clean, dry, and well-lit area. Be sure installation area can maintain a temperature range between 35˚ – 110˚ F.
CAUTION: If ambient temperature drops below 32˚F, be sure to protect safety/relief valves and drain valves from freezing. NEVER operate compressor with temperatures below 15˚F or above 125˚F. - Allow sufficient space around the compressor for maintenance access and adequate airflow. Mount unit with the belt guard (pulley and flywheel) side to the wall and leave a minimum of 15 inches of clearance.
- If acid is used in operating environment or air is dust laden, pipe intake to outside fresh air. Increase pipe size by 1/8”’ for every 20ft of run. Be sure to install a protective hood at the outside air intake location to prevent debris and foreign objects from blocking the intake pipe.
- In operating environments where excessive water, oil, dirt, acid, or alkaline fumes are present, a TEFC (totally enclosed, fan cooled) motor is highly recommended. Check nameplates for motor type.
- Insulate cold water or tother low temperature pipes that pass overhead to avoid condensation dripping on the compressor.
- In environments where fine dust is common such as granite, marble, or concrete plants the unit must be installed in a separate room with its own dedicated ventilation system.
DANGER! DO NOT install compressor in boiler room, paint spray room, or area where sandblasting occurs. Make sure inlet air is away from exhaust fumes or other toxic, noxious, or corrosive fumes or substances. - The unit can be stored outside under the following guidelines: It must be in a covered area out of extreme weather with no ability for moisture to get to the unit, it is also highly recommended that the unit is out of direct sunlight as it can fade and/or damage the coating on the unit. Direct sunlight may also interfere with safety decals on the unit.
- If the unit is in an enclosed space, it requires proper ventilation as the ambient air temp where the compressor is located CANNOT exceed 115 degrees F.
- Use shims to level the compressor if installation area is not flat. This will help prevent excessive vibration and premature pump wear.
Lifting and Movement/Forklift
- Make sure lift operator stays aware while moving the compressor.
- Be sure to uncrate the compressor prior to movement. This will allow a visual reference for the balance of the unit.
- Be sure the load is secure and well balanced before moving the compressor.
- Make sure the forks are fully engaged and level prior to lifting or moving the unit.
- Keep the unit/load as low as possible while moving and refrain from quick changes in direction.
- For all other forklift safety standards/regulations please reference OSHA 1910.178- Powered industrial trucks.
CAUTION: Compressors, especially vertical units, are exceptionally top heavy. Take care when moving and do not make fast or sudden moves during transport.
General Lifting Information
- Carefully inspect all lifting equipment and ensure it is in good condition. Rated capacity of lifting equipment must exceed compressor weight. NEVER lift with under sized or damaged equipment.
- If using lifting equipment, ensure all lifting points are in good condition and tighten any loose nuts or bolts before lifting.
- A sling MUST be used when moving the compressor with a helicopter or other airborne equipment. Be sure to follow OSHA standards 1910 subpart N.
- Use guide ropes or equivalent to prevent twisting or swinging of the compressor while it is in the air and NEVER attempt to lift the unit in high winds. Keep compressor as low to the ground as possible.
- Keep all persons away from the compressor when it is lifted. DO NOT allow persons under the compressor while it is being lifted.
- DO NOT use bolts or other hooks on individual components to move the compressor.
- When moving and or placing the compressor ensure it is on/across a surface that can hold the combined weight of the compressor and the loading equipment.
WARNING: Do NOT operate the unit if damaged during shipping, handling or use. Damage may result in bursting and may cause injury to persons or property damage. If the unit is received with damage, please contact customer support as soon as possible.
Anchoring
To ensure proper and safe operation of the compressor the unit is required to be anchored to a flat, smooth, concrete floor. Compressors are also required to be on ¼ inch (6.35mm) MAXIMUM thick rubber antivibration pads.
Recommended anchor Bolt specifications: wedge anchors; 3/8 in width by 3.5 in length.
How to Anchor the Compressor
- Make sure the compressor is in the desired location and the anti-vibration pads are under the feet of the compressor.
- Using the holes in the feet as guides, drill the holes for the anchor bolts through the vibration pads and into the concrete.

- Thoroughly clean each hole.
Go in straight; do not let the drill wobble.
Use a carbide bit (conforming to ANSI B212.15).
The diameter of the drill bit must be the same as the diameter of the anchor bolt. If you are using a 3/8-inch diameter anchor bolt, for example, use a 3/8 inch diameter drill bit.
- Put the Washer and Nut into place, make sure the top of the Nut is flush with the top of the anchor bolt, then insert the anchor bolt into the hole.
- Hammer or mallet the anchor bolt down into the hole..
If a vacuum is not available, use a wire brush, hand pump, or compressed air.
DO NOT ream the hole. DO NOT make the hole any wider than the drill bit made it.
- Tighten each nut clockwise, DO NOT over tighten. DO NOT use an impact to tighten the anchors.
Electrical Safety
- Follow all NEC and local codes for electrical wiring. Allow only authorized service personnel or certified electricians to install electrical components.
- Put unit on a dedicated circuit and make sure no other electrical equipment is wired into it. Failure to wire unit on an independent circuit can cause circuit overload and/or imbalance in motor phasing.
Install proper No Fuse Breaker (NFB) according to the chart listed below. You may also reference NEC and local codes for additional support. - Ensure incoming service has adequate ampere rating.
- Do not used mixed wire sizes when wiring the unit.
- The unit must be properly grounded. DO NOT connect ground to air or cooling lines.
DANGER: Be sure only trained and authorized personnel install and maintain this compressor in accordance with all applicable federal, local, and state codes, standards, and regulations. Follow all NEC (National Electric Code) standards especially those concerning equipment grounding conductors.
DANGER: Improperly grounded electrical components are shock hazards. Make sure all components are properly grounded to prevent death or serious injury.
Wiring the Compressor
All electrical work must be done by a licensed, certified Electrician in accordance with all applicable local electrical codes. Damage caused by improper electrical installation may void your warranty.
WARNING: When wiring units with magnetic starters, DO NOT install power directly to the pressure switch. This can cause fire and possible injury/property damage.
Wire and Breaker Requirements
- Voltage should not vary more than 12% to ensure proper operation of the compressor.
- Wire size and breaker requirements for single phase units:**
| Motor Horsepower | Breaker Size (Amps) | Wire Size (50ft or less)* | Wire Size (More than 50ft) | Peak Start Amps (Locked Rotor) |
| 5 | 40 | 8 gauge | Consult Electrician | 135 |
| 8. | 50 | 6 gauge | Consult Electrician | 210 |
| 10 | 60 | 4 gauge | Consult Electrician | 270 |
*Wire size distances are from unit to the panel where the breaker is housed.
**CAUTION: Under sizing wires and/or breakers can cause damage to the unit, possible injury to personnel, and void your warranty.
Wire Diagrams
3. Single phase unit, pressure switch/starter combo: (GI05V080Y1)
(View from bottom of pressure switch) Connect incoming power to spot 1 and to spot 5.
Connect ground wire to marked ground terminal on pressure switch.
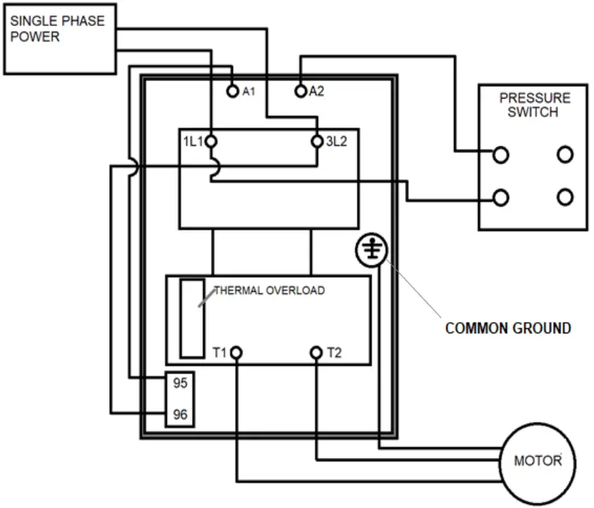
4. Single phase unit with separate magnetic starter:
Piping (Safety steps)
- Install appropriate flow-limiting valves as necessary according to pipe size(s) used and run lengths.
This will reduce pressure in case of hose failure, per OSHA Standard 29 CFR 1926.302(b)(7). - Flow-limiting valve are listed by pipe size and rated CFM. Select appropriate valves according to manufacturer’s recommendations.
- Use a flexible connector between compressor tank and dryer/piping system to minimize noise, vibration, pump wear, and to prevent damage to the unit or piping system.
- Install ASME code safety valves and ensure piping system is equipped with adequate condensate drains.

DANGER: NEVER install a shut off valve such as a glove or gate valve between the pump discharge and the air tank unless an ASME rated safety valve rated for the correct pressure is installed in the line between the valve and the compressor pump.
- Minimum pipe size for compressed air lines: (Pipe sizes are shown in inches)
CFM 25ft 50ft 100ft 250ft 20 ¾ ¾ ¾ 1 40 ¾ ¾ 1 1 60 ¾ 1 1 1 100 1 1 1 1 – ¼ 125 1 – ¼ 125 1 – ¼ 1 – ½ - Air systems should be checked daily for leaks. This helps to prevent unnecessary load on the compressor and helps increase energy savings.
- Examples of air systems:
Closed loop system. Install tee fitting in piping from air to minimize pressure drop and to allow air flow in two directions.
- Make sure any tube, pipe, fitting, or hose connected to the unit can withstand operating temperatures and retain pressure.
- Never use reducers in discharge piping. Keep all piping and fittings the same size in the piping system.
WARNING: Never use plastic (PVC) pipe for compressed air. Serious injury or death could result. Piping MUST have a pressure rating of 200 PSI or greater.
PRE-USE INSPECTION
- The unit is shipped with pump break-in oil and should be ready to operate. Be sure to check for proper oil level before running the compressor. Break in oil should be changed after 150 Hours of operation (active pumping time). See maintenance section for more information on oil changes and frequency.
Oil level should be to the center of the red circle in the sight glass. Oil level WILL SLIGHTLY LOWER once the unit turns on and oil begins to circulate. - Check for proper belt tension. There should be ½ inch of belt slack/deflection. Refer to maintenance section if adjustment is necessary.
- Inspect belts for frays or unit for an excess buildup of black rubber dust indicating belt wear.
Proper belt tension is determined by pressing midway between the motor pulley and the pump flywheel. - Check proper operation of all pop off safety valves on unit. Pull rings on valves to ensure they move and are free of any obstructions. DO NOT pull the safety valve on the tank if there is air in the tank!
- Inspect all air lines/piping for proper for secure fit and corrosion or line degradation. DO NOT operate the compressor with damaged lines. DO NOT use damaged or cracked air lines as a rupture could result in damage/injury to personnel or property.
- WITH UNIT LOCKED OUT (power off at source i,e. the electrical panel/disconnect) ensure all electrical wiring, including all terminals, are in good condition and are free of buildup, fraying, cracks or discoloration replace as needed. Check tightness of bolts securing wiring in place.
- Ensure unit is secured in place and has not shifted. Verify anchor bolts are in place and are in good condition.
- Remove any loose items from around/on compressor to avoid damage to the unit. Examples would be loose clothing items, rags, papers, bottles, or any item that may have been placed on the unit.
- Check unit for any oil leaks. If leaks are found contact manufacturer for further instructions.
- Unit should NEVER be operated without the belt guard in place.
- Inspect Flywheel for cracks or missing fins. NEVER operate a unit with a damaged flywheel; serious injury or death could result. If you suspect your flywheel may have been damaged, contact technical assistance and DO NOT allow the machine to be operated.
OPERATION
Ensure all personnel that work around or operate the compressor have read this manual and are well versed in the operation of this machinery. NEVER allow untrained personnel to operate this unit.
- Once the inspection is completed, open your discharge port (outlet ball valve). This should already be connected to your shop airline system.
- Ensure all personnel are clear of the compressor and aware that it is being started.
- Turn the selector on your pressure switch to AUTO. This will start your compressor and allow it to fill.
The tank will fill to 175 PSI, and unless otherwise noted, will shut off. The unit will begin pumping again once the tank is drained down to approximately 135 PSI.
Pump Up Time (General):
| Horsepower | Tank size (gallons) | Average pump up time (empty to full 175 PSI) times may vary +/- 20% |
| 5 | 80 | 7 min 15 seconds |
| 7.5 | 80 | 6 min 30 seconds |
| 10 | 80 | 4 min 10 seconds |
*Pump up times are based on averages. Altitude, ambient temp and barometric pressure can affect times.
MAINTANENCE
Compressor maintenance must be performed as described in the maintenance schedule, failure to do may lead to compressor/component breakdown and void compressor warranty.
DANGER: Prior to performing any maintenance on the compressor, ensure compressor is disconnected from its power source and cannot be re-energized until the maintenance to be performed is complete. DO NOT perform maintenance with pressure in the tank. Relieve pressure prior to maintenance being started.
Maintenance Schedule
The table below is a generalized maintenance schedule based on the normal usage of a compressor. Your specific needs may vary based on operating environment and duty.
| Item | Frequency | Comment |
| Cleanliness | Daily | Keep the compressor and the surrounding area clean. Wipe off oil, spills, and dirt/dust. |
| Oil Level | Daily | Check oil level while the unit is OFF. If oil is low add to fill point. If level is high, drain off oil. |
| Tank Pressure | Daily | Check unit for air leaks. |
| Tank | Daily | Drain the tank daily at the end of use. DO NOT attempt to store air for prolonged periods of time. The electrical cost is minuscule compared to replace a rusted out or ruptured tank. DO NOT attempt to repair a damaged tank. |
| Anchors | Weekly | Ensure anchors are holding the unit securely and are not loose. |
| Anti-Vibration Pads | Weekly | Check for wear. Verify they are in place and not damaged or rotted. |
| Belt | Monthly | Verify belt tension. Replace if excessively loose or damaged. |
| Environment | Quarterly (four times per year) | Air temperature should not exceed recommended levels. Humidity where compressor is stored should not exceed 70%. Consider relocating compressor if these conditions cannot be met. |
| Wiring | Semi Annually (twice a year) | Have an electrician check connection from power supply and all subsequent connections on the unit. |
| Tank | Yearly | Inspect for rust or corrosion. DO NOT attempt to repair a damaged tank. |
| Entire Unit | Yearly | Lock unit out and detail clean. |
| Air Filter(s)* | See Comments | Air filters should be changed after the first 100-hour break in period and every 90 days after that. The frequency will increase in environments with air contaminants such as dust, paint, dirt, etc. |
| Oil* | See Comments | Oil should be changed after the first 100-hour break in period and every 90 days after that. This will increase in frequency depending on actual compressor use and hours unit is running. |
*Frequency of these changes are a generalization and may be subject to change based on compressor environment, hours, and application.
Oil Choice
It is strongly advised to use only Airbase Industries piston compressor oil. Check with your warranty/extended warranty guidelines to verify oil selection and use. Oil used in the compressor must fall under the following criteria: synthetic, SAE grade 30, non-detergent, piston compressor oil.
Oil Disposal
Compressor oil is not trash and MUST NOT be disposed of in regular trash or discarded into the environment.
You MUST dispose of waste oil from your unit per all applicable federal, state, and/or local codes. Failure to do so may damage the environment and subject yourself and/or your business to fines and legal issues.
TROUBLESHOOTING
Some unit issues can be fixed simply by verifying the following guide. It is advised to go through the guide prior to calling technical support to help expedite the assistance process.
| Issue | Action |
| Compressor does not run | Check unit power supply. Verify incoming voltage from power supply to unit. Check that breakers are functioning correctly. Verify wiring is connected correctly and not loose. |
| Compressor cycles frequently | Check for leaks in facility/shop air lines or air system. Check for stuck tools or machine leaks. Check pressure settings and PSI cycle settings on switch. |
| Compressor does not reach pressure | Check unit is not running in continuous run, check FEATURES section for more information. Check CFM consumption of machines to ensure they do not exceed compressor capability. Check tools for CONSTANT CFM rating, not average. Average ratings do not reflect consumption and are often 66% lower than actual CFM consumption Check for leaks in air lines or on unit. |
| Oil level low | Verify oil level while unit is off and cool. Top oil off and monitor oil level. If it drops again check for oil leaks and check correct oil is being used |
| Compressor is running loud | Ensure anchor bolts are in use and are snug. Check vibration pads for excess wear, replace as needed. Ensure unit is not hard lined to air system. Unit should be connected by flexible hose to air systems to prevent vibration noise. Check oil pressure if there is no oil pressure shut unit down and contact customer support. |
| Compressor will not shut off | Check incoming power location. If wired incorrectly power is going directly to motor and can cause tank damage. Shut unit down and verify wire diagram. If problem continues contact customer support. |
| Magnetic starter has kicked off | Verify duty cycle on unit. It should not exceed 60-40 run/rest cycle if it does consider upsizing unit and/or tank size. Thermal overloads are designed to protect the motor from overheating. Overusing unit can cause thermal overloads to trip. Allow the unit to cool, reset magnetic starter and continue use. If problem occurs again contact customer support. |
| Getting oil blow by | Verify pump has passed the break in time: 150-200 hours of active run time. For cases after break in period contact customer support as some blow by can occur during break in. |
MAINTENANCE LOG




CAUTION: If ambient temperature drops below 32˚F, be sure to protect safety/relief valves and drain valves from freezing. NEVER operate compressor with temperatures below 15˚F or above 125˚F.



Oil level should be to the center of the red circle in the sight glass. Oil level WILL SLIGHTLY LOWER once the unit turns on and oil begins to circulate.
Proper belt tension is determined by pressing midway between the motor pulley and the pump flywheel.















