Instruction manual
MTL fieldbus networks
September 2016
INM F860 rev 4
MTL F860
8 segment redundant fieldbus power system for use with Honeywell Experion “Series C” 4-link FIM


Declaration of Conformity
A printed version of the Declaration of Conformity has been provided separately within the original shipment of goods. However, you can find a copy of the latest version at http://www.mtl-inst.com/certificates

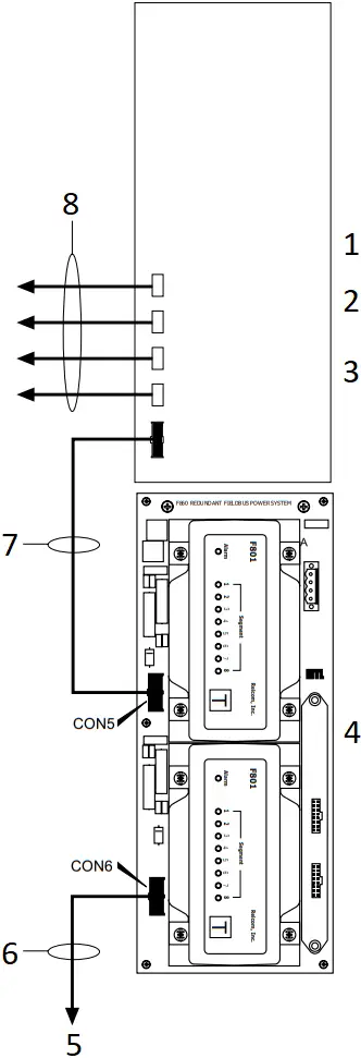
Fig.1 – F860 system showing carrier, F801 power modules and F809F diagnostics module
1 OVERVIEW
The F860 is designed to provide redundant power for eight FOUNDATION™ fieldbus H1 segments when used with Honeywell Experion “Series C” Fieldbus Interface Modules (FIMs). The module carrier complies with the mechanical and electrical requirements of 11.6 inch I/O Termination Assemblies (IOTAs), for direct fitting into Honeywell mounting channel. Power for the fieldbus segments is provided by two power modules – F801 or F802 – operating in a redundant configuration. Failure alarms, galvanic isolation, power conditioning and segment termination are incorporated into each F80x module. In simplex applications, a single F80x module may be used. Termination of the fieldbus segments is automatically maintained when single or redundant F80x modules are fitted.
2 DESCRIPTION
For extreme reliability, the F860 IOTA is passive and only provides interconnections between the power modules and the external connections.
The IOTA has two multi-pin connectors, each of which is connected to a FIM IOTA by means of a standard system cable. Different lengths are available, to accommodate mounting of the F860 and its respective FIM IOTAs in various locations within a Series C I/O cabinet. Field wiring is connected at the FIM IOTA.
Each F80x module provides galvanic isolation between the 24V DC input power and the fieldbus segments, as recommended by the IEC61158-2 fieldbus standard and the Fieldbus Foundation™ FF-831 validation test for power conditioners. There is galvanic isolation between the fieldbus segments, thereby preventing segment failure in the event of ground faults in the field wiring.
Each F80x module has indicator LEDs to show both its status and that of the eight segments under power. In normal operation, each green ‘Segment’ LED is lit, showing that the segment is powered. If a segment is shorted, this LED is extinguished, and the red ‘Alarm’ LED is lit.
An alarm is also triggered by faults inside the F80x modules, or by the loss of 24V DC power to either module. In an alarm condition affecting any of the 8 segments, both FIM IOTAs are alerted via dedicated signal lines in the interconnecting cables. Separate digital input modules are not needed to detect alarms.
A separate F809F physical layer diagnostics module may be installed onto the IOTA, to automatically collect and distribute additional diagnostic information on each of the eight fieldbus segments. Refer to the separate F809F data sheet for more information.
Power for the IOTA is taken via mounting screws from 24V DC busbars that are embedded in the Series C mounting channel. Alternatively, for installations in which the internal Series C power supplies are unable to provide sufficient current capacity, two independent external 24V DC supplies (for redundancy) may be connected to the IOTA via two-part pluggable connectors. Each F80x power module is protected by its own replaceable anti-surge fuse, to provide reliable bulk power.
3 COMPONENTS AND ACCESSORIES
Product part numbers and their descriptions are given below.
PART No DESCRIPTION
F860-CA IOTA – unpopulated
F801 8-segment power module
F802 8-segment power module
F809F FF diagnostic module
F800-BLK Blanking module
FCAB-05 IOTA power cable, 30cm
FCAB-06 IOTA power cable, 1m
FCAB-07 IOTA power cable, 2m
FCAB-08 IOTA power cable, 4m
F860 F860 system comprising two F801 modules and an F860-CA IOTA
F860-2 F860 system comprising two F802 modules and an F860-CA IOTA


Figure 4.1 – F860-CA IOTA showing power modules
4 MECHANICAL
The layout and dimensioning of the F860-CA IOTA is shown in Figure 2.
The IOTA is fixed to the channel with six M3 mounting screws (A), together with the two screws used to connect to the 24V DC and 0V busbars (B and C).
The total weight is approximately 3.2kgs with two F801 power modules fitted and 3.3kgs with F802s.
5 INSTALLATION
For all aspects of the F860-CA specification refer to its datasheet EPS F860.
5.1 Mounting
It is assumed for the purposes of these installation instructions that the mounting channel is already fitted in a cabinet or enclosure that provides a suitable environment for the FIMs and their associated equipment. Such an environment will be suitable for the F860-CA IOTA.
These mounting instructions may be followed regardless of whether the IOTA has modules fitted or not.
It is important to ensure however, that the mounting channel is positioned in a vertical orientation on a vertical surface. This is regarded as the optimum mounting orientation for the F860-CA IOTA and ensures that it will perform to specification within its specified operating temperature range.
5.1.1 Mounting the carrier
Mount the IOTA to the channel in the orientation shown in Figure 2. Only when it is in this orientation will it be able to pick up the power bus connections through screws B and C.
Position the IOTA, then secure it using the six fixing screws – marked A in Figure 2.
Note: The head of one of them is accessable only while the F809F is not in position on the IOTA.
5.2 Input power connections
There are two methods of obtaining the 24V DC input supply:
- from the I/O channel or
- from independent external sources – use two for redundancy
The connectors (CON9 & CON10) located at the top right of the IOTA are used to receive, or configure the source of, the IOTA’s incoming power.
Note: Attention should be paid to the in-rush current when sizing the source of DC power. See the specification in Section 8.
5.2.1 Incoming DC supply from mounting channel
Busbars located at the rear of the I/O mounting channel normally provide 24V DC power for the IOTAs fitted to it.
If this is the chosen method of obtaining the input supply, CON9 & CON10 should have wire links connected as shown in Figure 3A.

Powered from I/O Channel Powered from external 24V DC
Figure 3 – CON9 wiring to suit DC input source – configure CON10 in the same way
If CON9 & CON10 have been wired for this configuration, engage and tighten the screws – marked B (24V) and C (0V) in Figure 2 – to make the connections to the channel busbars.
5.2.2 Incoming DC supplies from external sources
If redundant external 24V DC sources are chosen to power the F860 then connect one incoming supply into CON9 as shown in Figure 3B and the other, using the same method, into CON10.
Note: The cables providing 24V power to the F860 should not exceed 30m in length, nor go outside the building.
5.3 Output power connections
There are two output power connectors on the F860-CA IOTA:
- CON5 providing power for segments 1 – 4 and
- CON6 providing power for segments 5 – 8.
CON5 provides power to the first four segments from both F80x power modules, assuming two are fitted. Similarly, CON6 provides power to the other four segments (5 – 8) from both F80x power modules. In this manner redundancy is provided for both groups of segments.
Choose the most suitable length of cable to make the connection from the F860-CA IOTA to the associated FIM – with reference to the parts list in Section 3 of this manual. Lengths of 30cm (~1ft), 1metre (~3ft 3in), 2metres (~6ft 6in) and 4m (~13ft) are available.
Plug-in one end of the cable to CON5, which is controlled with a keyway to prevent an incorrect connection, and the other end should be routed carefully to the FIM IOTA and the connector inserted there; again with due care for its orientation. Repeat this procedure for CON6 and the second FIM if required.
5.4 Mounting and removal of F80x power modules
The F80x power modules are secured to the carrier with four screw mountings.
Mount the F80x over its electrical connector on the carrier and hold it in place while tightening the four fixing screws.
To remove an F80x power module, support the module while unscrewing the four fixing at its base. Lift the module off the carrier connector.
5.5 Redundancy
In order to obtain redundant operation, F80x modules must be fitted in both the ‘A’ and ‘B’ locations.
If non-redundant operation is required, fit an F80x in location ‘A’ only. In this case, to prevent an alarm condition, caused by the absence of the second F80x, a blanking module (see Figure 4) should be fitted in its place at location ‘B’.

Figure 4: F800-BLK – Blanking Module (Alarm Jumper)
5.6 Terminator
Terminators are built in to the F80x modules and a single terminator is provided automatically on each segment regardless of whether one or two F80x Power Modules are in use.
5.7 Alarms
If the output voltage from an F80x power modules to one or more fieldbus segments should drop below 19V the ‘Alarm’ LED indicator on the module will light. The alarm condition is also communicated to the FIMs via the FCAB connecting cables.

Figure 5: Electrical block diagram of F860
- FIM
IOTA #1 - CC-TFB401
(Simplex) - CC-TFB411
(Redundant) - F860 power supply IOTA
- TO FIM IOTA #2
(Simplex or Redundant) - System cable FCAB-0x supplying Segments 5 – 8
- System cable FCAB-0x supplying Segments 1 – 4
- Segments 1 – 4
5.8 F809F Diagnostics Module
The F860-CA has provision for the mounting of an F809F Fieldbus Diagnostics Module, which will continuously monitor the performance of each of the eight fieldbus segments, providing information on the network health and capturing retransmissions between the fieldbus devices and control system.
The F809F is a Foundation fieldbus™ device, and communicates with the host control system via a fieldbus segment. This allows the network status and measured parameters to be displayed in the host control system using proprietary instrument management software.
See instruction manual INMF809F for full details of configuration and operation of this module.
5.8.1 Mounting F809F module
Position the module as shown in Figure 2 or 5 and press the module on to the IOTA connectors. Tighten the two mounting screws sufficiently to hold the module in position.
6 TESTING
6.1 F801 Status and Alarm LEDs
F80x power modules are fitted with nine LEDs, eight to indicate segment status and one to signify an Alarm condition.
7 MAINTENANCE
7.1 Routine maintenance
Check the general condition of the installation occasionally to make sure that no deterioration has occurred. At least every two years (and more frequently for particularly harsh environments) check:
- the condition of wire connection/terminations/screens.
- the dc output voltage on each of the four fieldbus segments is >21.5V. This can be performed using a multimeter or a Relcom FBT-3/FBT-6 fieldbus tester.
- that the segment LEDs on the F801 module(s) are functioning and the Alarm LED(s) is not lit.
- that the retaining screws are tight.
- that there are no signs of damage or corrosion.
7.2 Fuse replacement
Two anti-surge (slow-blow) fuses, FS1 & FS2, rated at 10A each, are incorporated on the IOTA to protect the system from short-circuit fault conditions. One fuse (FS1) supplies the F80x (A) module and the other (FS2) supplies the the F80x (B) module.
Should it be necessary to check or replace the cartridge fuse in either of the fuse holders, the appropriate incoming supply should be isolated before any further action is taken.
Insert a flat-bladed screwdriver in the slot on top of the fuse holder and rotate it counter-clockwise as far as the stop (approx. 45°). The fuse cartridge holder will pop out and may then be extracted.
If a fuse is found to have blown, it is important to clear the fault before replacing it with a new one.
8 SPECIFICATION SUMMARY
Location of equipment
Safe area
OUTPUT F801 F802
Number of channels Eight (8) Eight (8)
Voltage (DC) 21.5V – 24.0V 28.0V – 30.0V
Design current
(per segment) 0 to 350mA 0 to 500mA
Current limit > 370mA > 520mA
Minimum load 0mA 0mA
Isolation
Fieldbus to input power: 250V AC rms withstand
Segment to segment: 200V DC withstand
INPUT F801 F802
Input voltage (DC) 19.2 – 30.0V 19.2 – 30.0V
Current consumption
(all outputs fully loaded) 3.5A* 6.0A*
In-rush current 7A max.* 24A max.*
(all outputs fully loaded) (1ms) (10ms)
Power dissipation
(all outputs fully loaded) 20W* 24W*
* Redundant operation
ALARMS
Alarm contact rating
1A maximum @ 30V DC maximum
Alarm contact status
Normally closed
Alarm threshold F801 F802
Segment output <19V DC <24V DC
MECHANICAL
Mounting method
Standard Honeywell ‘Series C’ I/O mounting channel
Weights (approx.)
F801: 1.45kg
F802: 1.50kg
F860: 0.26kg
ELECTRICAL CONNECTIONS
Power input
Channel power via screws onto busbar or
External power input via pluggable cage-clamp screw terminals
FIM IOTAs
16-way multipin connectors using FCAB-0x cable (x2 required)
ENVIRONMENTAL
Ambient temperature F801 F802
Operating (full load) -40°C to +65°C -40°C to +50°C
Operating (60% load) -40°C to +65°C -40°C to +65°C
Storage -40°C to +85°C -40°C to +85°C
Note: This temperature range applies only when the IOTA is mounted vertically on a vertical surface.
Ingress protection
IP20 to BS EN60529 (Additional protection by means of enclosure)
ELECTRICAL
EMC Compliance
To EN61326:1998 Electrical equiment for measurement, control and laboratory use – EMC requirements
AUSTRALIA
MTL Instruments Pty Ltd,
10 Kent Road, Mascot, New South Wales, 2020, Australia
Tel: +61 1300 308 374 Fax: +61 1300 308 463
E-mail: [email protected]
BeNeLux
MTL Instruments BV
Ambacht 6, 5301 KW Zaltbommel
The Netherlands
Tel: +31 (0)418 570290 Fax: +31 (0)418 541044
E-mail: [email protected]
CHINA
Cooper Electric (Shanghai) Co. Ltd
955 Shengli Road, Heqing Industrial Park
Pudong New Area, Shanghai 201201
Tel: +86 21 2899 3817 Fax: +86 21 2899 3992
E-mail: [email protected]
FRANCE
MTL Instruments sarl,
7 rue des Rosiéristes, 69410 Champagne au Mont d’Or
France
Tel: +33 (0)4 37 46 16 53 Fax: +33 (0)4 37 46 17 20
E-mail: [email protected]
GERMANY
MTL Instruments GmbH,
Heinrich-Hertz-Str. 12, 50170 Kerpen, Germany
Tel: +49 (0)22 73 98 12 – 0 Fax: +49 (0)22 73 98 12 – 2 00
E-mail: [email protected]
INDIA
MTL India,
No.36, Nehru Street, Off Old Mahabalipuram Road
Sholinganallur, Chennai – 600 119, India
Tel: +91 (0) 44 24501660 /24501857 Fax: +91 (0) 44 24501463
E-mail: [email protected]
ITALY
MTL Italia srl,
Via San Bovio, 3, 20090 Segrate, Milano, Italy
Tel: +39 02 959501 Fax: +39 02 95950759
E-mail: [email protected]
JAPAN
Cooper Crouse-Hinds Japan KK,
MT Building 3F, 2-7-5 Shiba Daimon, Minato-ku,
Tokyo, Japan 105-0012
Tel: +81 (0)3 6430 3128 Fax: +81 (0)3 6430 3129
E-mail: [email protected]
NORWAY
Norex AS
Fekjan 7c, Postboks 147,
N-1378 Nesbru, Norway
Tel: +47 66 77 43 80 Fax: +47 66 84 55 33
E-mail: [email protected]
RUSSIA
Cooper Industries Russia LLC
Elektrozavodskaya Str 33
Building 4
Moscow 107076, Russia
Tel: +7 (495) 981 3770 Fax: +7 (495) 981 3771
E-mail: [email protected]
SINGAPORE
Cooper Crouse-Hinds Pte Ltd
No 2 Serangoon North Avenue 5, #06-01 Fu Yu Building
Singapore 554911
Tel: +65 6 645 9888 Fax: +65 6 487 7997
E-mail: [email protected]
SOUTH KOREA
Cooper Crouse-Hinds Korea
7F. Parkland Building 237-11 Nonhyun-dong Gangnam-gu,
Seoul 135-546, South Korea.
Tel: +82 6380 4805 Fax: +82 6380 4839
E-mail: [email protected]
UNITED ARAB EMIRATES
Cooper Industries/Eaton Corporation
Office 205/206, 2nd Floor SJ Towers, off. Old Airport Road,
Abu Dhabi, United Arab Emirates
Tel: +971 2 44 66 840 Fax: +971 2 44 66 841
E-mail: [email protected]
UNITED KINGDOM
Eaton Electric Ltd,
Great Marlings, Butterfield, Luton
Beds LU2 8DL
Tel: +44 (0)1582 723633 Fax: +44 (0)1582 422283
E-mail: [email protected]
AMERICAS
Cooper Crouse-Hinds MTL Inc.
3413 N. Sam Houston Parkway W.
Suite 200, Houston TX 77086, USA
Tel: +1 281-571-8065 Fax: +1 281-571-8069
E-mail: [email protected]

Eaton Electric Limited,
Great Marlings, Butterfield, Luton
Beds, LU2 8DL, UK.
Tel: + 44 (0)1582 723633 Fax: + 44 (0)1582 422283
E-mail: [email protected]
www.mtl-inst.com
© 2016 Eaton
All Rights Reserved
Publication No. INM F860 rev 4 200916
September 2016
EUROPE (EMEA):
+44 (0)1582 723633
[email protected]
THE AMERICAS:
+1 800 835 7075
[email protected]
ASIA-PACIFIC:
+65 6 645 9888
[email protected]
The given data is only intended as a product description and should not be regarded as a legal warranty of properties or guarantee. In the interest of further technical developments, we reserve the right to make design changes.



















