OPERATION AND INSTALLATION
Mini-Tank Electric Water Heaters
»SHC 2.5
»SHC 4
»SHC 6
![]() | Certified to ANSI / UL Std. 174 Conforms to CAN/ CSA Std. C22.2 No. 110 |
![]() | Tested and certified by WQA to NSF/ANSI/CAN 372 for lead-free compliance. |
OPERATION
IMPORTANT SAFETY INSTRUCTIONS
WARNING:
When using electrical appliances, basic safety precautions to reduce the risk of fire, electric shock, or injury to persons should be followed, including:
- READ ALL INSTRUCTIONS BEFORE USING THE WATER HEATER.
- This water heater must be grounded. Connect only to a properly grounded outlet. See the special grounding instructions in chapter 9, “Electrical Connection”, pg. 6.
- Install or locate this water heater only in accordance with the provided installation instructions.
- Use this water heater only for its intended use as described in this manual.
- Do not use an extension cord with this water heater. If no receptacle is available adjacent to the water heater, contact a qualified electrician to have one properly installed.
- As with any appliance, close supervision is necessary when used by children.
- Do not operate this water heater if it has a damaged cord or plug, if it is not working properly, or if it has been damaged or dropped.
- This water heater should be serviced only by qualified service personnel. Contact the nearest authorized service facility for examination, repair, or adjustment.
- Do not use multi-outlet adaptors (i.e. power strips) with this water heater.
SAVE THESE INSTRUCTIONS
General Information
CAUTION:
To reduce the risk of excessive pressures and temperatures in this water heater, install temperature and pressure protective equipment required by local codes and no less than a combination temperature and pressure relief valve certified by a nationally recognized testing laboratory that maintains periodic inspection of the production of listed equipment or materials, as meeting the requirements for relief valves and automatic gas shutoff devices for hot water supply systems, ANSI Z21.22. This valve must be marked with a maximum set pressure not to exceed the marked maximum working pressure of the water heater. Install the valve into an opening provided and marked for this purpose in the water heater, and orient it or provide tubing so that any discharge from the valve exits only within 6 inches above, or at any distance below, the structural floor, and does not contact any live electrical part. The discharge opening must not be blocked or reduced in size under any circumstances.
Read this entire manual. Failure to follow all the guides, instructions, and rules could cause personal injury or property damage. Improper installation, adjustment, alteration, service, and use of this unit can result in serious injury.
This unit must be installed by a licensed electrician and plumber. The installation must comply with all national, state, and local plumbing and electric codes. Proper installation is the responsibility of the installer. Failure to comply with the installation and operating instructions or improper use voids the warranty.
Save these instructions for future reference. The installer should leave these instructions with the consumer.
If you have any questions regarding the installation, use, or operation of this water heater, or if you need any additional installation manuals, please call our technical service line at 800-582-8423 (the USA and Canada only). If you are calling from outside the USA or Canada, please call 413-247-3380 and we will refer you to a qualified Stiebel Eltron service representative in your area.
- Do not locate the water heater where water lines could be subject to freezing temperatures.
- It is recommended to have a floor drain nearby to permit easy draining of the unit if necessary.
- Install the water heater so that in the event of a leak, the resulting flow of water will not cause damage to the area around the water heater. Under no condition is the manufacturer liable for any water damage in connection with this water heater.
- When installing the water heater, ensure that clearance around the unit is provided, for ease of maintenance and service.
This is the safety alert symbol.
It is used to alert you to potential personal injury hazards.
Obey all safety messages that follow this symbol to avoid possible injury or death.
Safety Precautions
PLEASE READ AND FOLLOW THESE INSTRUCTIONS: Failure to follow these instructions could result in serious bodily injury or death.
The unit must be installed by a licensed plumber. The installation must comply with all national, state, and local plumbing and electric codes. Service of the unit must be performed by a quality service agency.
Before proceeding with any installation, adjustment, alteration, or service of this unit the power cord should be unplugged. Failure to do so could result in serious personal injury or death. Never remove the unit‘s cover unless the electricity servicing the unit is turned off. Failure to do so could result in personal injury or death. Do not store or use gasoline or other flammable vapors or liquids in the vicinity of this or any other appliance.
DANGER: Water temperatures over 125 °F (52 °C) can cause severe burns instantly or death from scalding. A hot water scalding potential exists if the thermostat on the unit is set too high. Households with small children, disabled or elderly persons may require that the thermostat be set at 120 °F (49 °C) or lower to prevent possible injury from hot water.
WARNING: This water heater must be installed strictly in accordance with the instructions enclosed and local electric and building codes. It is also possible that connections to the water heater itself may develop leaks. It is therefore imperative that the water heater be installed so that any water is directed to an adequate drain in such a way that water damage to the building, furniture, carpeting or other property cannot occur.
Neither the manufacturer nor the distributor can be held responsible for damage caused by water from the water heater, temperature-pressure relief valve, or related fittings where an adequate provision to drain such water has not been provided.
CAUTION: Hydrogen gas can be produced in a hot water system served by this heater that has not been used for a long period of time (generally 2 weeks or more). Hydrogen gas is extremely flammable.
To reduce the risk of injury under these conditions, it is recommended that the hot water faucet be opened for several minutes at the kitchen sink before using any electrical appliance connected to the hot water system. When hydrogen is present, there will probably be an unusual sound such as air escaping through the pipe as the water begins to flow. There should be no smoking or open flame near the faucet at the time it is open. Monthly manual venting of the T&P valve will reduce this effect. See 11.2, “Venting the T&P relief valve”, pg. 7.
Register your product
NOTE:
You must register this product within 90 days of purchase on our website in order to activate any standard warranty or to be eligible for the extended warranty. Go to our website at:
www.stiebel-eltron-usa.com and click on “Register Your Product”.
Before beginning the registration process, we suggest that you gather the necessary information as follows:
Model, Example: SHC 2.5 (from the label that is on the top of the unit in the center)
The number listed after “Nr.”
Place of Purchase
Purchase Date
First & Last Name
Email address
Physical Address
Phone Number
If you have any questions concerning the registration process or warranty options, please contact Stiebel Eltron USA directly at (800)-582-8423.
General Description
These SHC water heaters can be used in most point-of-use applications. They are designed to supply hot water for hand wash and kitchen sinks in a residential, commercial or industrial environment. These water heaters can replace traditional hot water systems which consist of a central hot water heater with hot water piping going to several draw-off points. The SHC water heaters are lightweight and compact and manufactured for easy installation. The units are designed to be mounted on the wall. These units are designed to operate under normal street water pressure.
Technical Description
The pressure vessel of the water heater is welded glass-lined steel and is equipped with a sacrificial anode rod. The thermal insulation is made of polystyrene. The water heater is equipped with both a thermostat and a high limit temperature switch. A temperature/pressure relief valve is supplied with the unit.
General Recommendations
The installation must be carried out by licensed professionals. All state and local codes must be adhered to. The manufacturer will not be liable for any damages because of failure to comply with these installation instructions or because of improper installation performed by an unqualified installer.
NOTE: The T&P valve must be manually vented monthly. See 11.2, “Venting the T&P relief valve”, pg. 7.
NOTE: Choose a location that allows easy access for maintenance or servicing. The water heater should be installed with at least 8˝ (203 mm) of clearance on the top and sides of the unit.
INSTALLATION
Mounting the Unit
NOTICE: The unit must be installed in a vertical position with the water fittings pointing upward.
WARNING: Do not install a unit where it would routinely be splashed with water. Electric shock may result.
CAUTION: Hot water outlet pipes leaving the unit can be hot to the touch. Insulation must be used for hot water pipes below a height of 36˝ (.91 m) due to the burning risk to children.
NOTICE: This unit should not be installed in a location where it may be exposed to freezing temperatures (less than 36 °F (2 °C). If the unit may be subject to freezing temperatures, all water must be drained from the unit. Failure to comply with this instruction voids all warranties. The unit should be located in an area where water leakage from the unit or connections will not result in damage to the area adjacent to the unit. If such a location cannot be avoided it is recommended that a drain pan be installed under the unit.
- Drill two ¼˝ holes in the wall where the water heater will be mounted.
- Install plastic wall anchors.
- Fasten the wall mounting bracket to the wall.
- Hook the water heater to the mounting bracket.
- Pull downwards on the water heater to properly seat it on the bracket.
Plumbing Connections
IMPORTANT:
If water pipes are made of copper or bronze, use dielectric connections to prevent heater corrosion.
Failure to provide dielectric insulation may result in the premature tank or nipple failure and may void your warranty.
NOTICE: Hard water or water with a high mineral count may damage the unit. Damage to the unit caused by scale or a high mineral count is not covered under the warranty. CAUTION: To reduce the risk of excessive temperature and pressure in the water heater, a temperature/pressure (T&P) relief valve has been installed.
CAUTION: Always fill the unit’s tank with water before plugging the water heater’s cord into an electrical outlet. Failure to do so will result in permanent damage to the water heater.
NOTICE: When a water heater is installed in a closed water supply system, such as one having a back-flow preventer in the cold-water supply, means shall be provided to control thermal expansion. Contact the water supplier or local plumbing inspector for information regarding the control of this situation.
Connect the cold water pipe to the cold water connection on the unit (blue). Connect the hot water pipe to the hot water connection on the unit (red). Ensure that the water heater is installed in a level position. Install a shut-off on the cold water side of the water heater.
This is for emergency shut-off. It must be kept open when the water heater is operating. When using copper piping, solder a piece of tubing to a threaded fitting (union) before screwing the adapter to the tank.
BRAIDED FLEX HOSE CONNECTORS ARE ALSO RECOMMENDED. DO NOT APPLY HEAT DIRECTLY TO INLET OR OUTLET CONNECTIONS.
A certified T&P valve is mounted to the water heater by the manufacturer with the outlet oriented to the right.
If this position needs to be changed, leakage may occur, especially if it will be screwed counter-clockwise, and the T&P valve may need to be resealed. After all plumbing work has been completed, the T&P valve needs to be checked for proper tightness.
During heating, the water volume and water pressure increase in the tank. It is possible for water to leak from the safety valve, this is normal. It is recommended to install a check valve on the cold water inlet supply line to the unit so that air pockets can be purged through the T&P valve.
ELECTRICAL CONNECTION

- Temperature/Pressure relief valve
- Hot water outlet
- Cold water inlet
- Discharge pipe
Install a discharge pipe from the relief valve terminating at a sink or drain. Orient the tubing so that discharge will exit within 6˝ (152 mm) above or at any distance below the structural floor, and cannot contact any live electrical parts.
DO NOT CAP OR THREAD THE END OF THE DISCHARGE PIPE, IT MUST BE UNOBSTRUCTED AND FULL SIZE.
The T&P valve is certified by a nationally recognized test laboratory that maintains periodic inspection of the listed equipment and meets the requirements for relief valves and automatic shut-off devices for hot water supply systems ANSI Z21.22. The T&P valve is marked with a maximum pressure, which does not exceed the maximum working pressure of the water heater (150 PSI).
THE DISCHARGE PIPE
– Must not be smaller in size than the outlet pipe size of the valve, or have reducing couplings.
– Must not be plugged or blocked.
– Must be of material suitable for hot water.
– Must not be over 15´ (4.5 m) in length.
– Must not have more than two elbows.
– Must terminate at an adequate drain.
– Must not have a valve between the relief valve and the tank.
8.1 Filling the Water Heater
To fill the water heater:
- Open the hot water faucet.
- Open the cold water supply valve.
- When water runs out of the faucet, the tank is filled.
- Close the hot water faucet.
- Manually vent the T&P valve. See 11.2, “Venting the T&P relief valve”, pg. 7.
- Check the entire system for leaks.
Electrical Connection
CAUTION: Always fill the unit’s tank with water before plugging the water heater’s cord into an electrical outlet. Failure to do so will result in permanent damage to the water heater.
NOTICE: The water heater must be connected to a grounded outlet. This water heater was designed for use at 110 – 120 V.
Do not use this water heater with any other voltage. Failure to use the correct voltage may result in personal injury or property damage. The heater is supplied with an electrical cable with a plug. If the cable is damaged or the length is not sufficient, it must be replaced by a licensed electrician.
To be certain that all the air is out of the system, open the hot water faucet on your fixtures until constant water flows from them. Otherwise, damage to the device may occur. Connect the water heater to a GROUNDED OUTLET.
The unit is fitted with a power cord to connect the water heater to a receptacle. State and local codes must be adhered to. Install the correct breaker at the circuit breaker panel.
The water heater was manufactured and wired in accordance with the UL requirements. A temperature high limit with manual reset has been factory installed to interrupt the power supply in the event of a thermostat failure.
DO NOT use this water heater with any other voltage. Failure to use the correct voltage may result in personal injury or property damage.
Settings
The water heater is equipped with an adjustable thermostat that automatically controls the water temperature. The indicator lamp remains lit only when the water is being heated.
The temperature is adjusted by turning the knob counterclockwise (to the left) to increase the temperature and clockwise (to the right) to decrease the temperature. The water heater thermostat can be set to guard against freezing. This position keeps the internal temperature above the freezing point.
The piping outside of the water heater and the faucet are not protected against freezing.
MAINTENANCE INSTRUCTIONS
Freeze protection setting

Temperature setting
The water heater thermostat is factory set at 120 °F (49 °C).
Maintenance Instructions
WARNING: Before servicing or cleaning the water heater, disconnect the water heater from the electrical outlet. The temperature/pressure relief valve must be manually operated once per month. Caution should be taken to ensure that:
- No one is near the temperature/pressure relief valve discharge pipe.
- The water discharged will not cause any bodily injury or property damage. The water may be extremely hot.
Do not attempt to repair the water heater.
Call your licensed plumber or electrician for service. Unplug the unit whenever the water supply is turned off. Before calling for service, make sure that:
- The heater is properly filled.
- The electrical supply has not been interrupted.
11.1 Descaling the heating element
Approximately every two years, it is advisable to descale the heating element and to check the condition of the magnesium anode, replacing it if the diameter is less than 3/8˝ (10 mm). See 11.8, “Changing the anode rod”, pg. 8.
11.2 Venting the T&P relief valve
It is recommended to install a check valve on the cold water inlet supply line to the unit so that air pockets can be purged through the T&P valve. The temperature/pressure relief valve must be manually operated once per month. Caution should be taken to ensure that:
- No one is near the temperature/pressure relief valve discharge pipe.
- The water discharged will not cause any bodily injury or property damage. The water may be extremely hot.
11.2.1 T&P venting/testing procedure
- Before venting, make sure it is known how to shut off the water supply to the heater. It is not necessary initially but may become so if the T&P valve does not reseat properly when vented, which may cause water to leak.
- On the top of the T&P valve is a small handle that lifts a pin in the center of the valve. Lift the handle up so the valve opens, then release it so it closes. This will vent the T&P valve and at the same time test if it is functioning correctly.
- If the valve is stuck so that it does not open or does not close it should be replaced immediately.
- The T&P valve may take more than one attempt to reseat correctly. If this is the case, try re-opening the valve and quickly releasing it, allowing it to slap shut. This action does not damage the valve.
- If after repeated attempts the valve does not reseat properly and continues to leak water, it should be replaced. If the valve fails this test it was already malfunctioning and was not offering the protection needed.
- Immediately close the cold water inlet to the heater. Replace the malfunctioning T&P valve with a new one.
Failure to install and maintain a properly functioning and properly listed temperature/pressure relief valve will release the manufacturer and distributor of this water heater from any claim which might result from excessive temperature or pressure. Regular venting/testing may increase the life of the valve.
11.3 Draining the water heater
Some service work requires draining the water heater. This should be done in the following manner:
- Unplug the water heater.
- Open the hot water faucet to let the hot water out. Let it continue to flow until cold water runs from the faucet.
- Turn off the cold water supply to the heater.
- Close the hot water faucet
- Disconnect the heater from both the hot and cold water pipes.
- Carefully detach the water heater from the wall.
- Tilt the water heater to drain out the remaining water.
11.4 Removing the cover
- Remove the temperature control knob from the top of the unit.
- Remove the screws from the cover.
- Remove the cover by tilting the bottom side and lifting off the cover. The cover should come right off.

11.5 Removing the heating element
- Unplug and drain the water heater. See 11.3, “Draining the water heater”, pg. 7.
- Remove the cover. See 11.4, “Removing the cover”, pg. 7.
- Disconnect the line wires from the thermostat and the tank.
- Remove the thermostat from the heating element.
- Using a suitable wrench, unscrew the heating element.
- Remove the heating element from the tank.

11.6 De-scaling the heating element
Scale deposits can affect the heating capacity of the heating element. Scale can even cause the element to burn out. The element can be descaled either chemically or manually.
- Remove the heating element. See 11.5, “Removing the heating element”, pg. 8.
- To descale chemically, soak the heating element in white vinegar or other descaling solution, then rinse well.
- To descale manually, use a nonmetallic (soft) tool; brush the crust off the element. Make sure you do not damage the surface of the heating element.
- Reinstall the heating element.
- Refill the water heater with water and check for leaks before connecting the power.
11.7 Replacing the heating element
- Unplug and drain the water heater. See 11.3, “Draining the water heater”, pg. 7.
- Remove the cover. See 11.4, “Removing the cover”, pg. 7.
- Remove the heating element. See 11.5, “Removing the heating element”, pg. 8.
- Install and seal the new element. Make sure that the heating element is positioned correctly.

- Remount all the line wires to their original location.
- Refill the water heater with water and check for leaks before connecting the power.
11.8 Changing the anode rod
A magnesium anode is used to extend the life of the tank. Permanent removal of this anode for any reason will void the warranty. Depending on conditions, the magnesium anode rod may need to be changed approximately every two years. Galvanic and electrolytic corrosion can destroy a tank with a spent anode rod. Rusty water is usually an indicator of a spent anode rod.
- Unplug and drain the water heater. See 11.3, “Draining the water heater”, pg. 7.
- Remove the cover. See 11.4, “Removing the cover”, pg. 7.
- Remove the heating element. See 11.5, “Removing the heating element”, pg. 8.
- Secure the anode using pliers.
- Unscrew the nut and remove the anode rod through the opening of the heating element port.
TECHNICAL DATA
- Fit a new anode rod including the sealing gasket and supporting washer into the tank opening and secure it with the included washer and nut. Use a tightening torque of
1100 N•cm ±120 N•cm. - Refit all the wires and the heating element.
- Refill the water heater with water and check for leaks before connecting the power.
11.9 Safety Shut-off
WARNING:
Never lock the sliding reset plunger.
DANGER:
Water temperatures over 125°F (52°C) can cause severe burns instantly or death from scalding.
Do not attempt to reset the high limit switch without first cooling down the water inside the water heater.
11.9.1 Resetting the high-temperature shut-off system
- Unplug the water heater.
- Remove the cover. See 11.4, “Removing the cover”, pg. 7.
- Unplug the adapter (1) from the controller shaft.
- Press button (2) with an appropriate tool.
- Reassemble the adapter in the correct position.
- Reassemble the cover of the heater and tighten it.
- Reassemble the thermostat control knob.

- Adapter
- Button
Technical Data
| SHC 2.5 | SHC 4 | SHC 6 | |
| Item No. | 233219 | 234046 | 235089 |
| Voltage | 110-120 V | ||
| Wattage | 1300 W | ||
| Amperage | 11.3 A | ||
| Phase | Single, 1/N/PE | ||
| Frequency | 50/60 Hz | ||
| Type of installation | Under-sink | ||
| Internal tank material | Steel | ||
| Enclosure material | Plastic | ||
| Thermal insulation material | Polystyrene | ||
| Color | white | ||
| Nominal water volume | 2.65 gal / 10 I | 4 gal / 15 I | 6 gal / 22.7 I |
| Standby energy loss’ | 0.37 kWh/day | 0.39 kWh/day | 0.47 kWh/day |
| Recovery time | 18 minutes | 27 minutes | 45 minutes |
| Temperature setting range | 86-140 °F / 30-60 °C | ||
| Max. operating pressure | 150 psi / 1.0 MPa | ||
| Weight empty | 15.9 lbs / 7.2 kg | 19.8 lbs / 9.0 kg | 26.2 lbs / 11.9 kg |
| Weight full | 38.6 lbs 17.5 kg | 52.9 lbs / 24.0 kg | 76.3 lbs / 34.6 kg |
| Water connections | 1/2″ NPT | ||
¹ Measured at 131°F / 55°C set point temperature in 68°F / 20°C ambient air temperature.
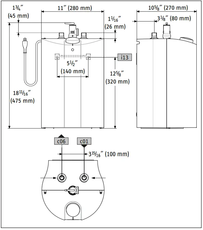
12.1 Dimensions, SHC 2.5

12.2 Dimensions, SHC 4

12.3 Dimensions, SHC 6

| Label | Description | Connection |
| c01 | Cold water inlet | ½˝ NPT male |
| c06 | Hot water outlet | ½˝ NPT male |
| i13 | Wall-mounting locations |
12.4 Wiring diagram

| 1 Heating element 2 Lamp indicator 3Cut-off | 4 Thermostat 5Tank 6Resistor |
Warranty
LIMITED WARRANTY
Subject to the terms and conditions set forth in this limited warranty, Stiebel Eltron, Inc. (the “Manufacturer”) hereby warrants to the original purchaser (the “Owner”) that each Mini-Tank Domestic Hot Water Heater (the “Heater”) shall not (i) leak due to defects in the Manufacturer’s materials or workmanship for a period of six (6) years from the date of purchase or (ii) fail due to defects in the Manufacturer’s materials or workmanship for a period of two (2) years from the date of purchase. As the Owner’s sole and exclusive remedy for breach of the above warranty, Manufacturer shall, at the Manufacturer’s discretion, send replacement parts for local repair; retrieve the unit for factory repair, or replace the defective Heater with a replacement unit with comparable operating features. The manufacturer’s maximum liability under all circumstances shall be limited to the Owner’s purchase price for the Heater.
This limited warranty shall be the exclusive warranty made by the manufacturer and is made in lieu of all other warranties, express or implied, whether written or oral, including, but not limited to warranties of merchantability and fi fitness for a particular purpose. The manufacturer shall not be liable for incidental, consequential, or contingent damages or expenses arising directly or indirectly from any defect in the Heater or the use of the Heater. The manufacturer shall not be liable for any water damage or other damage to property of Owner arising, directly or indirectly, from any defect in the Heater or the use of the Heater.
The manufacturer alone is authorized to make all warranties on the Manufacturer’s behalf and no statement, warranty, or guarantee made by any other party shall be binding on the Manufacturer.
The manufacturer shall not be liable for any damage whatsoever relating to or caused by:
- any misuse or neglect of the Heater, any accident to the Heater, any alteration of the Heater, or any other unintended use;
- acts of God and circumstances over which the Manufacturer has no control;
- installation of the Heater other than as directed by the Manufacturer and other than in accordance with applicable building codes;
- failure to maintain the Heater or to operate the Heater in accordance with the Manufacturer’s specifi cations;
- operation of the Heater under fluctuating or excessive water pressure or in the event the Heater is supplied with non-potable water, for any duration;
- improper installation and/or improper materials used by any installer and not relating to defects in parts or the workmanship of the Manufacturer;
- moving the Heater from its original place of installation;
- exposure to freezing conditions;
- water quality issues such as corrosive water, hard water, and water contaminated with pollutants or additives;
- not continuously supplying the unit with water aka “dry-fi ring”.
Should the Owner wish to return the Heater to the manufacturer for repair or replacement under this warranty, the Owner must first secure written authorization from the Manufacturer.
The owner shall demonstrate proof of purchase, including purchase date, and shall be responsible for all removal and transportation costs. If the Owner cannot demonstrate a purchase date this warranty shall be limited to the period beginning from the date of manufacture stamped on the Heater. The manufacturer reserves the right to deny warranty
coverage upon the Manufacturer’s examination of the Heater.
This warranty is restricted to the Owner and cannot be assigned.
Some States and Provinces do not allow the exclusion or limitation of certain warranties. In such cases, the limitations set forth herein may not apply to the Owner. In such cases, this warranty shall be limited to the shortest period and lowest damage amounts allowed by law. This warranty gives you specifi c legal rights and you may also have other rights which vary from State to State or Province to Province.
The owner shall be responsible for all labor and other charges incurred in the removal or repair of the Heater in the fi eld.
Please also note that the Heater must be installed in such a manner that if any leak does occur, the fl ow of water from any leak will not damage the area in which it is installed.
This Warranty is valid for the U.S.A. & Canada only. Warranties
United States of America
STIEBEL ELTRON, Inc.
17 West Street | West Hatfield, MA 01088
Tel. 413.247.3380 | Fax 413.247.3369
Toll-free 800.582.8423
[email protected]
www.stiebel-eltron-usa.com
Subject to errors and technical changes!
A 304662-44398-9745
References
eltron.at
ELTRON • IT-oplossingen op maat. Gespecialiseerd in facturatiesoftware
This domain has been registered for a customer by nicsell
eltron.co.uk
ELTRON
eltron.cz
Sachverständigenbüro ELTRON - Startseite
The domain name eltron.nl is available for rent
eltron.ru
Under konstruktion / Under construction
Tankless Water Heater | Renewable Energy | Stiebel Eltron USA
STIEBEL ELTRON | Technik zum Wohlfühlen
Warmtepompen - warwater - verwarming | STIEBEL ELTRON
STIEBEL ELTRON | Wärmepumpen-Spezialist
Home - Stiebel Eltron UK
STIEBEL ELTRON | Pompy ciepła | Wentylacja | Ogrzewacze wody i pomieszczeń
STIEBEL ELTRON | Tepelná čerpadla | větrání | vytápění | ohřev vody
STIEBEL ELTRON | Technik zum Wohlfühlen
STIEBEL ELTRON - Fabricant Allemand de pompes à chaleur
STIEBEL ELTRON - Főoldal
STIEBEL ELTRON
STIEBEL ELTRON | Официальный сайт | Интернет-магазин
STIEBEL ELTRON International
STIEBEL ELTRON | Ohrev vody, vykurovanie, vetranie, chladenie
stiebeleltronasia.com























