STIEBEL ELTRON MINI-E 2-1 Thermostatic Point-of-Use Electric Tankless Water Heater

GENERAL INFORMATION
- Ensure the appliance can be separated from the power supply by a circuit breaker that disconnects all poles.
- If the power cable is damaged, it must only be replaced by a qualified contractor and the repair must be authorized by Stiebel Eltron using the original spare part.
- Secure the appliance as described in the section “Installation”, pg. 8.
- Observe the maximum permissible pressure described in section 15.4, “Data table”, pg. 20.
- Drain the appliance as described in the section “Draining the appliance”, pg. 16.
The chapter “Operation” is intended for homeowners, heating contractors, plumbers and electricians. The chapter “Installation” is intended for heating contractors, plumbers, and electricians only.
Note:
Read these instructions carefully before using the appliance and retain them for future reference. Pass on the instructions to a new user if required.
Safety instructions
Structure of safety instructions
KEYWORD: Type of risk
Here, possible consequences are listed that may result from failure to observe the safety instructions. Steps to prevent the risk are listed.
Symbols, type of risk
- Injury
- Electrocution
- Burns or scalding
Keywords
DANGER
Failure to observe this information will result in serious injury or death.
WARNING
Failure to observe this information may result in serious injury or death.
CAUTION
Failure to observe this information may result in non-serious or minor injury.
Other symbols in this documentation
Note:
Notes are bordered by horizontal lines above and below the text. General information is identified by the symbol shown on the left.
Safety
Intended use
This appliance is intended for residential use. It can be used safely by untrained persons. The appliance can also be used in a non-residential environment, e.g. in a small business, as long as it is used in the same way.
This appliance is suitable for heating domestic hot water (DHW) or for heating preheated water. The appliance is designed for one hand-washing sink.
Note:
The Mini-E 6-2 is the only Mini-E model which is designed to supply hot water to one OR two hand-washing sinks. Plumbing any other Mini-E model to more than one hand-washing sink shall be deemed inappropriate.
Any other use beyond that described shall be deemed inappropriate. Observation of these instructions and of instructions for any acces-sories used is also part of the correct use of this appliance.
General safety instructions
DANGER: Scalding
During operation, the tap can reach temperatures in excess of 122 °F (50 °C). There is a risk of scalding at outlet temperatures in excess of 109 °F (43 °C).
DANGER: Electrocution
Any damaged power cables must be replaced by a qual-ified electrician. This prevents potential hazards due to improper installation.
Material losses:
Protect the appliance and the tap against freezing.
Material losses:
Only use the provided aerator(s). Prevent scale build-up at the tap outlets (See chapter 6, “Cleaning, care and maintenance”, pg. 7).
Register your product
You must register this product within 90 days of purchase on our web site in order to activate the standard warranty or to be eligible for the extended warranty. Go to our website at www.stiebel-eltron-usa.com and click on “Register Your Product.”
Before beginning the registration process, we suggest that you gather the necessary information which will be as follows:
Type, Example: Mini-E 6-2 (from the label that is on the unit)
- Number listed after “Nr.”
- Place of Purchase
- Purchase Date
- First & Last Name
- Email address
- Physical Address
- Phone Number
- Installation Date
If you have any questions concerning the registration process or warranty options, please contact Stiebel Eltron USA directly at 800.582.8423.
Appliance description
This thermostatically controlled tankless electric water heater main-tains a constant outlet temperature up to its output limit, regardless of the inlet temperature. This appliance has been factory-set to 100 °F (38 °C). Once this temperature has been reached, the main control board automat-ically maintains this temperature. The output is matched to the set temperature and prevents this temperature from being exceeded. The appliance heats the water directly at the draw-off point as soon as the tap is opened. Short pipe runs ensure that energy and water losses are minimal.
The DHW output temperature depends on the cold water tempera-ture, water heater capacity and the flow rate. The Advanced Direct Coil™ heating system is suitable for hard and soft water areas. This heating system has a low susceptibility to scale build-up. The heating system ensures quick and efficient hot water provided at the point-of-use. Your qualified contractor can adjust the maximum temperature setting (see 11.4, “Settings”, pg. 13). You must use the aerator provided with the appliance.
If you have questions regarding the way you plan to use this device, please call our technical service line at 800.582.8423 (USA and Cana-da). For service outside the U.S. and Canada, please call us at 413.247.3380. You can also e-mail us at [email protected] or fax us at 413.247.3369.
Adjustment
The appliance heating system switches on automatically as soon as you open the tap. The water is heated. The water temperature can be adjusted at the tap:
To increase the temperature
- Reduce the flow rate at the tap.
To reduce the temperature
- Open the tap further or add more cold water.
Following an interruption of the water supply
See 11.3, “Recommissioning”, pg. 13.
Cleaning, care and maintenance
- Never use abrasive or corrosive cleaning agents. A damp cloth is sufficient for cleaning the outside of the appliance.
- Check the taps/valves regularly. Lime-scale deposits can be removed using commercially available descaling agents.
- Have the electrical safety of the appliance periodically checked by an electrician.
- Regularly descale or replace the provided aerator(s) (See 8.2, “Optional accessories”, pg. 8).
Safety
Only a qualified contractor should carry out installation, commissioning, maintenance and repair of the appliance.
General safety instructions
We guarantee trouble-free function and operational reliability only if original accessories and spare parts intended for the appliance are used.
Material losses:
Observe the max. permissible inlet temperature. Higher temperatures may damage the appliance. You can limit the inlet temperature by means of a central thermostatic valve (See 8.2, “Optional accessories”, pg. 8).
Note:
Observe all applicable national, state & local regulations codes, and instructions.
Appliance description
Standard delivery
The following are delivered with the appliance:
- Filter screen in the cold water inlet
- Aerator(s)
- Power cable
Optional accessories
Mini-E TLC – Thermostatic mixing valve
For ASSE 1070-2004 compliance, use optional Mini-E TLC kit available from Stiebel Eltron. Visit www.stiebel-eltron-usa.com for more information.
Preparations
Flush the water line thoroughly.
Water installation
A safety valve is not required by Stiebel Eltron, but one may be required by local plumbing code. Check the codes before installation.
Installation
Installation site
Do not install in an area that can be exposed to temperatures below 41 °F (5 °C).
Ensure access to the opening screws on both sides of the cover so that they can be easily removed if service is necessary. The appliance is suitable for an under-sink or over-sink installation. It can be installed with water connections at the top or at the bottom.
DANGER: Electrocution
The adjustment screw for setting the temperature is live, and the IP25 protection is only given when the appliance back panel is fitted.
Installation configuration
Typical installation
- Tee
- Shut-off valve
- Aerator
Note:
Mount the appliance on the wall.
The wall must have a sufficient load-bearing capacity for the weight of the device.
- Undo the cover screws by two turns.
- Undo the snap fastener using a screwdriver.
- Remove the appliance cover with the heater towards the front.

Knockout for hard-wiring
- Using pliers, break out the knock-out for the power cable in the appliance cover. Correct the contours with a file if necessary.
- Use the appliance back panel as a drilling template.
- Secure the appliance back panel to the wall with suitable plugs and screws.

- Hook in the appliance cover
- Click the heater into place using the snap fastener.
- Secure the appliance cover with the cover fastening screws.
Faucet installation
Install the connections to the faucet. For this, also observe the faucet operating and installation instructions.
Material losses:
When making the connections, counter the torque on the appliance using a 14 mm wrench.
Connecting the power supply
DANGER: Electrocution
Carry out all electrical connection and installation work in accordance with national, state & local regulations.
DANGER: Electrocution
Ensure that the appliance is grounded. Ensure the appliance can be separated from the power supply by a circuit breaker that disconnects all poles.
DANGER: Electrocution
The appliances are delivered with a power cable to be connected to a permanent power supply. Ensure that the proper wire gauge is installed with the appliance in accordance with the minimum recommended wire size in section 15.4, “Data table”, pg. 20.
Material losses:
When making the connection to a standard wall socket, ensure that the socket is freely accessible to be easily disconnected in case of an issue.
Material losses:
Take note of the product label. The specified voltage must match the mains voltage.
Wiring
For 120 V units, the brown wire of the pigtail should be hooked up to L (Load/Live), the blue wire to N (Neutral), and the green/yellow wire to the ground GND. For 208/240 V units, the brown wire of the pigtail should be hooked up to L1, the blue wire to L2, and the green/yellow wire to the ground GND.
If the appliance is to be hardwired, connect the power cable as shown in the wiring diagram (see 15.2, “Wiring diagram”, pg. 18).
Commissioning
Initial start-up
- Before you activate the power supply, fill the appliance with water first to avoid dry firing the heating element.
- Check for leaks.
- Activate the power supply.
- Run the tap.
- Check the function of the appliance.
Appliance handover
Explain the appliance function to users and familiarize them with its operation.
- Make users aware of potential dangers, especially the risk of scalding.
- Hand over these instructions.
Recommissioning
Material losses:
Following an interruption of the water supply, recommis-sion the appliance by carrying out the following steps in order to prevent irreparable damage to the Advanced Direct Coil™ heating system.
- Deactivate the power supply.
- Follow the steps in section 11.1, “Initial start-up”, pg. 12.
Settings
You can alter the maximum temperature setting using the potentiometer on the interior of the appliance.
DANGER: Electrocution
The temperature may only be adjusted if the appliance is isolated from the power supply.
DANGER: Electrocution
The adjusting screw for setting the temperature is live when the power supply is active.
Setting the maximum temperature
Factory setting: 100 °F (38 °C)
Do not adjust the temperature unless the power supply has been deactivated/disconnected.
- Using a flat screwdriver, set the potentiometer to the maximum required temperature.
- Re-fit the appliance cover.
Shutting down
- Turn off the circuit breaker connected to the appliance.
- Drain the appliance (See , “Draining the appliance”, pg. 16).
Troubleshooting


LED indicators

- Illuminates red in case of a fault
- Illuminates yellow during heating operation or flashes yellow when demand is exceeding capacity
- Flashes green if the main control board is receiving power
Safety pressure cutout
DANGER: Electrocution
Do not attempt to reset the safety pressure cutout of this water heater unless power to the unit has been completely shut off at the circuit breakers.
Safety pressure cutout for Mini-E
If the safety pressure cutout is consistently tripping, there may be an issue with the hot water supply or the appliance. Contact your installation contractor to troubleshoot the appliance.
Maintenance
DANGER: Electrocution
Before any work on the appliance, disconnect the power supply.
Draining the appliance
DANGER: Scalding
Hot water may escape during the draining process.
If the appliance needs to be drained for maintenance or to protect the appliance when there is a risk of frost, proceed as follows: Close the shut-off valve in the cold water inlet line.
- Open the draw-off valve.
- Undo the water connections on the appliance.
Note:
The filter screen should be checked regularly for debris and scale, and cleaned or replaced if necessary. Always shut off power and water to the unit prior to removing the filter screen.
Cleaning the filter screen
You can clean the filter screen after removing the cold water supply connection.
Checking the ground conductor
Check the ground conductor on the appliance connection cable.
Appliance storage
Store the dismantled appliance in a room free from the risk of freezing, as water residues remaining inside the appliance can freeze and cause damage.
Specification
Dimensions and connections

This is a parallel thread for connection to a ⅜˝ O.D. flex connector or ⅜˝ compression fitting
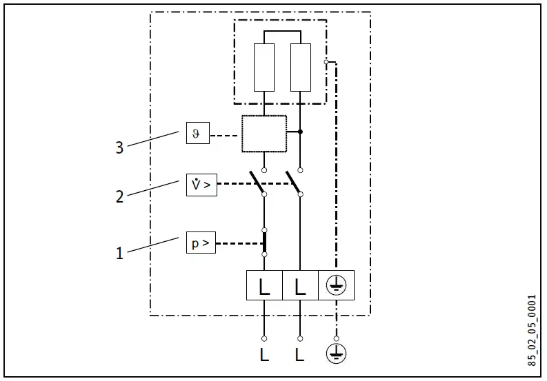
Wiring diagram
Mini-E 2-1, Mini-E 2.5-1, Mini-E 3-1 & Mini-E 3.5-1 ~110–120 V
- Safety pressure cutout
- Flow activation switch
- Main control board with outlet temperature sensor
Mini-E 4-2 and Mini-E 6-2 ~ 220–240 V
- Safety pressure cutout
- Flow activation switch
- Main control board with outlet temperature sensor
Material losses:
In an installation with a permanent power supply, connect the power cable according to the designations on the socket terminals.
Temperature rise table
| Unit | Heating Capacity | GPM 0.32 | 0.42 | 0.48 | 0.53 | 0.69 | 0.85 | 1.06 | 1.14 | l/min 1.2 | 1.6 | 1.8 | 2.0 | 2.6 | 3.2 | 4.0 | 4.3 |
| Mini-E 2.5-1 2.4 kW @ 110–120 V 51 39 34 30 24 19 15 14 | 28 22 19 17 13 11 8 8 |
| Mini-E 3-1 3.0 kW @ 110–120 V 64 49 43 38 30 24 19 18 | 36 27 24 21 17 13 11 10 |
| Mini-E 3.5-1 3.5 kW @ 110–120 V 75 57 50 45 35 28 22 21 | 42 32 28 25 19 16 12 12 |
| Mini-E 4-2 2.6 kW @ 208 V 55 42 37 33 25 20 16 15 | 31 23 21 18 14 11 9 8 |
| 3.5 kW @ 220–240 V 75 57 50 45 35 28 22 21 | 42 32 28 25 19 16 12 12 |
| Mini-E 6-2 4.3 kW @ 208 V – – 61 55 42 34 27 25 | – – 34 31 23 19 15 14 |
Mini-E 2-1 is internally restricted to 0.40 GPM (1.5 l/min)
Note:
The output of the heating element depends on the supplied voltage. Fluctuating or varying voltages may cause the appliance to deliver hot water at different values than the ones in the above table.
DATA TABLE
| Data table | ||||||
| Mini™-E 2-1 | Mini™-E 2.5-1 | Mini™-E 3-1 | Mini™-E 3.5-1 | Mini™-E 4-2 | Mini™-E 6-2 | |
| 236011 | 236135 | 236010 | 236136 | 236009 | 236008 | |
| Electrical data | ||||||
| Phase | 1 – 50/60 Hz | |||||
| Voltage1 | 110–120 V | 110–120 V | 110–120 V | 110–120 V | 220–240 V 208 V | 220–240 V 208 V |
| Wattage | 1.8 kW | 2.4 kW | 3.0 kW | 3.5 kW | 3.5 kW 2.6 kW | 5.7 kW 4.3 kW |
| Amperage draw | 15 A | 20 A | 25 A | 29 A | 15 A 13 A | 24 A 21 A |
| Min. recommended circuit breaker size2 | 15 A | 20 A | 25 A | 30 A | 15 A | 25 A |
| Min. recommended wire size3 (copper) | 14 AWG | 12 AWG | 10 AWG | 10 AWG | 14 AWG | 10 AWG |
| Connections | ||||||
| Water connection | ⅜˝ O.D. flex connector or ⅜˝ compression fitting | |||||
| Application limits | ||||||
| Max. permissible pressure | 150 psi (10 bar) | |||||
| Max. inlet temperature for reheating | 122 °F (50 °C) | |||||
| Temperature & Flow Values | ||||||
| Max. permissible inlet temperature | 140 °F (60 °C) | |||||
| Temperature setting range, DHW | 86–122 °F (30–50 °C) | |||||
| Minimum water flow to activate unit | 0.21 gpm (0.8 l/min) 0.3 gpm (1.15 l/min) 0.3 gpm (1.15 l/min) | 0.3 gpm (1.15 l/min) | 0.3 gpm (1.15 l/min) | 0.47 gpm (1.8 l/min) | ||
| Pressure drop at activation flow rate | 7.2 psi (0.5 bar) 7.2 psi (0.5 bar) 7.2 psi (0.5 bar) | 7.2 psi (0.5 bar) | 8.7 psi (0.6 bar) | 10.2 psi (0.7 bar) | ||
Mini-E 2-1 is internally restricted to 0.4 gpm (1.5 l/min).
- Nominal mains voltage is 110–120 V and 220–240 V.
- This is our recommendation for over-current protection sized at 100% of load. Check local codes for compliance if necessary. Tankless water heaters are considered a non-continuous load.
- AWG copper must be used. Conductors should be sized to maintain a voltage drop of less than 3% under load.
SPECIFICATION
| Mini™-E 2-1 | Mini™-E 2.5-1 | Mini™-E 3-1 | Mini™-E 3.5-1 | Mini™-E 4-2 | Mini™-E 6-2 | |
| Miscellaneous | ||||||
| IP rating | IP25 | |||||
| Insulating block | Plastic | |||||
| Heating element | Nichrome wire | |||||
| Color | White | |||||
| Included aerator(s) that must be installed | 0.35 gpm (1.3 l/min) | 0.5 gpm (1.9 l/min) | 0.5 gpm (1.9 l/min) | 0.5 gpm (1.9 l/min) | 0.5 gpm (1.9 l/min) | 2 x 0.5 gpm4 (1.9 l/min) 1 x 1.0 gpm (3.8 l/min) |
| Dimensions | ||||||
| Height | 6½˝ (165 mm) | |||||
| Width | 7½˝ (190 mm) | |||||
| Depth | 3¼˝ (82 mm) | |||||
| Weights | ||||||
| Weight | 3.3 lbs (1.5 kg) |
Spare parts list


Warranty
Subject to the terms and conditions set forth in this limited warranty, Stiebel Eltron, Inc. (the “Manufacturer”) hereby warrants to the original purchaser (the “Owner”) that each Tankless Electric Domestic Hot Water Heater (the “Heater”) shall not (i) leak due to defects in the Manufacturer’s materials or workmanship for a period of ten (10) years from the date of purchase or (ii) fail due to defects in the Manufacturer’s materials or workmanship for a period of three (3) years from the date of purchase. As the Owner’s sole and exclusive remedy for breach of the above warranty, the Manufacturer shall, at the Manufacturer’s discretion, send replacement parts for local repair; retrieve the unit for factory repair, or replace the defective Heater with a replacement unit with comparable operating features. The manufacturer’s maximum liability under all circumstances shall be limited to the Owner’s purchase price for the Heater.
This limited warranty shall be the exclusive warranty made by the Manufacturer and is made in lieu of all other warranties, express or implied, whether written or oral, including, but not limited to warranties of merchantability and fi fitness for a particular purpose. The manufacturer shall not be liable for incidental, consequential or contingent damages or expenses arising directly or indirectly from any defect in the Heater or the use of the Heater. The manufacturer shall not be liable for any water damage or other damage to the property of Owner arising, directly or indirectly, from any defect in the Heater or the use of the Heater. The manufacturer alone is authorized to make all warranties on the Manufacturer’s behalf and no statement, warranty or guarantee made by any other party shall be binding on the Manufacturer.
The manufacturer shall not be liable for any damage whatsoever relating to or caused by:
- any misuse or neglect of the Heater, any accident to the Heater, any alteration of the Heater, or any other unintended use;
- acts of God and circumstances over which the Manufacturer has no control;
- installation of the Heater other than as directed by the Manufacturer and other than in accordance with applicable building codes;
- failure to maintain the Heater or to operate the Heater in accordance with the Manufacturer’s specifi cations;
- operation of the Heater under fluctuating water pressure or in the event the Heater is supplied with non-potable water, for any duration;
- improper installation and/or improper materials used by any installer and not relating to defects in parts or workmanship of Manufacturer;
- moving the Heater from its original place of installation;
- exposure to freezing conditions;
- water quality issues such as corrosive water, hard water, and water contaminated with pollutants or additives;
Should the owner wish to return the Heater to the manufacturer for repair or replacement under this warranty, Owner must fi rst secure written authorization from the Manufacturer. The owner shall demonstrate proof of purchase, including purchase date, and shall be responsible for all removal and transportation costs. If the Owner cannot demonstrate a purchase date this warranty shall be limited to the period beginning from the date of manufacture stamped on the Heater. The manufacturer reserves the right to deny warranty coverage upon the Manufacturer’s examination of the Heater. This warranty is restricted to the Owner and cannot be assigned.
Some States and Provinces do not allow the exclusion or limitation of certain warranties. In such cases, the limitations set forth herein may not apply to the Owner. In such cases this warranty shall be limited to the shortest period and lowest damage amounts allowed by law. This warranty gives you specifi c legal rights and you may also have other rights which vary from State to State or Province to Province.
Owner shall be responsible for all labor and other charges incurred in the removal or repair of the Heater in the fi eld. Please also note that the Heater must be installed in such a manner that if any leak does occur, the fl ow of water from any leak will not damage the area in which it is installed.
This Warranty is valid for U.S.A. & Canada only. Warranties may vary by country. Please consult your local Stiebel Eltron Representative for the Warranty for your country.
Environment and recycling
Please help us to protect the environment by disposing of the packaging in accordance with the national regulations for waste processing.





















