STIEBEL ELTRON SHC 10 AU, SHC 15 AU Pressure Water Heaters

SPECIAL INFORMATION
- The appliance may be used by children aged 3 and older and persons with reduced physical, sensory or mental capabilities or a lack of experience and know-how, provided that they are supervised or they have been instructed on how to use the appliance safely and have understood the resulting risks. Children aged 3 to 8 years are only allowed to operate the tap connected to the appliance. Children must never play with the appliance. Children must never clean the appliance or perform user maintenance unless they are supervised.
- When permanently connected to the power sup-ply using a dedicated junction box, the appliance must be able to be isolated from the mains power supply by an isolator that disconnects all poles with at least 3 mm contact separation.
- The power cable may only be replaced (for example if damaged) by a qualified contractor authorised by the manufacturer, using an original spare part.
- Secure the appliance as described in chapter “Installation / Installation”.
- Observe the maximum permissible pressure (see chapter “Installation / Specification / Data table”).
- Install either a tempering valve or thermostatic mixing valve in all systems intended for personal hygiene.
- Drain the appliance as described in chapter “Installation / Maintenance / Draining the appliance”.
- The appliance is Pressurised. During the heat-up process, expansion water will drip from the safety valve.
OPERATION
General information
- Regularly activate the safety valve to prevent it from becoming blocked, e.g. by limescale deposits.
- Size the drain pipe so that water can drain off un-impeded when the safety valve is fully opened.
- Fit the drain pipe of the safety valve with a con-stant downward slope and in a room free from the risk of frost.
- The safety valve drain must remain open to the atmosphere.
The chapters “Special Information” and “Operation” are intended for both the user and qualified contractors.
The chapter “Installation” is intended for qualified contractors.
Note
Read these instructions carefully before using the appliance and retain them for future reference.
Pass on the instructions to a new user if required.
Safety instructions
Structure of safety instructions
KEYWORD Type of risk
Here, possible consequences are listed that may result from failure to observe the safety instructions.
Symbols, type of risk
Keywords
Other symbols in this documentation
Note
General information is identified by the adjacent symbol.
Read these texts carefully.
This symbol indicates that you have to do something. The ac-tion you need to take is described step by step.
Units of measurement
Note
All measurements are given in mm unless stated otherwise.
Safety
Intended use
This sealed unvented (pressurised) appliance is intended for heat-ing domestic hot water. The appliance can supply one or more draw-off points.
This appliance is intended for domestic use. It can be used safely by untrained persons. The appliance can also be used in a non-do-mestic environment, e.g. in a small business, as long as it is used in the same way.
Any other use beyond that described shall be deemed inappropriate. Observation of these instructions and of instructions for any accessories used is also part of the correct use of this appliance.
General safety instructions
DANGER
Failure to operate the relief valve easing gear at least once every six months may result in the water heater exploding.
Continuous leakage of water from the valve may indicate a problem with the water heater.
WARNING Burns
During operation, the tap and safety valve can reach temperatures in excess of 60 °C.
There is a risk of scalding at outlet temperatures in excess of 43 °C.
WARNING Burns
The water in the appliance can be heated to temperatures in excess of 60 °C.
- Install either a tempering valve or thermostatic mixing valve in all systems intended for personal hygiene. With this the delivery temperature for per-sonal hygiene outlets must be limited to 50 °C.
WARNING Injury
The appliance may be used by children aged 3 and older and persons with reduced physical, sensory or mental capabilities or a lack of experience and know-how, pro-vided that they are supervised or they have been in-structed on how to use the appliance safely and have understood the resulting risks. Children aged 3 to 8 years are only allowed to operate the tap connected to the appliance. Children must never play with the appliance. Children must never clean the appliance or perform user maintenance unless they are supervised.
WARNING
For continued safety of this appliance it must be in-stalled, operated and maintained in accordance with the manufacturer’s instructions.
WARNING
This appliance may deliver water at high temperature. Refer to the plumbing code of Australia (PCA), local requirements and installation instructions to determine if additional delivery temperature control is required.
Material losses
The user should protect the appliance, the water pipes, the safety valve and the tap against frost.
Material losses
If the drain pipe of the safety valve is sealed, expanding water can lead to water damage.
Test symbols
See type plate on the appliance.
Appliance description
The appliance constantly keeps the water content available at the preset temperature. The appliance switches on automatically as soon as its temperature falls below the set value.
Subject to season, varying cold water temperatures can result in different maximum mixed water and outlet volumes.
Note
The appliance is under mains water pressure. The water volume increases as the cylinder is being heated up. Dur-ing this process, expansion water drips through the safety valve. This is a necessary and normal process.
Cleaning, care and maintenance
- Never use abrasive or corrosive cleaning agents. A damp cloth is sufficient for cleaning the appliance.
- Check the taps regularly. Limescale deposits at the tap out-lets can be removed using commercially available descaling agents.
- Regularly activate the safety valve to prevent it from becoming blocked, e.g. by limescale deposits.
- Have the protective anode checked by a qualified contractor after the first 2 years of operation. The qualified contractor will then determine the intervals at which it must be checked thereafter.
Almost every type of water will deposit limescale at high temper-atures. This settles inside the appliance and affects both the per-formance and service life. The heating element should therefore be descaled if necessary. A qualified contractor who is aware of the local water quality will tell you when the next descaling is due.
Troubleshooting
If you cannot remedy the fault, notify your qualified contractor. To facilitate and speed up your enquiry, please provide the serial number from the type plate. (000000):
INSTALLATION
Safety
Only a qualified contractor should carry out installation, commissioning, maintenance and repair of the appliance.
General safety instructions
We guarantee trouble-free function and operational reliability only if original accessories and spare parts intended for the appliance are used.
Instructions, standards and regulations
Note
Observe all applicable national and regional regulations and instructions.
Note
The installation of this appliance shall conform to the Plumbing Code of Australia (PCA), and the New Zealand Building Code.
Appliance description
The sealed unvented (Pressurised) appliance is only suitable for under sink installation. The appliance is intended for heating cold water and to supply one or several draw-off points.
The appliance may only be installed with pressure taps and in conjunction with the safety valve supplied and a non-return valve in the cold water supply line (see chapter “Installation / Appliance description / Standard delivery”).
The safety valve supplied protects the appliance against unacceptable excess pressure. The maximum allowed opening pressure is 700 kPa.
If the water supply pressure exceeds 550 kPa, a pressure reducing valve set to a maximum of 550 kPa, and compliant with AS 1357.2 and installed in accordance with AS 3500.4.2 must be fitted in the installation.
The enamelled internal steel cylinder is equipped with a protective anode. The protective anode protects the inner cylinder against corrosion.
Standard delivery
The following are delivered with the appliance:
- Wall mounting bracket
- Safety valve G 1/2
- Reducer from R 3/4 male to G 1/2 female
Preparations
Water installation
The safety valve supplied and a non-return valve for the cold water supply line are essential.
Installation site
Material losses
- Install the appliance in a room free from the risk of frost.
- Mount the appliance on the wall. The wall must have a sufficient load-bearing capacity.
- The appliance is only suitable for undersink installation. The water connections of the appliance point upwards.
Note
Ensure that the appliance is freely accessible for maintenance work.
Always install the appliance vertically and near the draw-off point.
Installation
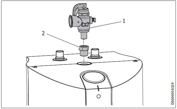
Safety valve installation
- Observe local regulations on expansion valves.
- Observe the safety valve installation instructions.
- Install a non-return valve in the cold water supply line of the appliance.
- Safety valve G 1/2
- Reducer from R 3/4 male to G 1/2 female

- Fit the safety valve together with the reducer at the top in the centre appliance port.
- Attach a drain line to the safety valve.
- Size the drain pipe so that water can drain off unimpeded when the safety valve is fully opened.
- F it the drain pipe of the safety valve with a constant down-ward slope and in a room free from the risk of frost.
- The safety valve drain must remain open to the atmosphere.
- Check the safety valve and all fittings for tightness.
Appliance installation
- Mark out the holes to be drilled on the wall (see chapter “Installation / Specification / Dimensions and connections”).
- Drill the holes and insert suitable raw plugs.
- Secure the wall mounting bracket using suitable screws.
- Hang the appliance on the wall mounting bracket.
Note
Surplus cable can be stored in the cable compartment.
Water connection
WARNING Burns
The water in the appliance can be heated to temperatures in excess of 60 °C.
- In Australia and New Zealand observe regulations in accordance with AS/NZS 3500.4.
- Install either a tempering valve or thermostatic mixing valve in all systems intended for personal hygiene. With this the delivery temperature for per-sonal hygiene outlets must be limited to 50 °C.
Material losses
Carry out all water connection and installation work in accordance with regulations.
Material losses
Never interchange the water connections. - Observe the maximum permissible pressure (see chapter “In-stallation / Specification / Data table”).
- Match up the colour coding on the water connections of the appliance to the tap connections:
- R.h. side blue = “Cold water inlet”
- L.h. side red = “DHW outlet”
- Secure the water connections from the tap to the appliance.
- Check the entire hydraulic installation for tightness.
Note
Ensure that the water connections are not kinked during installation. Prevent any tensioning during installation.
Power supply
WARNING ELECTROCUTION
Carry out all electrical connection and installation work in accordance with relevant regulations.
WARNING ELECTROCUTION
When permanently connected to the power supply using a dedicated junction box, the appliance must be able to be isolated from the mains power supply by an isolator that disconnects all poles with at least 3 mm contact separation.
WARNING ELECTROCUTION
Ensure that the appliance is earthed.
Material losses
The voltage specified on the type plate must match the mains voltage.
Observe the type plate.
Commissioning
WARNING ELECTROCUTION
Commissioning may only be carried out by a qualified contractor in accordance with safety regulations.
Initial start-up
- Either open the DHW valve of the tap or set the lever mixer tap to “hot” until the water that flows out is free of air bubbles.
- Insert the plug into the standard socket or set the fuse/MCB in the fuse box.
- Check the function of the appliance. Ensure that the temperature controller switches off.
- Check that the safety valve is working correctly.
- Check the entire hydraulic installation for tightness.

Note
If you fail to follow the correct sequence (first water, then power), the high limit safety cut-out of the water heater will trip.
Proceed as follows:
- Make the high limit safety cut-out operational by pressing the reset button (see chapter “Installation /Troubleshooting / Activating the high limit safety cut-out”).
Appliance handover
- Explain the functions of the appliance to the user. Show the user how to operate the appliance.
- Make the user aware of potential dangers, especially the risk of scalding.
- Hand over these instructions and, if applicable, the instructions for any accessories.
Recommissioning
See chapter “Installation / Commissioning / Initial start-up”.
Shutdown
- Isolate the appliance from the power supply by removing the plug or by tripping the MCB in the fuse box.
- Drain the appliance (see chapter “Installation / Maintenance /Draining the appliance”).
Troubleshooting
Activate high limit safety cut-out
- Open the appliance (see chapter “Installation / Maintenance /Opening the appliance”).
- Press the reset button on the high limit safety cut-out.
- Close the appliance cover.

Maintenance
WARNING ELECTROCUTION
Before any work on the appliance, disconnect all poles of the appliance from the power supply.
Dismantle the appliance for maintenance work.
Checking the safety valve
Check the function of the safety valve regularly.
Draining the appliance
WARNING Burns
Hot water may escape during the draining process.
Drain the appliance via its connectors.
Opening the appliance
- Remove the 4 screws from the casing.
- Open the appliance cover by pivoting the cover upwards and then removing it.
- Remove the upper insulation semi-shell if required.

Note
The appliance is factory-set to the maximum temperature.
Never change the factory-set temperature setting.
Removing the flanged immersion heater and temperature controller / high limit safety cut-out
- Flanged immersion heater
- Combined temperature controller / high limit safety cut-out

- Disconnect all wires from the combined temperature controller/high limit safety cut-out.
- Remove the combined temperature controller / high limit safety cut-out from the flanged immersion heater.
- Remove the flanged immersion heater.
Checking the protective anode and replacing if necessary
Checking the protective anode
- Check the protective anode for the first time 2 years after installation. This requires removal of the flanged immersion heater. Replace the protective anode if consumed.
- Decide the intervals in which further checks should be carried out.
Replacing the protective anode
- Hold the protective anode with pliers.

- Undo the nut.

- Remove the protective anode through the aperture in the flanged immersion heater.
- Insert a new protective anode with gasket and support ring into the tank aperture.
- Secure the protective anode with a contact washer and nut to a torque of 11±1.2 Nm.
Fitting the flanged immersion heater and temperature controller / high limit safety cut-out
- Insert the flanged immersion heater into the cylinder aperture well as far as it will go.
- Push the combined temperature controller / high limit safety cut-out into the flanged immersion heater as far as it will go.
- Align the flanged immersion heater and the combined temperature controller / high limit safety cut-out in accordance with the diagram.
- Turn the shaft of the temperature controller anti-clockwise as far as it will go.
- Reconnect all wires in their original positions on the combined temperature controller/high limit safety cut-out.

Descaling the appliance
Material losses
Never treat the protective anode with descaling agents.
- Remove the flanged immersion heater.
- Carefully tap the heating element to remove coarse limescale deposits.
- Immerse the heating element up to the flange plate in descaling agent.
Replacing the power cable
The power cable must only be replaced by a qualified contractor with an original spare part.
Checking the earth conductor
- Check the earth conductor across a water connector and the earth conductor contact of the power cable.
Specification
Dimensions and connections


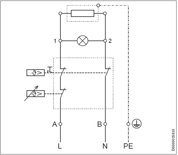
Wiring diagram
1/N/PE ~ 220-240 V
Heat-up diagram
The heat-up period depends on the degree of scaling and residual heat. For the heat-up time for a cold water supply at 10 °C and a maximum temperature setting, see the diagram.
- x Temperature in °C
- y Duration in min
- 1 15 l appliance
- 2 10 l appliance

Country-specific approvals and certifications
The test symbols can be seen on the type plate.
Extreme operating and fault conditions
In the case of faults, a peak temperature of up to 99 °C may briefly occur in the system.
Data table
| SHC 10 AU | SHC 15 AU | ||||||
| 235002 | 235001 | ||||||
| Hydraulic data | |||||||
| Nominal capacity | l | 10 | 15 | ||||
| Mixed water volume at 40 °C (IEC 60379) | l | 15.3 | 23 | ||||
| Electrical data | |||||||
| Rated voltage | V | 220 | 230 | 240 | 220 | 230 | 240 |
| Rated output | kW | 1.4 | 1.5 | 1.6 | 1.4 | 1.5 | 1.6 |
| Rated current | A | 6.2 | 6.5 | 6.8 | 6.2 | 6.5 | 6.8 |
| MCB/fuse rating | A | 10 | 10 | 10 | 10 | 10 | 10 |
| Phases | 1/N/PE | 1/N/PE | |||||
| Frequency | Hz | 50/60 | 50/60 | ||||
| Application limits | |||||||
| Max. permissible pressure | MPa | 0.7 | 0.7 | ||||
| Min. water inlet pressure | MPa | 0.1 | 0.1 | ||||
| Max. water inlet pressure | MPa | 0.6 | 0.6 | ||||
| Max. flow rate | l/min | 10 | 10 | ||||
| Energy data | |||||||
| Standby energy consumption/24 h at 65 °C | kWh | 0.5 | 0.53 | ||||
| Versions | |||||||
| IP rating | IP24 D | IP24 D | |||||
| Type of installation | Undersink | Undersink | |||||
| Type | Pressurised | Pressurised | |||||
| Internal cylinder material | Steel, enamelled | Steel, enamelled | |||||
| Thermal insulation material | Polystyrene | Polystyrene | |||||
| Casing material | Plastic | Plastic | |||||
| Colour | White | White | |||||
| Dimensions | |||||||
| Depth | mm | 270 | 318 | ||||
| Height | mm | 498 | 523 | ||||
| Width | mm | 280 | 320 | ||||
| Weights | |||||||
| Weight | kg | 7.2 | 9.0 | ||||
Guarantee
The guarantee conditions of our German companies do not apply to appliances acquired outside of Germany. In countries where our subsidiaries sell our products a guarantee can only be issued by those subsidiaries. Such guarantee is only grant-ed if the subsidiary has issued its own terms of guarantee. No other guarantee will be granted.
We shall not provide any guarantee for appliances acquired in countries where we have no subsidiary to sell our products. This will not affect warranties issued by any importers.
Environment and recycling
We would ask you to help protect the environment. After use, dispose of the various materials in accordance with national regulations.
Stiebel Eltron Warranty for Water Heaters – Models SHC 10 AU and SHC 15 AU
Who gives the warranty
- The warranty is given by Stiebel Eltron (Aust) Pty Ltd (A.B.N. 82 066 271 083) of 294 Salmon Street, Port Melbourne, Victoria, 3207 (“we”, “us” or “our”).
The warranty - This warranty applies to Stiebel Eltron Water Heaters –Models SHC 10 AU and SHC 15 AU (the “unit”) manufactured after 1 June 2013.
- Subject to the warranty exclusions we will repair or re-place, at our absolute discretion, a faulty component in your unit free of charge if it fails to operate in accordance with its specifications during the warranty period.
- If we repair or replace a faulty component to your unit under this warranty, the warranty period is not extended from the time of the repair or replacement.
- The warranty period commences on the date of completion of the installation of the unit. Where the date of completion of installation is not known, then the warranty period will commence 2 months after the date of manufacture.
- The warranty period for a unit used for domestic purposes is shown in the table below. Domestic purposes means that the unit is used in a domestic dwelling.
- The warranty period for a unit used for commercial purposes is shown in the table below. Commercial purposes means that the unit is used for a non-domestic purpose and includes but not limited to being used in a motel, hotel, mining camp or nursing home.
Your entitlement to make a warranty claim - You are entitled to make a warranty claim if:
- you own the unit or if you have the owner’s consent to represent the owner of the unit;
- you contact us within a reasonable time of discovering the problem with the unit;
How you make a warranty claim
- To make a warranty claim you must provide us with the following information:
- The model number of the unit;
- A description of the problem with the unit;
- The name, address and contact details (such as phone number and e-mail address) of the owner;
- The address where the unit is installed and the location (e.g. in laundry);
- The serial number of the unit;
- The date of purchase of the unit and the name of the seller of the unit;
- The date of installation of the unit;
- A copy of the certificate of compliance when the unit was installed.
- The contact details for you to make your warranty claim are:
Name: Stiebel Eltron (Aust) Pty Ltd Address: 294 Salmon Street, Port Melbourne, Victoria, 3207 Telephone: 1800 153 351 (8.00 am to 5.00 pm AEST Monday to Friday) Contact person: Customer Service Representative E-mail: [email protected] - We will arrange a suitable time with you to inspect and test the unit.
Warranty exclusions - We may reject your warranty claim if:
- The unit was not installed by registered and qualified tradespeople.
- The unit was not installed and commissioned:
- in Australia;
- in accordance with the Operating and Installation Guide; and
- in accordance with the relevant statutory and local requirements of the State or Territory in which the unit is installed.
- The unit has not been operated or maintained in accordance with the Operating and Installation Guide.
- The unit does not bear its original Serial Number or Rating Label.
- The unit was damaged by any or any combination of the following:
- normal fair wear and tear;
- connection to an incorrect water supply;
- connection to water from a bore, dam or swimming pool;
- connection to an incorrect power supply;
- connection to faulty equipment, such as damaged valves;
- foreign matter in the water supply, such as sludge or sediment;
- corrosive elements in the water supply;
- accidental damage;
- act of God, including damage by flood, storm, fire, lightning strike and the like;
- excessive water pressure, negative water pressure (par-tial vacuum) or water pressure pulsation;
- ingress of vermin.
- The unit was damaged before it was installed e.g. it was damaged in transit.
- An unauthorized person has modified, serviced, repaired or attempted to repair the unit without our consent.
- Non genuine parts other than those manufactured or approved by us have been used on the unit.
- We may charge you:
- for any additional transport costs if the unit is installed more than 30 kilometers from our closest authorised service technician.
- for the extra time it takes our authorised service technician to access the unit for inspection and testing if it is not sited in accordance with the Operating and Installation Guide and not readily accessible for inspection.
- for any extra costs of our authorised service technician to make the unit safe for inspection.
- You must ensure that access to the unit by our authorised service technician is safe and free from obstruction.
- Our authorised service technician may refuse to inspect and test the unit until you provide safe and free access to it, at your cost.
- If we reject your warranty claim in accordance with clause 12, we may charge you for our authorised service technician’s labour costs to inspect and test the unit.
- ٰ In order to properly test the unit we may remove it to an-other location for testing.
Australian Consumer Law - Our goods come with guarantees that cannot be excluded under the Australian Consumer Law. You are entitled to a replacement or refund for a major failure and compensation for any other reasonably foreseeable loss or damage. You are also entitled to have the goods repaired or re-placed if the goods fail to be of acceptable quality and the failure does not amount to a major failure.
- The Stiebel Eltron warranty for the unit is in addition to any rights and remedies you may have under the Australian Consumer Law.



























