OPERATION AND INSTALLATION
Immersion heater
» BGC » BGC/45
» BGC 2 » BGC 2/60
OPERATION
General information
The chapter “Operation” is intended for appliance users and qualified contractors.
The chapter “Installation” is intended for qualified contractors.
Note
Read these instructions carefully before using the appliance and retain them for future reference.
Pass on the instructions to a new user if required.
1.1 Safety instructions
1.1.1 Structure of safety instructions
KEYWORD Type of risk Here, possible consequences are listed that may result from failure to observe the safety instructions.
ff Steps to prevent the risk are listed.
1.1.2 Symbols, type of risk
| Symbol | Type of risk |
| Injury | |
| Electrocution | |
| Burns (burns, scalding) |
1.1.3 Keywords
| KEYWORD | Meaning |
| DANGER | Failure to observe this information will result in serious injury or death. |
| WARNING | Failure to observe this information may result in serious injury or death. |
| CAUTION | Failure to observe this information may result in nonserious or minor injury. |
1.2 Other symbols in this documentation
Note
General information is identified by the symbol shown on the left.
- Read these texts carefully.
| Symbol | Meaning |
| Material losses (Appliance and consequential losses, environmental pollution) | |
| Appliance disposal |
- This symbol indicates that you have to do something. The action you need to take is described step by step.
1.3 Units of measurement
Note
All measurements are given in mm unless stated otherwise.
SAfETY
2.1 Intended use
The appliance is intended for installation in cylinders in sealed heating or DHW heating system.
This appliance is designed for domestic use. It can be used safely by untrained persons. The appliance can also be used in a non-domestic environment, e.g. in a small business, as long as it is used in the same way.
Any other use beyond that described shall be deemed inappropriate. Observation of these instructions is also part of the correct use of this appliance. Any modifications or conversions to the appliance void all warranty rights.
It is also incorrect to use the appliance to heat liquids other than water, or water containing chemicals such as brine.
2.2 General safety instructions
WARNUNG Electrocution Never spray the appliance with water or other liquids
WARNUNG Burns Bei Temperatur-Einstellung größer 43 °C kann sofort Wasser hoher Temperatur fließen. !
WARNING Injury The appliance may be used by children aged 8 and up and persons with reduced physical, sensory or mental capabilities or a lack of experience provided that they are supervised or they have been instructed on how to use the appliance safely and have understood the resulting risks. Children must never play with the appliance. Children must never clean the appliance or perform user maintenance unless they are supervised.
Note While the threaded immersion heater is in use, the cylinder is under mains water pressure.
During the heating process, expansion water will drip from the safety valve. If water continues to drip when heating is completed, please inform your heating contractor.
2.3 Test symbols
See the type plate on the appliance.
Equipment description
The appliance heats DHW electrically. You can adjust the temperature using the temperature selector. Once the selected temperature has been reached, the appliance switches off and restarts automatically when required.
Settings
The temperature is infinitely adjustable. Temperature selection is limited at the factory and can be adjusted by the heating contractor (see chapter “Installation / Settings”).
You can interrupt the healing process by setting the temperature selector to “cold” (see figure).
Cleaning, care, and maintenance
- If the appliance is installed in a DHW heating system, please note that almost every type of water deposits limescale at high temperatures. Limescale builds up on the heating element in particular and has to be removed occasionally by the heating contractor.
- Always take the increased anode wear into consideration when using the threaded immersion heater in cylinders with protective magnesium anodes. Protective anodes and heating elements should be checked after approx. one year.
- Regularly activate the safety valve to prevent it from becoming blocked e.g. by limescale deposits.
Troubleshooting
| fault | Cause | Remedy |
| The water does not heat up. | There is no power. | Check the fuse/MCB in your fuse box/distribution panel. |
| The temperature is incorrectly adjusted. | Check the temperature selection. |
If you cannot remedy the fault, notify your heating contractor. To facilitate and speed up your inquiry, please provide the serial number from the type plate (no. 000000-0000-000000):

INSTALLATION
Safety
7.1 General safety instructions
We guarantee trouble-free operation and operational reliability only if the original accessories and spare parts intended for the appliance are used.
7.2 Instructions, standards, and regulations
Note
Installation from below is not permissible for safety reasons.
7.3 Water connection and safety assembly
Note
Carry out all water connection and installation work in accordance with regulations.
The cylinder must be connected with a water inlet and outlet pipes made from metal. Other metal parts of the cylinder that can be touched and that are in contact with water must be permanently and reliably connected with the earth conductor.
The max. permissible pressure must not be exceeded (see chapter “Specification / Data table” and cylinder specification).
- Install a type-tested safety valve in the cold water supply line. For this bear in mind that, depending on the static pressure, you may also need a pressure-reducing valve.
- Size the drain so that water can drain off unimpeded when the safety valve is fully opened.
- Fit the discharge pipe of the safety valve with a constant downward slope and in a room free from the risk of frost.
- The safety valve discharge aperture must remain open to the atmosphere.
Equipment description
8.1 Standard delivery
Delivered with the appliance are:
- Extension, G 1½, 45 mm (BGC/45 | BGC 2/60)
- Wiring diagram label
8.2 Required accessories
Depending on the static pressure, safety assemblies and pressure-reducing valves are available. These type-tested safety assemblies protect the appliance against unacceptable excess pressure.
Mounting
Note
Installation from below is not permissible for safety reasons.

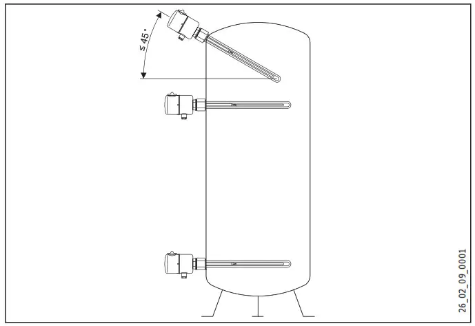
- Observe the permissible installation position in the cylinder (see figure).
- Always install the threaded immersion heater with heating elements and a protective pipe arranged in parallel. Realign the components where necessary.
- During installation, ensure that the temperature selector is at the top.
- Screw on the appliance up to at least half of the thread. The threaded immersion heater is sealed by means of a seal ring.
BGC | BGC/45

BGC 2 | BGC 2/60

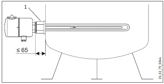
- Extension (BGC/45 | BGC 2/60)
• If you install the appliance in a cylinder with thermal insulation, use a threaded immersion heater with an extension. You can also use the extension to reduce the immersion depth (see chapter “Specification / Data table”). The maximum clearance between the threaded immersion heater and cylinder (see diagram) must not be exceeded.
Connecting the power supply
WARNUNG Electrocution
Carry out all electrical connection and installation work in accordance with relevant regulations.
WARNUNG Electrocution
Make the power supply only a permanent connection.
The appliance must be able to be separated from the main power supply by an isolator that disconnects all poles with at least 3 mm contact separation.
Geräte- und Umweltschäden
Observe the type plate. The specified voltage must match the mains voltage.
Hinweis
Ensure that the appliance is earthed.
- Pull off the temperature selector.
- Undo the screws.
- Remove the cap.

- Prepare the power cable, ensuring that the earth conductor is longer than the other conductors.
- Feed the power cable through the cable entry into the control panel.
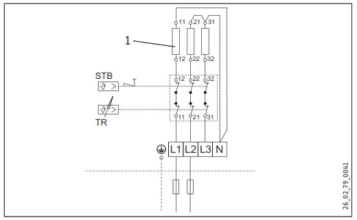
- Connect the required load in accordance with the connection examples (see chapter “Specification / Wiring diagrams and connections”).
- Tick the selected connected load and voltage on the type plate. Please use a ballpoint pen to do this.
- Affix the relevant wiring diagram label if required over the wiring diagram in the cap.
Completing the installation process
- Replace the cap and secure it with screws.
- Replace the temperature selector.
Commissioning
Material losses
Boiling dry destroys the high limit safety cut-out and the controller-limiter combination must then be replaced.
Material losses
If a heat exchanger is installed in the same cylinder, you must limit the maximum temperature for this heat exchanger. This prevents the high limit safety cut-out of the threaded immersion heater from responding.
- Fill the system with water.
- Turn the temperature selector to maximum temperature.
- Switch the mains’ power ON.
- Check the function of the appliance.
- Check the function of the safety assembly.
10.1 Appliance handover
- Explain the appliance function to users and familiarise them with its operation.
- Make users aware of potential dangers, especially the risk of scalding.
- Hand over these instructions.
Settings
Adjusting the temperature selection limitation
You can adjust the temperature selection limitation beneath the temperature selector. At the factory, the appliance is limited to 60 °C.
- Isolate the appliance from the power supply.
- Set the temperature selector to “cold”.
- Pull off the temperature selector.

- Limiter disc
- Without a limiter disc, a maximum of 80 °C
• You can set the limit to 45 °C / 60 °C by rotating the limiter disc. By removing the limiter disc, the maximum temperature can be set.
• Replace the temperature selector.
Troubleshooting
Note
The high limit safety cut-out can respond at temperatures below –15 °C. The appliance may be subjected to these temperatures during storage or transport.
| fault | Cause | Remedy |
| The water does not heat up. | The high limit safety cut-out has responded because the controller is faulty. | Remedy the cause of the fault. Replace the controller-limiter combination. |
| The high limit safety cut-out has responded because the temperature has dropped below -15 °C. | Press the reset button. | |
| The high limit safety cutout has responded because the heat exchanger in the same cylinder is set too high. | Limit the maximum temperature of the heat exchanger. | |
| The flanged immersion of the heater is faulty. | Replace the flanged immersion heater. | |
| The safety valve drips when the heating is switched off. | The valve seat is contaminated. | Clean the valve seat. |

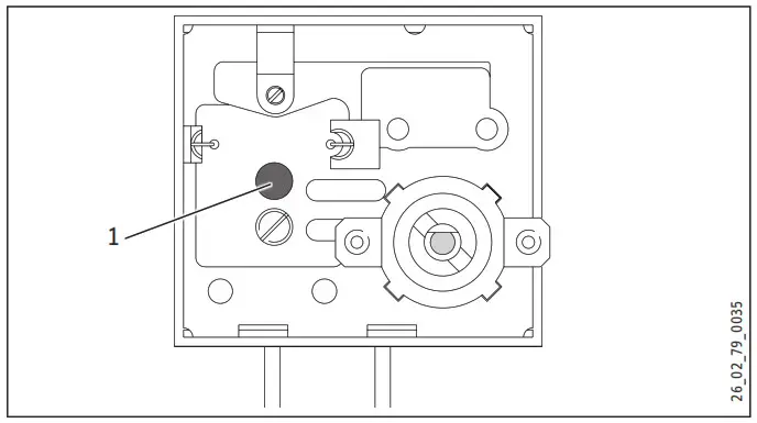
- High limit safety cut-out reset button
Maintenance
WARNUNG Electrocution Before any work on the appliance, disconnect all poles from the power supply.
Checking the safety assembly
- Regularly check the safety assembly.
Descaling heating elements
- Descale the heating elements only after they have been removed.
Specification
14.1 Dimensions and connections
BGC
BGC 2
BGC/45
BGC 2/60
Entry electrical cables
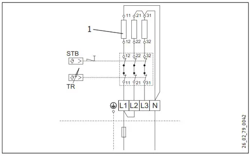
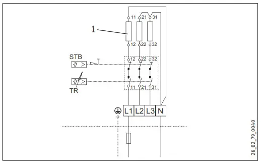
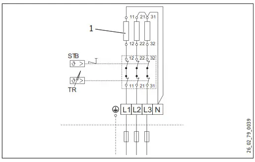
14.2 Wiring diagrams and connections
The appliance is wired as follows at the factory.
6 kW, 3/PE ~ 400 V
If you select another load, observe the following wiring diagrams.
2 kW, 1/N/PE ~ 230 V
3 kW, 2/PE ~ 400 V
4 kW, 1/N/PE ~ 230 V
5.7 kW, 1/N/PE ~ 230 V
- Heating element 1.9 kW
14.3 Data table
| BGC | BGC/45 | BGC 2 | BGC 2/60 | ||
| 003769 | 75115 | 232029 | 232030 | ||
| Electrical details | |||||
| Connected load with – 230 V | kW | 2-5.7 | 2-5.7 | 2-5.7 | 2-5.7 |
| Connected load with – 400 V | kW | 6 | 6 | 6 | 6 |
| ,Rated voltage | V | 230/400 | 2301400 | 2301400 | 230/400,, |
| Phases | 1/N/PE. 2/PE. 3/PE 11N/PE. 2/PE. 3/PE | 1/N/PE. 2/PE. 3/PE | 1/N/PE. 2/PE. 3/PE | ||
| Frequency | Hz | 50/60 | 50/60 | 50/60 | 50/60 |
| Single circuit operating mode | X | X | X | X | |
| Application limits | |||||
| Available temperature range | °C | 10-80 | 10-80 | 10-80 | 10-80 |
| Max. permissible pressure | MPa | 1 | 1 | 1 | 1, |
| Minimum cylinder diameter | mm | 450 | 450 | 450 | 450 |
| Minimum cylinder volume | I | 50 | 50 | 50 | 50 |
| Versions | |||||
| IP-Rating | IP44 | IP44 | IP44 | IP44 | |
| Dimensions | |||||
| Depth of insertion | mm | 500 | 455 | 540 | 480 |
| Weights | |||||
| Weight | kg | 2.0 | 2.5 | 2.2 | 2.8 |
Guarantee
The guarantee conditions of our German companies do not apply to appliances acquired outside of Germany. In countries where our subsidiaries sell our products, a guarantee can only be issued by those subsidiaries. Such a guarantee is only granted if the subsidiary has issued its own terms of the guarantee. No other guarantee will be ranted. We shall not provide any guarantee for appliances acquired in countries where we have no subsidiary to sell our products.
This will not affect warranties issued by any importers.
Environment and recycling
We would ask you to help protect the environment. After use, dispose of the various materials in accordance with national regulations.
The United Kingdom and Ireland
STIEBEL ELTRON UK Ltd.
Unit 12 Stadium Court
Stadium Road | CH62 3RP Bromborough
Tel. 0151 346-2300 | Fax 0151 334-2913
[email protected]
www.stiebel-eltron.co.uk
United States of America
STIEBEL ELTRON, Inc.
17 West Street | 01088 West Hatfield MA
Tel. 0413 247-3380 | Fax 0413 247-3369
[email protected]
www.stiebel-eltron-usa.com
Subject to errors and technical changes!
A 171592-410 40-9428
References
eltron.at
ELTRON • IT-oplossingen op maat. Gespecialiseerd in facturatiesoftware
This domain has been registered for a customer by nicsell
eltron.co.uk
eltron.cz
Sachverständigenbüro ELTRON - Startseite
The domain name eltron.nl is available for rent
ELTRON
eltron.ru
Tankless Water Heater | Renewable Energy | Stiebel Eltron USA
STIEBEL ELTRON | Technik zum Wohlfühlen
Warmtepompen - warwater - verwarming | STIEBEL ELTRON
STIEBEL ELTRON | Wärmepumpen-Spezialist
Home - Stiebel Eltron UK
STIEBEL ELTRON International
STIEBEL ELTRON | Tepelná čerpadla | větrání | vytápění | ohřev vody
STIEBEL ELTRON | Technik zum Wohlfühlen
STE - Thermia Redirect | Thermia
STIEBEL ELTRON - Fabricant Allemand de pompes à chaleur
STIEBEL ELTRON - Főoldal
STIEBEL ELTRON
STIEBEL ELTRON | Pompy ciepła | Wentylacja | Ogrzewacze wody i pomieszczeń
STIEBEL ELTRON | Официальный сайт | Интернет-магазин
STIEBEL ELTRON | Ohrev vody, vykurovanie, vetranie, chladenie
Instantaneous Hot Water Systems, Electric Water Heaters - STIEBEL ELTRON
世创电能(原斯宝亚创)| STIEBEL ELTRON CHINA
stiebeleltronasia.com
Entry electrical cables

















