STIEBEL ELTRON FCR 18/60 Flanged Immersion Heater

General information
The chapter “Operation” is intended for appliance users and quali-fied contractors.
The chapter “Installation” is intended for qualified contractors.
Note
Read these instructions carefully before using the appli-ance and retain them for future reference.
Pass on the instructions to a new user if required.
Safety instructions
KEYWORD Type of risk
Here, possible consequences are listed that may result from failure to observe the safety instructions.
Symbols, type of risk
- Injury
- Electrocution
- Burns
- (burns, scalding)
Keywords
DANGER Failure to observe this information will result in serious injury or death.
WARNING Failure to observe this information may result in serious injury or death.
CAUTIONFailure to observe this information may result in non-serious or minor injury.
Other symbols in this documentation
Note
General information is identified by the symbol shown on the left.
- This symbol indicates that you have to do something. The ac-tion you need to take is described step by step.
Units of measurement
Note
All measurements are given in mm unless stated oth-erwise.
Safety
Intended use
The appliance is intended for installation in cylinders in a sealed heating or DHW heating system.
This appliance is designed for domestic use. It can be used safely by untrained persons. The appliance can also be used in a non-domestic environment, e.g. in a small business, as long as it is used in the same way.
Any other use beyond that described shall be deemed inappropri-ate. Observation of these instructions and of instructions for any accessories used is also part of the correct use of this appliance.
Using the appliance for heating fluids other than water or water supplemented with chemicals, such as brine, is also deemed in-appropriate.
General safety instructions
WARNING Electrocution
Never spray the appliance with water or other liquids.
WARNING Burns
There is a risk of scalding at outlet temperatures in ex-cess of 43 °C.
WARNING Injury
The appliance may be used by children aged 8 and up and persons with reduced physical, sensory or mental capabilities or a lack of experience provided that they are supervised or they have been instructed on how to use the appliance safely and have understood the result-ing risks. Children must never play with the appliance. Children must never clean the appliance or perform user maintenance unless they are supervised.
Material losses
Condensate can drip from the appliance.
Note
The appliance is under pressure.
During the heat-up process, expansion water will drip from the safety valve.
Test symbols
See type plate on the appliance.
Appliance description
The appliance electrically heats DHW and heating water. The temperature can be adjusted using the temperature selector, de-pending on the type of appliance or the heating contractor. Once the selected temperature has been reached the appliance shuts down. If required, the appliance automatically restarts in single circuit operation and in dual circuit operation during off-peak tariff periods / enable times.
The appliance is also protected against frost on the temperature setting “cold” as long as the power supply is guaranteed. The appliance switches on in good time and heats the water. The tap and the mains water supply line are not protected against frost by the appliance.
Settings
Temperature
Appliance type with external temperature selector
The temperature can be variably adjusted. In the delivered con-dition, temperature selection is limited. This limitation can be cancelled by a qualified contractor (see chapter “Installation / Settings”).
You can interrupt the heating process by setting the temperature selector to “cold”.
Cold
I Low temperature setting, 35 °C
II Recommended setting for energy saving,low scaling, 60 °C
III Maximum temperature setting, 85 °C
Depending upon the system, the temperatures may vary from the set value.
Appliance type with temperature selector inside the control panel
The temperature can be freely selected by the qualified contractor (see chapter “Installation / Settings”).
Factory setting: 60 °C
Rapid heating during dual circuit operation
For appliance types with dual circuit operation, the heating con-tractor can install a pushbutton to control the rapid heat-up func-tion remotely. If required, you can switch this on. The rapid heat-up function switches off when the selected temperature has been reached and will not switch on again.
Cleaning, care and maintenance
- Have the electrical safety of the appliance regularly checked by an electrician.
Scaling
- Almost every type of water will deposit lime at high tempera-tures. Limescale will settle inside the appliance and affect its function and service life. The heating elements must there-fore be descaled from time to time. A qualified contractor who is aware of the local water quality will tell you when the next service is due.
- Check the taps/valves regularly. You can remove limescale deposits at the tap outlets using commercially available des-caling agents.
- Regularly activate the safety valve to prevent it from becom-ing blocked e.g. by limescale deposits.
Troubleshooting
If you cannot remedy the fault, notify your heating contractor. To facilitate and speed up your enquiry, please provide the serial number from the type plate (no. 000000-0000-000000):
Safety
Only a qualified contractor should carry out installation, commis-sioning, maintenance and repair of the appliance.
General safety instructions
We guarantee trouble-free function and operational reliability only if the original accessories and spare parts intended for the appliance are used.
Instructions, standards and regulations
Note
Observe all applicable national and regional regulations and instructions.
Water connection and safety assembly
Note
Carry out all water connection and installation work in accordance with regulations.
The cylinder must be connected with water inlet and outlet pipes made from metal. Other metal parts of the cylinder that can be touched and that are in contact with water must be permanently and reliably connected with the earth conductor.
The max. permissible pressure must not be exceeded (see chapter “Specification / Data table” and cylinder specification).
- Install a type-tested safety valve in the cold water supply line. For this bear in mind that, depending on the static pres-sure, you may also need a pressure reducing valve.
- Size the drain so that water can drain off unimpeded when the safety valve is fully opened.
- Fit the discharge pipe of the safety valve with a constant downward slope and in a room free from the risk of frost.
- The safety valve discharge aperture must remain open to the atmosphere.
Appliance description
Standard delivery
Delivered with the appliance:
- Cable entries (supplied as loose parts depending on the ap-pliance type)
- Fixing screws, corrugated washers
Accessories
Required accessories
Depending on the static pressure, safety assemblies and pressure reducing valves are available. These type-tested safety assemblies protect the appliance against unacceptable excess pressure.
Further accessories
A mating flange is available as an accessory.
Installation
Note
For the installation of the appliance, the cylinder must be fitted with a mating flange (see chapter “Appliance description / Accessories”).
Note
The control panel must not be thermally insulated to pre-vent any excessively high temperatures from occurring inside the control panel.
The condensate aperture in the flanged control panel must remain open while the cylinder is thermally insulat-ed so that any condensate that occurs can drip off freely.
- Observe the required torque values during installation (see chapter “Specification / Data table”).
- Always install the appliance horizontally with the cable en-tries facing downwards.
- Always install the appliance with heating elements and a protective pipe arranged in parallel. For this, use the screws supplied. Realign the components where necessary.
Power connection
WARNING Electrocution
Carry out all electrical connection and installation work in accordance with relevant regulations.
WARNING Electrocution
Only use a permanent connection to the power supply. Ensure that the appliance can be separated from the power supply by an isolator that disconnects all poles with at least 3 mm contact separation.
WARNING Electrocution
Ensure that the appliance is earthed.
Material losses
Observe the type plate. The specified voltage must match the mains voltage.
- If required, pull off the temperature selector.
- Undo the screws at the bottom of the control panel cover and remove the cover.

- Select a cable of the cross-sectional area suited to the load of the appliance. Prepare the power cable, ensuring that the earth conductor is longer than the other conductors.
- Feed the power cable through the cable entry into the control panel.
- Connect the required load in accordance with the wiring diagrams (see chapter “Specification / Wiring diagrams and connections”).
- Fit the control panel cover.
- If required, push the temperature selector back on.
- Appliance type with dual circuit operation: Use a ballpoint pen to mark the selected connected load and voltage on the type plate.
Material losses
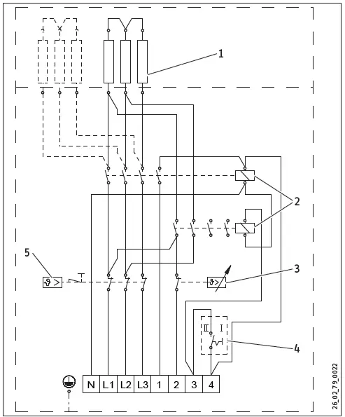
Contactors for thermostats or high limit safety cut-outs must be installed outside the control panel of the flanged immersion heater. The contactors must be switched inde-pendently of one another by the thermostats and the high limit safety cut-out respectively (see chapter “Specifica-tion / Wiring diagrams and connections”).
If the appliance is operated with power-OFF control, you must install the power-OFF contact between the contactors or upstream of the contactor.
Required contactor breaking capacity:
Sizing in accordance with the connected load (see chapter
“Specification / Data table”) for le / AC-1 / 70 °C (thermal con-stant current with a resistive load at an ambient temperature of up to 70 °C).
- Label the contactors according to their function.
- If required, mark any live components inside the control panel that are supplied with power from outside.
- Once connected, check that the contactors are functioning properly.
Commissioning
Commissioning
- Fill the system with water.
Material losses
Boiling dry destroys the thermostat, which must then be replaced. The high limit safety cut-out must be reset.
Material losses
If an indirect coil is installed in the same cylinder, limit the maximum temperature for this appliance to the maxi-mum temperature for the flanged immersion heater. This prevents the high limit safety cut-out of the flanged im-mersion heater from responding.
Appliance handover
- Explain the appliance function to users and familiarise them with its operation.
- Make users aware of potential dangers.
- Hand over these instructions.
Recommissioning
See chapter “Commissioning”.
Settings
Temperature
Appliance type with temperature selector inside the control panel
- The temperature can be freely adjusted.
- Factory setting 60 °C (the temperature selector clicks into place at this setting).
Limiting the temperature selection
Appliance type with external temperature selector
You can adjust the temperature selection limitation beneath the temperature selector.
Factory setting: 60 °C
- Set the temperature selector to “cold” and isolate the appli-ance from the power supply.
- Remove the temperature selector and the control panel cover.
- Loosen the two screws from the outside and pull the thermo-stat down to remove.
- Once you have removed the limiter disc from the thermostat axis, the maximum temperature can be reached.
- Tighten the thermostat screws again and replace the tem-perature selector and control panel cover.
Troubleshooting

1 High limit safety cut-out reset button
Maintenance
WARNING Electrocution
Before any work on the appliance, disconnect all poles from the power supply.
Checking the safety assembly
- C heck the safety assembly regularly.
Descaling the flanged immersion heater
- Descale the flanged immersion heater only after it has been removed.
Replacing the heating elements and protective pipe
- When installing heating elements or a protective pipe, en-sure that the components are electrically isolated from the flange.
Specification
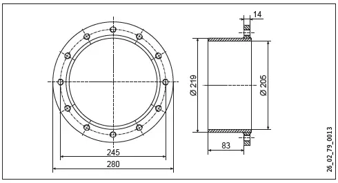
Dimensions, immersion depths and connections
FCR 28
Mating flange FCR 28
FCR 18
Mating flange FCR 18
Wiring diagrams and connections
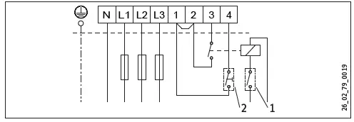
Single circuit operation
FCR 28/120, part number 000694
FCR 28/180, part number 000695
FCR 18/60, part number 000691
FCR 18/90, part number 000692
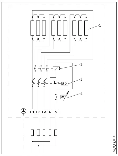
6, 9, 12, 18 kW, 3/PE ~ 400 V
- Heating element
- 6 kW connected load: 3 x 2 kW
- 9 kW connected load: 3 x 3 kW
- 12 kW connected load: 6 x 2 kW
- 18 kW connected load: 6 x 3 kW
- Contactor
- High limit safety cut-out
- Thermostat
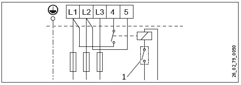
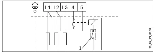
Connection example for single circuit operation with power-OFF contact

1 Power-OFF contact, installed by the heating contractor
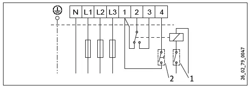
FCR 28/270, part number 000696 27 kW, 3/PE ~ 400 V
- Heating element 3 kW
- Contactor
- High limit safety cut-out
- Thermostat
Connection example for single circuit operation with power-OFF contact
1 Power-OFF contact, installed by the heating contractor
FCR 28/360, part number 001502 36 kW, 3/PE ~ 400 V
- Heating element 4 kW
- Thermostat
- High limit safety cut-out
- Contactor, installed by the heating contractor
Material losses
When connecting the contactors, please observe chapter “Installation / Power connection”.
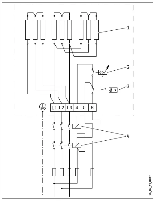
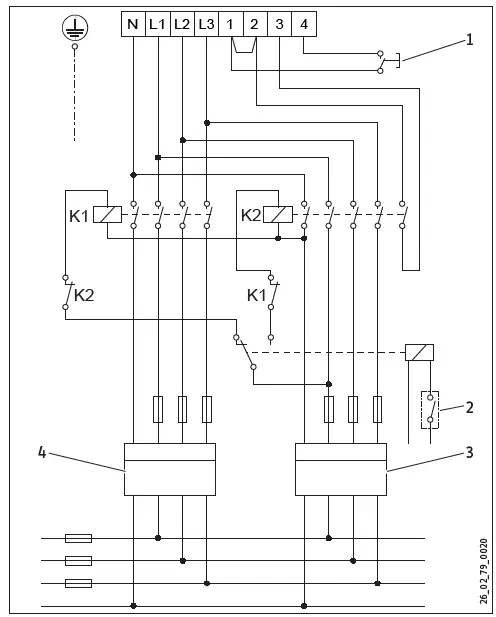
Dual circuit / single circuit operation 3/N/PE ~ 400 V
FCR 28/120, part number 071332
FCR 28/120 CrNi, part number 234503
FCR 28/180, part number 071333
- Heating element
12 kW connected load: 3 x 4 kW
18 kW connected load: 6 x 3 kW - Contactor
- Thermostat
- Circuit breaker I / II
- High limit safety cut-out
Guarantee
The guarantee conditions of our German companies do not apply to appliances acquired outside of Germany. In countries where our subsidiaries sell our products a guarantee can only be issued by those subsidiaries. Such guarantee is only grant-ed if the subsidiary has issued its own terms of guarantee. No other guarantee will be granted.
We shall not provide any guarantee for appliances acquired in countries where we have no subsidiary to sell our products. This will not affect warranties issued by any importers.
Environment and recycling
We would ask you to help protect the environment. After use, dispose of the various materials in accordance with national regulations.
Connection example for dual circuit operation
FCR 28/120, part number 071332
FCR 28/120 CrNi, part number 234503
6/12 kW Circuit breaker I 12/12 kW Circuit breaker II
FCR 28/180, part number 071333
9/18 kW Circuit breaker I 18/18 kW Circuit breaker II
Version 1:
- Power-OFF contact, installed by the heating contractor
- Pushbutton for controlling the rapid heat-up function re-
motely, installed by the heating contractor
During the economy tariff period (power-OFF), it is possible to switch on the rapid heat-up function (peak tariff).
Version 2:
- Power-OFF contact, installed by the heating contractor
- Pushbutton for controlling the rapid heat-up function re-
motely, installed by the heating contractor
During the economy tariff period (power-OFF), the rapid heat-up function (peak tariff) can only be switched on if the circuit breaker is in position II.
Specification
Connection example for dual meter reading
K1 Contactor 1, installed by the heating contractor
K2 Contactor 2, installed by the heating contractor
- Pushbutton for controlling the rapid heat-up function re-
motely, installed by the heating contractor - Power-OFF contact, installed by the heating contractor
- Off-peak tariff
- Peak tariff
Connection example for single circuit operation
FCR 28/120, part number 071332
FCR 28/120 CrNi, part number 234503
6 kW Circuit breaker I
12 kW Circuit breaker II
FCR 28/180, part number 071333
9 kW Circuit breaker I
18 kW Circuit breaker II
Without power-OFF contact:
With power-OFF contact:
Power-OFF contact, installed by the heating contractor
Specification
| FCR 18/60 | FCR 18/90 | FCR 28/120 | FCR 28/120 CrNi | FCR 28/120 | FCR 28/180 | FCR 28/180 | FCR 28/270 | FCR 28/360 | ||
| 000691 | 000692 | 071332 | 234503 | 000694 | 071333 | 000695 | 000696 | 001502 | ||
| Electrical data | ||||||||||
| Connected load ~ 400 V | kW | 6 | 9 | 6/12 | 6/12 | 12 | 9/18 | 18 | 27 | 36 |
| Rated voltage | V | 400 | 400 | 400 | 400 | 400 | 400 | 400 | 400 | 400 |
| Phases | 3/PE | 3/PE | 3/N/PE | 3/N/PE | 3/PE | 3/N/PE | 3/PE | 3/PE | 3/PE | |
| Frequency | Hz | 50/60 | 50 | 50 | 50 | 50 | 50 | 50 | 50 | 50/60 |
| Single circuit operating mode | X | X | X | X | X | X | ||||
| Dual circuit operating mode | X | X | X | |||||||
| Application limits | ||||||||||
| Temperature setting range | °C | 35-85 | 35-85 | 35-85 | 35-85 | 35-85 | 35-85 | 35-85 | 35-85 | 35-85 |
| Max. permissible pressure | MPa | 1.0 | 1.0 | 1.0 | 1.0 | 1.0 | 1.0 | 1.0 | 1.0 | 1.0 |
| Minimum cylinder diameter | mm | 450 | 450 | 550 | 550 | 450 | 550 | 450 | 450 | 550 |
| Minimum cylinder volume | l | 200 | 200 | 300 | 300 | 200 | 300 | 200 | 200 | 300 |
| Versions | ||||||||||
| IP rating | IP24 | IP24 | IP24 | IP24 | IP24 | IP24 | IP24 | IP24 | IP24 | |
| Dimensions | ||||||||||
| External flange diameter | mm | 180 | 180 | 280 | 280 | 280 | 280 | 280 | 280 | 280 |
| Immersion depth | mm | 325 | 325 | 450 | 450 | 325 | 450 | 325 | 325 | 450 |
| Torque | Nm | 55 | 55 | 80 | 80 | 80 | 80 | 80 | 80 | 80 |
| Weights | ||||||||||
| Weight | kg | 12 | 12 | 12 | 12 | 12 | 13 | 14 | 14 | 15 |
United States of America
STIEBEL ELTRON, Inc.
17 West Street | 01088 West Hatfield MA
Tel. 0413 247-3380 | Fax 0413 247-3369
[email protected]
www.stiebel-eltron-usa.com
References
eltron.at
ELTRON • IT-oplossingen op maat. Gespecialiseerd in facturatiesoftware
This domain has been registered for a customer by nicsell
eltron.co.uk
eltron.com.au
eltron.cz
Sachverständigenbüro ELTRON - Startseite
The domain name eltron.nl is available for rent
ELTRON
eltron.ru
Tankless Water Heater | Renewable Energy | Stiebel Eltron USA
STIEBEL ELTRON | Technik zum Wohlfühlen
Warmtepompen - warwater - verwarming | STIEBEL ELTRON
STIEBEL ELTRON | Wärmepumpen-Spezialist
Supplier of Heat Pumps, Water Heaters, Ventilation and Room Heaters in New Zealand - STIEBEL ELTRON New Zealand
Home - Stiebel Eltron UK
Home - Stiebel Eltron South Africa
STIEBEL ELTRON International
Instantaneous Hot Water Systems, Electric Water Heaters - STIEBEL ELTRON
STIEBEL ELTRON | Tepelná čerpadla | větrání | vytápění | ohřev vody
STIEBEL ELTRON | Technik zum Wohlfühlen
403
STE - Thermia Redirect | Thermia
STIEBEL ELTRON - Fabricant Allemand de pompes à chaleur
STIEBEL ELTRON - Főoldal
STIEBEL ELTRON
STIEBEL ELTRON | Pompy ciepła | Wentylacja | Ogrzewacze wody i pomieszczeń
STIEBEL ELTRON | Официальный сайт | Интернет-магазин
STIEBEL ELTRON | Ohrev vody, vykurovanie, vetranie, chladenie
世创电能(原斯宝亚创)| STIEBEL ELTRON CHINA
stiebeleltronasia.com





















