MASTER B 1,8 ECA Electric Air Heater

TECHNICAL DATA
| Model | B 1,.8 ECA | |
| Power | kW | 0,65-1,3-2,0 |
| kcal/h | 559-1118-1720 | |
| Switch position 1 | kW | Off |
| Switch position 2 | kW | 0,65 |
| Switch position 3 | kW | 1,3 |
| Switch position 4 | kW | 2,0 |
| Max current cons. | A | 8,7 |
| Voltage | V/Hz | 230 / 50 |
| Air displacement | m3/h | 184 |
| Temperature range | 0C | 5-35 |
| Weight | kg | 4,2 |
| Dimensions l ´ w ´ h | mm | 197x210x303 |
| Resistance norm | IPX4 |
IMPORTANT!!! Carefully read this service manual before you start to use, repair or clean the heater. Improper use of the appliance may cause serious injuries, burns, electric shock or fire.
Safety Instructions
The appliance has been designed for heating closed areas such as e.g.
warehouses, shops and houses. Models with power: 2; 3; 3,3; kW are not designed to work in greenhouses and on buildings site.
WARNING !!! Do not place the heater directly under the wall outlet. Do not touch internal components of the heater.
This appliance is not intended for use by persons (including children) with reduced physical, sensory or mental capabilities, or lack of experience and knowledge, unless they have been given supervision or instruction concerning use of the appliance by a person responsible for their safety. Children should be supervised to ensure that they do not play with the appliance.
Do not cover the heater when it is operating. The appliance may get overheated.- Do not operate the appliance close to humid places such as water tanks, bathtubs, showers or swimming pools. Any contact with water may be the reason of short-circuit or electric shock.
- The heater should be kept at a safe distance from flammable materials. The minimum safety distance should not be inferior to 0.5 m, otherwise you run the risk of starting the fire.
- Do not use the heater in dusty spaces or rooms where gasoline, solvents, paints or other volatile and inflammable materials are stored in order to avoid the risk of explosion.
- The heater should not be used close to the curtains or other textiles in order to avoid the risk of fire.
- Be particularly cautious when using the heater in the rooms frequented by children or animals.
- The heater should be supplied from a source meeting the requirements specified on the rating plate.
- Use only a feeder cable including the earth lead in order to avoid electric shock in emergency situations.
- Do not unplug the heater by pulling the wire out of the wall socket.
- Unplug the heater when not used in order to avoid accidental damages.
- Before you dismantle the casing check if the feeder cable has been pulled out of the wall socket. Internal components may be live.
Unpacking and transport.
- Open the package and take the heater out including all the safety locks installed for the period of transport.
- Should the appliance seem damaged, notify immediately the seller of the same.
- Transport the heater using the lifting eyes No. 1 shown in Figs. 1,
- The heater should be transported in original package including the safety locks.
Description of individual components.
See Figs. 1-2
- Lifting eye
- Thermostat
- Front protective grid
- Heating element
- Casing
- Switch
- Cable penetration.
- Back protective grid.
- Power supply cable.
- Base foot.
- Fan.
- Motor .
- Plug.


Switching On
WARNING !!! Carefully read this service manual before you start to use the heater. The instructions contained herein will allow you to use the appliance in a safe manner.
Make sure the power supply cable has not been damaged. Damaged cables should be immediately replaced by the seller, approved service centre or competent personnel. Moreover, check if the technical parameters of power supply source comply with the requirements specified on the rating plate.
Place the appliance in its upright position. Make sure the switch is in its “0” position shown in Fig. 3. Connect the heater to the power supply source. Turn the switch and leave it for 5 seconds in the positions as follows:
- 1st degree of heating: Fig. 4;

- 2nd degree of heating: Fig. 5,

- 3rd degree of heating: Fig. 6.

Switching Off
Turn the switch to its “0” position.
Temperature control
The temperature in the room may be set by means of the control knob (Fig.7,). Once the pre-set temperature is produced, the thermostat will automatically switch the heating elements off while the fan will continue to operate thus protecting the appliance from overheating. If the temperature falls down beyond the pre-set value, the system will switch the heating elements on again.
Thermal Circuit Breaker
The appliance has been equipped with an integrated thermal circuit breaker ensuring high safety level. The breaker will automatically switch the power supply off once a limit temperature is exceeded.
Out-of-season storage
Should the appliance remain idle for a long period of time, clean it before shoving by blowing the inside with compressed air. The heater should be kept in a dry and clean place. Before you start using it again make sure the power supply cable has not been damaged. In the case of any doubts contact the seller or approved service centre.
Functional Inspection
The appliance should be checked at least once a year by competent service personnel approved by the manufacturer. Any inspections or repairs should be conducted by competent personnel only.
TROUBLESHOOTING
| PROBLEM | REASON | SOLUTION |
| The motor operates while the appliance does not heat. | Thermostat has been damaged. Heating element has been damaged. | Replace the thermostat. Replace the heating element. |
| The motor does not operate while the heating elements are hot. | Motor has been damaged. Fan has been stopped. Switch has been damaged. | Replace the motor. Unlock / clean the fan. Replace the switch. |
| The whole appliance does not operate. | Electric circuit open. Switch has been damaged. | Check power supply connection. Replace the switch. |
| Reduced air flow. | Foul air duct. Motor has been damaged. | Open the air duct. Replace the motor. |
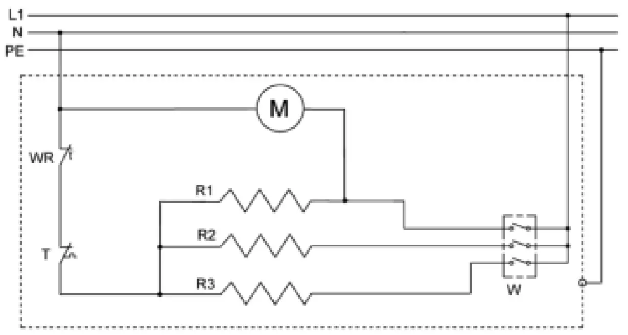
WIRING DIAGRAM
- W – switch
- M – motor
- WR – temperature limiter
- T – thermostat
- R1,R2,R3 – heating elements

Disposal of your old product
You product is designed and manufactured with high quality materials and components, which can be recycled and reused.- When this crossed-out wheeled bin symbol is attached to a product it means the product is covered by the European Directive 2002/96/EC.
- Please inform yourself about the local separate collection system for electrical and electronic products.
- Please act according to your local rules and do not dispose of your old product with your normal household waste. The correct disposal of your old product will help prevent potential negative consequences for the environment and human health.
Customer Support
Dantherm Sp. z o.o.
ul. Magazynowa 5a,
62-023 Gądki, Poland
[email protected]
Dantherm Sp. z o.o.
ул. Магазинова, 5A,
62-023 Гадки, Польша
[email protected]


























