WWW.ZEPHYRONLINE.COM
Roma Pro
ZRP-E36BS, ZRP-E48BS
Use, Care, and Installation Guide


Safety Information
READ AND SAVE THESE INSTRUCTIONS
Your safety and the safety of others are very important.
We have provided many important safety messages in this manual for your appliance. Always read and obey all safety messages.
This is the Safety Alert Symbol. This symbol alerts you to potential hazards that can cause severe bodily injury or death. All safety messages will follow the Safety Alert Symbol and either the words “DANGER” “WARNING” or “CAUTION”
| DANGER | ||
| Danger means that failure to heed this safety statement may result in severe injury or death. | ||
| WARNING | ||
| A warning means that failure to heed this safety statement may result in extensive product damage, serious personal injury, or death. | ||
| CAUTION | ||
| Caution means that failure to heed this safety statement may result in minor or moderate personal injury, property, or equipment damage. | ||
General Safety
| WARNING | ||
| To reduce the risk of fire or electric shock, do not use this fan with any solid-state control device. | ||
| WARNING | ||
| WARNING – TO REDUCE THE RISK OF FIRE, ELECTRIC SHOCK, OR INJURY TO PERSONS, OBSERVE THE FOLLOWING: a) Use this unit only in the manner intended by the manufacturer. If you have questions, contact the manufacturer. b) Before servicing or cleaning the unit, switch power off at the service panel and lock the service disconnecting means to prevent power from being switched on accidentally. When the service disconnecting means cannot be locked, securely fasten a prominent warning device, such as a tag, to the service panel. | ||
| CAUTION | ||
| For General Ventilating Use Only. Do Not Use To Exhaust Hazardous Or Explosive Materials And Vapors. Take care when using cleaning agents or detergents. Suitable for use in household cooking areas. | ||
| WARNING | ||
| WARNING – TO REDUCE THE RISK OF A RANGE TOP GREASE FIRE: a) Never leave surface units unattended at high settings. Boilovers cause smoking and greasy spillovers that may ignite. Heat oils slowly on low or medium settings. b) Always turn the hood ON when cooking at high heat or when flam is food. (i.e. Crepes Suzette, Cherries Jubilee, Peppercorn Beef Flambe’). c) Clean ventilating fans frequently. Grease should not be allowed to accumulate on the fan or filter. d) Use proper pan size. Always use cookware appropriate for the size of the surface element. | ||
| CAUTION | ||
| WARNING – TO REDUCE THE RISK OF INJURY TO PERSONS IN THE EVENT OF A RANGE TOP GREASE FIRE, OBSERVE THE FOLLOWINGa: a) SMOTHER FLAMES with a close-fitting lid, cookie sheet, or metal tray, then turn off the burner. BE CAREFUL TO PREVENT BURNS. If the flames do not go out immediately, EVACUATE AND CALL THE FIRE DEPARTMENT. b) NEVER PICK UP A FLAMING PAN – You may be burned. c) DO NOT USE WATER, including wet dishcloths or towels – a violent steam explosion will result. d) Use an extinguisher ONLY if: 1) You know you have a Class ABC extinguisher, and you already know how to operate it. 2) The fire is small and contained in the area where it started. 3) The fire department is being called. 4) You can fight the fire with your back to an exit. aBased on “Kitchen Firesafety Tips” published by NFPA. | ||
| WARNING | ||
| WARNING TO REDUCE THE RISK OF FIRE, USE ONLY METAL DUCTWORK. | ||
| CAUTION | ||
| To reduce the risk of fire and to properly exhaust air outside, do not vent exhaust air into spaces within walls, ceilings, attics, crawl spaces, or garages. | ||
| WARNING | ||
| WARNING – TO REDUCE THE RISK OF FIRE, ELECTRIC SHOCK, OR INJURY TO PERSONS, OBSERVE THE FOLLOWING: a) Installation work and electrical wiring must be done by a qualified person(s) in accordance with all applicable codes and standards, including fire-rated construction. b) Sufficient air is needed for proper combustion and exhausting of gases through the flue (chimney) of fuel-burning equipment to prevent back drafting. Follow the heating equipment manufacturer’s guidelines and safety standards such as those published by the National Fire Protection Association (NFPA), and the American Society for Heating, Refrigeration and Air Conditioning Engineers (ASHRAE), and the local code authorities. c) When cutting or drilling into a wall or ceiling, do not damage electrical wiring and other hidden utilities. d) Ducted fans must always be vented to the outdoors. e) If this unit is to be installed over a tub or shower, it must be marked as appropriate for the application and be connected to a GFCI (Ground Fault Circuit Interrupter) – protected branch circuit. | ||
| WARNING | ||
| Prop. 65 Warning for California Residents: This product may contain chemicals known to the State of California to cause cancer, birth defects, or other reproductive harm. | ||
Operation
► Always leave safety grilles and filters in place. Without these components, operating blowers could catch onto hair, fingers, and loose clothing.
► The manufacturer declines all responsibility in the event of failure to observe the instructions given here for installation, maintenance, and suitable use of the product. The manufacturer further declines all responsibility for injury due to negligence and the warranty of the unit automatically expires due to improper maintenance.
NOTE: Please check www.zephyronline.com for revisions before doing any custom work.
Electrical Requirements Important:
► Observe all governing codes and ordinances.
► It is the customer’s responsibility to be aware of these below:
► To contact a qualified electrical installer.
► To assure that the electrical installation is adequate and in conformance with National Electrical Code, ANSI/NFPA 70 latest edition* or CSA standards C22.1-94, Canadian Electrical Code, Part 1 and C22.2 No.0-M91 – latest edition** and all local codes and ordinances.
► If codes permit and a separate ground wire is used, it is recommended that a qualified electrician determine that the ground path is adequate.
► Do not ground to a gas pipe.
► Check with a qualified electrician if you are not sure the range hood is properly grounded.
► Do not have a fuse in the neutral or ground circuit.
► This appliance requires a 120V 60Hz electrical supply and is connected to an individual properly grounded branch circuit protected by a 15 or 20-ampere circuit breaker or time-delay fuse. Wiring must be 2 wires with the ground. Please also refer to the Electrical Diagram of the product.
► A cable locking connector (not supplied) might also be required by local codes. Check with local requirements, purchase and install appropriate connector if necessary.
* National Fire Protection Association Batterymarch Park, Quincy, Massachusetts 02269
** CSA International 8501 East Pleasant Valley Road, Cleveland, Ohio 44131-5575
Federal Communication Commission Interface Statement
► This equipment has been tested and found to comply with the limits for a Class B digital device, pursuant to Part 15 of the FCC Rules. These limits are designed to provide reasonable protection against harmful interference in a residential installation.
► This equipment generates, uses, and can radiate radio frequency energy and, if not installed and used in accordance with the instructions, may cause harmful interference to radio communications. However, there is no guarantee that interference will not occur in a particular installation. If this equipment does cause harmful interference to radio or television reception, which can be determined by turning the equipment off and on, the user is encouraged to try to correct the interference by one of the following measures:
► Reorient or relocate the receiving antenna.
► Increase the separation between the equipment and receiver.
► Connect the equipment into an outlet on a circuit different from that to which the receiver is connected.
► Consult the dealer or an experienced radio/TV technician for help.
List of Materials
Parts Supplied
| Quantity | Part |
| 1 | Hood |
| 2 | Duct covers, 1 upper & 1 lower |
| 1 | Duct cover bracket |
| 2 | Pro baffle filters (3 for 48″ models) |
| 2 | Swivel LumiLight LED, 6W (pre-installed) (4 for 48” models) |
| 1 | 8” round starting collar (for single blower ducting) |
| 1 | Hardware package |

Parts Not Supplied
| Ducting, conduit, and all installation tools |
| Cable locking connector (if required by local codes) |
| Dual internal blower (PBD-1300B) |
| RF remote control (14000005) |
| Duct cover extension (Z1C-00RP) |
Installation Instructions
Ducting Calculation Sheet
Duct pieces | Equivalent number length x used = | Total | Duct pieces | Equivalent number length x used = | Total | |||
![]() | 3- 1/ 4” x 10” Rect., straight | 1 Ft. x ( ) = | Ft. | ![]() | 3- 1/ 4” x 10” Rect. to 6” round transition | 5 Ft. x ( ) = | Ft. | |
![]() | 6”, 7”, 8”, 10” Round, traight | 1 Ft. x ( ) = | Ft. | ![]() | 3- 1/ 4” x 10” Rect. to 6” round transition 90º elbow | 20 Ft. x ( ) = | Ft. | |
![]() | 3- 1/ 4” x 10” Rect. 90º elbow | 15 Ft. x ( ) = | Ft. | ![]() | 6” round to 3- 1/ 4” x 10” rect. Transition | 1 Ft. x ( ) = | Ft. | |
![]() | 3- 1/ 4” x 10” Rect. 45º elbow | 9 Ft. x ( ) = | Ft. | ![]() | 6” round to 3- 1/ 4” x 10” rect. transition 90º elbow | 16 Ft. x ( ) = | Ft. | |
![]() | 3- 1/ 4” x 10” Rect. 90º flat elbow | 24 Ft. x ( ) = | Ft. | ![]() | 7” round to 3 1/ 4” x 10” rect. Transition | 8 Ft. x ( ) = | Ft. | |
![]() | 7” to 6” or 8” to 7” Round tapered reducer | 25 Ft. x ( ) = | Ft. | ![]() | 7” round to 3- 1/ 4” x 10” rect. transition 90º elbow | 23 Ft. x ( ) = | Ft. | |
![]() | 6”, 7“, 8” Round in-line damper | 15 Ft. x ( ) = | Ft. | ![]() | 3- 1/ 4” x 10” Rect. wall cap with damper | 30 Ft. x ( ) = | Ft. | |
![]() | 6”, 7”, 8”, 10” Round, 90º elbow | 15 Ft. x ( ) = | Ft. | ![]() | 6”, 7”, 8”, 10” Round, wall cap with damper | 30 Ft. x ( )= | Ft. | |
![]() | 6”, 7”, 8”, 10” Round, 45º elbow | 9 Ft. x ( ) = | Ft. | ![]() | 6”, 7”, 8”, 10” Round roof cap | 30 Ft. x ( )= | Ft. | |
| Subtotal column 1 = | Ft. | Subtotal column 2 = | Ft. | |||||
| Ft. | ||||||||
| Ft. | ||||||||
Maximum Duct Length: For satisfactory air movement, the total duct length should not exceed 150 equivalent feet.
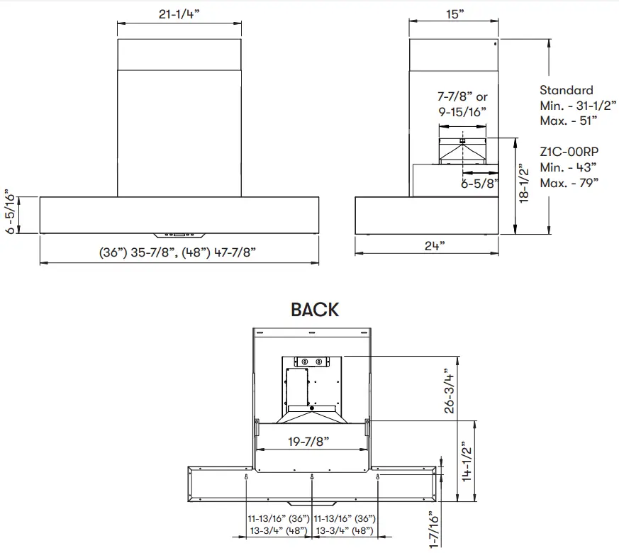
Mounting Height, Clearance, & Ducting

| Hood Heights | Standard Duct Cover | Extension Duct Cover |
| minimum ducted (A) | 31-1/2” | 43“ |
| maximum (B) | 51” | 79” |
| Ceiling Heights | ||
| minimum ducted (C) | 91-1/2” (7’ 7-1/2”) | 103“ (8‘ 7”) |
| maximum (D) | 121” (10’ 1“ ) | 149” (12’ 5”) |
Mounting Height, Clearance, & Ducting
A minimum of 8” round duct is recommended to maintain maximum airflow efficiency for a single blower and a 10” round duct for the dual internal blower. Both options can be vertically or horizontally ducted.
Always use rigid type metal ducts only. Flexible ducts could restrict airflow by up to 50%.
Also use the ducting calculation sheet (on page 8) to compute the total available duct run when using elbows, transitions, and caps.
ALWAYS, when possible, reduce the number of transitions and turns. If a long duct run is required, increase duct size.
If turns or transitions are required; install as far away from hood duct output and as far apart, between the two as possible.
Minimum mount height between range top to hood bottom should be no less than 24”.
Maximum mount height should be no higher than 34”.
It is important to install the hood at the proper mounting height. Hoods mounted too low could result in heat damage and fire hazard; while hoods mounted too high will be hard to reach and will lose their performance and efficiency.
If available, also refer range manufacturer’s height clearance requirements and recommended hood mounting height above the range. Always check your local codes for any differences.
For shipment and installation damages:
► Please fully inspect the unit for damage before installation.
► If the unit is damaged in shipment, return the unit to the store in which it was bought for repair or replacement.
► If the unit is damaged by the customer, repair or replacement is the responsibility of the customer.
► If the unit is damaged by the installer (if other than the customer), repair or replacement must be made by arrangement between customer and installer.
Ducting Options
| WARNING | ||
| Fire Hazard: NEVER exhaust air or terminate ductwork into spaces between walls, crawl spaces, ceilings, attics, or garages. All exhaust must be ducted to the outside unless using the recirculating option. | ||
► Use single wall rigid metal ductwork only.
► Fasten all connections with sheet metal screws and tape all joints w/ certified Silver Tape or Duct Tape.

Hood Specifications
Electrical Supply
| WARNING | ||
| Electrical wiring must be done by a qualified person(s) in accordance with all applicable codes and standards. Turn off electrical power at the service entrance before wiring. | ||
For personal safety, remove the house fuse or open the circuit breaker before beginning installation. Do not use an extension cord or adapter plug with this appliance.
Follow national electrical codes or prevailing local codes and ordinances.
This appliance requires a 120V 60Hz electrical supply and is connected to an individual, properly grounded branch circuit, protected by a 15 or 20-ampere circuit breaker or time-delay fuse. Wiring must be 2 wire w/ ground. Please also refer to the Electrical Diagram labeled on the product.
Cable Lock
A cable locking connector (not supplied) might be required by local codes. Check with local requirements and codes, and purchase and install appropriate connectors if necessary. (FIG. A) 
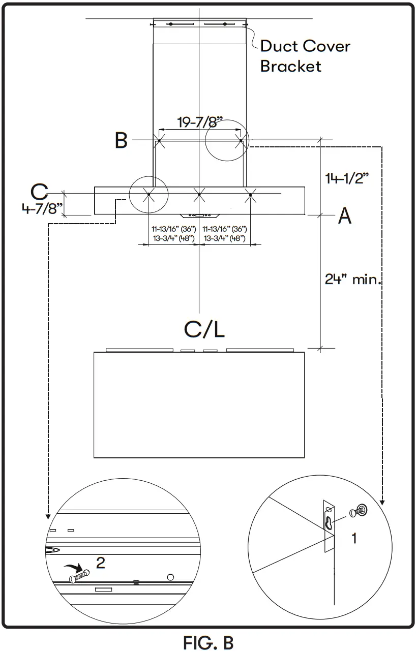
Mounting the Hood

- Measure from range top to hood bottom and mark line A. (24” minimum from range top).
- Plum and mark center line. Mark mounting height line B (14-1/2” from line A). Mark mounting height line C (4-7/8” from line A).
- Mark mounting spread from C/L on lines B and C according to the diagram.
- Fasten (2) 6# x 2” screws into studs on line B. Fasten (3) 6# x 2” screws into studs on line C. Do not fasten screws all the way, leave approximately 3/8” exposed.
NOTE: Wood blocking may need to be added behind the drywall if no studs are present. Wall anchors may also be used but check local codes for compliance. Failure to use suitable wall anchors and screws to hold the weight of the hood could result in personal injury or damage to the cooking surface or counter. - Install round duct collar with backdraft damper to top or rear of the hood by (4) M4x8 screws.
- Hang hood onto wall-mounted screws and tighten. (FIG. B1)
- Center and attach duct cover bracket to wall below ceiling or soffit using (2) 6# x 1-1/2” screws.
- Prepare and connect electrical and install duct work and duct tape.
- Power up the hood and check for leaks around duct tape.
- Place telescopic duct covers onto the hood and extend the inner (top) duct cover upwards and secure it to the duct cover bracket using (2) M4x8 screws.
PBD-1300B Dual Blower Installation
This range hood is equipped standard with a single blower vertical duct option. To convert from single blower vertical ducting to dual blower vertical ducting, please follow the instructions below.
![]() | 1. Disconnect the blower plug and white and black power cables. |
![]() | 2. Remove (4) screws from interior of the hood body attaching a single blower plate to the top of the hood body. Remove single blower and single blower plate. |
![]() | 3. Remove (4) screws attaching single blower to single blower plate. |
![]() | 4. Attach single blower to dual blower plate by (4) previously removed screws from step 3. |
![]() | 5. Position the dual blower inside the hood body as shown. Be sure to tuck dual blower plate into blower plate tabs. Secure dual blower by (4) screws previously removed from step 2. |
![]() | 6. Attach 10″ round blower collar to top of hood body by (4) M4x8 screws. |
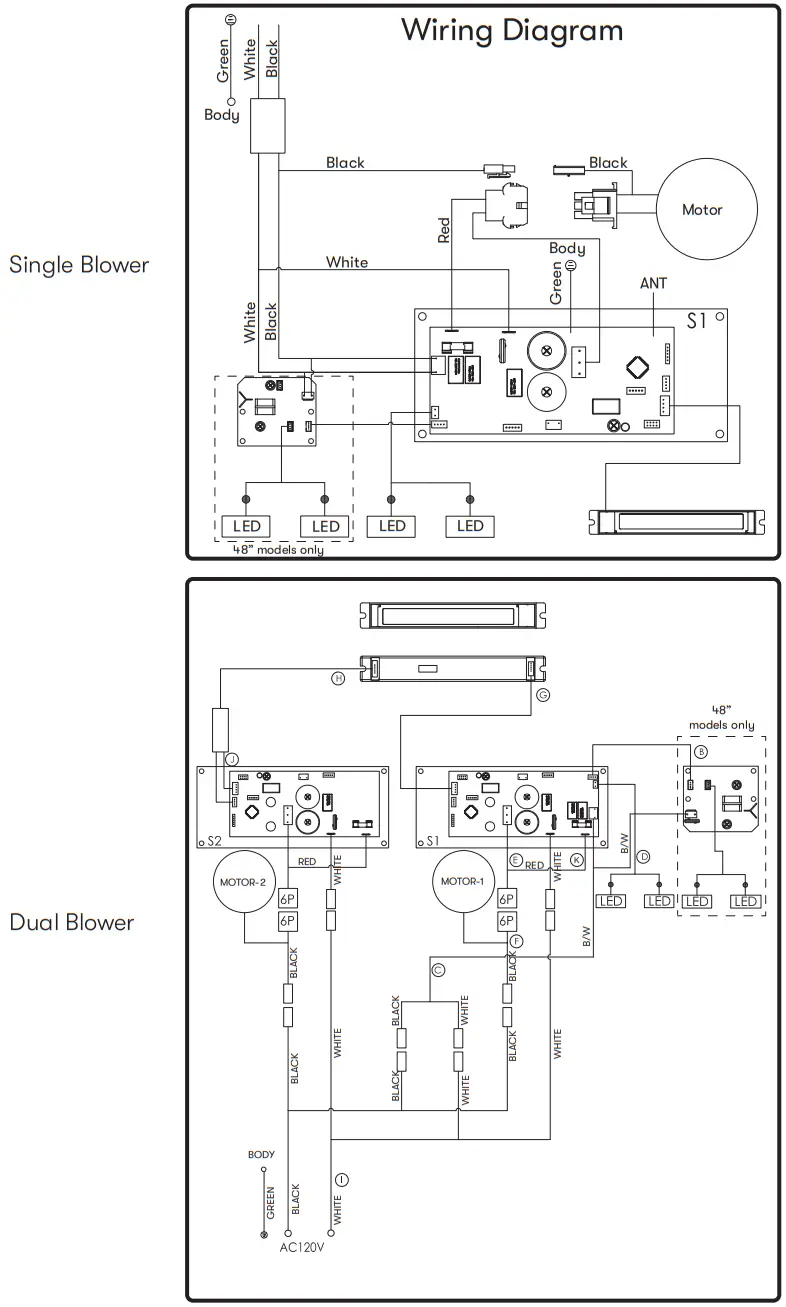
![]() | 7. Attach dual blower PCB to electronics bracket by (4) screws. Refer to the wiring diagram in this step. Connect the wiring from the dual blower including both blower plugs, blower cable 6 pin connector (E), dual blower switch cable (H), black single pin power cord from the dual blower (K), and white single pin power cord (F) to dual blower PCB. |
Features & Controls
Electronic LCD Controls

Adjust 6 Speed Levels
Lights On/Dim/Off
- Power / Delay-Off
Power Button Function
The on/Off button will turn the power on and off for the entire hood (fan and lights). The hood will remember the last speed and light level it was turned off at.
Delay Off Button Function
With the fan on, press and hold the On/Off button for three seconds. The fan will change to speed 1 and the 10-minute delay-off timer will start. A countdown timer will show on the display indicating the time left until the fan and lights automatically turn off. Pressing the On/Off button while the Delay Off Function is enabled will turn the hood off and cancel the Delay Off Function.
ACT™ Verification
Airflow Control Technology (ACT™) allows the installer to set the maximum blower CFM to align with local codes and regulations.
To verify the maximum blower CFM:
With the hood off, hold the On/Off button for three seconds. The Display will show if ACT™ is disabled and set to the maximum CFM or if ACT™ is enabled and set to one of the restricted maximum CFM levels of 590, 390, or 290. - Speed Selection
The 6-speed levels are selected by pressing Fan – to decrease and Fan + to increase speed levels. The Display indicates the speed level selected.
ACT™ Enabled Speed Selections
When ACT™ is enabled, the number of fan speeds will be reduced to Maximum 3 speeds. - Lights On/Dim/Off
Switch lights on by pressing the Lights button once, press a second time to dim, and again to shut off lights. - Display
The display window indicates speed levels and features such as baffle filter clean reminder, delay-off, and clean air indicator.
Filter Clean Reminder
After 30 hours of fan usage the words “Clean grease filters” will show on the Display indicating it is time to clean the filters.
To Reset: With the hood off, hold the Fan – button for 3 seconds until the display words “Clean grease filters” turns off
Clean Air
Clean Air is a feature that turns the fan on every 4 hours for 10 minutes to remove stagnant air in the kitchen.
To enable Clean Air Function:
With hood o, hold the Fan – button and Fan + button simultaneously for three seconds. The words “CleanAir Function Activated” will illuminate and the fan will turn on speed 1 for 10 minutes. After 10 minutes the fan will turn o and the 4-hour timer will begin.
To disable Clean Air Function:
With hood o, hold the Fan – button and Fan + button simultaneously for three seconds. The words “CleanAir Function Deactivated” will illuminate indicating the function has been disabled.
When the Clean Air Function is enabled the fan will turn on speed 1 for 10 minutes every 4 hours of nonfan usage. After 10 minutes the fan will turn o and the 4-hour timer will reset.
If the user changes the fan speed while the Clean Air Function is in use, the Clean Air Function will stop.
If the user presses the On/O button at any time the 4-hour Clean Air timer will reset.
Optional Remote Control Pairing
To create a unique link between your hood and optional remote control please follow these steps.
With Hood o, press and hold the Lights button until the display shows the words “Remote Pairing…” then press any button on the remote, and the display will then show the words “Remote Paired” indicating the remote control pairing is complete.
Optional RF Remote Control
To order the RF remote control, the part number is 14000005. The blue antenna wire needs to be extended for optimal signal. If using the RF remote control, remove the light panel to extend the antenna. There is no need to secure it.
FCC Caution
To assure continued compliance, any changes or modifications not expressly approved by the party responsible for compliance could void the user’s authority to operate this equipment. (Example – use only shielded interface cables when connecting to a computer or peripheral device. This device complies with Part 15 of the FCC Rules. Operation is subject to the following two conditions. (1) This device may not cause harmful interference, and (2) This device must accept any interference received, including interference that may cause undesired operation.
Synchronization
To create a unique link between your hood and remote control please follow these steps.
- With the hood off, press and hold the Lights button on the hood until the controls display “Remote Pairing…”
- Press a button on the remote, and the remote control will be synchronized with the hood. The display will show “Remote Paired” which indicates pairing is complete.
RF Remote Control Functions

- Blower On / Speed Selection
Press
to power on the blower and cycle through all six blower speeds. - Blower On / Power Off
By pressing
, the blowers will power on at the last speed setting. Press
again and the entire hood will power off, including the lights. - Delay-Off
By pressing
, the blower and lights will enter Delay-Off mode. The blower will change to speed 1 and a 10-minute timer will begin counting down. - Lights On/Dim/Off
Switch between light levels by pressing
. Turn off the lights by cycling through the different light levels.
Optional RF Remote Control
RF Remote Features
The RF remote control is equipped with a magnet on the back for easy storage. The remote may be placed on any magnetic surface such as a refrigerator or the Zephyr remote holder, FIG. C. The remote holder can be inserted into a standard electrical outlet for easy storage.
Note: The remote holder does not charge the RF remote.
The maximum remote control communication distance is 15 feet from the liner.

RF Remote Maintenance
Clean the remote control using non-abrasive detergents.
Follow the instructions below for replacing the battery. Using a small flat head screwdriver, raise the cover of the battery door (A) in order to access the battery compartment. FIG. D.
Remove the battery and replace it with battery type A23 12V. The negative end of the battery should face the spring inside the remote.
Re-install the battery door and recycle the old battery.
Maintenance
Hood & Filter Cleaning
Surface Maintenance
► Do not use corrosive detergents, abrasive detergents, or oven cleaners.
► Do not use any product containing chlorine bleach or any product containing chloride.
► Do not use steel wool or abrasive scrubbing pads which will scratch and damage the surface.
Cleaning Stainless Steel
Clean periodically with warm soapy water and a clean cotton cloth or micro fiber cloth. Always rub in the direction of the stainless steel grain. To remove heavier grease build-up use a liquid degreaser detergent.
After cleaning use non-abrasive stainless steel polish/cleaners, to polish and buff out the stainless luster and grain. Always scrub lightly, with a clean cotton cloth or micro fiber cloth and buff in the direction of the stainless steel grain.
Cleaning the Baffle Filters
The stainless steel baffle filters are intended to trap residue and grease from cooking. Although the filters should never need replacing, they are required to be cleaned every 30 days or more often depending on cooking habits.
Filters may be placed in the dishwasher at low heat or soaked in hot soapy water Dry filters and re-install before using the hood.
Removing Baffle Filters, FIG. E

- Push filter away from the front of the range hood using handles.
- Pivot the front of the filter downward.
- Remove the filter by pulling it away from the hood.
Replacing Baffle Filters
| Hood Model | Part Number | Qty. to Order |
| ZRP-E36BS | 50210033 | 2 |
| ZRP-E48BS | 50210033 | 3 |
Swivel LumiLight LED
In the unlikely event that your swivel LumiLight LED fails, please contact Zephyr to order replacement parts. See the list of parts and accessories page for part numbers and contact information.
LED Removal, FIG. F
- Remove grease filters.
- (If applicable) remove both side spacer panels for each spacer panel.
- Remove screws on the light panel.
- Disconnect LED light quick connector.
- Remove (2) screws from the sides per LED light.
- Push LED light through the light panel opening.
ACT™ Conversion
Airflow Control Technology (ACT™)
Some local codes limit the maximum amount of CFM a range hood can move. ACT™ allows you to control the maximum blower CFM of select Zephyr Ventilation range hoods without the need for expensive makeup air kits. ACT™ enables the installer to easily set the maximum blower speed to one of the three most commonly specified CFM levels; 590, 390, or 290 CFM. The usage of ACT™ may not be necessary for your installation. Please check your local codes for CFM restrictions.
ACT™ is not available with the 1300 CFM dual internal blower option.
| CAUTION | ||
| The Hood must be disconnected from the main power prior to performing the conversion instructions listed below. Failure to do so could result in personal injury or damage to the product. | ||
| CAUTION | ||
| After repositioning the jumper and powering on the hood, the CFM cannot be changed again. | ||
Enabling ACT™
To enable ACT™:
- Before hood installation, gain access to the PC board by following the steps shown in FIG. G.
- Change plastic jumper positioning as shown in FIG. H to set the desired maximum blower CFM.
- Re-install the PC board and continue with the hood installation.
- Remove the appropriate foil CFM sticker included with the hood literature and place it inside the hood body below the wiring diagram or in another clearly visible location.
To verify if your installer enabled ACT™:
- With the hood off, hold the On/Off button for three seconds. The Display will show if ACT™ is disabled and set to the maximum CFM or if ACT™ is enabled and set to one of the restricted maximum CFM levels of 590, 390, or 290.
- There should also be a foil label located inside the hood body near the wiring diagram that indicates the blower CFM.

Wiring Diagram

B. LED PCB wire
C. Power wire for expansion PCB
D. Power wire for expansion PCB
E. Blower connection wire
F. Blower connection wire
G. Control connection wire
H. Dual blower PCB to switch wire
I. Power lead
J. Dual blower connection wire
K. Blower connection wire
Troubleshooting
| Possible Problem | Possible Cause | Solutions |
| After installation, the unit doesn’t work. | The power source is not turned ON. | Make sure the circuit breaker and the unit’s power are ON. |
| The power line and the cable locking connector are not connecting properly. | Check the power connection with the unit is connected properly. | |
| The switchboard or control board wirings are disconnected. | Make sure the wirings at the switchboard and control board are connected properly. | |
| The switchboard or control board is defective. | Change the switchboard or control board. | |
| The wires on the control board are loose. | Make sure the wires on the control board are connected properly. | |
| The light works, but the blower is not turning. | The blower wire is not connected. | Make sure the blower wire is plugged into the Molex connector. |
| The thermally protected system detects if the blower is too hot to operate and shuts the blower down. | The blower will function properly after the thermally protected system cool down. | |
| Damaged capacitor. | Change the capacitor. | |
| The blower is defective, possibly seized. | Change the blower. | |
| The unit is vibrating. | The blower is not secured in place. | Tighten the blower in place. |
| Damaged blower wheel. | Replace the blower. | |
| The hood is not secured in place. | Check the installation of the hood. | |
| The unit is whistling. | A filter is not in the correct position. | Adjust the filters until the whistling stops. |
| The duct pipe connections are not sealed or connected properly. | Check the duct pipe connections to be sure all connections are sealed properly. | |
| The blower is working, but the LumiLight LEDs are not. | The limelight LED connector is disconnected. | Connect the LumiLight LED connector. |
| Defective LumiLight LED. | Change the LumiLight LED. | |
| The switchboard or control board is defective. | Change the switchboard or control board. |
| Possible Problem | Possible Cause | Solutions |
| The hood is not venting out properly. | Using the wrong size of ducting. | Change the ducting to the correct size. |
| The hood might be hanging too high from the cooktop. | Adjust the distance between the cooktop and the bottom of the hood within the 24″ and 34″ range. | |
| The wind from the opened windows or opened doors in the surrounding area is affecting the ventilation of the hood. | Close all the windows and doors to eliminate the outside wind flow. | |
| Blockage in the duct opening or ductwork. | Remove all the blocking from the ductwork or duct opening. | |
| The unit turns on by itself. | The remote control may be paired incorrectly. | Resynchronize the remote control to connect to a different channel |
| The filter is vibrating. | The filter is loose. | Adjust or change the filter. |
| The spring-clip is broken on the filter. | Change the spring clip. | |
| RF Remote control does not work. | The battery is dead. | Replace the battery with type A23 12v. |
| Poor communication with the hood. | The remote control must be within 15 ft of the hood. | |
| RF Remote lost communication with the hood. | Reset the hood and remote by switching the power off at the circuit breaker for 5 minutes. Place the remote on the countertop near the hood and switch the circuit breaker back on. | |
| The blue antenna wire is not extended. | Extend the blue antenna wire behind the light panel. |
List of Parts & Accessories
| Description | Part Number |
| Replacement Parts | |
| Swivel LumiLight LED, 6W | Z0B0052 |
| Pro Baffle Filter (each) | 50210033 |
| Optional Accessories | |
| Dual Internal Blower | PBD-1300B |
| Make-up Air Kit (Single Blower) | MUA008A |
| Make-up Air Kit (Dual Blower) | MUA010A |
| RF Remote Control | 14000005 |
| Duct Cover Extension | Z1C-00RP |
To order parts, visit us online at http://store.zephyronline.com.
Limited Warranty
TO OBTAIN SERVICE UNDER WARRANTY OR FOR ANY SERVICE-RELATED QUESTIONS
United States Customers please call: 1-888-880-8368 or contact us at: zephyronline.com/contact
Canada Customers please call: 1-800-361-0799 or Email: [email protected]
Zephyr Ventilation, LLC (referred to herein as “we” or “us”) warrants to the original consumer purchaser (referred to herein as “you” or “your”) of Zephyr products (the “Products”) that such Products will be free from defects in materials or workmanship as follows:
Three-Year Limited Warranty for Parts: For three years from the date of your original purchase of the Products, we will provide, free of charge, products or parts (including LED light bulbs, if applicable) to replace those that failed due to manufacturing defects subject to the exclusions and limitations below. We may choose, in our sole discretion, to repair or replace parts before we elect to replace the Products.
One Year Limited Warranty for Labor: For one year from the date of your original purchase of the Products, we will provide, free of charge, the labor cost associated with repairing the Products or parts to replace those that failed due to manufacturing defects subject to the exclusions and limitations below. After the first year from the date of your original purchase, you are responsible for all labor costs associated with this warranty.
Warranty Exclusions: This warranty covers only repair or replacement, at our option, of defective Products or parts and does not cover any other costs related to the Products including but not limited to: (a) normal maintenance and service required for the Products and consumable parts such as fluorescent, incandescent or halogen light bulbs, mesh and charcoal filters and fuses; (b) any Products or parts which have been subject to freight damage, misuse, negligence, accident, faulty installation or installation contrary to recommended installation instructions, improper maintenance or repair (other than by us); (c) commercial or government use of the Products or use otherwise inconsistent with its intended purpose; (d) natural wear of the finish of the Products or wear caused by improper maintenance, use of corrosive and abrasive cleaning products, pads, and oven cleaner products; (e) chips, dents or cracks caused by abuse or misuse of the Products; (f) service trips to your home to teach you how to use the Products; (g) damage to the Products caused by accident, fire, floods, acts of God; or (h) Custom installations or alterations that impact serviceability of the Products. If you are outside our service area, additional charges may apply for shipping costs for warranty repair at our designated service locations and for the travel cost to have a service technician come to your home to repair, remove or reinstall the Products. After the first year from the date of your original purchase, you are also responsible for all labor costs associated with this warranty. All Products must be installed by a qualified professional installer to be eligible for warranty repairs or service.
Limitations of Warranty. OUR OBLIGATION TO REPAIR OR REPLACE, AT OUR OPTION, SHALL BE YOUR SOLE AND EXCLUSIVE REMEDY UNDER THIS WARRANTY. WE SHALL NOT BE LIABLE FOR INCIDENTAL, CONSEQUENTIAL, OR SPECIAL DAMAGES ARISING OUT OF OR IN CONNECTION WITH THE USE OR PERFORMANCE OF THE PRODUCTS. THE EXPRESS WARRANTIES IN THE PRECEDING SECTION ARE EXCLUSIVE AND IN LIEU OF ALL OTHER EXPRESS WARRANTIES. WE HEREBY DISCLAIM AND EXCLUDE ALL OTHER EXPRESS WARRANTIES FOR THE PRODUCTS, AND DISCLAIM AND EXCLUDE ALL WARRANTIES IMPLIED BY LAW, INCLUDING THOSE OF MERCHANTABILITY AND FITNESS FOR A PARTICULAR PURPOSE.
Some states or provinces do not allow limitations on the duration of an implied warranty or the exclusion or limitation of incidental or consequential damages, so the above limitations or exclusions may not apply to you. To the extent that applicable law prohibits the exclusion of implied warranties, the duration of any applicable implied warranty is limited to the same three-year and one-year periods described above if permitted by applicable law. Any oral or written description of the Products is for the sole purpose of identifying the Products and shall not be construed as an express warranty. Prior to using, implementing, or permitting the use of the Products, you shall determine the suitability of the Products for the intended use, and you shall assume all risk and liability whatsoever in connection with such determination. We reserve the right to use functionally equivalent refurbished or reconditioned parts or Products as warranty replacements or as part of warranty service. This warranty is not transferable from the original purchaser and only applies to the consumer residence where the Product was originally installed located in the United States and Canada. This warranty is not extended to resellers.
To Obtain Service Under Limited Warranty: To qualify for warranty service, you must: (a) notify us at the address or telephone number stated below within 60 days of the discovery of the defect; (b) give the model number and serial number, and (c) describe the nature of any defect in the Product or part. At the time of the request for warranty service, you must present evidence of your proof of purchase and proof of the original purchase date. If we determine that the warranty exclusions listed above apply or if you fail to provide the necessary documentation to obtain service, you will be responsible for all shipping, travel, labor, and other costs related to the services. This warranty is not extended or restarted upon warranty repair or replacements.
Please check our website for any additional Product information, www.zephyronline.com
Zephyr, 2277 Harbor Bay Parkway, Alameda, CA 94502
Product Registration
Congratulations on the purchase of your Zephyr product!
Please take a moment to register your new Zephyr product at www.zephyronline.com/registration

IT’S IMPORTANT
Prompt registration helps in more ways than one.
- Ensures warranty coverage should you need service.
- Ownership verification for insurance purposes.
- Notification of product changes or recalls.
Zephyr Ventilation
2277 Harbor Bay Pkwy.
Alameda, CA 94502
1.888.880.8368










































