BLUESTAR WR042MLPLT 42 Inch Wall Mount Range Hood

INSTALLATION INSTRUCTIONS
IMPORTANT
- This appliance was designed for ease of installation and operation. However, we recommend that you read all sections of this manual before you begin installation.
- Do not remove permanently affixed labels, warnings or data plates from your appliance. This may void the manufacturer’s warranty and/or hinder effective servicing and maintenance. These instructions are to remain with the appliance and the consumer is to retain them for future reference.
- Please observe all local and national build codes and ordinances. If no local codes are applicable, please follow all wiring requirements in accordance with the National Electrical Code.
- Please check your local codes for any make-up air requirements.
- This hood is for residential use only and is not designed for installation over a commercial product.
WARNING
To reduce the risk of fire, electric shock or injury observe the following:
- Use this unit in the manner intended by the manufacturer.
- Before cleaning or servicing unit, turn power off to the unit at the service panel.
- Installation work and electrical work must be performed by qualified individuals in accordance with all applicable codes and standards, including fire-rated construction.
- Do not damage any existing electrical or hidden utilities when drilling, cutting and/or removing a wall, ceiling or floor.
- Sufficient air is required to properly exhaust gases through the flue of natural and liquid propane fueled cooking equipment to avoid any backdrafts.
- Use only metal ductwork. Do not use flexible or corrugated duct.
- Never vent ducted exhaust air into another room or garage. Ducted exhaust air must vent outdoors.
- If a fire should occur, do not turn on hood to evacuate smoke. Turn off hood.
- Do not use to exhaust hazardous, flammable or explosive materials.
- Clean baffle filters often, since accumulated grease can be a fire hazard and affect the performance of your ventilation hood.
Handling
- Do not remove the hood from original packaging until you are ready to install.
Remove all watches, belt buckles, jewelry, rings and any clothing with metal buttons or snaps to prevent damage to the hood. - When you begin the installation process, remove the hood from its original packaging and place on a clean, nonabrasive blanket.
- When removing the hood from the carton, locate the filters since they could be packed separately.
Unpacking:
- Ensure the container is upright. If the container is not upright, major damage can occur to your appliance.
- Move the container as close to its installation location as possible. This will reduce moving and handling your appliance once it is out of its shipping container.
CAUTION: To reduce the risk of fire and electric shock, install this ventilation unit only with manufacturer approved blowers. This includes blowers rated maximum 8.4 amps – remote or combined integral blowers. Your ventilation hood is designed to work specifically with the integral or remote blower requested.
Site Preparation: Selecting the Appropriate Height for Installation
In selecting the proper height to mount the hood, take into consideration the stature of the person or persons who will be cooking. A minimum height of 30” off the cooking surface to a maximum height of 36” will suit most users. It is recommended, but not required, that the hood be 6” wider than the cooking appliance to provide a proper capture area for heat and grease.
The bottom of the hood should be 30” minimum to 36” maximum above the countertop. This would typically result in the bottom of the hood being 66” – 72” above the floor. The bottom of the hood should never be more than 72” above the floor or more than 36” above the countertop. These dimensions provide safe and efficient operation of the hood.

Installation of Ducting for Proper Operation:
To reduce the risk of fire, electric shock or injury, observe the following:
• Use only metal ductwork. Do not use flexible or corrugated duct.
Proper installation of ducting is extremely important for optimal performance of your ventilation system. It is a basic requirement that the kitchen is provided with an air intake to ensure good air circulation and, therefore, proper operation of the hood. Without this incoming air, a depression could form that would reduce the efficiency of the ventilation system.
- Be sure to follow local building codes for electrical, structural, general HVAC, and make-up air requirements.
- If duct shape is changed along path (round to square), the cross-sectional area must not be reduced.
- The duct run should be kept under 30 feet for a straight run. For every 90 degree turn in the duct run, subtract 5 feet from the total (25’ for a duct run with 1 elbow, 20’ for a duct run with 2 elbows, and so on). Longer runs will result in decreased performance and possible noise concerns.
- Avoid sharp-angled turns. Use smooth gradual turns, such as adjustable elbows or 45-degree angled turns.
- Airflow must not be restricted at the end of the duct run.
- A backflow damper is not provided. It should be sourced locally and sized for your specific duct work.
- Duct should terminate to an outdoor space above the roof line or outside a side wall of the building. Do not terminate the run into an attic or chimney.
Electrical Specifications
This hood is designed to be plugged into a dedicated 3-prong ANSI or Non-GFCI outlet – 120Volt, 60Hz, 1Ph, 10amp. min.
Outlet location: Confirm with local building codes for accessibility requirements. The outlet may be positioned above the hood shell to provide access for the cord along the duct exhaust. Ensure the outlet will not be obstructed by the duct work. The power cord will extend up to 36” from the top of the liner.
Depending on specific installation conditions, access to the outlet may be difficult.
If an appropriate outlet is not available or is inconvenient due to the specific installation, the power cord may be removed at the liner’s junction box, and the hood may be direct wired to a dedicated non-GFCI 120V, 60Hz, 1Ph, 10amp min circuit. Use 14-2 MC shielded cable or equivalent, unless directed otherwise by local building codes.

Step 1: Read all instructions thoroughly before beginning installation. If a duct cover is being used, please review all steps before beginning – for some installations, the order of assembly may be altered. Details which are unique to models starting with “MH” are shown on page 16.
Step 2: Remove ventilation hood liner from outer shell. (Figures A through F) – save all components and fasteners as they will be used to reinstall the liner after the hood shell is mounted to the wall.

Step 3: Set liner aside and prepare for blower installation.
- If a duct cover is being used review pages 13-15 to determine which installation process will work best for your application. If no duct cover is being used proceed to Step 4.
- If installing an in-hood blower kit, proceed with Steps 4-1 (600 cfm single), or Step 4-2 (1200 cfm double).
- If installing a remote blower kit, prepare the liner as follows:

Confirm discharge direction is correct for application. If not, remove top/rear plate assembly and rotate as needed. Reinstall fasteners. If in-hood blower mounting plates are present, they should be removed and discarded.
Step 4-1: Installing an In-hood 600 CFM Blower. Duct connection detail: 6” round Recommended duct size: 6” – 8”

Step 4-2: Installing an In-hood 1200 CFM Blower kit. Duct connection detail: 10” round Required duct size: 10”

Step 4-3. Installing an Exterior Roof or Wall Mounted Remote Blower (HYEX)
Model Number: HYEX-1.0 / HY-EX-1.4
Maximum rated CFM: 1000 CFM / 1400 CFM
Volts/Hz/Amps: 115VAC, 60 Hz, 2.9A (HYEX-1.0) / 3.3A (HYEX-1.4)
Required duct size: HYEX-1.0: 8” Round (51 sq. in. equiv.) / HYEX-1.4: 10” Round (80 sq. in. equiv.)
FLAT OR LOW SLOPE ROOF
- For flat roofs or roofs having pitch less than 1 ½” rise in 12”, mount blower on roof curb. See Figure 1

- Install the blower with discharge pointing down slope and away from prevailing winds.
- Use flashing and roofing mastic to seal the unit to prevent leaks.
- Cut holes for ducting and electrical wiring as shown in Figure 2.

IMPORTANT: Remove foam block(s) from inside housing before operating

TYPICAL ROOF MOUNT
- Center the duct cutout between roof rafters
- Install the blower so its discharge is down slope and away from prevailing winds. According to the standard roofing procedures, shingles must cover rear flashing flange and a minimum of 12” of the side flanges. The flashing on the discharge side of the blower must rest on top of the shingles.
- The blower must be sealed between the roof and its underside with quality roofing mastic.
DUCT CONNECTIONS
- Use only round metal duct, elbows and transitions; or rectangular ducting having equivalent crosssectional area per required duct size.
- Tape or use joint sealant on all joints.
- Make sure damper opens and closes freely.
For electrical connection, see Step 4-5. Wiring Remote Blowers (HYEX or ATEX)
Step 4-4. Installing an In-line Blower (ATEX)
Model Number: ATEX-0.8 / ATEX-1.2
Maximum rated CFM: 800 CFM / 1200 CFM
Volts/Hz/Amps: 115VAC, 60 Hz, 3.0A (ATEX-0.8) and 4.9A (ATEX-1.2)
Required duct size: ATEX-0.8: 8” Round (51 sq. in. equiv.) / ATEX-1.2: 10” Round (80 sq. in. equiv.)
IMPORTANT: The blower should be mounted in an accessible location for service such as an attic or crawl space. Follow all applicable building codes when installing this unit.

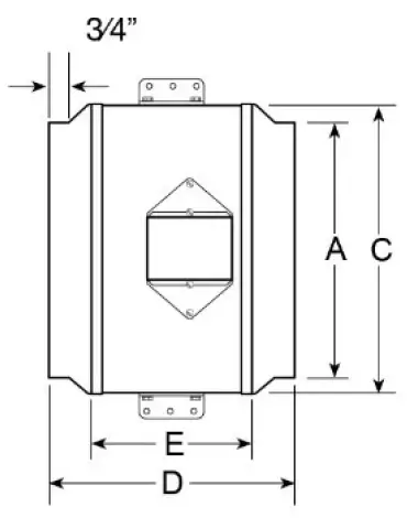
| Model | A | C | D | E | Weight |
| ATEX-0.8 | 8 | 12 ½ | 15 ½ | 7 | 19 lbs. |
| ATEX-1.2 | 10 | 14 | 15 | 8 | 21 lbs. |
CAUTION Use protective clothing such as cut resistant or mesh gloves when working with sharp edges.
Mounting the Blower
Note: Optional vibration mounts are not supplied with blower. Duct silencer kit and associated clamps are sold separately.
- Install wood supports as needed to mount the blower to the framing in the attic or crawl space. Blower can be mounted between framing members or suspended from them with custom mounting brackets.

- Mount the blower using the attached brackets with screws to the wood supports.
- Optional: If equipping the blower with vibration mounts (not included), attach the mounts to the wood supports. Attach the blower to the vibration mounts. Do not over-tighten the compressible element.
- If equipping the blower with a duct silencer kit and clamps, attach them to the blower.
Alternate Mounting Option
- Use temporary fixtures you can later remove to hang the equipment at its proper elevation.
(Vibration isolation mounts and associated hardware not included.) - Fasten the hanger directly to the structure or somewhere between the suspended unit. Do not overtighten the neoprene element.

- Turn the rod assembly nuts right one complete turn on each hanger. Repeat this step until the temporary hanging fixtures are loose and the piping or equipment load is suspended completely on the vibration hangers.
- Remove the temporary hanger fixtures.
- Do additional turns on the spring/top hanger rod nut to level the piping or the equipment. Turn right to raise or left to lower.
- If equipping the blower with isolators (FC clamps), attach the isolators.
Step 4-5. Wiring Remote Blowers (HYEX or ATEX)
ELECTRICAL CONNECTIONS
WARNING Turn off power at the service panel prior to wiring the blower.
- Run a 3-conductor electrical cable between the blower and the range hood. Local building codes take precedence, but unless otherwise directed, use 14-2 MC shielded cable or equivalent. See Figure 4.
- Connect cable to terminal block on blower at proper locations. For ATEX blowers, use Figure 5. For HYEX blowers, use Figure 6.
- Connect electrical cable from blower to the three-position terminal block on the hood’s wire harness. See Figure 7. [NOTE: Depending on your site-specific installation, this step may need to be done later in the overall installation process to allow for proper wire routing through the hood shell.]



Step 5. Mount the Outer Hood Shell to the Wall
NOTE: If duct cover is being used, please review next steps carefully. Depending on your specific installation, the duct cover may need to be installed prior to mounting the hood shell to the wall
- The bottom of the hood should be 30” minimum to 36” maximum above the countertop for efficient operation. The hood should be centered over the cooking surface.
- Measure and mark carefully and locate framing behind the wallboard using a stud finder. Add structural blocking where necessary to ensure hood is attached to the wall securely.
- In the back of some model’s hood shell, there are only a few small oblong slots provided for screws to pass through. If necessary, it is acceptable to drill new holes in the sheet metal back of the hood shell to align with framing behind wallboard.
- Depending on fastener selected, pre-drilling may be necessary to avoid splitting the framing or blocking.

- Hardware is not provided with this unit to secure it to the wall. Local building codes take precedence (where applicable). Otherwise, use #12 screws or larger lag screws with a length such that at least 1” of thread is embedded into a structural member (i.e., wood stud or blocking) behind the mounting surface. Be sure to consider the thickness of wallboard (drywall, tile, etc.) when determining appropriate length of fastener. A minimum of 2 screws in the upper portion of the hood, and 2 screws in the lower portion of the hood should be used to ensure the hood is attached securely to the wall.
a. Additional screws should be used for wider hoods:
- 36” wide hoods and smaller:
2 screws upper portion, 2 screws lower portion. - Greater than 36”, up to 54”:
3 screws upper portion, 3 screws lower portion. - Greater than 54” wide:
4 screws upper portion, 4 screws lower portion.

Step 6. Re-install Liner into Outer Shell
NOTE: If duct cover is being used, please review next steps carefully. Depending on your specific installation, the duct cover may need to be installed prior to reinstalling the liner.
WARNING Turn off power at the service panel prior to wiring the blower.
- Connect Electrical Supply (see Electrical Specifications on page 7)
a. Route power cord from liner to outlet location and plug in.
b. If alternate direct wire method is desired, remove power cord from junction box and connect power supply cable directly in its place being sure to match wire colors appropriately.
c. If remote blower is being used, route cable from remote blower through top of hood shell and connect to liner as directed in Step 4-5.
- Complete liner installation by inserting into hood shell (A), driving screws (B), and reinstalling covers and filters removed previously (C).
- If ductwork is already in position, be sure to align properly as liner is inserted.

Step 7. Connect Ducting to Ventilation Hood
Install ducting around starter collar on top or rear of hood and seal according to building code regulations. Be sure to include a back draft damper in the duct work to prevent drafts.
Installing a 1-Piece Duct Cover
- Secure duct cover to top of hood using screws. Depending on the 1. Secure duct cover to top of hood using screws. Depending on the site-specific installation of your hood and duct cover, the screws may be driven from the top down or the bottom up. Additional holes may be drilled in the flanges as needed to allow for secure installation.

Installing a 1-Piece Duct Cover (Alternate Option)
If access to the install fasteners described in 8-1 is not possible in your specific installation, wood blocking may be used to secure the duct cover. Holes will need to be drilled into the duct cover to allow for screws to be driven.
- Secure wood blocks (not provided) on wall surface above hood.
- If necessary, provide clearance for any ductwork exiting the top of the hood shell
- Drill holes in duct cover to align with blocking. Position duct cover around blocks and secure with screws on each side near the top and bottom of the cover.

Installing a Telescopic Duct Cover
- Attach upper mounting bracket to wall against ceiling and centered with hood.
- Attach lower mounting bracket to wall against top of hood shell.
- Slide upper duct cover down into lower duct cover.
- Place duct cover assembly on top of hood shell and raise the upper portion so it is flush with ceiling. Drive screws into upper mounting bracket to secure upper duct cover in position.
- Drive remaining 2 screws into lower duct cover’s bracket.

(Duct cover should sit flush to ceiling, but gap could occur if wall and ceiling are not square)
Models starting with “MH”
- Follow Step 2 of installation instructions on removing liner from outer shell.
- The hood is provided with a preinstalled 3-prong cord to provide power to the hood and blower.
• If an appropriate outlet is not accessible due to the installation location, the power cord may be removed at the liner’s junction box, and the hood may be direct wired to a dedicated, standard non-GFCI 120V, 10A min circuit. - If installing a remote blower (HYEX or ATEX), the blower box at the base of the duct cover and the transition piece may be removed and discarded. A separate back-draft damper will need to be added to the ductwork. The duct work will need to extend fully into the top of the hood shell and connect to the liner’s 10” dia. outlet collar. Ensure power cable from remote blower is routed in space between duct cover and the exhaust duct, and additional length is provided at the base to allow connection to the hood’s harness.

- Four pieces of full-length, 3/8” dia. threaded rod (not provided) are necessary to secure the hood shell and associated duct cover to structural framing in the ceiling above the hood shell. The threaded rod must pass through the framing or blocking in the ceiling and be secured with a washer and nut on either side to prevent the threaded rod from moving up or down. The rod may be in multiple sections to ease installation but must be appropriately coupled at the joints between members. It should pass through the holes in the duct cover at all 4 corners, then through the holes in the hood shell, and secured with washers and nuts inside the hood shell. Any excess length will need to be trimmed off to avoid interference with the liner when it is reinstalled.
- Ensure the lower hood shell is level, then anchor it to the wall. Lag screws into the wall behind the hood are only needed in the lower portion of the hood to keep it tight to the wall. Holes are provided, but additional holes may be added to provide alignment with structural framing members behind the wallboard.
- For in-hood blower(s):
a. Mount the blower(s) into duct cover / internal blower box using hardware provided.
b. Plug the connector(s) from the liner’s harness into the blower(s) - For remote blower, connect cable from blower to the 3-position terminal on the liner’s harness. (See step 4.5)
- Re-install liner using Step 5 from installation instructions. Take care to route power cord and blower cables to avoid pinching during liner reinstallation.

USE & CARE INSTRUCTIONS
Control Panel

Blower Controls:
A – Blower power on, power off, low speed
B – Blower middle speed
C – Blower high speed
D – Blower Boost function*
*After 7 minutes of operation, the blower will automatically move to high speed (C). The Boost icon will blink while active.
Additional Controls:
E – Timer
Pressing button during blower operation will cause blower to run for 15 minutes at its current speed, and then automatically shut off. The timer icon will blink while active.
If timer icon is blinking when the blower is not running, this indicates the filters are due to be cleaned. Clean the filters as directed, then press and hold for 3 seconds to reset the filter clean reminder.
F – Light On/Off plus Dimming Feature
Press and release to turn light on or off. Press and hold to adjust light intensity. Release when light reaches desired intensity. Selected intensity will stay in controller memory until changed.
Baffle Filters
IMPORTANT: The function of the baffle filters is the absorption of grease particles that form during cooking. Do not operate ventilation hood without filters in hood. Baffle filters should be examined periodically to assure that the surfaces and parts are clean.
Removing Baffle Filters:
- Hold both handles located on the filter.
- Pull towards front of hood to depress spring system.
- Pull back of filter down and away from hood.
Removing Rear Filter Holder:
Filter holder is located at base of baffle filters in rear of hood (Figure 1).
- Turn wing fastener(s) ¼ turn to release.
- Pull filter holder towards front of hood and remove.
Removing Inner Shield:
- Inner shield is located behind baffle filters (Figure 2).
- Remove screws attaching shield to ventilation hood liner.

Cleaning Baffle Filters and Rear Filter Holder:
Baffle filters should be cleaned regularly to prevent grease droplets from forming. The baffle filters are dishwasher safe or can be cleaned in a sink with warm, soapy water. Do not use caustic detergent to clean the filters. Abrasive cleaners may harm or damage the finish. Do not disassemble the baffle filter. Disassembly will void the warranty.
The rear filter holder should be cleaned with dish soap and warm water. Depending on the size of the hood, it may be cumbersome to wash the filter holder in a kitchen sink. Spraying with a grease cutting cleaner for kitchen use and rinsing with a garden hose in an open area may be the easiest way to clean. Be sure to rinse thoroughly and allow to dry completely before reinstalling.
Cleaning Interior and Exterior:
Your hood must be kept clean and maintained properly
- Do not use abrasive cleaners, steel wool pads, or abrasive cloths.
- Do not allow grease to accumulate. For best results, wipe the canopy down with a soft cloth and warm, soapy water.
- The cleaning of the outside of the hood depends on the material used as a decorative exterior. See following details for hood specific material cleaning instructions.
- Do not use abrasive or aggressive chemicals to clean the interior or exterior of the hood.
WARNING: Turn off power at the service panel prior to cleaning the hood.
For cleaning the hood, it is recommended to use a soft cloth and a solution of warm soapy water. It is important that the soap does not contain granules that could scratch the surface. Follow the direction of the metal grain with the cloth. The cloth must have no buttons or fasteners that could scratch the surface. Do not use chemical solvents, aggressive, grainy or abrasive products or similar products that could damage the surface of the hood. Test in an inconspicuous location if you are concerned about a particular cleaner.
Cleaning the Interior
Clean the interior of the hood using a soft cloth and warm soapy water or denatured alcohol as needed. Do not clean the electrical parts or blower with liquids or solvents. Allow to dry thoroughly before restoring power.
Cleaning the Exterior
It is important to follow the direction of the metal grain with the cloth. Do not use chemical solvents, aggressive, grainy or abrasive products or similar products that could damage the surface of the hood. Test in an inconspicuous location if you are concerned about a particular cleaner. For various finishes, see details below.
- Stainless Steel (Brushed or Polished)
Clean the exterior of brushed stainless-steel hoods using a soft cloth and quality stainless steel cleaner or warm soapy water. Follow all label instructions. Do not polish across the grain or in circles. - Painted with Gloss Finish
Clean the exterior of hood painted with a gloss finish using a soft cloth and quality glass cleaner or warm soapy water. Follow all label instructions. - Designer Metals (Brass – Brushed, Antique, Polished; Copper – Brushed, Antique, Polished; Pewter and Oil Rubbed Bronze)
Clean the exterior of a hood made of designer metals with a microfiber cloth using Endust, Pledge (or similar cleaner) or warm soapy water. Follow all label instructions.
Warranty
Prizer-Painter Stove Works, Inc. (“Prizer-Painter”) warrants your BlueStar® appliance (“product”) purchased in the U.S. and Canada and installed in residential properties for normal residential use.
What Is Covered
Subject to the specific conditions and limitations below, this warranty covers parts and/or labor necessary to repair or replace any part of the product that contains defects in materials and workmanship.
Two Year Warranty. For two (2) years from the date of installation, this warranty covers all parts and labor necessary to repair or replace any part on the product except for the
Cosmetic Component Warranty below.
Cosmetic Component Warranty. For thirty (30) days from the date of installation, this warranty covers scratches and dents, paint and porcelain blemishes, visible chips, etc.
Limitations of Coverage
- Floor Models. For one (1) year from the date of installation, this warranty covers all parts and labor necessary to repair or replace any part on the product except for cosmetic parts for which there is no warranty.
- The replacement of a part under this warranty does not extend the warranty period.
- Warranty service outside normal business hours and in areas beyond 50 miles one way from an authorized BlueStar® retailer or service provider. The owner will be responsible for any and all costs associated with additional mileage, non-standard service or overtime, and special equipment required to remove the product so service may be performed.
This warranty is void:
- If the product is removed from where it was originally installed.
- If the original factory installed serial number is altered or removed from the product.
- if gas cooking products are converted by someone other than a BlueStar® authorized service company.
What Is Not Covered
This warranty does not cover, and specifically excludes:
- Product installed or used in any commercial or other non-residential property such as, but not limited to, day care facilities, fire stations, hotels, nursing homes, etc.
- Installation related issues including improper badge placement or installation inconsistent with the product specifications/installation instructions.
- Damage or repairs caused by alterations or modifications, abuse, misuse, neglect, or improper installation, mounting, handling, operation, maintenance, or storage.
- Normal adjustments after installation and setup.
- Normal wear, care, and maintenance of the product as described in the user manual.
- Service calls to educate the customer on the proper use and care of the product.
- Consumable parts such as water filters.
- Damage or repairs caused by unauthorized service or repairs, including unauthorized adjustments or calibrations performed on the product.
- Accidental or intentional damage.
- Damage or repairs as a result of natural disasters, fires, floods, earthquakes, winds, lightning, corrosive atmosphere, loss of electrical power to the product for any reason, or other conditions beyond Prizer-Painter’s control.
- Damage or repairs caused by alteration for outdoor use.
- Damage or repairs caused by the use of harsh chemicals or cleaning products improperly applied.
- Liability or responsibility for damage to surrounding property including cabinetry, floors, ceilings, etc.
- Consequential or incidental damage, including but not limited to food or medicine loss, time away from work, restaurant meals, etc.
The terms of this warranty provide for repair of the product only. If the product cannot be repaired, Prizer-Painter, at its sole discretion, will determine whether to exchange the product.
Please see the Arbitration Clause and Related Provisions, which affect your legal rights. The Arbitration Clause is available at www.bluestarcooking.com


























