![]()
36″ AND 48″ (91.4 CM AND 121.9 CM) COMMERCIAL-STYLE WALL-MOUNT RANGE HOOD
Installation Instructions and Use and Care Guide
For questions about features, operation/performance, parts, accessories, or service, call: 1-800-422-1230 or visit our website at www.kitchenaid.com.
In Canada, for assistance, installation, and service, call: 1-800-807-6777 or visit our website at www.kitchenaid.ca.

IMPORTANT: READ AND SAVE THESE INSTRUCTIONS. FOR RESIDENTIAL USE ONLY.
LI3ZAB/W11423732A Applicable models
Importer
CANADA:
Whirlpool Canada LP, Mississauga,
Ontario L5N 0B7
U.S.A:
Whirlpool Corporation, U.S.A., Benton Harbor, MI 49022
COLOMBIA:
Whirlpool Colombia S.A.S.
Nit:830010181-9
Calle 99# 10-19 P6 Cantidad: 1 unidad
RANGE HOOD SAFETY
Your safety and the safety of others are very important.
We have provided many important safety messages in this manual and on your appliance. Always read and obey all safety messages.

This is the safety alert symbol.
This symbol alerts you to potential hazards that can kill or hurt you and others.
All safety messages will follow the safety alert symbol and either the word “DANGER” or “WARNING.” These words mean:
DANGER You can be killed or seriously injured if you don’t immediately follow instructions.
WARNING You can be killed or seriously injured if you don’t follow instructions.
All safety messages will tell you what the potential hazard is, tell you how to reduce the chance of injury, and tell you what can happen if the instructions are not followed.
IMPORTANT SAFETY INSTRUCTIONS
WARNING: TO REDUCE THE RISK OF FIRE, ELECTRIC SHOCK, OR INJURY TO PERSONS, OBSERVE THE FOLLOWING:
- Use this unit only in the manner intended by the manufacturer. If you have questions, contact the manufacturer.
- Before servicing or cleaning the unit, switch power off at service panel and lock the service disconnecting means to prevent power from being switched on accidentally. When the service disconnecting means cannot be locked, securely fasten a prominent warning device, such as a tag, to the service panel.
- Installation work and electrical wiring must be done by qualified person(s) in accordance with all applicable codes and standards, including fire-rated construction.
- Do not operate any fan with a damaged cord or plug. Discard fan or return to an authorized service facility for examination and/or repair.
- Sufficient air is needed for proper combustion and exhausting of gases through the flue (chimney) of fuel burning equipment to prevent backdrafting. Follow the heating equipment manufacturer’s guideline and safety standards such as those published by the National Fire Protection Association (NFPA), the American Society for Heating, Refrigeration and Air Conditioning Engineers (ASHRAE), and the local code authorities.
- When cutting or drilling into wall or ceiling, do not damage electrical wiring and other hidden utilities.
- Ducted fans must always be vented outdoors.
CAUTION: For general ventilating use only. Do not use to exhaust hazardous or explosive materials and vapors.
CAUTION: To reduce risk of fire and to properly exhaust air, be sure to duct air outside – do not vent exhaust air into spaces within walls or ceilings, attics or into crawl spaces, or garages.
WARNING: TO REDUCE THE RISK OF FIRE, USE ONLY METAL DUCTWORK.
WARNING: TO REDUCE THE RISK OF A RANGE TOP GREASE FIRE:
- Never leave surface units unattended at high settings. Boilovers cause smoking and greasy spillovers that may ignite. Heat oils slowly on low or medium settings.
- Always turn hood ON when cooking at high heat or when flambeing food (i.e. Crepes Suzette, Cherries Jubilee, Peppercorn Beef Flambe).
- Clean ventilating fans frequently. Grease should not be allowed to accumulate on fan or filter.
- Use proper pan size. Always use cookware appropriate for the size of the surface element.
WARNING: TO REDUCE THE RISK OF INJURY TO PERSONS IN THE EVENT OF A RANGE TOP GREASE FIRE, OBSERVE THE FOLLOWING:a
- SMOTHER FLAMES with a close fitting lid, cookie sheet, or metal tray, then turn off the burner. BE CAREFUL TO PREVENT BURNS. If the flames do not go out immediately, EVACUATE AND CALL THE FIRE DEPARTMENT.
- NEVER PICK UP A FLAMING PAN – you may be burned.
- DO NOT USE WATER, including wet dishcloths or towels -a violent steam explosion will result.
- Use an extinguisher ONLY if:
— You know you have a class ABC extinguisher, and you already know how to operate it.
— The fire is small and contained in the area where it started.
— The fire department is being called.
— You can fight the fire with your back to an exit.
aBased on “Kitchen Fire Safety Tips” published by NFPA.
- WARNING: To reduce the risk of fire or electrical shock, do not use this fan with any solid-state speed control device.
READ AND SAVE THESE INSTRUCTIONS
INSTALLATION REQUIREMENTS
Tools and Parts
Gather the required tools and parts before starting installation. Read and follow the instructions provided with any tools listed here.
NOTE: This range hood is recommended for use with cooking surfaces according to the following:
36″ (91.4 cm) or 48″ (121.9 cm) range hoods with 1 motor (585 CFM) to be paired with maximum total rating of 90,000 BTU.
36″ (91.4 cm) or 48″ (121.9 cm) range hoods with 2 motors (1170 CFM) to be paired with maximum total rating of 105,000 BTU.
Tools needed
- Level
- Drill
- 1¼” (3 cm) drill bit
- 1/8″ (3 mm) drill bit if installing into wood
- 5/16″ (8 mm) drill bit if installing optional backsplash kit
- 3/16″ (5 mm) drill bit if installing an in-line blower motor system
- Pliers
- Wire stripper or utility knife
- Tape measure or ruler
- Pencil
- Caulking gun and weatherproof caulking compound
- Vent clamps
- Jigsaw or keyhole saw
- Flat-blade screwdriver
- Metal snips
- Phillips screwdriver
- Scissors
Parts needed
- Home power supply cable
- 1 – 1/2″ (12.7 mm) UL listed or CSA approved strain relief
- 3 UL listed wire connectors
- 1 wall or roof cap
- Metal vent system
- Blower motor system – internal or external
- Duct cover (optional)
- Masking Tape
- Glue
Parts supplied
Remove parts from packages. Check that all parts are included.
- 2 metal grease filters for 36″ (91.4 cm) models and 3 metal grease filters for 48″ (121.9 cm) models
- Range hood with halogen lamps installed.
- 1 – 10″ (25.4 cm) square to 10″ (25.4 cm) round duct transition with damper
- Wood support
- Grease drip trays
- 4 – 6 x 80 mm mounting screws
- 4 – 3.5 x 9.5 mm screws
- 6 – 4.2 x 19 mm screws
- 2 – D5.3 x 20 mm washers
- 2 – 10 x 50 mm wall anchors
- T-20® TORX®† adapter
- Installation template WALL 36″
- Installation template WALL 48″
- Installation template CABINET 36″
- Installation template CABINET 48″
Location Requirements
IMPORTANT: Observe all governing codes and ordinances. Have a qualified technician install the range hood. It is the installer’s responsibility to comply with installation clearances specified on the model/serial rating plate. The model/serial rating plate is located inside the range hood on the rear wall of the range hood.
Range hood location should be away from strong draft areas, such as windows, doors and strong heating vents.
Cabinet opening dimensions that are shown must be used. Given dimensions provide minimum clearance.
The range hood is factory set for venting through the roof or through the wall.
All openings in ceiling and wall where range hood will be installed must be sealed.
For Mobile Home Installations
The installation of this range hood must conform to the Manufactured Home Construction Safety Standards, Title 24 CFR, Part 328 (formerly the Federal Standard for Mobile Home Construction and Safety, Title 24, HUD, Part 280) or when such standard is not applicable, the standard for Manufactured Home Installation 1982 (Manufactured Home Sites, Communities and Setups) ANSI A225.1/NFPA 501A, or latest edition, or with local codes.
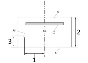
Product Dimensions
Front View

1.
18 1/16″ (45.9 cm) for 48″ (121.9 cm) Hood
12 1/16″ (30.6 cm) for 36″ (91.4 cm) Hood
2. 6 ½” (16.5 cm)
3. 12″ (30.5 cm)
4. 18″ (45.7 cm)
5. 25″ (63.5 cm)
6. 36″ (91.4 cm), 48″ (121.9 cm)
7. 3 3/16″ (8.1 cm)
Back View

1.
18 13/16″ (47.8 cm) for 48″ (121.9 cm) Hood
12 13/16 ” (32.5 cm) for 36″ (91.4 cm) Hood
2. 18″ (45.7 cm)
3. 9 5/8″ (24.4 cm)
A. Knockout into terminal box
B. Top of hood
C. Wood support
D. Bottom of hood
Optional Full-Width Duct Cover Installations

1. 12″ (30.5 cm)
2. 12″ (30.5 cm)
3. 18″ (45.7 cm)
A. Optional full-width duct cover
B. Range hood
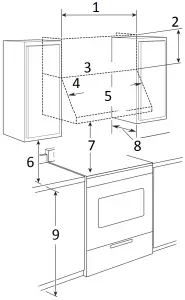
Installation Dimensions

1. 36.06″ (91.6 cm), or 48.07″ (122.1 cm) cabinet opening width (If installed between cabinets)
2. 12″ (30.5 cm)
3. Full-Width Duct Cover (if used)
4. Range Hood
5. Min. cabinet opening width
6. 18″ (45.7 cm) min. clearance upper cabinet to countertop
7. Bottom of Range hood to cooking surface
8. 13″ (33.0 cm )
9. 36″ (91.4 cm) countertop height
IMPORTANT:
Minimum distance “X”: 24″ (61 cm) from electric cooking surfaces
Minimum distance “X”: 30″ (76.2 cm) from gas cooking surfaces
Suggested maximum distance “X”: 36″ (91.4 cm)
Venting Requirements
- Vent system must terminate to the outdoors.
- Do not terminate the vent system in an attic or other enclosed area.
- Do not use a 4″ (10.2 cm) laundry-type wall caps.
- Use metal vent only. Rigid metal vent is recommended.Plastic or metal foil vent is not recommended.
- The length of vent system and number of elbows should be kept to a minimum to provide effi cient performance.
For the most efficient and quiet operation:
- Use no more than three 90° elbows.
- Make sure there is a minimum of 24″ (61.0 cm) of straight vent between the elbows if more than one elbow is used.
- Do not install two elbows together.
- Use clamps to seal all joints in the vent system.
- The vent system must have a damper. If the cap has a damper, do not use the damper supplied with the range hood.
- Use caulking to seal exterior wall or roof opening around the cap.
- The size of the vent should be uniform.
Cold Weather Installations
An additional back draft damper should be installed to minimize backward cold air fl ow and a thermal break should be installed to minimize conduction of outside temperatures as part of the vent system. The damper should be on the cold air side of the thermal break.
The break should be as close as possible to where the vent system enters the heated portion of the house.
Makeup Air
Local building codes may require the use of makeup air systems when using ventilation systems greater than specified CFM of air movement. The specified CFM varies from locale to locale. Consult your HVAC professional for specific requirements in your area.
Venting Methods
Typical Internal Blower Motor System Venting Installations A 10″ (25.4 cm) round vent system is needed for installation (not included). The hood exhaust opening is 10″ (25.4 cm) round.
NOTE: Flexible vent is not recommended. Flexible vent creates back pressure and air turbulence that greatly reduce performance.
Vent system can terminate either through the roof or wall.
Roof Venting

A. Roof cap
B. 10″ (25.4 cm) round vent
Wall Venting

A. Wall cap
B. 10″ (25.4 cm) round vent
Wall Venting

A. Wall cap
B. 10″ (25.4 cm) round vent
Typical In-line Blower Motor System Venting Installations

A. 10″ (25.4 cm) round vent
B. Mount on top of ceiling joists.
C. Roof caps
D. Plywood (optional for some installations)
E. Mount on underside of roof rafters.
F. Mount from cross-members tied to trusses.
G. Duct horizontal; mount to cross-members tied to trusses.
H. Wall cap
Calculating Vent System Length
To calculate the length of the system you need, add the equivalent feet (meters) for each vent piece used in the system.
| Vent Piece | Equivalent Length |
| 45° elbow | 2.5 ft (0.8 m) |
| 90° elbow | 5.0 ft (1.5 m) ![]() |
The maximum equivalent vent lengths are:
10″ (25.4 cm) round vents – 60 ft (18.3 m)
Example vent system

1. 2 ft (0.6 m)
2. 90° elbow
3. 6 ft (1.8 m)
4. Wall cap
The following example falls within the maximum recommended vent length.
1 – 90° elbow = 5.0 ft (1.5 m)
1 – wall cap = 0.0 ft (0.0 m)
8 ft (2.4 m) straight = 8.0 ft (2.4 m)
Length of system = 13.0 ft (3.9 m)
Electrical Requirements
Observe all governing codes and ordinances.
Ensure that the electrical installation is adequate and in conformance with National Electrical Code, ANSI/NFPA 70 (latest edition), or CSA Standards C22.1-94, Canadian Electrical Code, Part 1 and C22.2 No. 0-M91 (latest edition) and all local codes and ordinances.
If codes permit and a separate ground wire is used, it is recommended that a qualified electrician determine that the ground path is adequate.
A copy of the above code standards can be obtained from:
National Fire Protection Association
1 Batterymarch Park
Quincy, MA 02169-7471
CSA International
8501 East Pleasant Valley Road
Cleveland, OH 44131-5575
- A 120 V ~, 60 Hz, 463 W, AC only, 3.8 A, fused electrical circuit is required.
- If the house has aluminum wiring, follow the procedure below:
Connect the aluminum wiring using special connectors and/or tools designed and UL listed for joining copper to aluminum.
Follow the electrical connector manufacturer’s recommended procedure. Aluminum/copper connection must conform with local codes and industry accepted wiring practices. - Wire sizes and connections must conform with the rating of the appliance as specified on the model/serial rating plate. The model/serial plate is located behind the filter on the rea wall of the range hood.
- Wire sizes must conform to the requirements of the National Electrical Code, ANSI/NFPA 70 (latest edition), or CSA Standards C22. 1-94, Canadian Electrical Code, Part 1 and C22.2 No. 0-M91 (latest edition) and all local codes and ordinances.
INSTALLATION INSTRUCTIONS
Prepare Location
- It is recommended that the vent system be installed before range hood is installed.
- If you are installing the optional backsplash, follow the instructions included with that product.
- Before making cutouts, make sure there is proper clearance within the ceiling or wall for exhaust vent.
- Check that all installation parts have been removed from the shipping carton.
1. Disconnect power.
2. Determine which venting method to use: roof or wall exhaust.
3. Select a fl at surface for assembling the range hood. Place covering over that surface.
WARNING
Excessive Weight Hazard
Use two or more people to move and install range hood.
Failure to do so can result in back or other injury.
4. Using two or more people, lift range hood onto covered surface.
Range Hood Mounting Screws Installation
The range hood is attached to the wall with the wood support that is attached to the back of the range hood.
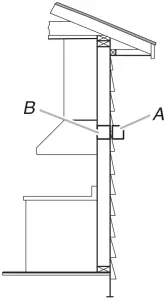
1. Determine and mark the centerline on the wall where the range hood will be installed (B).
2. Select a mounting height “X” between a minimum of 24″ (61 cm) from electric cooking surfaces or 30″ (76.2 cm) from gas cooking surfaces, and a suggested maximum of 36″
(91.4 cm), above the cooking surface and the bottom of the range hood. Mark a reference line on the wall (C).
3. Remove the wood support from the back of the range hood by loosening the 2 screws from the inside.
4. Tape template in place, aligning the WALL template centerline and bottom of template with hood bottom line and with the centerline marked on the wall.
5. Align the wood where the template indicates.

A. Horizontal reference line
B. Vertical centerline
C. Mounting height
D. Cooking surface
6. Locate the marks for the studs, and then draw two vertical lines on the wood support marking where the studs intersect with the wood support.
7. Mark the center of each line, remove the wood support from the wall, and then drill a pilot hole at each mark.
8. Again, line the top of the wood support up with the wood support location line, and then center it on the center line.
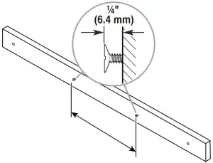
9. Push a pencil point or awl through the holes you just drilled in the wood support (A) to mark the location of the pilot holes for two screws that will go into the studs.
10. Also mark the locations of two additional pilot holes (B) by pushing a pencil point or awl through pre-drilled holes in the center of the wood support. These holes are for the supplied wall anchors. See the diagram below.

- 3 ³/₁₆” (3 cm)
- 1″ (2.5 cm)
- 1″ (2.5 cm)
- 1 ³/₁₆” (3 cm)
11. Remove the wood support, and then drill four pilot holes into the wall.
12. Push two of the supplied wall anchors into the two pilot holes at the center.
13. Fasten the wood support to the wall by screwing 2 fixing screws 6 x 80 mm (0.25 x 3.15 in) through the wood support into the pilot holes you drilled in the studs.
14. Using the rear installation diagram as a guide (See page 7), cut the knockout wiring holes in the wall.
15. Screw two 6 x 80 mm (0.25 x 3.15 in) screws into the holes (B) in the center of the wood support. Screw them through the support into the anchors underneath. Leave a 1/4″ (6.4 mm) gap between the wall and the back of the screw head to slide range the hood into place.

15 1/16″ (38.5cm)

B. Vertical centerline
16. Mark centers of the fastener locations through the template to the wall and to the cabinet.
17. Remove the template.
NOTE: The screws provided for mounting this range hood must be fastened into solid wood; do not fasten into sheet rock only.
Complete Preparation
1. Determine and make all necessary cuts in the wall or roof for the vent system. Install the vent system before installing the range hood. See the “Venting Requirements” section.
2. Determine the location where the power supply cable will be run through the wall.
3. Drill a 1¹/4″ (3.2 cm) hole at this location.
4. Pull enough power supply cable through the wall to allow for easy connection to the terminal box.
5. Install the 10″ (25.4 cm) square x 10″ (25.4 cm) round vent transition with damper to top or rear of the range hood (depending on your installation), using 4 – 3.5 x 9.5 mm screws. Remove the damper from the vent transition when mounting to the rear of the range hood.
NOTE: There is a 8¾” (22.2 cm) flat cover plate mounted on the rear panel of the range hood. It must cover the exhaust opening in the rear panel of the range hood for top venting or be removed and reinstalled to cover the exhaust opening in the top panel for rear venting.
6. Remove terminal box cover and set aside.
7. Remove knockout from the back of the range hood and install a UL listed or CSA approved 1/2″ (1.3 cm) strain relief.
8. Place the range hood near its mounting position and run the power supply cable through the strain relief into terminal box (enough to make connection).
9. Tighten the strain relief screws.
NOTE: Your range hood requires you to purchase either an internal type or an in-line (external type) blower motor system. For internal blower systems, there are blower motor mounting parts in the blower motor installation packet that must be added to the range hood prior to mounting the range hood to the wall. See the “Install Range Hood Internal Blower Motor” section and the instructions supplied with the blower motor.
Install Range Hood
The range hood attaches to the wall by the 2 mounting screws in the wood support mounted to the wall in the “Range Hood Mounting Screws Installation” section.
1. Using 2 or more people, hang the range hood on the the wall by placing the slotted holes in the range hood back over the 2 screws mounted to the wood support mounted to the wall.
NOTE: If your installation uses the optional duct cover, the vent system needs to be connected to the range hood and the duct cover mounted to the top of the range hood before tightening the mounting screws. See steps 3-5.

2. Push the range hood up into the narrow slots, align the bottom of the hood to the horizontal line, level the hood, and tighten the 2 mounting screws.
3. Mark 2 lower mounting hole center point locations. Drill 1/8″ (3.2 mm) pilot holes if the holes are located into wood. If holes are not located into wood, drill two 3/8″ (9.5 mm) pilot holes and insert 10 x 50 mm wall anchors. Install 2 – 6 x 80 mm screws with D5.3 x 20 mm washers into the lower mounting anchors and tighten.
4. Install 4 – 4.2 x 19 mm screws through the back of the hood into the wood support and tighten.
5. Connect vent system to hood. Seal all joints with clamps.
NOTE: If your installation uses the optional full-width duct cover, attach the duct cover to the top of the range hood following the instructions and using the screws that are provided with the duct cover.
Install Range Hood Internal Blower Motor
NOTE: Your range hood requires you to purchase either an internal type or an in-line (external type) blower motor system.
The internal blower system can be mounted for top venting or rear venting. For top venting, the mounting bracket and spring clip that comes with the blower system will mount to the top panel of the range hood. For rear venting, the mounting bracket and spring clip that comes with the blower system will mount to the rear panel of the range hood.
Prepare the Internal Blower System
IMPORTANT: Perform steps 1-4 before mounting the range hood.
1. Remove grease filters from range hood. See the “Range Hood Care” section in the Use and Care Guide.
2. Install the motor support bracket using three 4.2 x 8 mm screws. Screw bracket to the inside top or back (alternate location on some models), toward the left side of the range hood.
3. Install motor spring clip using two 4.2 x 8 mm screws. Screw spring clip to the inside top or back (alternate location on some models) of the range hood at the proper location for the selected motor system. Slide the mounting tab of the spring clip through the slot in the panel and secure with the screws. Use the inside set of mounting holes for the single motor system. Use the outside set of mounting holes for the dual motor system.

A. 4.2 x 8 mm screws (3) for motor support bracket
B. 4.2 x 8 mm screws (2) for motor spring clip
C. Motor support bracket
D. Motor spring clip (single motor assembly location)
E. Motor spring clip (dual motor assembly location)
4. Install the 6 mm nuts to the outside top or outside back (alternate location on some models) of the range hood at the proper location for the selected motor system.
- Two 6 mm nuts are required for the single motor system. Clip nuts into the small square notches located at the left and right end of the square vent opening.
- Five 6 mm nuts are required for the dual motor system. Clip nuts into the small square notches, one located in the front of the square vent opening and the other four located at the left and right ends of the square vent opening.

A. Clip nut locations for dual motor assembly (5)
B. Clip nut locations for single motor assembly (2)
5. Mount range hood. See the “Install Range Hood” section.
Install Range Hood Internal Blower Motor
1. Install the range hood blower motor assembly inside the range hood with the wiring connection to the left for the single motor system and to front or top for the dual motor system.
Single Blower Motor Assembly

A.Wiring connection
Dual Blower Motor Assembly

A.Wiring connection
2. Slide the left mounting plate flange under the motor mounting bracket.

A. Motor mounting bracket
B. Mounting plate left flange
3. Push the right end of the motor mounting plate up and snap it into the spring tab.
NOTE: The spring tab should be outside the slot in the mounting plate.

A. Motor mounting plate
B. Spring clip
4. Align mounting holes and install 6 x 16 mm screws and 6.4 mm lock washers.

A. Screw with lock washer
B. Mounting hole
5. Attach power supply connector from the range hood to the connector on the blower motor assembly wiring box.

A.Wiring box connector
B. Power supply connector from range hood
6. Go to the “Make Electric Power Supply Connection to Range Hood” section.
Install Range Hood In-Line (External Type) Blower Motor
NOTE: Your range hood requires you to purchase either an internal type or an in-line (external type) blower motor system.
Prepare for Mounting the In-Line Blower System
The in-line blower system must be fastened to a secure structure of the roof, ceiling, wall, fl oor, or new or existing frame construction. The 4 holes on either the inlet (bottom) side or the outlet (top) side of the blower must be used to mount the in-line blower system to the structure.
NOTE: The mounting hole locations must span the studs. Additional stud framing may be required. Plywood may be used to span open areas between ceiling joists or roof rafters to aid installation. This structure must be strong enough to support the weight of the in-line blower system (50 lb [22.6 kg] min).
Prepare the In-line Blower System
WARNING
Excessive Weight Hazard
Use two or more people to move and install in-line blower motor system.
Failure to do so can result in back or other injury.
1. Using 2 or more people, move the in-line blower motor system to the mounting location.
2. Remove the 10 screws from the front cover of the in-line blower motor housing and set them aside.
3. Remove the front cover of the in-line blower motor housing and set it aside.
NOTE: To make the blower motor housing easier to mount, the blower motor assembly can be removed. If you do not want to remove the blower motor assembly, proceed to “Install In-line Blower System” in this section.
4. Disconnect the motor electrical plug from the blower motor assembly.
5. Remove the screws that secure the blower motor assembly to the in-line blower housing and set them aside.
6. Pull the spring clip to release the blower motor assembly. Remove the blower motor assembly from the housing and place it on a covered surface.


A. Front cover
B. Blower mounting screws
C. Spring clip
D. Motor electrical plug
Install In-line Blower System
NOTE: The blower motor housing can be mounted using 4 holes from either the inlet side or the outlet side of the blower.


A. Mounting holes
1. Position the in-line blower motor housing in its mounting location and mark the 4 mounting hole locations.
2. Drill 4 mounting pilot holes using a 3/16″ (4.8 mm) drill bit.
3. Attach the in-line blower motor housing to the mounting location with four 6 x 80 mm mounting screws and washers.
4. If it is removed, reinstall the blower motor assembly and secure it with the screws previously removed.
5. If it is removed, reattach the motor electrical plug to the connector on the blower motor assembly.
Complete Preparation
1. Determine and make all necessary cuts for the vent system.
IMPORTANT: When cutting or drilling into the ceiling or wall, do not damage electrical wiring or other hidden utilities.
2. Determine the location where the 1/2″ (1.3 cm) wiring conduit will be routed through the ceiling or wall between the in-line blower and the range hood.
3. Drill a 1¹/4″ (3.2 cm) hole at this location.
4. Locate the electrical terminal boxes in the in-line blower housing and range hood (see “Complete Preparation” in the “Prepare Location” section). Remove the terminal box covers and set the covers and screws aside.

A. Electrical terminal box
B. Electrical knockout
5. Remove the electrical knockout from the in-line blower housing and range hood (see “Complete Preparation” in the “Prepare Location” section) to prepare for the installation of the UL listed or CSA approved 1/2″ (1.3 cm) wiring conduit and conduit connector.
6. With the range hood mounted (see the “Install Range Hood” section), run the 1/2″ (1.3 cm) wiring conduit between the inline blower motor housing and the range hood. Pull enough 1/2″ (1.3 cm) wiring conduit to allow for easy connection to the terminal boxes in the in-line blower housing and range hood.
7. Run the six 18 AWG wires through the 1/2″ (1.3 cm) wiring conduit and conduit connectors and into the terminal boxes on the in-line blower housing and range hood. Leave enough wire length in each terminal box to make the wiring connections.
8. Install the conduit connectors and conduit to the in-line blower housing and range hood electrical terminal boxes.
9. Connect the vent system to the range hood and in-line blower system and seal all joints with clamps.
Make Electrical Connections for InLine Blower Motor System
WARNING

Electrical Shock Hazard
Disconnect power before servicing.
Replace all parts and panels before operating.
Failure to do so can result in death or electrical shock.
Electrical Connection Inside In-line Blower System
1. Disconnect power.
2. Connect the wires from the wiring conduit to the wires from the motor electrical plug cable inside the in-line blower housing terminal box.

A. UL listed or CSA approved 1/2″ (1.3 cm) wiring conduit
B. UL listed wire connectors
C. Black wires
D. White wires
E. Red wires
F. Blue wires
G. Gray wires
H. Green (or yellow/green) and green/yellow wires
I. Motor electrical plug cable
3. Use UL listed wire connectors and connect the black wires (C) together.
4. Use UL listed wire connectors and connect the white wires (D) together.
5. Use UL listed wire connectors and connect the red wires (E) together.
6. Use UL listed wire connectors and connect the blue wires (F) together.
7. Use UL listed wire connectors and connect the gray wires (G) together.
WARNING

Electrical Shock Hazard
Electrically ground blower.
Connect ground wire to green and yellow ground wire in terminal box.
Failure to do so can result in death or electrical shock.
8. Connect the green (or yellow/green) ground wire to the green/yellow ground wire (H) in the terminal box using UL listed wire connectors.
9. Reinstall the in-line blower terminal box cover and screw.
10. Reinstall the front cover of the in-line blower housing and secure it with 10 mounting screws.
Electrical Connection Inside Range Hood Between In-line Blower System and Range Hood
1. With the range hood mounted (see the “Install Range Hood” section), locate the wiring cable connector inside the range hood.
2. Connect the 6-wire connector assembly supplied with the in-line blower motor system to the mating cable connector from the range hood.

3. Locate the terminal box inside the range hood and install a 1/2″ (1.3 cm) UL listed or CSA approved strain relief (see “Complete Preparation” in the “Prepare Location” section).
4. Run the wire ends from the 6-wire connector assembly through the 1/2″ (1.3 cm) strain relief, leaving enough wire length to make the wiring connections. Tighten the strain relief screws.
5. Connect the wires from the 6-wire connector assembly to the wires from the wiring conduit inside the range hood terminal box.
6. Connect the same color wires to each other (black to black, white to white, etc.) using UL listed wire connectors.
NOTE: Connect the green (or green/yellow) ground wire from the wiring conduit to the green (or bare) ground wire from the home power supply using UL listed wire connectors (see the “Make Electrical Power Supply Connections to Range Hood” section).

A. UL listed or CSA approved 1/2″ (1.3 cm) wiring conduit
B. UL listed wire connectors
C. Black wires
D. White wires
E. Red wires
F. Blue wires
G. Gray wires
H. Green (or green/yellow) wire
I. 6-wire connector assembly
7. Go to “Make Electrical Power Supply Connection to Range Hood” section.
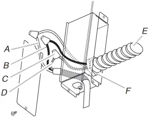
Make Electrical Power Supply Connection to Range Hood
WARNING

Electrical Shock Hazard
Disconnect power before servicing.
Replace all parts and panels before operating.
Failure to do so can result in death or electrical shock.
1. Disconnect power.
2. Locate terminal box inside of the range hood.

A. Terminal box cover
B. Knockout in back into terminal box

A. White wires
B. Black wires
C. UL listed wire connectors
D. Green, bare or yellow/green wires
E. Home power supply
F. UL listed or CSA approved 1/2″ (1.3 cm) strain relief
3. Use UL listed wire connectors and connect black wires (B) together.
4. Use UL listed wire connectors and connect white wires (A) together.
WARNING

Electrical Shock Hazard
Electrically ground blower.
Connect ground wire to green and yellow ground wire in terminal box.
Failure to do so can result in death or electrical shock.
NOTE: When using an in-line blower motor system, the green (or green/yellow) ground wire in the conduit from the In-line blower motor system is to be connected with the green (or bare) wire of the home power supply cable and with the green/yellow wire (D) in the terminal box.
5. Connect green (or bare) ground wire from home power supply to the green/yellow ground wire (D) in terminal box using UL listed wire connectors.
6. Install terminal box cover.
7. Check that all light bulbs are secure in their sockets.
8. Reconnect power.
Complete Installation and Check Operation
1. Install grease filters. See “Range Hood Care” section.
2. Check operation of the range hood blower and lights. See “Range Hood Use” section.

A. Control switches
B. LED light
C. Grease filter handles
D. Grease filter
3. If range hood does not operate, check to see whether a circuit breaker has tripped or a household fuse has blown. Disconnect power supply and check that the wiring is correct.
NOTE: To get the most efficient use from your new range hood, read the “Range Hood Use” section.
RANGE HOOD USE
The range hood is designed to remove smoke, cooking vapors and odors from the cooktop area. For best results, start the hood before cooking and allow it to operate several minutes after the cooking is complete to clear all smoke and odors from the kitchen.

A. Fan speed control
B. Fan Boost level
C. Light intensity control
Range Hood Controls
Operating the Light
1. Press the light control buttons (C) to turn on and control the light settings.
2. To select a lower intensity, press the left of the two light control buttons until desired light setting. To increase, press the right button.
Operating the Fan
1. Press the fan speed control buttons (A) to turn on and control the fan settings.
2. To boost the fan speed for five minutes, press the Fan Boost level button (B). Once the five minutes have passed, the fan will return to the previously selected speed.
Auto On Fan
The range hood has a built in sensor to automatically turn the fan on when excessive heat is detected. If needed, the sensor will turn the fan to the Boost setting, and once the heat decreases, the fan will automatically turn off.
Thermal protector
The range hood is equipped with a thermal protector to avoid overheating conditions. If the range hood shuts off while in use, press OFF button to turn off the range hood. Wait approximately 60 minutes, then press ON to restart the range hood.
RANGE HOOD CARE
Range Hood Lamps
Replacing a LED Lamp
Turn off the range hood and allow the LED lamp to cool. To avoid damage or decreasing the life of the new lamp, do not touch lamp with bare fingers. Replace lamp, using tissue or wearing cotton gloves to handle lamp.
If new lamps do not operate, make sure the lamps are inserted correctly before calling service.
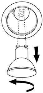
1. Disconnect power.
2. Push up on the lens and turn it counterclockwise.

3. Remove the bulb and replace it with a 120 V, 6.5 W maximum LED bulb with a GU10 base. Turn it clockwise to lock it into place.
4. Repeat steps 2-3 for the other bulb if needed.
5. Reconnect power.
Cleaning
IMPORTANT: Clean the hood and grease filters frequently according to the following instructions. Replace grease filters before operating hood.
Exterior surfaces:
To avoid damage to the exterior surface,do not use steel wool or soap-filled scouring pads. Rub in direction of the grain line to avoid scratching the surface.
Always wipe dry to avoid water marks.
- Stainless Steel Cleaner and Polish.
- Mild liquid detergent and water.
- Wipe with damp soft cloth or nonabrasive sponge, then rinse with clean water and wipe dry.
Metal Filters and Drip Trays:
Use 2 hands to remove filters. Grasp filter handles, pull toward the front of range hood and pull down on the rear handle to remove. Repeat for each filter.

A. Grease filter
Remove grease drip tray.

A. Drip tray
Grease filters should be cleaned using warm water, dish washing liquid, and a non abrasive brush. Dishwasher not recommended. Replace grease drip tray.
Reinstall filters, grasp filter handles and place front edge of filter into the hood. Push up on the back handle and set rear of filter into the drip tray to secure. Repeat for each filter.

A. Grease filter
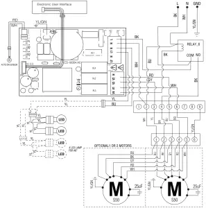
WIRING DIAGRAM

MOTOR SPECIFICATIONS | |
| Power Supply | 120 VAC |
| Frequency | 60 Hz |
| Power Absortion | 420 W |
| Current | 3.7 A |
MOTOR RESISTANCE (Ω) | |
| Blue – Black | 9.8 |
| Blue – Grey | 14.3 |
| Blue – Red | 18 |
| Blue – White | 21.6 |
| Room Temp. | 23 °C |
ASSISTANCE OR SERVICE
When calling for assistance or service, please know the purchase date and the complete model and serial number of your appliance. This information will help us to better respond to your request.
If you need replacement parts
If you need to order replacement parts, we recommend that you use only factory specified parts. Factory specified parts will fit right and work right because they are made with the same precision used to build every new appliance. To locate factory specified replacement parts in your area, call us or your nearest designated service center.
In the U.S.A.
Call the KitchenAid Customer eXperience Center toll free: 1-800-422-1230.
Our consultants provide assistance with:
- Features and specifications on our full line of appliances.
- Installation information.
- Use and maintenance procedures.
- Accessory and repair parts sales.
- Specialized customer assistance (Spanish speaking, hearing impaired, limited vision, etc.).
- Referrals to local dealers, repair parts distributors and service companies. KitchenAid designated service technicians are trained to fulfill the product warranty and provide after warranty service, anywhere in the United States.
To locate the KitchenAid designated service company in your area, you can also look in your telephone directory Yellow Pages.
For further assistance:
If you need further assistance, you can write to KitchenAid with any questions or concerns at:
KitchenAid Brand Home Appliances
Customer eXperience Center
553 Benson Road
Benton Harbor, MI 49022-2692
Please include a daytime phone number in your correspondence.
In Canada
Call the KitchenAid Canada Customer eXperience Centre toll free: 1-800-807-6777.
Our consultants provide assistance with:
- Features and specifications on our full line of appliances.
- Use and maintenance procedures.
- Accessory and repair parts sales.
- Referrals to local dealers, repair parts distributors and service companies. KitchenAid Canada designated service technicians are trained to fulfill the product warranty and provide after-warranty service, anywhere in Canada.
For further assistance:
If you need further assistance, you can write to KitchenAid Canada with any questions or concerns at:
KitchenAid Brand Home Appliances
Customer eXperience Centre
200 – 6750 Century Ave.
Mississauga, Ontario L5N 0B7
Please include a daytime phone number in your correspondence.
®/™ ©2020 KitchenAid. All rights reserved. Used under license in Canada.
W11423732A 10/20




















