ZEPHYR AK9028BS Vortex Range Hoods Installation Guide
Safety Information
READ AND SAVE THESE INSTRUCTIONS
Your safety and the safety of others are very important. We have provided many important safety messages in this manual for your appliance. Always read and obey all safety messages.
Types of Safety Warnings
This is the Safety Alert Symbol. This symbol alerts you to potential hazards that can cause severe bodily injury or death. All safety messages will follow the Safety Alert Symbol and either the words “DANGER” “WARNING” or “CAUTION”
DANGER: Danger means that failure to heed this safety statement may result in severe injury or death.
WARNING
Warning means that failure to heed this safety statement may result in extensive product damage, serious personal injury, or death.
CAUTION
Caution means that failure to heed this safety statement may result in minor or moderate personal injury, property or equipment damage.
General Safety
WARNING
To reduce the risk of fire or electric shock, do not use this fan with any solid-state control device.
WARNING
WARNING – TO REDUCE THE RISK OF FIRE, ELECTRIC SHOCK, OR INJURY TO PERSONS, OBSERVE THE FOLLOWING:
a) Use this unit only in the manner intended by the manufacturer. If you have questions, contact the manufacturer.
b) Before servicing or cleaning unit, switch power off at service panel and lock the service disconnecting means to prevent power from being switched on accidentally. When the service disconnecting means cannot be locked, securely fasten a prominent warning device, such as a tag, to the service panel.
CAUTION
For General Ventilating Use Only. Do Not Use To Exhaust Hazardous Or Explosive Materials And Vapors. Take care when using cleaning agents or detergents. Suitable for use in household cooking area.
WARNING
WARNING – TO REDUCE THE RISK OF A RANGE TOP GREASE FIRE:
a) Never leave surface units unattended at high settings. Boilovers cause smoking and greasy spillovers that may ignite. Heat oils slowly on low or medium settings.
b) Always turn hood ON when cooking at high heat or when flambeing food. (i.e. Crepes Suzette, Cherries Jubilee, Peppercorn Beef Flambe’).
c) Clean ventilating fans frequently. Grease should not be allowed to accumulate on fan or filter.
d) Use proper pan size. Always use cookware appropriate for the size of the surface element.
WARNING
WARNING – TO REDUCE THE RISK OF INJURY TO PERSONS IN THE EVENT OF A RANGE TOP GREASE FIRE, OBSERVE THE FOLLOWING:
a) SMOTHER FLAMES with a close-fitting lid, cookie sheet, or metal tray, then turn off the burner. BE CAREFUL TO PREVENT BURNS. If the flames do not go out immediately, EVACUATE AND CALL THE FIRE DEPARTMENT.
b) NEVER PICK UP A FLAMING PAN – You may be burned.
c) DO NOT USE WATER, including wet dishcloths or towels – a violent steam explosion will result.
d) Use an extinguisher ONLY if:
- You know you have a Class ABC extinguisher, and you already know how to operate it.
- The fire is small and contained in the area where it started.
- The fire department is being called.
- You can fight the fire with your back to an exit
Based on “Kitchen Firesafety Tips” published by NFPA.
WARNING
TO REDUCE THE RISK OF FIRE, USE ONLY METAL DUCTWORK.
CAUTION
To reduce risk of fire and to properly exhaust air outside, do not vent exhaust air into spaces within walls, ceilings, attics, crawl spaces, or garages
WARNING
WARNING – TO REDUCE THE RISK OF FIRE, ELECTRIC SHOCK, OR INJURY TO PERSONS, OBSERVE THE FOLLOWING:
a) Installation work and electrical wiring must be done by qualified person(s) in accordance with all applicable codes and standards, including fire-rated construction.
b) Sufficient air is needed for proper combustion and exhausting of gases through the flue (chimney) of fuel burning equipment to prevent back drafting. Follow the heating equipment manufacturer’s guideline and safety standards such as those published by the National Fire Protection Association (NFPA), and the American Society for Heating, Refrigeration and Air Conditioning Engineers (ASHRAE), and the local code authorities.
c) When cutting or drilling into wall or ceiling, do not damage electrical wiring and other hidden utilities.
d) Ducted fans must always be vented to the outdoors.
e) If this unit is to be installed over a tub or shower, it must be marked as appropriate for the application and be connected to a GFCI (Ground Fault Circuit Interrupter) – protected branch circuit.
WARNING
Prop. 65 Warning for California Residents: This product may contain chemicals known to the State of California to cause cancer, birth defects, or other reproductive harm.
Operation
- Always leave safety grilles and filters in place. Without these components, operating blowers could catch onto hair, fingers and loose clothing.
- The manufacturer declines all responsibility in the event of failure to observe the instructions given here for installation, maintenance and suitable use of the product. The manufacturer further declines all responsibility for injury due to negligence and the warranty of the unit automatically expires due to improper maintenance.
NOTE: Please check www.zephyronline.com for revisions before doing any custom work.
Electrical Requirements
Important
- Observe all governing codes and ordinances.
- It is the customer’s responsibility to be aware of these below:
- To contact a qualified electrical installer.
- To assure that the electrical installation is adequate and in conformance with National Electrical Code, ANSI/NFPA 70 latest edition* or CSA standards C22.1-94, Canadian Electrical Code, Part 1 and C22.2 No.0-M91 – latest edition** and all local codes and ordinances.
- If codes permit and a separate ground wire is used, it is recommended that a qualified electrician determine that the ground path is adequate.
- Do not ground to a gas pipe.
- Check with a qualified electrician if you are not sure the range hood is properly grounded.
- Do not have a fuse in the neutral or ground circuit.
- This appliance requires a 120V 60Hz electrical supply and connected to an individual properly grounded branch circuit protected by a 15 or 20 ampere circuit breaker or time delay fuse. Wiring must be 2 wire with ground. Please also refer to Electrical Diagram on product.
- A cable locking connector (not supplied) might also be required by local codes. Check with local requirements, purchase and install appropriate connector if necessary.
* National Fire Protection Association Batterymarch Park, Quincy, Massachusetts 02269
** CSA International 8501 East Pleasant Valley Road, Cleveland, Ohio 44131-5575
List of Materials
Parts Supplied
| Quantity | Part |
| 1 | Power pack |
| 1 | Adjustable front panel |
| 1 | Baffle filter |
| 2 | LumiLight LED, 6W (pre-installed) |
| 1 | Single internal blower (pre-installed) |
| 1 | Hardware package |

Parts Not Supplied
Ducting, conduit and all installation tools
Cable locking connector (if required by local codes)
Optional recirculating kit (ZRC-9000)
Installation Instructions
Ducting Calculation Sheet




Mounting Height, Clearance, & Ducting
A minimum of 6” round vertical or horizontal duct must be used to maintain maximum air flow efficiency.
Always use rigid type metal ducts only. Flexible ducts could restrict air flow by up to 50%.
Also use calculation (on page 8) to compute total available duct run when using elbows, transitions and caps.
ALWAYS, when possible, reduce the number or transitions and turns. If long duct run is required, increase duct size.
If turns or transitions are required; install as far away from hood duct output and as far apart, between the two as possible.
Minimum mount height between range top to hood bottom should be no less than 24” above gas cooktops and 20” above electric cooktops.
Maximum mount height should be no higher than 36”.
It is important to install the hood at the proper mounting height. Hoods mounted too low could result in heat damage and fire hazard; while hoods mounted too high will be hard to reach and will lose its performance and efficiency.

If available, also refer range manufacturer’s height clearance requirements and recommended hood mounting height above range.
For shipment and installation damages:
- Please fully inspect unit for damage before installation.
- If the unit is damaged in shipment, return the unit to the store in which it was bought for repair or replacement.
- If the unit is damaged by the customer, repair or replacement is the responsibility of the customer.
- If the unit is damaged by the installer (if other than the customer), repair of replacement must be made by arrangement between customer and installer.
Ducting Options
WARNING: Fire Hazard: NEVER exhaust air or terminate ductwork into spaces between walls, crawl spaces, ceilings, attics, or garages. All exhaust must be ducted to the outside, unless using the recirculating option.
- Use single wall rigid metal ductwork only.
- Fasten all connections with sheet metal screws and tape all joints w/ certified Silver Tape or Duct Tape.

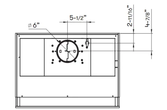
Hood Specification
TOP
FRONT
SIDE
Electrical Supply
WARNING
Electrical wiring must be done by qualified person(s) in accordance with all applicable codes and standards. Turn off electrical power at service entrance before wiring.
For personal safety, remove house fuse or open circuit breaker before beginning installation. Do not use extension cord or adapter plug with this appliance.
Follow national electrical codes or prevailing local codes and ordinances.
This appliance requires a 120V 60Hz electrical supply, and connected to an individual, properly grounded branch circuit, protected by a 15 or 20 ampere circuit breaker or time delay fuse. Wiring must be 2 wire w/ ground. Please also refer to the Electrical Diagram labeled on product.
Cable Lock
A cable locking connector (not supplied) might be required by local codes. Check with local requirements and codes, purchase and install appropriate connector if necessary. (FIG. A)

FIG. A
Hood Preparation & Installation
CAUTION
At least two installers are required due to the weight and size of the hood.
- Remove baffle filter, all packing materials, and protective film prior to installation. Use caution during installation to prevent scratches or damage to the stainless steel.
- Prepare custom cabinet enclosure by following the dimensions in FIG. B and the chart below.

FIG. B - If ducting vertically, continue to step 4. If ducting horizontally, remove the motor by (8) screws, knock out the rear duct 6” hole, orient the motor for horizontal ducting, and reinstall motor and bracket, FIG. C.

FIG. C - Install hood into cabinet. FIG D.

FIG. D
NOTE: Wood blocking may need to be added to cabinet base if additional support is needed. - Secure front panel to cabinet. FIG E,

FIG. E - Finalize electrical and ductwork. Seal ductwork with certified aluminum duct tape.
- Switch power on and check for leaks around duct tape. Test for proper operation.
- Reinstall filter.
| Model | Custom Hood Exterior Width | Inside Width*(A) | Inside Depth*(B) | |
| Without Backboard | With Backboard** | |||
| AK9028BS | 30 inches | 28 1/2” | 17 1/2” – 20 1/2” | 17 1/8” – 20 1/8” |
| AK9034BS | 36 inches | 34 1/2” | ||
| Model | Cut-Out Width (C) | Cut-Out Depth (D) | Rear Base Depth (E) | |
| Without Backboard | With Backboard** | |||
| AK9028BS AK9034BS | 26-5/8” | 10-1/2” | 1-3/8” | 1” |
*Dimension does not include 3/8” wide flange around hood.
**Assumes backboard thickness of 3/8”
Mounting the Hood
- Lift hood into opening and install hood into cabinet. FIG D.
NOTE: Wood blocking may need to be added to cabinet base if additional support is needed. - Remove film from double-sided tape on the sides of front panel. FIG. E1.
- Lift front panel up and slide into the nose of the cabinet base. The tape will temporarily hold it in place and help keep the bottom flange of the frontpanel flush with the hood bottom flange. FIG. E2.
- Secure front panel to interior front of custom cabinet by using (3) #8 x 12” screws. FIG E3.
- Return to page 13, step 5 to complete installation.
Ductless Recirculation
Ductless recirculation is intended for applications where an exhaust duct work is not possible to be installed. When converted, the hood functions as a recirculating hood rather than an exhaust hood. Fumes and exhaust from cooking are drawn and filtered by a set of optional charcoal filters. The air is then purified and re-circulated back within the home.
We recommend to ALWAYS exhaust air outside of the home by employing existing or installing new duct work, if possible. The hood is most effective and efficient as an exhaust hood. Only when the exhaust option is not possible should you recourse to converting the hood into a recirculating hood.
When converted to be a recirculating hood, a set of charcoal filters are required on top of its standard Metal Filter set. Order according to its part number below. The standard mesh filters are intended to capture residue from cooking, and the optional charcoal filters help to purify fumes exhausted from cooking for recirculation.
Recirculating Kit Installation (required if no ducting is used)
For detailed installation instructions, please refer to the manual included with the recirculating kit.
| AK9028BS | ZRC-9000 | 1 |
| AK9034BS | ZRC-9000 | 1 |
- Purchase recirculating kit per the part number above. Remove filter from hood. Place charcoal filter on back side of filter.
- Place filter brackets over charcoal filter and secure in place by tucking each end of bracket under the filter frame. FIG. E. Reinstall filter.

FIG. F
Order replacement charcoal filters as follows:
| Hood Model | Part Number | Quantity to Order |
| AK9028BS | Z0F-C090 | 1 |
| AK9034BS | Z0F-C090 | 1 |
DO NOT WASH CHARCOAL FILTERS. Charcoal filters may need to be changed more often depending on cooking habits.
Features & Controls
Slide Controls
- BLOWER ON/OFF/SPEED SELECTION
0 is off, l is low speed., ll is medium, and lll is high speed - LIGHTS OFF/DIM/BRIGHT
0 is off, l is dim, and ll is bright.

Maintenance
Hood & Filter Cleaning
Surface Maintenance
- Do not use corrosive detergents, abrasive detergents or oven cleaners.
- Do not use any product containing chlorine bleach or any product containing chloride.
- Do not use steel wool or abrasive scrubbing pads which will scratch and damage surface.
Cleaning Stainless Steel
Clean periodically with warm soapy water and clean cotton cloth or micro fiber cloth. Always rub in the direction of the stainless steel grain. To remove heavier grease build up use a liquid degreaser detergent.
After cleaning use a non-abrasive stainless steel polish/cleaners, to polish and buff out the stainless luster and grain. Always scrub lightly, with clean cotton cloth or micro fiber cloth and buff in the direction of the stainless steel grain.
Cleaning Filters
The filters installed by the factory are intended to filter out residue and grease from cooking. They need not be replaced on a regular basis but are required to be kept clean.
Remove and clean by hand or in dishwasher using a non-phosphate detergent. Discoloration of the filter may occur if using phosphate detergents, or as a result of local water conditions – but this will not affect filter performance. This discoloration is not covered by the warranty. Spray degreasing detergent and leave to soak if heavily soiled.
Dry filters and re-install before using hood.
Installing the Filter (FIG. G):
- Place bottom of filter into channel on hood.
- Push filter handle in.
- Pivot filter up and lock into place.

FIG. G
LumiLight LED
In the unlikely event that your LumiLight LED fails, please contact Zephyr to order replacement parts. See the list of parts and accessories page for part numbers and contact information.
LED Removal (FIG. H):
- Remove filter.
- Remove (4) screws from inner brackets of face place.
- Disconnect LED light quick connector.
- Push in the two side clips on the ends of the LED light.
- Push LED light through the light panel opening.

FIG. H
Wiring Diagram

Troubleshooting
| After installation, the unit doesn’t work. | The power source is not turned ON. | Make sure the circuit breaker and the unit’s power is ON. |
| The power line and the cable locking connector is not connecting properly. | Check the power connection with the unit is connected properly. | |
| Light works, but blower is not turning. | The blower is defective, possibly seized. | Change the blower. |
| The thermally protected system detects if the blower is too hot to operate and shuts the blower down. | The blower will function properly after the thermally protected system cool down. | |
| Damaged capacitor. | Change the capacitor. | |
| The motor wire is not connected. | Make sure the motor wire is plugged into the molex connector. | |
| The unit is vibrating. | The blower is not secured in place. | Tighten the blower in place. |
| Damaged blower wheel. | Replace the blower. | |
| The hood is not secured in place. | Check the installation of the hood. | |
| The unit is whistling. | A filter is not in the correct position. | Adjust the filters until the whistling stops. |
| The duct pipe connections are not sealed or connected properly. | Check the duct pipe connections to be sure all connections are sealed properly. | |
| The blower is working, but the lights are not. | The LED light connector is disconnected. | Connect the LED light connector. |
| Defective LED light. | Change the LED light. | |
| LumiLight LEDs flicker when changing speed levels. | N/A | This is a normal operation and the hood is working correctly. |
| The hood is not venting out properly. | Using the wrong size of ducting. | Change the ducting to the correct size |
| The hood might be hanging to high from the cook top. | Adjust the distance between the cooktop and the bottom of the hood within 24” to 36” for gas cooktops and 20” to 36” for electric cooktops. | |
| The wind from the opened windows or opened doors in the surrounding area are affecting the ventilation of the hood. | Close all the windows and doors to eliminate the outside wind flow. | |
| Blockage in the duct opening or ductwork. | Remove all the blocking from the duct work or duct opening. | |
| Filter is vibrating. | Filter is loose. | Adjust or change the filter. |
| Spring clip is broken on the filter. | Change the spring clip. |
List of Parts & Accessories
| Description | Part Number |
| Replacement Parts | |
| LumiLight LED, 6W | Z0B0050 |
| Baffle Filter (each) | 50210016 |
| / | |
| Optional Accessories | |
| Recirculating Kit | ZRC-9000 |
| Charcoal Filter Replacement | Z0F-C090 |
To order parts, visit us online at http://store.zephyronline.com.
Limited Warranty
TO OBTAIN SERVICE UNDER WARRANTY OR FOR ANY SERVICE RELATED QUESTIONS
United States Customers please call: 1-888-880-8368 or contact us at: zephyronline.com/contact
Canada Customers please call: 1-800-361-0799 or
Email: [email protected]
Zephyr Ventilation, LLC (referred to herein as “we” or “us”) warrants to the original consumer purchaser (referred to herein as “you” or “your”) of Zephyr products (the “Products”) that such Products will be free from defects in materials or workmanship as follows:
Three Year Limited Warranty for Parts: For three years from the date of your original purchase of the Products, we will provide, free of charge, Products or parts (including LED light bulbs, if applicable) to replace those that failed due to manufacturing defects subject to the exclusions and limitations below. We may choose, in our sole discretion, to repair or replace parts before we elect to replace the Products.
One Year Limited Warranty for Labor: For one year from the date of your original purchase of the Products, we will provide, free of charge, the labor cost associated with repairing the Products or parts to replace those that failed due to manufacturing defects subject to the exclusions and limitations below. After the first year from the date of your original purchase, you are responsible for all labor costs associated with this warranty
Warranty Exclusions: This warranty covers only repair or replacement, at our option, of defective Products or parts and does not cover any other costs related to the Products including but not limited to: (a) normal maintenance and service required for the Products and consumable parts such as fluorescent, incandescent or halogen light bulbs, mesh and charcoal filters and fuses; (b) any Products or parts which have been subject to freight damage, misuse, negligence, accident, faulty installation or installation contrary to recommended installation instructions, improper maintenance or repair (other than by us); (c) commercial or government use of the Products or use otherwise inconsistent with its intended purpose; (d) natural wear of the finish of the Products or wear caused by improper maintenance, use of corrosive and abrasive cleaning products, pads, and oven cleaner products; (e) chips, dents or cracks caused by abuse or misuse of the Products; (f) service trips to your home to teach you how to use the Products; (g) damage to the Products caused by accident, fire, floods, acts of God; or (h) Custom installations or alterations that impact serviceability of the Products. If you are outside our service area, additional charges may apply for shipping costs for warranty repair at our designated service locations and for the travel cost to have a service technician come to your home to repair, remove or reinstall the Products. After the first year from the date of your original purchase, you are also responsible for all labor costs associated with this warranty. All Products must be installed by a qualified professional installer to be eligible for warranty repairs or service.
Limitations of Warranty. OUR OBLIGATION TO REPAIR OR REPLACE, AT OUR OPTION, SHALL BE YOUR SOLE AND EXCLUSIVE REMEDY UNDER THIS WARRANTY. WE SHALL NOT BE LIABLE FOR INCIDENTAL, CONSEQUENTIAL OR SPECIAL DAMAGES ARISING OUT OF OR IN CONNECTION WITH THE USE OR PERFORMANCE OF THE PRODUCTS. THE EXPRESS WARRANTIES IN THE PRECEDING SECTION ARE EXCLUSIVE AND IN LIEU OF ALL OTHER EXPRESS WARRANTIES. WE HEREBY DISCLAIM AND EXCLUDE ALL OTHER EXPRESS WARRANTIES FOR THE PRODUCTS, AND DISCLAIM AND EXCLUDE ALL WARRANTIES IMPLIED BY LAW, INCLUDING THOSE OF MERCHANTABILITY AND FITNESS FOR A PARTICULAR PURPOSE. Some states or provinces do not allow limitations on the duration of an implied warranty or the exclusion or limitation of incidental or consequential damages, so the above limitations or exclusions may not apply to you. To the extent that applicable law prohibits the exclusion of implied warranties, the duration of any applicable implied warranty is limited to the same three-year and one-year periods described above if permitted by applicable law. Any oral or written description of the Products is for the sole purpose of identifying the Products and shall not be construed as an express warranty. Prior to using, implementing or permitting use of the Products, you shall determine the suitability of the Products for the intended use, and you shall assume all risk and liability whatsoever in connection with such determination. We reserve the right to use functionally equivalent refurbished or reconditioned parts or Products as warranty replacements or as part of warranty service. This warranty is not transferable from the original purchaser and only applies to the consumer residence where the Product was originally installed located in the United States and Canada. This warranty is not extended to resellers.
To Obtain Service Under Limited Warranty: To qualify for warranty service, you must: (a) notify us at the address or telephone number stated below within 60 days of the discovery of the defect; (b) give the model number and serial number; and (c) describe the nature of any defect in the Product or part. At the time of the request for warranty service, you must present evidence of your proof of purchase and proof of the original purchase date. If we determine that the warranty exclusions listed above apply or if you fail to provide the necessary documentation to obtain service, you will be responsible for all shipping, travel, labor and other costs related to the services. This warranty is not extended or restarted upon warranty repair or replacements.
Please check our website for any additional Product information, www.zephyronline.com
Zephyr, 2277 Harbor Bay Parkway, Alameda, CA 94502
Product Registration
Congratulations on the purchase of your Zephyr product! Please take a moment to register your new Zephyr product at www.zephyronline.com/registration
IT’S IMPORTANT
Prompt registration helps in more ways than one.
- Ensures warranty coverage should you need service.
- Ownership verification for insurance purposes. Notification of product changes or recalls.
Zephyr Ventilation | 2277 Harbor Bay Pkwy. | Alameda, CA 94502 | 1.888.880.8368























