18-AH75D1-1C-EN
Installer’s Guide
TEM & A4AH Replacement Coils
Includes coil models
COL31099-31104, 31276, 31304-31310
ALL phases of this installation must comply with NATIONAL, STATE AND LOCAL CODES
IMPORTANT — This Document is customer property and is to remain with this unit. Please return to service information pack upon completion of work.
These instructions do not cover all variations in systems nor provide for every possible contingency to be met in connection with the installation. Should further information be desired or should particular problems arise which are not covered sufficiently for the purchaser’s purposes, the matter should be referred to your installing dealer or local distributor.
1. Safety
| This information is intended for use by individuals possessing adequate backgrounds of electrical and mechanical experience. Any attempt to repair a central air conditioning product may result in personal injury and/or property damage. The manufacture or seller cannot be responsible for the interpretation of this information, nor can it assume any liability in connection with its use. |
| WARNING (Medium/high pressure) Contains Refrigerant! System contains oil and refrigerant under high pressure. Recover refrigerant to relieve pressure before opening the system. See unit nameplate for refrigerant type. Do not use non-approved refrigerants, refrigerant substitutes, or refrigerant additives. Failure to follow proper procedures or the use of non-approved refrigerants, substitutes, or refrigerant additives could result in death, serious injury, or equipment damage. |
| LIVE ELECTRICAL COMPONENTS! During installation, testing, servicing, and troubleshooting of this product, it may be necessary to work with live electrical components. Failure to follow all electrical safety precautions when exposed to live electrical components could result in death or serious injury. |
| Extreme caution should be exercised when opening the Liquid Line Service Valve. Turn counterclockwise until the valve stem just touches the rolled edge. No torque is required. |
| SAFETY HAZARD Sharp Edge Hazard. Be careful of sharp edges on equipment or any cuts made on sheet metal while installing or servicing. Personal injury may result. |
| Coil is pressurized. |
- Coil is pressurized with approximately 8-12 psi dry air and factory checked for leaks.
- Carefully release the pressure by removing the rubber plug on the liquid line.
- If no pressure is released, check for leaks.
2. Inspection
- Unpack all components of the replacement coil assembly.
- Check carefully for any shipping damage. If any damage is found, this must be reported immediately and a claim made against the transportation company.
- Check to be sure all components are in the package. Any missing components should be reported to your supplier at once and replaced with authorized components only.
3. General Information
These instructions are designed for installing a replacement coil into a previously installed air handler.
The air handler may be installed in one of the following orientations: upflow, downflow, horizontal left or horizontal right.
Actual air handler units and coil configurations may differ from models depicted.
NOTE: All legacy Apex A and N coils will be replaced with square-cut A-coils. Coil assemblies with an orifice metering device will be replaced with coils having a TXV.
3.1 Common Preparation Steps
- Pump down or recover the refrigerant in the system.
- Turn off high voltage power to the unit.
- Remove the condensate drain lines from the indoor coil. Be prepared to catch any water that might be in the drain line and drain pan.
- Disconnect the refrigerant lines to the indoor coil. Be sure to protect the refrigerant lines so debris does not enter the piping system.
- Remove the air handler’s front panels. Retain all screws to reinstall panels in a later step.
Replacement Coil | Air Handler Model | Included | |
Uncoated | Coated | ||
| COL31304 | COL31099 | TEM3A0B18, 24, 30, 36; TEM4A0B18, 19, 24, 30, 36; A4AH4P18, P24, P30, P36; A4AH6E19 | Lineset Panels |
COL31305 | COL31100 | TEM3A0C42, 48; TEM4A0C37, C42, C48; A4AH4P37, E42, E48 | Horizontal Pan Extension, Top Baffle Extensions |
| COL31306 | COL31101 | TEM4A0B31; TEM6A0B24, 30; TEM8A0B24, 30; A4AH6V24, V30, E31 | Lineset Panels |
COL31307 | COL31102 | TEM3A0C60, TEM4A0C60; A4AH4E60 | Horizontal Pan Extension, Top Baffle Extensions |
| COL31308 | COL31103 | TEM4A0C43; TEM6A0C36, 42; TEM8A0C36, 42; A4AH6V36, V42, E43 | Horizontal Pan |
COL31310 | COL31104 | TEM4A0C49, 61; TEM6*A0C48, 60; TEM8*A0C48, 60; A4AH6E49, E61, V48A1C, V60A1C | Lineset Panels, |
COL31309 | COL31276 | TEM6A0D48, 60; TEM8A0D48, 60; A4AH6V48A1D, V60A1D | 26.5” Cabinet |

- “A” coils
Square-cut coils
4. Upflow, Downflow, Horizontal Coil Installation
4.1 Removal of Coil
- Remove the center brace and the two coil retaining brackets. See Figures 2 and 4.
- On the “N” coil only, remove the shipping bracket if present. See Figure 4.
- Remove coil assembly from the air handler by sliding assembly outward. See Figure 5.
- Remove and retain the horizontal drain pan to reinstall later. See Figure 5.
4.1.1 Removal of Downflow Coil
- For downflow “N” coil replacement, remove lower horizontal cross brace. See Figure 3.
- On the “N” coil only, remove the shipping bracket if present. See Figure 4.
- Remove coil assembly from the air handler by sliding assembly outward. See Figure 5.
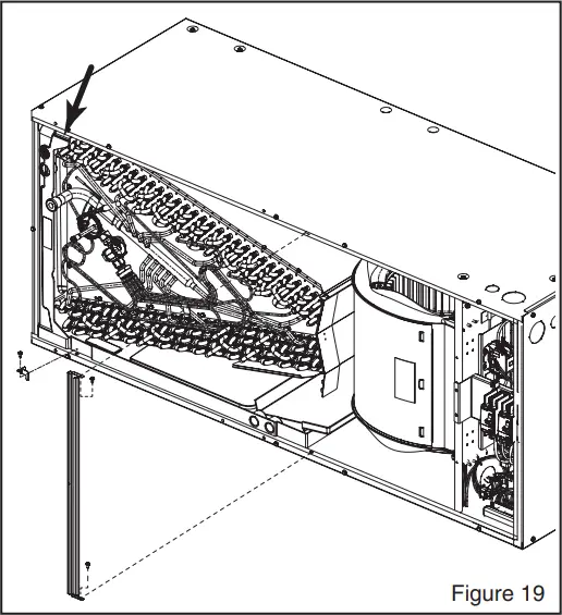
NOTE: The “N” coil replacement is taller than the “N” coil, see Figure 19. Some modification may be necessary to the unit or the return ductwork in downflow applications.

- Legacy apex
“A” coils

- Legacy apex
“N” coils

4.2 Install Retrofit Kit for 26.5″ Wide Cabinets
This retrofit kit will be installed when it is shipped with the replacement coil only. This kit is only applicable for TEM or A4AH 26.5″ wide cabinets.
Kit Contents:
| Small Bracket Qty. 2 | ![]() |
| Large Bracket Qty. 1 | ![]() |
NOTE: Install the brackets always on the right side of the coil assembly.
- Remove kit contents from packaging.
- Install two (2) small brackets, each on the front and rear side bottom of the coil assembly. See Figure 6.
- Install the large bracket between the two (2) small brackets, align the mounting holes and secure using the screws supplied with the kit. See Figure 7.
See Figure 8 for the assembled view of the TEM or A4AH coil assemblies.


- Space between the Coil and right wall of the unit
4.3 Install Replacement Coil
Note: All legacy Apex A and N coils will be replaced with square-cut A-coils. Coil assemblies with an orifice metering device will be replaced with coils having a TXV.
- Remove replacement coil from packaging.
- Remove rubber plugs from suction line and liquid line connections.
4.3.1 For Upflow Applications
- Attach the horizontal drain pan to the replacement coil and slide the assembly into the unit. See Figure 9.
- Reinstall coil retaining brackets and horizontal brace(s). See Figure 10.

4.3.2 Horizontal Left Applications
Note: Some replacement coils ship with a horizontal drain pan extension. For horizontal left or right applications, install horizontal drain pan extension when applicable. See Figure 11.
- Attach the horizontal drain pan with extension to the replacement coil and slide the assembly into the unit. See Figure 12.
- When included and applicable, install top baffle extensions. See Figure 13.
- Reinstall the coil retaining brackets. See Figure 14.
NOTE: Replacements for “N” coils will ship with an additional retaining bracket that will be required for horizontal left installations. - Reinstall horizontal brace(s). See Figure 14.


- For horizontal installations, Install extensions on top baffle as shown using included screws
- Orient unused holes over the top baffle
- Holes in top baffle indicate extensions should be installed “Not required when 26.5″ retrofit kit is used.”
- Extensions will extend 1″ from ends of top baffle and cover the tabs

4.3.3 For Horizontal Right Applications
Note: For Horizontal Right applications, ON SOME MODELS the top panel assembly of the coil must be rotated for proper condensate management before installing the replacement coil assembly into the unit. If the replacement coil models does not have a gull wing and tabs in the top panel assembly, skip the Steps 1 to 3.
- On the right side of the top baffle, position a flat head screw driver tip underneath the top baffle flange and pivot the screwdriver downward to release the front tab. See Figure 15.
- Repeat for right rear tab to release top baffle assembly from coil.
- Rotate the top baffle 180 degree and snap all four corners to lock in place. See Figures 16 and 17.
- Remove left side drip rails and screws and reinstall on the right side. See Figures 16 and 17.
- Attach the horizontal drain pan with extension to the replacement coil and slide the assembly into the unit. See Figure 18.
NOTE: Some replacement coils ship with a horizontal drain pan extension. For horizontal left or right applications, install a horizontal drain pan extension when applicable. See Figure 11. - When included and applicable, install top baffle extensions. See Figure 13.
- Reinstall the coil retaining brackets and horizontal brace(s). See Figure 19.

- Snap Tab Feature



4.3.4 For Downflow Applications
- Slide the replacement coil into the unit. See Figure 20.
NOTE: Some modifications to the unit or return air duct work may be required for downflow applications. - Reinstall coil retaining brackets. See Figure 21.
NOTE: Step is optional for downflow coil replacements.
NOTE: For the “N” coils there is only one coil retaining bracket on the unit. Additional retaining bracket shipped with the replacement coil. - Reinstall lower horizontal brace(s). See Figure 21.

18-AH75D1-1C-EN
3. Reinstall coil and blower panels.
Note: Some replacement coil orders will ship with multiple replacement line set panels. When necessary, install the applicable panel and discard the remaining panels.
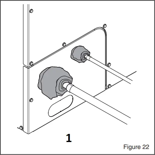
4. Important: TXV bulb MUST be protected (wrapped with wet rag) or removed, while brazing the tubing. Overheating of the sensing bulb will affect the functional characteristics and performance of the comfort coil. See Figure 22.

- Wrap tubes with wet rags when brazing.
About Trane and American Standard Heating and Air Conditioning
Trane and American Standard create comfortable, energy efficient indoor environments for residential applications.
For more information, please visit www.trane.com or www.americanstandardair.com

The manufacturer has a policy of continuous data improvement and it reserves the right to change design and specifications without notice. We are committed to using environmentally conscious print practices.
18-AH75D1-1C-EN 31 Oct 2022
Supersedes 18-AH75D1-1B-EN (March 2022)
© 2022





















