TRANE 18-AH76D1-1A-EN Replacement Coils

Safety
warning
Only qualified personnel should install and service the equipment. The installation, starting up, and servicing of heating, ventilating, and air-conditioning equipment can be hazardous and requires specific knowledge and training. Improperly installed, adjusted, or altered equipment by an unqualified person could result in death or serious injury. When working on the equipment, observe all precautions in the literature and the tags, stickers, and labels that are attached to the equipment.
HAZARDOUS VOLTAGE!
Failure to follow this Warning could result in property damage, severe personal injury, or death. Disconnect all electric power, including remote disconnects before servicing. Follow proper lock out/tag out procedures to ensure the power cannot be inadvertently energized.
CAUTION
Failure to follow proper procedures can result in personal illness or injury or severe equipment damage. System contains oil and refrigerant under high pressure. Recover refrigerant to relieve pressure before opening system.
warning
This product can expose you to chemicals including lead, which are known to the State of California to cause cancer and birth defects or other reproductive harm. For more information go to www.P65Warning.ca.gov
BRAZING REQUIRED – IF USING MECHANICAL CONNECTIONS, ENSURE LEAK TEST IS NEGATIVE!
Failure to inspect lines or use proper service tools may result in equipment damage or personal injury.
If using existing refrigerant lines make certain that all joints are brazed, not soldered.
Inspection
- a. Unpack all components of the kit.
- b. Check carefully for any shipping damage. If any damage is found, this must be reported immediately and a claim made against the transportation company.
- c. Check to be sure all components are in the package. Any missing components should be reported to your supplier at once and replaced with authorized components only.
General Information
For all heat pumps, RunTru cooling, and Ameristar cooling units: Replacement coils are identical to the production coil.
For Trane and American Standard cooling units only: Replacement coil may or may not be identical to the production coil (including coil height). This replacement coil has been verified to perform the same or better compared to the production coil.
It is recommended to change the filter drier when replacing the coil.
NOTE: In some cases, the replacement coil will require minor adjustments for proper installation.
Installation
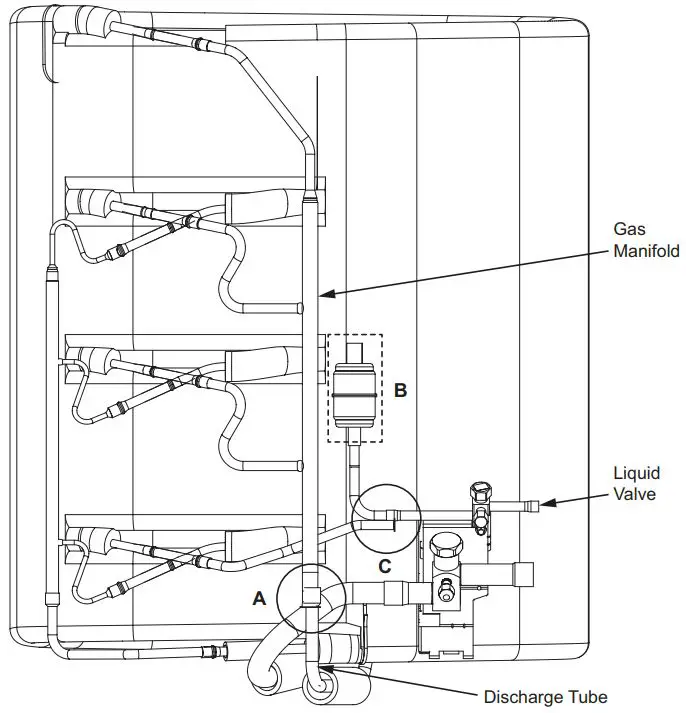
NOTE: One or more of the below listed modifications may need to be performed to install the replacement coils. See Figure 1.
- a. If the gas manifold extends too far below the discharge connection, remove an appropriate amount of tubing from the gas manifold on the replacement coil.
- b. If the original unit contains an internal filter drier, it is recommended to convert to a filter drier external to the cabinet.
- c. If the liquid valve connection tube on the replacement coil does not reach the liquid service valve, brazing an extension is required.
Figure 1: Generic Example to Outline the Recommended Modifications
About Trane and American Standard Heating and Air Conditioning
Trane and American Standard create comfortable, energy efficient indoor environments for residential applications. For more information, please visit www.trane.com or www.americanstandardair.com
The manufacturer has a policy of continuous data improvement and it reserves the right to change design and specifications without notice. We are committed to using environmentally conscious print practices.
Representative-only illustrations included in this document.
18-AH76D1-1A-EN 26 Oct 2022 Supersedes (New)




















