Installer’s Guide
Cased Aluminum “Convertible” Coil
Model:
4TXCB004DS3HCC
4TXCD010DS3HCC
4TXCB004DS3HCC Cased Aluminum Convertible Coil
ALL phases of this installation must comply with NATIONAL, STATE AND LOCAL CODES
IMPORTANT — This Document is customer property and is to remain with this unit. Please return to service information pack upon completion of work.
WARNING
WARNING (Medium/high pressure) Contains Refrigerant! System contains oil and refrigerant under high pressure. Recover refrigerant to relieve pressure before opening the system. See unit nameplate for refrigerant type. Do not use non-approved refrigerants, refrigerant substitutes, or refrigerant additives. Failure to follow proper procedures or the use of nonapproved refrigerants, substitutes, or refrigerant additives could result in death, serious injury, or equipment damage.
WARNING
!This product can expose you to chemicals including lead, which are known to the State of California to cause cancer and birth defects or other reproductive harm.
For more information go to www.P65Warnings.ca.gov
A. GENERAL
This coil is designed for use in combination with a heat pump or cooling outdoor section using R-410A REFRIGERANT.
The 4TXC equipment has been evaluated in accordance with the Code of Federal Regulations, Chapter XX, Part 3280 or the equivalent. “Suitable for Mobile Home use” The height of the Furnace, Coil and discharge duct work must be 7 ft. or less.
Inspect the coil for shipping damage. Notify the transportation company immediately if the coil is damaged.
APPLICATION INFORMATION
- FURNACE AND COIL
The coil MUST BE installed downstream (in the outlet air) of the furnace. - INDOOR UNIT AIRFLOW
Indoor unit must provide the required airflow for the heat pump or cooling combinations approved for this coil.
NOTE:
OPTIONAL DOWNFLOW GASKET INSTALLATION: For unusually humid applications that expect prolonged operation above 70% RH, it is recommended to use the
BAYGSKT001A0 gasket kit to prevent water from forming on the bottom of the drain pan and dripping into the supply ductwork.

IMPORTANT:
Review your installation requirements. Check the table on the outline drawing and note all dimensions for your coil before beginning the installation.
RECOMMENDATION
If a coil is part of the total system installation, use the Installer’s Guide packaged with the furnaces, outdoor sections, and thermostat for physically installing those components.
CAUTION
This coil is pressurized with 8-12 psig of dry air. Do not stand directly in front of the coil connections when removing sealing plugs. If no pressure is released, check for leaks.
FURNACE IN UPFLOW POSITION
- UPFLOW COIL CONVERSION
While not required, optional removal of some coil components will maximize airflow efficiency.
a. Remove the coil by sliding the coil out of the coil enclosure.
b. Optional for maximum efficiency: Remove the horizontal drain pan from the coil and discard. - UPFLOW GAS FURNACE
a. Apply gasket material (duct seal field supplied) to ALLmating surfaces between the furnace and the coil case.
b. Set the coil case on top of the furnace. Connect the ductwork to the coil case using field supplied screws.
c. Secure the coil case to the furnace and seal for air leaks as required.
FURNACE IN DOWNFLOW POSITION
CAUTION
To prevent damage to pan, ensure Heat Shield is assembled to Horizontal Drain Pan. See Figure 8.
- DOWNFLOW COIL CONVERSION
a. Remove the coil by sliding the coil out of the coil enclosure.
b. Optional for maximum efficiency: Remove the horizontal drain pan from the coil and discard.
c. On model 4TXCD010DS, installing the water diverter baffles is required for water management in downflow installations. Install the two outer water baffles closest to the drain pan using the provided 5/16″ hex screws. See Figure 2. - DOWNFLOW GASKET INSTALLATION (OPTIONAL)
For unusually humid applications that expect prolonged operation above 70% RH, it is recommended to use the BAYGSKT001A0 gasket kit to prevent water from forming on the bottom of the drain pan and dripping into the supply ductwork.
a. Lay the coil on its back side.
b. Locate the 4″ wide gasket material found in BAYGSKT001A0.
c. Attach the 4″ gasket material to three sides of the bottom of the drain pan as shown in Figure 4. Make sure to start by matching up the edge of the gasket
material to the inner edge of the drain pan by the coil fins and working outwards.
d. The gasket material can be cut or ripped easily so that it can be tailored to fit. The gasket material must cover the three sides along the entire length of the coil as shown in Figure 4. - DOWNFLOW GAS FURNACE
When a coil is used with a downflow furnace, a subbase is not required between the coil case and combustible flooring.
a. Place the coil case on the furnace supply air plenum.
b. Secure the coil case to the plenum.
c. Set the furnace on top of the coil case, making sure that the back side of the discharge opening is snug up against the duct flange at the top rear of the coil case.
d. Secure the coil case to the furnace and seal for air leaks as required.
FURNACE IN HORIZONTAL RIGHT POSITION
CAUTION
Both the coil and furnace must be fully supported. Do not attempt to suspend the coil using the brackets.
NOTE:
When installing onto an S-Series furnaces in horizontal right or downflow configuration the flanges will be bent inward for a flush fit. See Figure 5.
CAUTION
To prevent damage to pan, ensure Heat Shield is assembled to Horizontal Drain Pan. See Figure 8.
IMPORTANT:
The 4TXC cased coil must be placed downstream of the furnace. See Figure 6 for proper orientation.
HORIZONTAL RIGHT COIL CONVERSION:
- Attach the coil and furnace in the orientation shown in Figure 6. For S-Series furnaces, bend flanges to accommodate installation as shown in Figure 5. For legacy upflow or horizontal furnaces, attach as shown in Figure 7.
- There are self drilling screws included which can be used for this connection. Seal all gaps between the furnace and coil.


FURNACE IN HORIZONTAL LEFT POSITION
CAUTION
Both the coil and furnace must be fully supported. Screws and standoffs are provided for alignment only.
HORIZONTAL LEFT COIL CONVERSION:
- Splash Guard installation is required to prevent water
blowoff.
a. Place Channel for Splash Guard into Horizontal Drain Pan as shown in Figure 9.
b. Slide the new Horizontal Drain Pan onto the coil and slide back into the coil cabinet.
c. Bend rear tab on top baffle inward towards the coil to avoid interference with splash guard. See Figure 12. d. Wedge flange of Splash Guard between Channel for Splash Guard and Horizontal Drain Pan as shown in Figure 11.
e. Drive one field-supplied sheet metal screw into Splash Guard through factory-provided clearance hole in the front duct flange on the coil case. Refer to Figure 11. - Attach the coil and furnace in the orientation shown in Figure 10. For S-Series furnaces, bend flanges to accommodate installation as shown in Figure 5.
- Insert standoffs into clearance holes in coil cabinet and use self-drilling screws to align coil and furnace. See Figure 3. Seal all gaps between the furnace and coil.
NOTE:
Screws and standoffs are for alignment only. Equipment must be fully supported when installed in horizontal.


MAXIMUM AIRFLOW SETTING (CFM)
NOTE:
Water blow-off could occur in certain installation positions if the airflow setting exceeds the maximum values listed.
| Maximum airflow settings (CFM) | ||||
| Coil | Upflow | Downflow | Horizontal Left | Horizontal Right |
| 4TXCB004DS3HCC | 1350 | 1100 | 1200 | 1350 |
| 4TXCDO100SCHCC | 2250 | 1850 | 2000 | 2250 |
INSTALLING/BRAZING REFRIGERANT LINES
CAUTION
Do NOT open refrigerant valve at the outdoor unit until the refrigerant lines and coil have been brazed, evacuated, and leak checked. This would cause contamination of the refriger- ant or possible discharge of refrigerant to the atmosphere.
- The following steps are to be considered when installing the refrigerant lines:
a. Determine the most practical way to run the lines.
b. Consider types of bends to be made and space limitations.
c. Route the tubing making all required bends and properly secure the tubing before making final connections.
NOTE:
Refrigerant lines must be isolated from the structure and the holes must be sealed weather tight after installation.
IMPORTANT:
Do not unseal refrigerant tubing until ready to fit refrigerant lines.
There is only a holding charge of dry air in the indoor coil, therefore no loss of operating refrigerant charge occurs when the sealing plugs are removed.
NOTE:
TXV bulb MUST be protected (wrapped with wet rag) or removed, while brazing the tubing. Overheating of the sensing bulb will affect the functional characteristics and performance of the comfort coil.
- Remove both rubber plugs from the indoor coil.
- Field supplied tubing should be cut square, round and free of burrs at the connecting end. Clean the tubing to prevent contaminants from entering the system.
- Run the refrigerant tubing into the stub tube sockets of the indoor unit coil.
PAINTED AREAS OF THE UNIT MUST BE SHIELDED DURING BRAZING. - Flow a small amount of nitrogen through the tubing while brazing.
- Use good brazing technique to make leakproof joints.
- Minimize the use of sharp 90 degree bends.
- Insulate the suction line and its fittings.
- Do NOT allow un-insulated lines to come into contact with each other.
Note:
When replacing the TXV bulb, reinstall the bulb in the proper orientation using the spring clip provided. - Rewrap the TXV bulb, spring clip, and suction line with insulation after spring clip is reinstalled.
NOTE:
The TXV setting on this unit may run high superheat (15-25 °F) when measured at the outdoor unit when installed in upflow or horizontal left positions. - For optimal performance, the TXV bulb may be relocated outside the coil cabinet after the field line brazing is complete.
a. Remove the bulb insulation and bulb clip.
b. Lace the TXV bulb it through the large coil panel grommet.
c. Assemble the TXV bulb to the field provided suction line outside the unit. Ensure the bulb is mounted on
a straight, smooth section of 7/8″ O.D. copper line.
The bulb should be clear of any field braze joints and located away from any bends in the pipe.
d. The recommend installation position for the TXV bulb is parallel to the ground (on a horizontal plane). The bulb position should be at 2 o’clock or 10 o’clock. See Figure 14.
e. Wrap the bulb and suction with field provided insulation after the spring clip is reinstalled.
LEAK CHECK
- Using a manifold gauge, connect an external supply of dry nitrogen to the gauge port on the liquid line.
- Pressurize the connecting lines and indoor coil to 150 PSIG maximum.
- Leak check brazed line connections using soap bubbles.
Repair leaks (if any) after relieving pressure. - Evacuate and charge the system per the instructions packaged with the outdoor unit.
CONDENSATE DRAIN PIPING
Condensate drain connections are located in the drain pan at the bottom of the coil/enclosure assembly. The female threaded fitting protrudes outside of the enclosure for external connection.
A field fabricated trap is not required for proper drainage due to the positive pressure of the furnace; however, it is recommended to prevent efficiency loss of conditioned air.
1. The drain hole in the drain pan must be cleared of all insulation.
2. Insulate the primary drain line to prevent sweating where dew point temperatures may be met. (Optional depending on climate and application needs)
3. Connect the secondary drain line to a separate drain line (no trap is needed in this line).
CLEANING THE COIL
The two piece door allows removal of the outer casing doors without interference from refrigerant or condensate lines. Once the outer doors are removed the inner coil panels can be easily removed. The inside and outside of the coil can be easily cleaned with a brush and vacuum with the panels removed. See Figure 15.
The foil covered insulation should be wiped down and residual dirt and dust should be vacuumed up to maintain good air quality. See Figure 16.
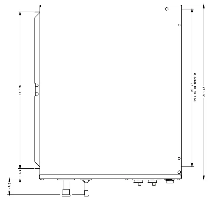
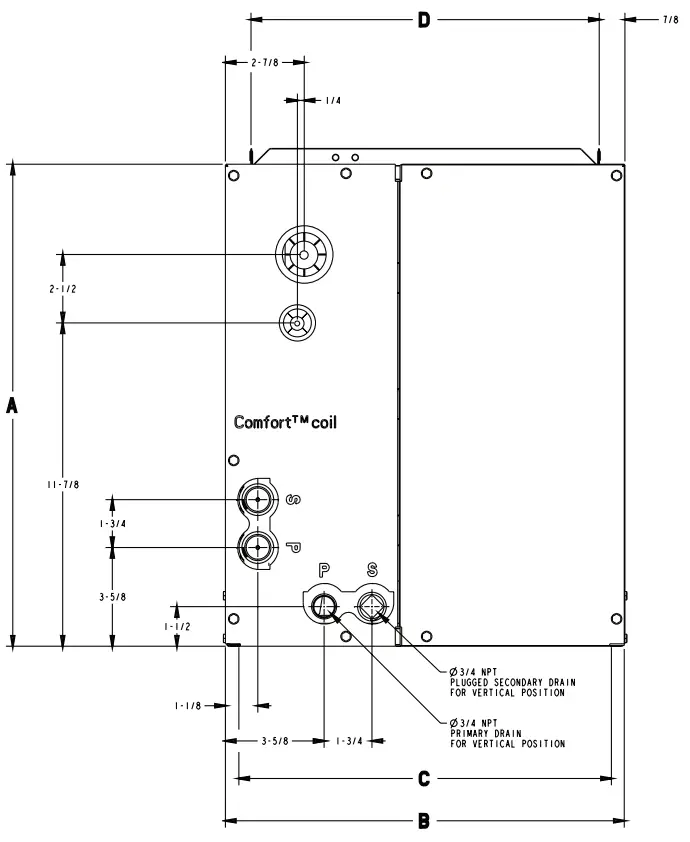
Outline Drawing for model: 4TXCB004DS3HCC, 4TXCD010DS3HCC


| MODEL | 4TXCB004DS3 | 4TXCDOIODS3 |
| SEE FIGURE | FIGURE A | FIGURE A |
| SHIPPING WEIGHT (LBS.) | 58 | 81 |
| REFRIGERANT CONTROL | TXV (NON-BLEED) | |
| HEIGHT “A” (IN.) | 22-1/2 | 30-3/4 |
| OVERALL WIDTH “B” (IN.) | 17-1/2 | 24-1/2 |
| OPENING WIDTH “C” (IN.) | 16-5/8 | 23-5/8 |
| TOP OPENING “D” | 15-3/4 | 22-3/4 |
| GAS CONNECTION | 7/8 | |
| LIQUID CONNECTION | 3/8 | |
| MATCHED FURNACE WIDTH (NO ADAPTER REOUIRED) | 11-1/2 | 24-1/2 |
| DRAIN PAN | PLASTIC | |
Before starting, insure the blower wheel, indoor and outdoocoils are clean.
Troubleshooting Indoor TXV / Cooling Mode

About Trane and American Standard Heating and Air Conditioning
Trane and American Standard create comfortable, energy efficient indoor environments for residential applications.
For more information, please visit www.trane.com or www.americanstandardair.com
![]()
The manufacturer has a policy of continuous data improvement and it reserves the right to change design and specifications without notice. We are committed to using environmentally conscious print practices.
© 2022 18-AD42D1-1C-EN 14 Nov 2022 Supersedes 18-AD42D1-1B-EN (August 2022)



Note:



















