
EL-150 Water Heater NIBE EL
Instruction Manual
User and Installer Manual –
Water heater
CHB 2222-1
631534
Important information
SAFETY INFORMATION
This manual describes installation and service procedures for implementation by specialists.
The manual must be left with the customer.
This appliance can be used by children aged from 8 years and above and persons with reduced physical, sensory or mental capabilities or lack of experience and knowledge if they have been given supervision or instruction concerning use of the appliance in a safe way and understand the hazards involved. Children shall not play with the appliance. Cleaning and user maintenance shall not be made by children without supervision.
This is an original manual. It may not be translated without the approval of NIBE. Rights to make any design or technical modifications are reserved.
©NIBE 2022.
SYMBOLS
NOTE
This symbol indicates danger to person or machine.
Caution
This symbol indicates important information about what you need to consider when installing, servi- cing or maintaining the installation.
MARKING
Explanation of symbols that may be present on the product’s label(s).
Read the Installer Manual.
Dangerous voltage.
GENERAL
SERIAL NUMBER
The serial number can be found on the end of the product.
Caution
Always give the product’s serial number when reporting a fault.
RECOVERY
Leave the disposal of the packaging to the installer who installed the product or to special waste stations.
Do not dispose of used products with normal household waste. It must be disposed of at a special waste station or dealer who provides this type of service.
Improper disposal of the product by the user results in administrative penalties in accordance with current legislation.
INSPECTION OF THE INSTALLATION
Current regulations require the heating installation to be inspected before it is commissioned. The inspection must be carried out by a suitably qualified person.
| Notes | Signature | Date | ||
| Hot water (page 13) | ||||
| Shut off valves | ||||
| Cold water (page 13) | ||||
| Shut off valves | ||||
| Non-return valve | ||||
| Mixing valve | ||||
| Safety valve | ||||
| Electricity (page 13) | ||||
| Connected supply | ||||
MAINTENANCE
SAFETY VALVE
The safety valve (FL1) must be inspected regularly, about 4 times a year, to prevent clogging. The check is made by turning the safety valve’s knob anticlockwise, water should
then flow through the overflow pipe. If this does not happen then the safety valve is defective and must be replaced.
The safety valve sometimes releases a little water after hot water has been used. This discharge is caused by the expansion of cold water entering the water heater, resulting in a pressure increase, whereby the safety valve opens.
EMPTYING
- Turn off the power to the water heater.
- Shut off the cold water inlet with valve QM35).
- Turn the mixer valve (FQ1) fully anticlockwise.
- Open the safety valve (FL1), turn slowly anticlockwise until it remains in the raised position. Draining is through the safety valve overflow pipe.
- When draining, air must be let into the system by opening some hot water taps, preferably the closest and lowest. If this is not sufficient, loosen a pipe coupling (XL4) on the mixer valve.
- For faster drainage loosen the plug (QM5) a couple of turns. Some water may run out at the plug.
NOTE
Hot water may splash out of the vent screw hole
NOTE
Water may splash at the overflow pipe
NOTE
The overflow pipe must be connected to position (XL48).
It can take a few minutes for draining to start. To speed up draining, air can be introduced via the vent screw (QM5). Keep the valves’ positions after the above actions until the water heater is to be used again.
A small amount of water may remain at the bottom of the water heater after completing the draining stages described 1 – 6.
When installed in a location that is exposed to the risk of frost, the water heater must be emptied whenever it is not in operation. Freezing will result in the water heater bursting.
DEALING WITH MALFUNCTIONS
NOTE
Electrical installation and service must be carried out under the supervision of a qualified electrician, and in accordance with applicable electrical safety regulations.
Check the installation’s fuses as well as the thermostat and mixer valve settings.
Wait a few hours without hot water usage and then check whether the temperature level has risen. If there is still no hot water, contact the installation engineer.
RESETTING THE TEMPERATURE LIMITER
If the temperature limiter (FD1) tripped, the water heater must cool for at least one hour before it can be reset. Press the button on the temperature limiter lightly, max 40 N (ca 4 kg).
RECONNECTING SENSORS
If the immersion heater has been replaced, the sensors for the thermostat and temperature limiter must be reinstalled in the order shown in the image.
SERVICE
For service, contact the installer. The serial number (PF3) (14 digits) and installation date should always be stated. Only electrical equipment supplied by NIBE AB in Markaryd may be used.
Installer manual
GENERAL
NIBE EL is a series of water heaters in three sizes that are suitable for installation in, for example, large houses and multiple-occupancy properties.
DESIGN
The hot water heater’s tank is made of stainless steel, grade EN1.4521. The tank’s rated pressure is 10 bar. The cut-off pressure is 9 bar.
The flanged, stainless steel immersion heater, grade EN1.4547, in a Ø 80 mm connection opening, allows for simple dismantling, internal inspection and cleaning of the tank.
The water tank is insulated with freon-free polyurethane foam without joints, which provides good thermal insulation.
TRANSPORT
NIBE EL should be transported and stored in the dry.
ASSEMBLY
The water heater’s installation area should always have a temperature of at least 10 °C (frost-free).
Position NIBE EL on a firm base that can take the weight, preferably on a concrete floor or foundation. Use the floor stand’s adjustable feet to obtain a horizontal and stable setup. The area where NIBE EL is located must be equipped with floor drainage.
INSTALLATION
MOUNTING
Install the floor stand on the centre of the water heater as illustrated on page 14.
M8 screws and nuts are supplied.
The water heater must be installed horizontally in the floor stand (UL4) and can be aligned using the adjustable feet (UL1).
The water heater must be placed in the floor stand so that the arrow on the “NOTE” sign points straight up.
When installing, ensure that there is sufficient space for removing the thermostat or immersion heater in front of the junction box (approx. 500 mm).
PIPE INSTALLATION
NOTE
Pipe installation must be carried out in accordance with current norms and directives.
NIBE EL has complete set of valves installed at the factory, comprising a mixing valve, shut-off valve, non-return valve, safety valve and drain valve.
The water heater is supplied with compression ring couplings for copper or plastic pipes. Internal support bushes must be fitted when a plastic or annealed copper pipe is used.
An overflow pipe must be routed from the safety valve to a suitable drain. The dimensions of the overflow pipe must be the same as those of the safety valve (Ø 15 mm). The pipe must be routed so as to prevent water pockets, and must be frost-proof, well supported and not located close to electrical components.
Ensure that incoming water is clean. When using a private well, it may be necessary to supplement with an extra water filter.
If uncertain, contact a plumber alternatively see applicable standards.
Filling
The water heater must be filled with water before the mains supply is switched on. Filling takes place as follows:
- Check that the vent screw (QM5) is tightened.
- Check that the safety valve (FL1) is closed.
- Open the shut off valve by turning the knob (QM35) anticlockwise.
- Bleed the water heater by opening a hot water tap in the system. This can be closed when only water comes out of the tap. The water heater is now filled and the power can be switched on.
Setting the mixer valve
Increase/decrease the tap water temperature by turning the mixer valve knob (FQ1) anti-clockwise/clockwise. Setting range approx. 40 – 65 °C.
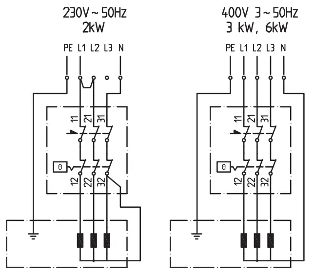
ELECTRICAL INSTALLATION
All electrical connections must be carried out by an authorised electrician.
NIBE EL must be installed via an isolator switch. The cable area has to be dimensioned based on the fuse rating used. Connect incoming supply to the terminal block (X1) according to the electrical wiring diagram.
The connection cable must have strain relief.
The water heater is supplied with the power output 3 kW 3phase, but can also be converted to 6 kW. The water heater can also be connected to 230 V (220 V)~ single-phase if required, but the power output is then limited to 2.0 kW.
NOTE
The water heater must be completely filled with water before it is switched on.
Electrical circuit diagram
Setting thermostat
For optimum operating conditions and to prevent bacterial growth, we recommend a setting of 60°C (max. approx. 80°C).
TECHNICAL DATA
Caution
The temperature can vary between approx. 67 °C and approx. 80 °C depending on the turning on and off of the immersion heater by the thermostat.
Accessories
Immersion heater kit EL
6 kW
Part no. 218 039
DIMENSIONS AND COMPONENT LOCATIONS
List of components
| Pipe connections | |
| XL3 | Cold water connection |
| XL4 | Hot water connection |
| XL48 | Connection safety/draining valve |
| HVAC components | |
| FL1 | Safety valve |
| FQ1 | Mixing valve |
| QM5 | Venting screw |
| QM35 | Shut-off valve |
Can be found under QQ3 Plastic cover, junction box
| Electrical components | |
| EB1 | Immersion heater 2 – 3 kW or 6 kW1 |
| FD1 | Thermostat/temperature limiter1 |
| X1 | Terminal block, incoming1 |
| Miscellaneous | |
| PF3 | Serial number plate |
| QQ3 | Plastic cover, junction box |
| UL1 | Adjustable feet |
| UL4 | Floor stand |
TECHNICAL SPECIFICATIONS
| Type | EL 150 | EL 230 | EL 300 | |||||||
| Electrical data | ||||||||||
| Voltage (standard design) | 400V 3N ~50 Hz | |||||||||
| Enclosure class | IP24 | |||||||||
| Output | kW | 2 | 32 | 63 | 2 | 32 | 63 | 2 | 32 | 63 |
| Fuses | A | 10 | 6 | 10 | 10 | 6 | 10 | 10 | 6 | 10 |
| Max. temp thermostat | °C | approx. 80 | ||||||||
| Miscellaneous | ||||||||||
| Volume | l | 140 | 230 | 300 | ||||||
| Max. operating pressure | MPa/bar | 1.0/10 | ||||||||
| Cold water connection (XL3) / hot water (XL4) | Ø mm | 22 | ||||||||
| Connection safety/draining valve (XL48) | Ø mm | 15 | ||||||||
| Heating time to 60 °C1 | h | 4.0 | 3.0 | 1.5 | 7.0 | 4.5 | 2.5 | 9.0 | 6.0 | 3.0 |
| Hot water capacity4 | l | 280 | 460 | 600 | ||||||
| Length (L) | mm | 905 | 1335 | 1615 | ||||||
| Net weight | kg | 54 | 67 | 76 | ||||||
| Corrosion protection | Stainless steel | |||||||||
| Substances according to Directive (EG) no. 1907/2006, article 33 (Reach) | Lead in brass components | |||||||||
| Part no. | 074 400 | 074 410 | 074 420 | |||||||
- For incoming cold water at 10 °C
- Delivery version
- Accessories are required
- Applies for incoming cold water temperature of 10 °C, outgoing hot water temperature of 40 °C, a drain flow of 12 litres per minute and a thermostat setting of 80 °C
ENERGY LABELLING
| Supplier | NIBE AB | |||
| Model | EL 150 | EL 230 | EL 300 | |
| Declared tap profile 1 | XL | XL | XL | |
| Water heating energy efficiency class 2 | C | D | D | |
| Water heating energy efficiency, ƞwh | % | 38.1 | 37.3 | 37.2 |
| Annual energy consumption water heating, AEC | kWh | 4,394 | 4,490 | 4,506 |
| Quantity 40-degree hot water, V40 | l | 222 | 359 | 404 |
| Thermostat setting | °C | 60 | 60 | 60 |
| Daily electrical consumption, Qelec | kWh | 20.3 | 20.86 | 20.95 |
| Sound power level LWA | dB | 15 | 15 | 15 |
| Applied standards | EN 50440 | |||
- Scale for declared tap profile3XS to 4XL.
- Scale for efficiency class hot water A+ to F
NIBE Energy Systems
Hannabadsvägen 5
Box 14 285 21 Markaryd
[email protected]
nibe.se
CHBSV2222-1631534
NIBE Energy Systems reserverar sig för eventuella fakta- eller tryckfel.
©2022 NIBE ENERGY SYSTEMS

















