NIBE ES 160 Water Heater

IMPORTANT INFORMATION
SAFETY INFORMATION
This manual describes installation and service procedures for implementation by specialists.
The manual must be left with the customer.
This appliance can be used by children aged from 8 years and above and persons with reduced physical, sensory or mental capabilities or lack of experience and knowledge if they have been given supervision or instruction concerning use of the appliance in a safe way and understand the hazards involved. Children shall not play with the appliance. Cleaning and user maintenance shall not be made by children without supervision.
This is an original manual. It may not be translated without the approval of NIBE.
Rights to make any design or technical modifications are reserved.
©NIBE 2022.
SYMBOLS
NOTE
This symbol indicates danger to person or machine.
Caution
This symbol indicates important information about what you should consider when installing or servicing the installation.
MARKING
Explanation of symbols that may be present on the product’s label(s).
Read the User Manual.
Dangerous voltage.
GENERAL
SERIAL NUMBER
The serial number can be found on the end of the product.
Caution
Always give the product’s serial number when reporting a fault.
RECOVERY
Leave the disposal of the packaging to the installer who installed the product or to special waste stations.
Do not dispose of used products with normal
household waste. It must be disposed of at a special waste station or dealer who provides this type of service.
Improper disposal of the product by the user results in administrative penalties in accordance with current legislation.
INSPECTION OF THE INSTALLATION
Current regulations require the heating installation to be inspected before it is commissioned. The inspection must be carried out by a suitably qualified person.
| ✔ | Description | Notes | Signature | Date |
| Hot water (page 17) | ||||
| Shut off valves | ||||
| Cold water (page 17) | ||||
| Shut off valves | ||||
| Non-return valve | ||||
| Mixing valve | ||||
| Safety valve | ||||
| Electricity (page 18) | ||||
| Connected supply | ||||
User manual
MAINTENANCE
SAFETY VALVE
The safety valve (FL1) must be inspected regularly, about 4 times a year, to prevent clogging. Check by turning the safety valve’s knob anticlockwise, water should then flow through the overflow pipe. If this doesn’t happen, the safety valve is defective and must be replaced.
The safety valve sometimes releases a little water after hot water has been used. This discharge is caused by the expansion of cold water entering the water heater, resulting in a pressure increase, whereby the safety valve opens.
EMPTYING
- Turn off the power to the water heater.
- Shut off the cold water inlet with valve QM35).
- Loosen the cover of the drain valve (QM3) and install the supplied hose connector and hose.
- Turn the drain valve (QM3).
- During draining, air must be let into the water heater by loosening the hot water heater connection (XL4) or opening a hot water tap. In order to ensure the complete emptying of the water heater, the hose connection must be completely tight and the outlet must be below the lowest point of the water heater.
NOTE
The hose must exit below the water heater’s lowest level.
Water splashes may occur at the overflow pipe.
There is a risk of scalding.
When installed in a location that is exposed to the risk of frost, the water heater must be emptied whenever it is not in operation. Freezing will result in the water heater bursting.
DEALING WITH MALFUNCTIONS
NOTE
Electrical installation and service must be carried out under the supervision of a qualified electrician, and in accordance with applicable electrical safety regulations
Check the installation’s fuses as well as the thermostat and mixer valve settings.
Wait a few hours without hot water usage and then check whether the temperature level has risen. If there is still no hot water, contact the installation engineer.
SERVICE
For service, contact the installer. The serial number (PF3) (14 digits) and installation date should always be stated. Only electrical equipment supplied by NIBE AB in Markaryd may be used.
Installer manual
GENERAL
ES 160, ES 210, ES 300 is a series of water heaters that are suitable for installation in, for example, boiler rooms.
DESIGN
ES 160, ES 210, ES 300 consists of a steel vessel, with a copper lining to protect against corrosion. The outer casing is made of robust plastic. The water heater is insulated with a freon-free polyurethane foam, which provides good thermal insulation.
ES 300 have a connection for hot water circulation.
The water heater is design ed and manufactured for a maximum cut-off pressure of 10 bar.
TRANSPORT

ES 160, ES 210, ES 300 should be transported and stored vertically in a dry place.
However, the ES 160, ES 210, ES 300 can be carefully laid on its back when being moved into a building
ASSEMBLY
The water heater is only designed for upright installation.
The water heater is unscrewed from the pallet and lifted into position.
Position ES 160, ES 210, ES 300 on a firm base that can take the weight, preferably on a concrete floor or foundation.
Use the product’s adjustable feet to obtain a horizontal and stable set-up.
The area where the ES 160, ES 210, ES 300 is located must be frost-proof and equipped with a floor drain.
COMPONENT POSITIONS

LIST OF COMPONENTS
Pipe connections
XL3 Cold water connection, compression ring
XL4 Hot water connection, compression ring
XL5 Hot water circulation, compression ring coupling (only applies to ES 300)
HVAC components
FL1 Safety valve
FL6 Vacuum valve**
FQ1 Mixer valve**
QM3 Draining valve
QM35 Shut-off valve**
RM1 Non-return valve**
Electrical components
EB1 Immersion heater*
FQ10 Thermostat/temperature limiter
SF1 Switch***
X1 Terminal block, incoming*
Miscellaneous
PZ1 Type plate
PZ3 Serial number plate
QQ3 Plastic cover, junction box
UL1 Adjustable feet
*Can be found under QQ3 Plastic cover, junction box
**Not enclosed
***Only applies to 6 kW.
INSTALLATION
MOUNTING
It is recommended that the water heater is installed in a room with a floor drain.
The copper-lined water heater must be installed upright and can be aligned using the adjustable feet (UL1).
When installing, ensure that there is sufficient space for removing the thermostat or immersion heater in front of the junction box (approx. 400 mm).
Enclosed kit
Safety valve included in
ES 160, ES 210, ES 300
Reduction from
Ø 28 to Ø 22 mm included only in ES 300
PIPE INSTALLATION
NOTE
Fit the cover discs before the pipe installation is made.
Pipe installation must be carried out in accordance with current norms and directives.
The water heater is supplied with compression ring couplings for copper or plastic pipes. Internal support bushes must be fitted when a plastic or annealed copper pipe is used.
ES 300 is supplied with a reduction kit from Ø28 mm to Ø22 mm, which can be used if the hot water heater is installed where a Ø 22 pipe already exists or is required.
An overflow pipe must be routed from the safety valve to a suitable drain. The overflow pipe must be at least the same size as the safety valve. Route the overflow pipe from the safety valve, sloping along its entire length, and ensure that it is frost proof. The mouth of the overflow pipe must be visible and not placed close to electrical components.
Ensure that incoming water is clean. When using a private well, it may be necessary to supplement with an extra water filter.
The following equipment must be installed on the cold water pipe:
QM35 Shut-off valve
RM1 Non-return valve
FL1 Safety valve (supplied)
FL6 Vacuum valve
FQ1 Mixer valve (if the tap water temperature exceeds 60 °C)
When the water heater is installed without a mixing valve, the thermostat must be set to prevent the tap water temperature from exceeding 60°C. If a higher temperature is required, follow the relevant directions for the application.
If uncertain, contact a plumber alternatively see applicable standards.
Filling
The water heater must be filled with water before the mains supply is switched on. Filling takes place as follows:
- Check that the safety valve (FL1) is closed.
- Check that the drainage valve (QM3) is closed.
- Open the shut off valve by turning the knob (QM35) anticlockwise .
- Bleed the water heater by opening a hot water tap in the system. This can be closed when only water comes out of the tap. The water heater is now filled and the power can be switched on.
Setting the mixer valve
Increase/decrease the tap water temperature by turning
the mixer valve knob (FQ1) anti-clockwise/clockwise. Setting
range approx. 40 – 65 °C.
ELECTRICAL INSTALLATION
NOTE
Electrical installation and service must be carried out under the supervision of a qualified electrician, and in accordance with applicable electrical safety regulations.
ES 160, ES 210, ES 300 must be installed via an isolator switch with a minimum breaking gap of 3 mm. Minimum cable area must be sized according to the fuse rating used.
Connect the incoming supply to the terminal block, incoming supply (X1) according to the electrical wiring diagram.
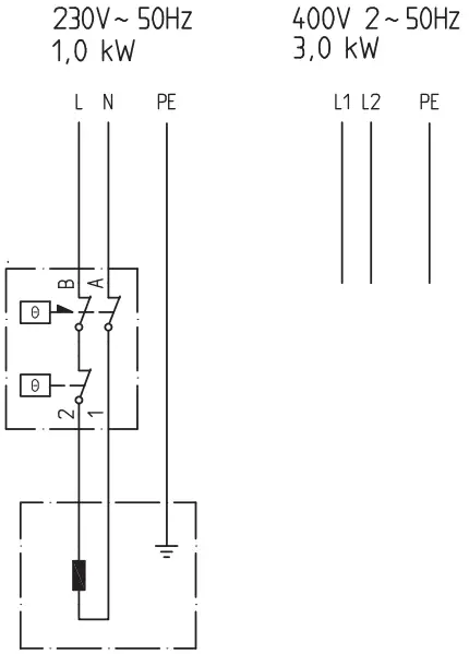
ES 160 and ES 210 have a standard output of 3 kW (400 V~, 2-phase). The water heater can be connected to 230 V~ single-phase if required, which limits the output to 1 kW.
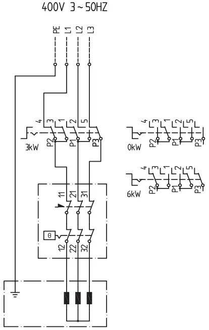
ES 160 and ES 210 can also be obtained in a 6 kW version (400 V~, 3-phase) by special order.
ES 300 only supplied with an output of 6 kW.
ES 160, ES 210, ES 300 has a flanged immersion heater made of stainless steel, to a Ø 80 mm connection opening, which allows for simple dismantling, internal inspection and cleaning of the tank.
NOTE
The water heater must be completely filled with water before it is switched on.
Wiring diagram 1 kW/ 3 kW
Standard for ES 160 and ES 210
Wiring diagram 6 kW
Standard for ES 300 as well as alternative version on special order for ES 160 and ES 210
Installation of 6 kW immersion heater

Output selector (6 kW)
Set the water heater’s output selector to the desired output.
Because the immersion heater receives the lowest surface output at 3 kW, this position should be used first. When a higher output is required, for example during economy rates, set the output selector to 6 kW.
Setting thermostat
For optimum operating conditions and to prevent bacterial growth, we recommend a setting of 60 °C (max. approx. 80 °C).
DEALING WITH MALFUNCTIONS
NOTE
Electrical installation and service must be carried out under the supervision of a qualified electrician, and in accordance with applicable electrical safety regulations.
Check the installation’s fuses as well as the thermostat and mixer valve settings.
RESETTING THE TEMPERATURE LIMITER
f the temperature limiter (FQ10) tripped, the water heater must cool for at least one hour before it can be reset.
- Remove the plastic cover (QQ3).
- Give the button on the temperature limiter a light press, max. 15 N (approx. 1.5 kg), applies in the event of 2-phase installation, or max. 40 N (approx. 4 kg), applies in the event of 3-phase installation.
RECONNECTING SENSORS
If the immersion heater has been replaced, the sensors for the thermostat and temperature limiter must be reinstalled in the order shown in the image.
TECHNICAL DATA
DIMENSIONS

See Technical Specifications below for height (H).
TECHNICAL SPECIFICATIONS
| Type | ES 160 | ES 210 | ES 300 | ||||||
| Electrical data | |||||||||
| Voltage | 1 phase 230 V~50 Hz / 2 phase 400 V~50 Hz 3phase 400 V~50 Hz2 | 3 phase 400 V~50 Hz | |||||||
| Enclosure class | IP24 | ||||||||
| Output | kW | 1 | 3 | 62 | 1 | 3 | 62 | 3 | 6 |
| Fuses | A | 6 | 10 | 6 | 10 | 10 | |||
| Miscellaneous | |||||||||
| Volume | l | 159 | 203 | 263 | |||||
| Max. operating pressure | MPa/bar | 1.0/10 | |||||||
| Connection, hot water circulation (XL5) | Ø mm | – | – | 15 | |||||
| Cold water connection (XL3) / hot water (XL4) | Ø mm | 22 | 28 | ||||||
| Heating time (10 °C to 60 °C) 1 | h | 9.5 | 3.5 | 2 | 12 | 4 | 2 | 5.5 | 3 |
| Height H | mm | 980 | 1210 | 1380 | |||||
| Net weight | kg | 55 | 70 | 85 | |||||
| Corrosion protection | Copper | ||||||||
| Substances according to Directive (EG) no. 1907/2006, article 33 (Reach) | Lead in brass components | ||||||||
| Part no. | 073 400 | 073 401 | 073 410 | 073 411 | 073 421 | ||||
- For incoming cold water at 10 °C.
- Requires the immersion heater kit accessory UARI-38, part no. 067 671.
ENERGY LABELLING
| Supplier | NIBE AB | |||
| Model | ES24 – 160 | ES24 – 210 | ES24 – 300 | |
| Declared tap profile 1 | XL | XL | XL | |
| Water heating energy efficiency class 2 | C | D | D | |
| Water heating energy efficiency, ƞwh | % | 39.2 | 37.0 | 37.2 |
| Annual energy consumption water heating, AEC | kWh | 4,268 | 4,523 | 4,437 |
| Quantity 40-degree hot water, V40 | l | 225 | 318 | 398 |
| Thermostat setting | °C | 60 | 60 | 60 |
| Daily electrical consumption, Qelec | kWh | 19.5 | 21.05 | 20.54 |
| Sound power level LWA | dB | 15 | 15 | 15 |
| Applied standards | EN 50440 | |||
- Scale for declared tap profile3XS to 4XL.
- Scale for efficiency class hot water A+ to F
This is a publication from NIBE Energy Systems. All product illustrations, facts and data are based on the available information at the time of the publication’s approval.
NIBE Energy Systems makes reservations for any factual or printing errors in this publication.

















