Altronix AL400UL UL Listed Multi-Agency Approved Power Supply/Charger

Overview:
Altronix AL400UL power supply converts a 115VAC, 60Hz input to a 12VDC or 24VDC power-limited output (see specifications). AL400UL is UL Listed for fire alarm, burglar alarm, and access control applications.
Agency Listings:
- UL 294* Access Control System Units.
- UL 603 Power Supplies for Use with Burglar-Alarm Systems.
- UL 1069 Hospital Signaling and Nurse Call Equipment.
- UL 1481 Fire Protective Signaling Systems.
*Access Control Performance Levels:
Destructive Attack – I; Endurance – IV; Line Security – I; Stand-by Power – IV.
Features:
Input:
- Input 115VAC, 60Hz, 1.425A.
Output: - 12VDC or 24VDC selectable output.
- 12VDC @ 4A or 24VDC @ 3A supply current.
- Class 2 Rated power-limited output.
- Filtered and electronically regulated output.
- Short circuit and thermal overload protection.
Supervision: - AC fail supervision (form “C” contacts).
- Low battery supervision (form “C” contacts).
Battery Backup: - Battery leads included.
- Built-in charger for sealed lead acid or
gel type batteries. - Automatic switch over to stand-by battery
when AC fails. - Maximum charge current 1.2A.
Visual Indicators: - AC input and DC output LED indicators.
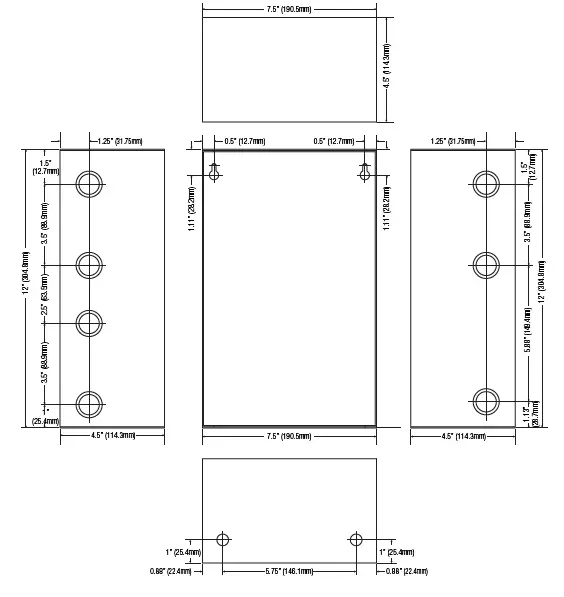
Enclosure Dimensions (H x W x D approx.):
12.25” x 7.25” x 4.5”
(311.2mm x 184.2mm x 114.3mm)
Power Supply Voltage Output Selections:
| Output | Switch Position |
| 12VDC | SW1, 2 – ON, SW3, 4 – OFF |
| 24VDC | SW1, 2 – OFF, SW3, 4 – ON |
Stand-by Specifications:
| Output | 4 hr. of Stand-by and 5 Minutes of Alarm | 24 hr. of Stand-by and 5 Minutes of Alarm | 60 hr. of Stand-by and 5 Minutes of Alarm |
| 12VDC / 40AH Battery | Stand-by = 4.0A Alarm = 4.0A | Stand-by = 1.0A Alarm = 4.0A | Stand-by = 300mA Alarm = 4.0A |
| 24VDC / 12AH Battery | – | Stand-by = 200mA Alarm = 3.0A | – |
| 24VDC / 40AH Battery | Stand-by = 3.0A Alarm = 3.0A | Stand-by = 1.0A Alarm = 3.0A | Stand-by = 300mA Alarm = 3.0A |
Installation Instructions:
Wiring methods shall be in accordance with the National Electrical Code/NFPA 70/NFPA 72/ANSI, and with all local codes and authorities having jurisdiction. Product is intended for indoor use only.
- Mount unit in the desired location. Mark and predrill holes in the wall to line up with the top two keyholes in the enclosure. Install two upper fasteners and screws in the wall with the screw heads protruding. Place the enclosure’s upper keyholes over the two upper screws; level and secure. Mark the position of the lower two holes. Remove the enclosure. Drill the lower holes and install the fasteners. Place the enclosure’s upper keyholes over the two upper screws. Install the two lower screws and make sure to tighten all screws
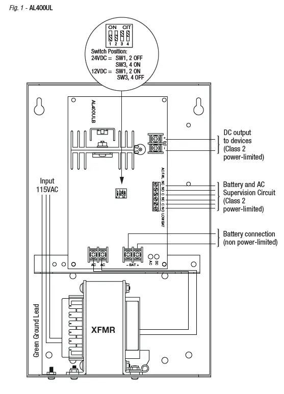
(Enclosure Dimensions, pg. 4). Secure enclosure to earth ground. - Set the AL400UL to the desired DC output voltage by setting dip switches (Fig. 1) to the appropriate position (see Power Supply Voltage Output Specifications Chart).
- Connect AC power (115VAC / 60Hz) to the black and white flying leads of the transformer (Fig. 1). Green
“AC” LED on power supply board will turn on. This light can be seen through the LED lens on the door of the enclosure. Secure green wire lead to earth ground.
Use 18 AWG or larger for all power connections (Battery, DC output).
Use 22 AWG to 18 AWG for power-limited circuits (AC Fail/Low Battery reporting).
Keep power-limited wiring separate from non power-limited wiring (115VAC / 60Hz Input, Battery Wires). Minimum 0.25” spacing must be provided. - Connect devices to be powered to the terminals marked [+ DC –] (Fig. 1).
- Measure output voltage before connecting devices. This helps avoiding potential damage.
- For Access Control applications batteries are optional. When batteries are not used, a loss of AC will result in the loss of output voltage. When the use of stand-by batteries is desired, they must be lead acid or gel type. Connect battery to the terminals marked [– BAT +] (Fig. 1). Use two (2) 12VDC batteries connected in series for 24VDC operation (battery leads included).
- Connect appropriate signaling notification devices to AC FAIL & BAT FAIL supervisory relay outputs (Fig. 1).
Wiring: Use 18 AWG or larger for all power connections.
Note: Take care to keep power-limited circuits separate from non power-limited wiring (115VAC, Battery).
Maintenance:
Unit should be tested at least once a year for the proper operation as follows:
- Output Voltage Test: Under normal load conditions the DC output voltage should be checked for proper
voltage level (see Power Supply Voltage Output Specifications Chart). - Battery Test: Under normal load conditions check that the battery is fully charged, check specified
voltage both at the battery terminal and at the board terminals marked [– BAT +] to ensure that there is no break in the battery connection wires. - Note: Maximum charging current under discharges is 1.2A.
- Note: Expected battery life is 5 years; however, it is recommended changing batteries in 4 years or less if needed.
Terminal Identification:
| Terminal Legend | Function/Description |
| AC, AC | Low voltage (28VAC) transformer connections. |
| + DC – | 12VDC @ 4A or 24VDC @ 3A continuous power-limited output. |
| AC Fail NC, NO, C | Indicates loss of AC power, e.g. connect to audible device or alarm panel. Relay normally energized when AC power is present. Contact rating 1A @ 30VDC. |
| Bat Fail NC, C, NO | Indicates low battery condition, e.g. connect to alarm panel. Relay normally energized when DC power is present. Contact rating 1A @ 30VDC. |
| – BAT + | Stand-by battery connections. Maximum charge current 1.2A. |
LED Diagnostics:
| LED | ON | OFF |
| AC (Green) | Normal operation | No AC input |
| BAT (Red) | Battery connected | Battery disconnected |
| DC (Red) | Normal operation | No DC output |

Enclosure Dimensions (H x W x D approximate):
12.25” x 7.25” x 4.5” (311.2mm x 184.2mm x 114.3mm)

Altronix is not responsible for any typographical errors.
140 58th Street, Brooklyn, New York 11220 USA | phone: 718-567-8181 | fax: 718-567-9056
website: www.altronix.com | e-mail: [email protected] | Lifetime Warranty
IIAL400UL Rev. 030619




















