SMP10C12X Series
Power Supply/Chargers
Models Include:
SMP10C12X
SMP10C12XX
SMP10PMC12X
SMP10PMC12XX
– Single Output.
SMP10PM12P4
– Four (4) Fuse Protected Outputs.
SMP10PM12P8
– Eight (8) Fuse Protected Outputs.
SMP10PM12P16
– Sixteen (16) Fuse Protected Outputs.
SMP10PM12P4CB
– Four (4) PTC Protected Outputs.
SMP10PM12P8CB
Eight (8) PTC Protected Outputs.
SMP10PM12P16CB
– Sixteen (16) PTC Protected Outputs.
Installation Guide
Rev. 051105
More than just power. TM
Installing Company: __________
Service Rep.Name: __________
Address: _________________
Phone #: ________________
Overview:
Altronix SMP10C12X Series power supply/chargers convert a 115VAC, 60Hz input into a regulated 12VDC output with up to 10A of continuous load current (see specifications).
SMP10C12X Series Power Supply Configuration Reference Chart:
| Altronix Model Number | Accessory Power Distribution Module(s) | Number of Outputs | Fused Outputs | Individual Output Rating (A) | Supervised | 115VAC 50/60Hz Input Current (A) | 12VDC Total Output Current (A) | |
| PTC Outputs (auto-resettable) | ||||||||
| SMP10C12X | 1 | – | – | 10A | – | 10A 1.45A | ||
| SMP10C12XX* | – | – | ||||||
| SMP1OPMC12X | – | – | v | |||||
| SMP1OPMC12XX* | – | – | ||||||
| SMP1OPM12P4 | PD4 | 4 | ✓ | — | 3.5A | |||
| SMP1OPM12P4CB | PD4CB | — | ✓ | 2.5A | ||||
| SMP1OPM12P8 | PD8 | 8 | ✓ | — | 3.5A | |||
| SMP1OPM12P8CB | PD8CB | — | ✓ | 2.5A | ||||
| SMP1OPM12P16 | PD1 6W | 16 | ✓ | — | 3.5A | |||
| SMP1OPM12P16CB | PD16WCB | — | ✓ | 2.5A |
*Refer to Fig. 2, pg. 5, and Enclosure Dimensions on pg. 8 for enclosure size.
Specifications:
Input:
- Input 115VAC, 60Hz, 1.45A.
Output:
- 12VDC output.
- 10A supply current.
- Filtered and electronically regulated outputs.
- Short circuit and thermal overload protection.
Battery Backup:
- Built-in charger for sealed lead acid or gel-type batteries.
- Maximum charge current 0.7A.
- Zero voltage drop when switching over to battery backup.
Features:
- Power ON/OFF switch.
Visual Indicators:
- AC input and DC output LED indicators.
Supervision (select models):
- AC fail supervision (form “C” contacts).
- Battery presence and low battery supervision (form “C” contacts).
Electrical:
- Operating temperature: 0ºC to 49ºC ambient.
Mechanical:
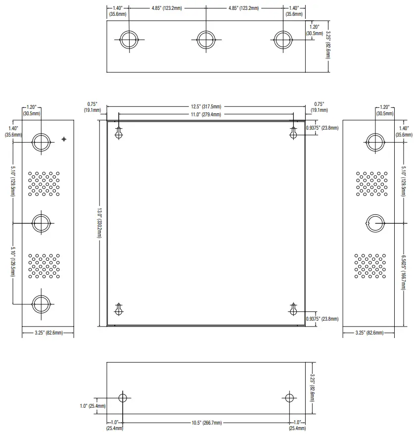
- Enclosure Dimensions (H x W x D approx.):
SMP10C12X, SMP10PMC12X, SMP10PM12P4, SMP10PM12P4CB, SMP10PM12P8, SMP10PM12P8CB,
SMP10PM12P16, SMP10PM12P16CB: 13.5” x 13” x 3.25” (342.9mm x 330.2mm x 82.6mm)
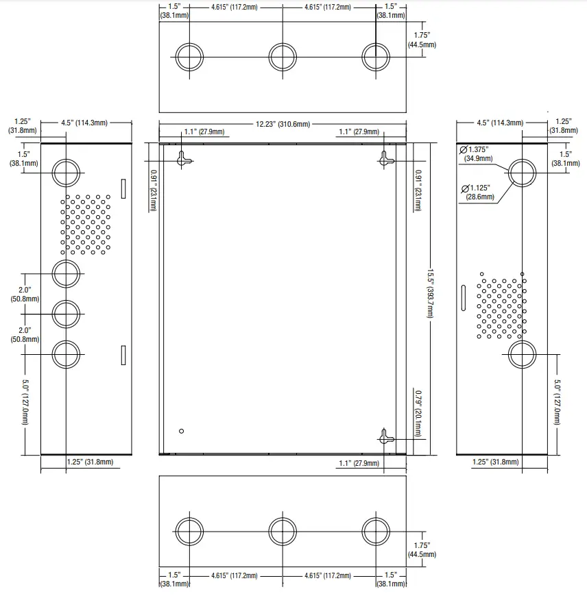
SMP10C12XX, SMP10PMC12XX: 15.5” x 12” x 4.5” (393.7mm x 304.8mm x 114.3mm)
Installation Instructions:.
Wiring methods shall be in accordance with the National Electrical Code/NFPA 70/NFPA 72/ANSI, and with all local codes and authorities having jurisdiction. The product is intended for indoor use only.
- Mount the unit in the desired location. Mark and predrill holes in the wall to line up with the top two keyholes in the enclosure. Install two upper fasteners and screws in the wall with the screw heads protruding. Place the enclosure’s upper keyholes over the two upper screws; level and secure. Mark the position of the lower two holes. Remove the enclosure. Drill the lower holes and install the three fasteners. Place the enclosure’s upper keyholes over the two upper screws. Install the two lower screws and make sure to tighten all screws (Enclosure Dimensions, pgs. 7, 8). Secure enclosure to earth ground.
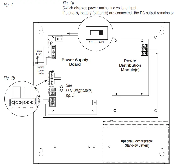
- Slide [Power ON/OFF] switch to the OFF position (Fig. 1a, pg. 4).
- Connect AC power to the terminals marked [L & N], and connect the ground to the green flying lead (Fig. 1, pg. 4).
Use 18 AWG or larger for all power connections (Battery, DC output).
Use 22 AWG to 18 AWG for power-limited circuits (AC Fail/Low Battery reporting). - Slide [Power ON/OFF] switch to the ON position.
- Measure output voltage before connecting devices. This helps avoid potential damage.
Keep power-limited wiring separate from non-power-limited wiring (115VAC, 60Hz Input,
Battery Wires). Minimum 0.25” spacing must be provided.
CAUTION: Do not touch exposed metal parts.
Shut branch circuit power before installing or servicing equipment.
There are no user-serviceable parts inside.
Refer installation and servicing to qualified service personnel. - Slide [Power ON/OFF] switch t o OFF position.
- Connect devices to be powered:
a. For Power Supply Board connect to the terminals marked [– DC +].
b. For Power Distribution Module(s) connect devices to be powered to the terminal pairs 1 to 4 marked [1P & 1N] through [4P & 4N] (Fig. 3, pg. 6), 1 to 8 marked [1P & 1N] through [8P & 8N] (Fig. 4, pg. 6), or 1 to 16 marked [1P & 1N] through [16P & 16N] (Fig. 5, pg. 6), carefully observing correct polarity.
Note: A power switch is used to disconnect the L (HOT) terminal from the rest of the board (Fig. 1a, pg. 4).
When servicing the unit, AC mains should be removed. - When using stand-by batteries, they must be lead acid or gel type.
Connect the battery to the terminals marked [– BAT +] (battery leads included).
Note: When batteries are not used, a loss of AC will result in the loss of output voltage.
For supervised models only: - Connect appropriate signaling notification devices to AC Fail and Low Bat supervisory relay outputs marked [NC, C, NO] (Fig. 1b, pg. 4).
- Slide [Power ON/OFF] switch to the ON position.
LED Diagnostics:
Power Supply Board
| Red (DC) | Green (AC) | Power Supply Status |
| ON | ON | Normal operating condition. |
| ON | OFF | Loss of AC. The standby battery is supplying power. |
| OFF | ON | No DC output. |
| OFF | OFF | Loss of AC. Discharged or no stand-by battery. No DC output. |
Power Distribution Module
| Green | Power Distribution Module Status |
| ON | Normal operating condition. |
| OFF | No Power Output. |
Terminal Identification:
Power Supply Board:
Terminal Legend | Function/Description |
| L, G, N | Connect 115VAC to these terminals: L to Hot, N to Neutral. |
| – DC + | 12VDC @ 10A continuous output. |
| *AC FAIL NC, C, NO | Used to notify loss of AC power, e.g. connect to audible device or alarm panel. Relay is normally energized when AC power is present. Contact rating 1A @ 120VAC / 28VDC. |
| *Low Battery NC, C, NO | Used to indicate low battery condition, e.g. connect to the alarm panel. Relay is normally energized when DC power is present. Contact rating 1A @ 120VAC / 28VDC. Low battery threshold: 12VDC output threshold set @ approximately 10.5VDC. |
| – BAT + | Stand-by battery connections. Maximum charge rate 0.7A. |
*Note: Supervised models only
PD4/PD4CB/PD8/PD8CB/PD16W/PD16WCB – Power Distribution Module:
| Terminal Legend | Function/Description | ||
| PD4/PD4CB | PD8/PD8CB | PD16W/PD16WCB | |
| 1P to 4P | 1P to 8P | 1P to16P | Positive DC power outputs. |
| 1N to 4N | 1N to 8N | 1N to 16N | Negative DC power outputs. |
Caution: Equipment to be installed/serviced by authorized/trained personnel only. Shut branch circuit power before installing/servicing equipment.
WARNING: To reduce the risk of fire or electric shock, do not expose the unit to rain or moisture. This installation should be made by qualified service personnel and should conform to the National Electrical Code and all local codes.
The lightning flash with an arrowhead symbol within an equilateral triangle is intended to alert the user to the presence of an insulated DANGEROUS VOLTAGE within the product’s enclosure that may be of sufficient magnitude to constitute an electric shock.
The exclamation point within an equilateral triangle is intended to alert the user to the presence of important operating and maintenance (servicing) instructions in the literature accompanying the appliance.
CAUTION: To reduce the risk of electric shock do not open the enclosure. There are no user-serviceable parts inside.
Refer servicing to qualified service personnel.

Power Distribution Module(s):

Enclosure Dimensions (BC300):
SMP10C12X, SMP10PMC12X, SMP10PM12P4, SMP10PM12P4CB, SMP10PM12P8, SMP10PM12P8CB, SMP10PM12P16, SMP10PM12P16CB
13.5” x 13” x 3.25” (342.9mm x 330.2mm x 82.6mm)
Enclosure accommodates up to two (2) 12VDC/7AH batteries.
Also available to accommodate up to two (2) 12VDC/12AH batteries (please contact Altronix). 
Enclosure Dimensions (BC400):
SMP10C12XX, SMP10PMC12XX
15.5” x 12” x 4.5” (393.7mm x 304.8mm x 114.3mm)
Enclosure accommodates up to two (2) 12VDC/12AH batteries.
Altronix is not responsible for any typographical errors.
140 58th Street, Brooklyn, New York 11220 USA
phone: 718-567-8181
fax: 718-567-9056
website: www.altronix.com
e-mail: [email protected]
Lifetime Warranty
IISMP10C12X Series
H18U
SMP10C12X Series Installation Guide



















