Altronix SMP3PMCTX220 Power Supply Chargers

Overview
Altronix SMP3CTX220 and SMP3PMCTX220 power supply/chargers convert 115VAC or 230VAC (working range 198VAC – 256VAC), 50Hz/60Hz input into a regulated 12VDC or 24VDC output with 2.5A of continuous load current (see specifications).
Specifications
Agency Listings
CE European Conformity.
Input
115VAC, 50/60Hz, 0.65A or 230VAC (working range 198VAC – 256VAC), 50/60Hz, 0.35A.
Output
- 12VDC or 24VDC selectable output.
- 2.5A supply current.
- Filtered and electronically regulated outputs.
- Short circuit and thermal overload protection.
Battery Backup
- Built-in charger for sealed lead acid or gel type batteries.
- Zero voltage drop when switching over to battery backup.
Visual Indicators
AC input and DC output LED indicators.
Supervision SMP3PMCTX220 only
- AC fail supervision form C contacts.
- Low battery supervision form C contacts.
Environmental
- Operating temperature: 0ºC to 49ºC (32ºF to 120ºF).
- Storage temperature: 20ºC to 70ºC (– 4ºF to 158ºF).
- Relative humidity: 85% +/– 5%.
Electrical
- System AC input VA requirement:
- 115VAC: 74.75VA.
- 230VAC: 77VA.
Mechanical
- Enclosure Dimensions (H x W x D approx.): 13.5 x 13 x 3.25 (342.9mm x 330.2mm x 82.6mm)
- Accommodates up to two (2) 12VDC/7AH batteries.
Power Supply Voltage Output Specifications
| Output VDC | Switch Position | Max. Load DC |
| 12VDC | SW1 – ON | 2.5A |
| 24VDC | SW1 -OFF | 2.5A |
Specified at 25˚ C ambient.
Installation Instructions
Wiring methods should be in accordance with the National Electrical Code/NFPA 70/NFPA 72/ANSI, and with all local codes and authorities having jurisdiction. Product is intended for indoor use only.
- Mount unit in the desired location.
- Mark and predrill holes in the wall to line up with the top two keyholes in the enclosure.
- Install two upper fasteners and screws in the wall with the screw heads protruding.
- Place the enclosure’s upper keyholes over the two upper screws; level and secure.
- Mark the position of the lower two holes.
- Remove the enclosure.
- Drill the lower holes and install the three fasteners.
- Place the enclosure’s upper keyholes over the two upper screws.
- Install the two lower screws and make sure to tighten all screws.
- Secure enclosure to earth ground.
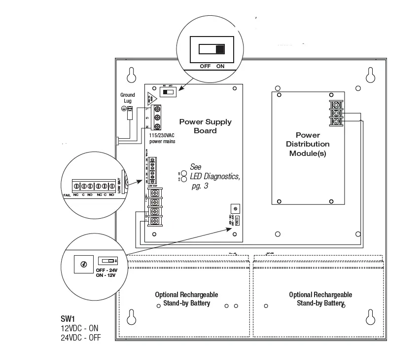
- Slide Power ON/OFF switch t o OFF position.
- Set SW1 on the power supply board to the desired DC output voltage.
- Probably Voltage Output Specification Chart.
- Connect AC circuit (115VAC or 230VAC, 50Hz/60Hz as follows
- Green branch wire connects to ground lug .
- Line and Neutral to the connector on power supply board marked L, N respectively.
- Use 18 AWG or larger for all power connections Battery, DC output.
- Use 22 AWG to 18 AWG for power-limited circuits AC Fail/Low Battery reporting.
- Slide [Power ON/OFF] switch to ON position.
- Measure output voltage before connecting devices. This helps avoiding potential damage.
CAUTION
Do not touch exposed metal parts. Shut branch circuit power before installing or servicing equipment. There are no user serviceable parts inside. Slide Power ON/OFF switch to OFF position Agency Listings CE European Conformity
Switch disables power mains line voltage input
If stand-by battery batteries are connected, the DC output remains on.

LED Diagnostics
| Red DC | Green AC | Power Supply Status |
| ON | ON | Normal operating condition. |
| ON | OFF | Loss of AC. Stand-by battery supplying power. |
| OFF | ON | No DC output. |
| OFF | OFF | Loss of AC. Discharged or no stand-by battery. No DC output. |
Terminal Identification
| Terminal Legend | Function/Description |
| L, G, N | Connect 115VAC/230VAC to these terminals: L to Hot, N to Neutral. |
| – DC + | 12VDC / 24VD 2.5A continuous output. |
| AC FAIL NC, C, NO SMP3PMCTX220 only | Used to notify loss of AC power, e.g. connect to audible device or alarm panel. Relay normally energized when AC power is present. Contact rating 1A 120VAC / 28VDC. |
| Low Battery NC, C, NO SMP3PMCTX220 only | Used to indicate low battery condition, e.g. connect to alarm panel. Relay normally energized when DC power is present. Contact rating 1A 120VAC / 28VDC. Low battery threshold: 12VDC output threshold set approximately 10.5VDC, 24VDC output threshold set approximately 21VDC. |
| – BAT + | Stand-by battery connections. Maximum charge rate 0.5A. |




















