BR-SYSTEMS 4000520 Bike Lift 12V Motor

Contents hide
Technical Data
Weight unit (version for 2 bikes):
STANDARD – 4000520: ca. 23kg / SHORT – 4000532: ca.21,5kg
STANDARD RAIL – 4000529: ca. 22,5kg / SHORT RAIL – 4000533: ca.21kg
OPTION – 3e rail: ca. 2kg
Max. load on the product: 60kg
Safety instructions
- Brustor disclaims any responsibility with regard to personal injury and/or property damage and financial loss resulting from this, caused by improper installation or use.
- The bicycle carrier must be put together and mounted safely and in accordance with the instructions.
- Ensure in advance that the surface on which the bicycle carrier will be mounted is solid enough. Strengthen if necessary.
- The bicycle carrier or transported goods should not cover the rear lights of the vehicle.
- On vehicles whose first type approval dates from after 01-10-1998, the mounted bicycle carrier or transported goods should not cover the vehicle’s third brake light. The third brake light must be visible from: 10° left and right relative to the longitudinal axis of the vehicle, 10° above and 5° below the horizontal axis.
- The driver of the vehicle is solely responsible for the bicycle carrier being free from defects and well fixed.
- Always place the largest/heaviest bicycle closest to the wall, and then the smaller/lighter bike.
- Do not leave any loose and easily removable parts on the bikes during transport. These can come loose due to air resistance and vibration.
- Check that belts and other fastenings are stable and tight. Fasten them again if necessary.
- Damaged or worn parts must be replaced immediately.
- When the bicycle carrier is installed, the vehicle is longer than normal. The bikes can also increase the width and height of the vehicle. Be cautious when reversing.
- When the bicycle carrier is mounted, the driving behavior of the vehicle during cornering and braking can change.
- The speed must be adapted to the circumstances and to a cargo safe level.
- If the load sticks out more than 40 cm beyond the outer sides of the vehicle lighting, the load side must be equipped with a forward facing white light, not more than 40 cm from the end and not more than 1.5 m above the ground. A red light must be visible from the rear.
- The bicycle carrier is designed for standard bicycle frames. Tandems may not be trans-ported.
- BR-Systems does not accept any liability for damage to carbon frames or forks that occur during installation and/or use of the carrier.
- No changes to the product can be applied.
- Clean the bike carrier regularly.
- Remove the bicycle carrier before entering a car wash.
- Regularly check all fixings of the bicycle carrier and bicycles: first after 50 km and then on a regular basis.
- Keep the instructions in the vehicle to which the bicycle carrier is installed.
Instructions
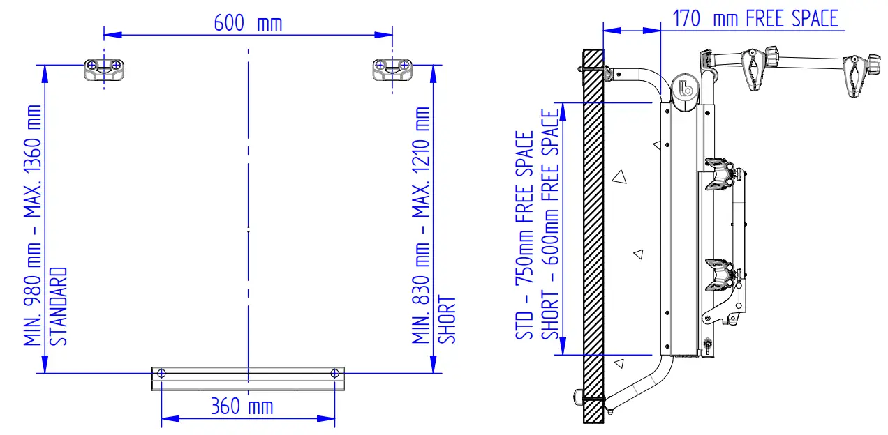
POSITION

UPPER MOUNTING

BOTTOM ADAPTER

TURN LOWER TUBE – MOUNT HOOKS

FIX UPPER TUBE

DRILL FOR CABLE

REMOVE BIKE LIFT FROM RV – INSERT CABLE IN RH-ARM

REMOUNT E-BIKE ON RV

WIRING THE MOTOR IN GARAGE

MOUNT BIKE ADAPTERS

SAFETY LEVER
POSITION: DRIVING VEHICLE!

POSITION: USING BIKE LIFT

ADJUSTING THE MOTOR WITH LOAD OF MIN. 30KG

MOUNTING GRAB ARMS

MOUNTING BIKE

CLOSING BIKE LIFT

REMARKS
POSITION ADAPTER


POSITION GRAB ARM

VEHICLE LIGHTS
rear lights must be visible!
REMARKS 
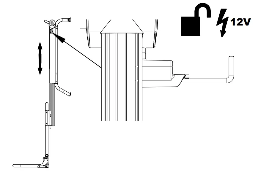
emergency manual operation





















