POLESTAR 10801030P 5500lb 12V DC Electric ATV, UTV Winch Owner’s Manual
WARNING: Read carefully and understand all ASSEMBLY AND OPERATION
INSTRUCTIONS before operating. Failure to follow the safety rules and other basic safety precautions may result in serious personal injury.
SAVE THESE INSTRUCTIONS
Thank you very much for choosing an POLESTAR® product!
For future reference, please complete the owner’s record below:
Serial Number/Lot Date Code: ________________________________
Purchase Date: ____________________________________________
Save the receipt, warranty and this manual. It is important that you read the entire manual to become familiar with this product before you beginn using it.
This electric winch is designed for certain applications only. Forcome Co., Ltd. is not responsible for issues arising from modification or improper use of this product, such as an application for which it was not designed. We strongly recommend that this product not be modified and/or used for any application other than that for which it was designed.
For technical questions, please contact our customer support.
Call: 888-380-7428
Email: [email protected]
⚠WARNING
- Read and understand all instructions. Failure to follow all instructions may result in fire, serious injury and/or DEATH.
- The warnings and instructions in this manual cannot cover all possible conditions or situations that could occur. Exercise common sense and caution when using this electric winch. Always be aware of the environment and ensure the electric winch is used in a safe and responsible manner.
- Do not allow anyone to operate or assemble the electric winch until they have read this manual and have developed a thorough understanding of how it works.
- Do not modify this electric winch in any way. Unauthorized modification may impair the function and/or safety and could affect the life of the electric winch.
- Use the right tool for the job. DO NOT attempt to force small equipment to do the work of larger industrial equipment. There are certain applications for which this electric winch was designed.
The tool will perform the job safer and better at the capacity for which it was intended. DO NOT use this equipment for a purpose for which it was not intended. - Industrial or commercial applications must follow OSHA requirements.
Intended Use
The Polestar 5,500lb 12V DC Electric ATV/UTV Winch features a 1.5 HP permanent magnet motor that stays cooler during long pulls. The three-stage planetary gear system provides fast line speed.
The automatic load-holding brake ensures maximum safety. The free spooling provides a fast line-out, while the 12’ ergonomic handheld remote control allows for safe operation at a distance. The winch contains a Aluninum Hawse Fairlead and an aircraft-grade synthetic rope.
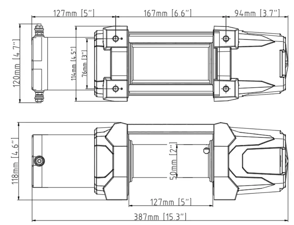
Technical Specifications
| Property | Specification |
| Rated Single Line Pull | 5500 Ib. (2,494kg) |
| Application | ATV / UTV |
| Motor | 12V DC 1.5 HP Permanent Magnet |
| Power in & Power Out | Yes |
| Duty Cycle Rating | 5% (45 seconds at Max Rated Load; 14 minutes, 15 seconds rest) |
| Wired Remote Controller | Wired, 12ft (3.7m) long |
| Gear Train | 3-Stage Planetary |
| Gear Ratio | 201:1 |
| Free Spool | Cam Activated |
| Brake | Auto. Load Holding Mechanical |
| Drum (Dia. X L) | 2″ X 5″ (50mmx127mm) |
| Hook | 5/16″ Clevis, with Spring-Loaded Safety Latch |
| Fairlead | Aluninum Hawse Fairlead |
| Rope Size/Type | 0.25″ x 50’ (6.5mm x 15.2m)Synthetic Rope |
| Battery | 12V DC Minimum 20 Ah |
| Battery Cables | 8 Gauge, 7.7′ (2.35m) Long |
| Solenoid Cables | 8 Gauge, 2.9′ (0.85m) Long |
| Mounting Pattern | 3’’x 6.6’’ (76mmx167mm) |
| Mounting Hardware | Adaptor Plate: 4xM8x25mm Fairlead: 2x M8x25mmRelay:2x M5x20 mm |
| Sound Rating | 80db |
| Overall Dimensions (L X D X H) | 15.3″ X 4.7″ X 4.6″ (387mm x 120mm x 118mm) |
| Weight | 21.54 Ib. (9.77 kg) |
| IP Rating | IP 68 – Winch and Controls |
| Layer | Rated Line pull | Rope Length/ Layer |
![]() | 5500lb (2494kg) | 12’ (3.5m) |
| 4483lb (2033kg) | 25’ (7.6m) | |
| 3783lb (1716kg) | 41’ (12.2m) | |
![]() | 3272lb (1484kg) | 50’ (15.2m) |
First Layer of synthetic rope Performance
| Line Pull lb (kg) | Line Speed fpm (m/min) | Amp Draw (DC12V) | |
| 0 (0) | 15.3(4.7) | 23 | |
| 1500 (680) | 9(2.7) | 80 | |
| 2500 (1134) | 8(2.4) | 100 | |
| 3500 (1587) | 7(2.1) | 125 | |
| 4500 (2041) | 6(1.8) | 160 | |
| 5500 (2495) | 5(1.5) | 200 |
Important Safety Information
⚠WARNING
WORK AREA SAFETY
- Inspect the work area before each use. Keep work area clean, dry, free of clutter and well-lit. Cluttered, wet or dark work areas can result in injury. Using the electric winch in confined work areas may put you dangerously close to other cutting tools and rotating parts.
- Keep children and bystanders away from the work area while operating the tool. Do not allow children to handle the electric winch.
- Always make sure you have control of vehicle and area around it. Make sure no personal or property damage can occur if vehicle rolls back during winching operation.
⚠WARNING
PERSONAL SAFETY
- Stay alert, watch what you are doing and use common sense when operating the electric winch.
Do not use the electric winch while you are tired or under the influence of drugs, alcohol or medication. A moment of inattention while operating the tool may result in serious personal injury. - Dress properly. Do not wear loose clothing, dangling objects or jewelry. Keep your hair, clothing and gloves away from moving parts. Loose clothes, jewelry or long hair can be caught in moving parts. Air vents on the tool often cover moving parts and should be avoided.
- Wear the proper personal protective equipment when necessary. Use ANSIZ87.1 compliant safety goggles (not safety glasses) with side shields, or when needed, a face shield. Use a dust mask in dusty work conditions. Use non-skid safety shoes, hardhat, gloves, dust collection systems and hearing protection when appropriate. This applies to all persons in the work area.
- Do not overreach. Keep proper footing and balance at all times.
⚠CAUTION
WINCH USE AND CARE
- Inspect before every use. Do not use if damaged or parts loose. Examine the winch for structural cracks, bends, damage, frayed or kinked rope, and any other conditions that may affect the safe operation of the winch. Do not use the winch even if minor damage appears. A kink permanently weakens the rope. Even after it is straightened out, kinked rope can fail suddenly and must not be used.
- Do not force the winch. Products are safer and do a better job when used in the manner for which they are designed. Plan your work and use the correct product for the job.
- Store the winch in a dry, secure place out of the reach of children when it is not in use. Inspect the tool for good working condition prior to storage and before re-use.
- Use only accessories that are recommended by Polestar for use with your product. Accessories that may be suitable for one product may create a risk of injury when used with another tool.
Never use an accessory that has a lower operating speed or operating pressure than the tool itself.
Specific Operation Warnings
⚠WARNING
GENERAL SAFETY
- To prevent injury or property damage, read and understand all instructions before operating winch.
- Wear ANSI Z87.1 compliant safety goggles and heavy-duty leather work gloves during operation.
- Do not exceed the rated load capacity. Be aware of dynamic loading! Sudden load movement may briefly create excess load causing product failure.
INSTALLATION SAFETY
- Choose a mounting location that can support the winch and rated load capacity.
- Do not weld mounting bolts.
- Use supplied power cords and rope listed in manual only. Do not use thinner/longer cables or link multiple cables together.
- Keep hands clear of winch rope, hook loop, hook and fairlead opening during installation, operation and when spooling in or out.
- Wrap the rope under 500lb of tension before use. Otherwise, the rope may bind during operation.
- Do not route electrical cables near sharp edges or parts that will move or become hot.
- Work in a well-ventilated area. Explosive hydrogen gas can accumulate and explode when ignited by a spark or open flame.
- Only connect to a clean, corrosion-free battery.
- Remove all jewelry and metallic objects before working near battery.
WINCHING SAFETY
- Inspect winch rope, hook, and slings before operating winch. Frayed, kinked, or damaged winch rope must be replaced immediately. Damaged components must be replaced before operation.
- Do not maintain power to the winch if the motor stalls. Verify the load is within the rated capacity for the rope layer. Make sure the battery is fully charged. Use double line rigging whenever possible
- Do not engage or disengage clutch while under load.
- Always ensure hook latch is closed and not supporting load.
- Never apply load to hook tip or latch. Apply load only to the center of hook.
- Never use a hook that has been bent, warped, or twisted.
- Keep clear of fairlead when operating. Do not try to guide rope.
- Do not place any fingers through the hook. Fingers may be caught and get pulled into the fairlead or drum. Use the included strap to hold the hook instead.
- Stay out of the direct line that the rope is pulling. If it slips or breaks, it will create a whiplash effect. Utilize a winch dampener to help absorb the force released if the rope breaks.
- Do not use for overhead hoisting. This winch is intended to be used for pulling only.
- Use a spotter to assist you with safe operation of the winch. Make sure the spotter is out of the way of the vehicle and the rope before activating the winch.
- Do not use the hand crank, if equipped, to assist the winch.
- Do not use vehicle to pull on the rope and assist the winch.
- Do not use to transport people or animals.
- Disconnect battery cables before working near the rope, drum, fairlead or load to prevent accidental starting.
- Keep rope straight to avoid kinking the rope.
- Keep children and bystanders away while operating.
- Hook onto the object using a pulling point, tow strap, or chain. Do not wrap the rope around the object and hook onto the rope itself.
- Do not use a recovery strap while winching.
- Secure the load after moving. Do not lock the mechanism.
- Keep at least 5 full turns of rope on the drum.
- Keep clear of the rope, hook, and load while winching. Do not step over the rope or apply pressure to the rope under tension. The rope might break and cause personal injury.
- If the rope begins to get entangled, stop the winch immediately and release the rope using the switch.
- Only winch with the winching vehicle’s transmission placed in neutral. Winching with a vehicle’s transmission in gear or park may damage the transmission. A vehicle’s transmission is not designed to handle this type of load.
- Do not operate the winch on extreme slopes. Do not exceed 45° from center line of vehicle for a fairlead. For a Hawse fairlead, the angle should be as close to vehicle center line as possible.
- People with pacemakers should consult their physicians before use. Electromagnetic fields near a heart pacemaker could cause pacemaker interference or failure.
- Remove all obstacles before operation.
- Always use supplied hook strap whenever spooling winch rope in or out, during installation, and during operation.
- Always take time to use appropriate rigging techniques for winch pull.
Assembly Instructions
⚠WARNING
Read the entire Important Safety Information section at the beginning of this manual, including all text under subheadings, before setting up or using this electric winch.
Mounting the Winch:
- The mounting plate must be rated to at least the winch’scapacity. It must be flat and strong enough to remain flat at maximum winch capacity. The winch must sit flat on the winch mount, with no gaps under drum supports.
- Align the winch perpendicular to centerline of the vehicle at the desired location and mark the locations of the winch base holes. Compare the dimensions of the marked holes.
- Before drilling, verify that the installation surface has no hidden components or structural pieces that will be damaged.
NOTE: This winch can generate extreme forces. Select a location that can withstand the rated capacity without damage or weakening. Steel reinforcement plates may be needed or a certified welder may need to weld on additional bracing, depending on the mounting location. - Drill holes for the hardware at the marked locations.
- Install the winch using hardware described under the specifications table.

Mounting the Solenoid Assembly:
- Mount the solenoid box, switch controller, and socket lead in proper location so that:
a) Winch components are close enough to each other to allow wires to be routed properly.
b) Vehicle component operation is not interfered with.
c) Vehicle components are not damaged by drilling or driving screws.
d) Winch components will not be damaged by stresses caused by vehicle operation. - Mark the locations where the screw holes will be.
- Verify that the installation surface has no hidden components or structural pieces that will be damaged before drilling.
- Drill pilot holes for the mounting screws.
- Secure in place with mounting screws.
Wiring
To prevent serious injury, from explosion, due to sparking at the battery connection, disconnect the battery cables before making other wiring connections.
To prevent serious injury from leaking battery acid, do not use a dirty, corroded, or leaking battery. Only use a 12V automotive (or equivalent) battery that is in good condition.
- Plan a route for the wiring from the planned winch location to the battery. This route must be secured and out of the way of moving parts, road debris or any location where parts may be damaged. For example, you may wish to route the wires under the vehicle, attaching it to the frame using suitable fasteners. Do not attach the wires to the exhaust system, drive shaft, emergency brake cable, fuel line or any other components which may damage the wiring.
- If you drill through the bumper or any part of the body to route the wires, be sure to install a rubber grommet in the hole to prevent fraying the wires.
- Route the cables from the solenoid to the battery and from the solenoid to the winch, following the precautions discussed. See image below:

- Attach the blue and yellow cables to their corresponding terminals on the winch.
Note: Wire in the switch controller (and socket lead, if required) according to the diagrams on the above picture - Attach the black battery cable directly to the negative terminal of the battery.
- Attach the red battery cable directly to the positive terminal of the battery.
- Lift the socket cover exposing the electrical switch connector. Insert the wired remote controller into the socket.
NOTE: The attachment of the motor cables determines the operation of the remote button. After the unit is mounted and powered, check the direction of the Power In and Power Out on the remote button. If you wish to change the direction on the remote, disconnect the battery cables from the battery, switch the motor cable connections on the motor assembly, then reconnect the battery cables. - Disconnect the wired remote controller when not in use.
Preparing & Stretching Winch Rope:
WARNING: Always pre-stretch all new ropes before first use. Failing to pre-stretch rope will reduce the maximum capacity of rope and may cause premature failure.
- Position vehicle on a flat surface approximately full rope length distance from anchor point such as large tree.
- Connect rope to anchor point with minimum number of wraps on drum.
- Recoil the rope back into the winch under at least 500lb (227kg) of tension. Apply light pressure to vehicle brake pedal as needed to produce load.
- Stop approximately every minute to check rope is winding level. Make sure vehicle is in park with parking brake applied before exiting vehicle. Do not check, touch or attempt to reposition rope with load on winch rope.
Before Each Use
⚠WARNING
- Inspect winch rope, hook and slings before operating winch. Frayed, kinked, or damaged winch rope must be replaced immediately. Damaged components must be replaced before operation.
- Wrap the rope under 500lbs of tension before use. Otherwise, the rope may bind during operation.
- Work in a well-ventilated area. Explosive hydrogen gas can accumulate and explode when ignited by a spark or open flame.
- Remove all jewelry and metallic objects before working near batteries.
Operating Instructions
⚠WARNING
- Read the entire Important Safety Information section at the beginning of this manual, including all text under subheadings, before setting up or using this electric winch.
- The instructions that follow are basic guidelines only and cannot cover all situations encountered during use. The operator and assistants must carefully plan usage to prevent accidents.
- Examine the rope. Do not use the winch if the rope is frayed, kinked or damaged.
- Fully charge the vehicle’s battery.
- Check the winch’s electrical connections. All connections must be tight and clean.
- Put the vehicle’s transmission in Neutral.
- If the vehicle connected to the winch must be stationary, engage the emergency brake and block the wheels using wheel chocks (sold separately).
WARNING: Never shift winch to Free Spool position with load on winch rope. - To pull out the rope, move the clutch control to the released position (shown below). Slide the loop of the hook strap over the hook, then pull on the hook strap to pull the winch rope from winch drum.

- Hook onto the object using a pulling point, tow strap, tree strap, or chain.
⚠WARNING
Leave at least five full turns of rope on the drum.
Do not wrap the rope around the object and hook onto the rope itself. This can damage the object being pulled, and kink or fray the rope. - The attachment point must be centered in loop of hook and the hook’s safety clasp must be fully closed. (See image below.)

- Do not use a recovery strap while winching. They are designed to stretch and can suddenly whip back towards the operator during operation.
- Place a heavy rag or carpet (sold separately) over the rope span, 6 feet from the hook, to help absorb the force released if the rope breaks.

- Re-engage the clutch by moving the clutch handle to the engaged position (see image below)

⚠WARNING
Do not allow anyone to stand near the rope or in line with the rope behind the winch while it is under power. If the rope should slip or break, it can suddenly whip back towards the winch, causing a hazard for anyone in the area. Stand far to the side while winching. - Attach the wired remote controller to the socket on the solenoid assembly. (see image below).

- Operate the controls briefly to ensure they work properly. If operation is reversed, the power cables may be connected backwards. Correct any such issue before use.

⚠WARNING
Only operate the winch while the winch, line, and load are in view. Make sure that there are no bystanders nearby. - When it is safe to do so, use the power switch on the wired remote controller to retract the rope, and winch the item as desired. To prevent damage, do not power the hook all the way into the fairlead.
- Do not operate the winch at extreme angles. Do not exceed the angles shown below for a roller fairlead. For a Hawse fairlead, the angle should be as close to straight as possible.

- If the object to be pulled must be pulled at an angle in relation to the winch, use a pulley (sold separately) and an anchor point directly in front of the winch, as shown in the following picture.

⚠WARNING
Stop the winch and release tension on the rope before moving the rag or carpet placed on it. - Discontinue using the winch if the battery becomes weak or run down.
- You may wish to keep the engine running while using this winch, to continually recharge the battery. However, exercise extreme caution when working around a running vehicle and ONLY operate a vehicle in an outdoor area.
- When finished pulling the load, reverse the direction of the winch just enough to release tension on the rope so that you can unfasten the hook from the load and reel in the rope.
Duty Cycle (Duration of Use):
Avoid damage to the winch by not winching for more than the prescribed duty cycle time. The Duty Cycle defines the amount of time, within a 15-minute period, during which a winch can operate at its maximum capacity without overheating. For example, this winch with a 5% duty cycle at 65% maximum load must be allowed to rest for at least14 minutes, 15 seconds after every 45 seconds of continuous operation. Failure to carefully observe duty cycle limitations can easily over-stress a winch, causing premature winch failure. Do not attempt to pull full-rated load for more than 20 seconds. Release Power-In switch immediately when winch drum/rope stops. Allow winch to cool and change rigging as needed before continuing pull.
After Each Use
- Inspect rope for damage. Replace immediately if damaged.
- Wipe external surfaces of the winch with a clean cloth
Maintenance
⚠WARNING
- To prevent serious injury, disconnect the battery cables before performing any inspection, maintenance, or cleaning procedures.
- To prevent serious injury from winch failure, do not use damaged equipment. If an abnormal noise or vibration occurs, have the problem corrected before further use.
- When operating a steel cable winch, be sure to check and maintain cable. Maintenance may include lubricating rope occasionally with a light oil.
- The winch’s internal mechanism is permanently lubricated. Do not open the housing. However, if the winch is submerged, it should be opened, dried, and re-lubricated by a qualified technician as soon as possible to prevent corrosion.
Troubleshooting
⚠WARNING
- Follow all safety precautions whenever diagnosing or servicing the tool.
- Disconnect power supply before service.
Use the table below to troubleshoot problems before contacting customer service. If the problem continues after troubleshooting, call 1-888-380-7428 for assistance.
| Failure | Possible Cause | Corrective Action |
| Motor overheats |
|
|
Motor does not turn on |
|
|
| Motor runs but rope drum doesnot turn | The clutch is not engaged | Move the clutch handle to the engaged position. If problem persists, contact a qualified technician to check and repair unit. |
| Motor runs slowly or without normal power |
|
|
| Motor runs in one direction only |
|
|
Parts Diagram

| Number | Description | Quantity | Set Number | |
| 1 | Screw M5x 25 | 4 | A | |
| 2 | Washer Ø5 | 4 | ||
| 3 | Motor Assembly | 1 | ||
| 4 | Active | brake | 1 | |
| 5 | Brake Spring | 1 | ||
| 6 | Driven Brake | 1 | ||
| 7 | Seal Kit | 2 | ||
| 8 | Nylon Bearing | 2 | ||
| 9 | Clutch Spring | 1 | B | |
| 10 | Drum | 1 | C | |
| 11 | Tie Bar | 2 | D | |
| 12 | Screw M6x8 | 1 | E | |
| 13 | Open collar 7 | 3 | F | |
| 14 | Retarding end cap | 1 | ||
| 15 | Hexagon Lever | 1 | ||
| 16 | O-Ring Ø 96 x Ø 1.8 | 1 | ||
| 17 | Gear Carrier Assembly (Output) | 1 | ||
| 18 | Thrust Shim | 2 | ||
| 19 | Three-stage Sun Wheel | 1 | ||
| 20 | Gear Carrier Assembly (Intermediate) | 1 | ||
| 21 | Washer | 1 | ||
| 22 | Gear Carrier Assembly (Input) | 1 | ||
| 23 | Washer | 1 | ||
| 24 | Skateboard | 1 | ||
| 25 | Reduction case | 1 | ||
| 26 | Seal Kit | 1 | ||
| 27 | Clutch hand wheel | 1 | ||
| 28 | Square nut M8 | 4 | ||
| 29 | Winch Mounting Hardware | 1 | G | |
| 30 | Aluninum Hawse Fairlead | 1 | H | |
| 31 | Relay | 1 | I | |
| 32 | Wired Remote Controller | 1 | ||
| 33 | Capstan Positive Power Cord Assembly | 1 | ||
| 34 | Capstan Negative Power Cord Assembly | 1 | ||
| 35 | Positive-pole power-line Assembly for motor | 1 | ||
| 36 | Motor negative pole power supply wire assembly | 1 | ||
| 37 | Red Strap | 1 | J | |
| 38 | Clevis Hook | 1 | ||
| 39 | Synthetic Rope | 1 | ||
Replacement Parts
- For replacement parts and technical questions, please contact Customer Service at 1-888-380-7428.
- Not all product components are available for replacement. The illustrations provided are a convenient reference to the location and position of parts in the assembly sequence.
- When ordering parts, the following information will be required: item description, item model number, item serial number/item lot date code and the replacement part number.
- The manufacturer reserves the rights to make design changes and improvements to product lines and manuals without notice.
Limited Warranty
Forcome (Shanghai) Co., Ltd. (“We” or ‘”Us”) warrants to the original purchaser only (“You” or “Your”) that the Polestar® Product purchased will be free from material defects in both materials and workmanship, normal wear and tear excepted, for a period of one year from date of purchase. The foregoing warranty is valid only if the installation and use of the product is strictly in accordance with product instructions. There are no other warranties, express or implied, including the warranty of merchantability or fitness for a particular purpose. If the product does not comply with this limited warranty, Your sole and exclusive remedy is that We will, at our sole option and within a commercially reasonable time, either replace the product or product component without charge to You or refund the purchase price (less shipping). This limited warranty is not transferable
Items covered by this warranty
Electric components covered by the one (1) year Limited Warranty: motor, contactor, solenoid, handheld remote control, wiring.
All other mechanical components are covered by the Limit one (1) year Warranty except as listed below.
Warranty Exclusions
This warranty does not cover the following repairs and equipment:
Normal Wear
Product with mechanical and electrical components need periodic parts and service to perform well.
This warranty does not cover repair normal use has exhausted the life of a part or the equipment as a whole, such as winch cable, bearing, bushing, seals O-ring, gaskets, brake material, motor brushes, electric cable, etc.
Limitations on the Warranty
This limited warranty does not cover: (a) normal wear and tear; (b) damage through abuse, neglect, misuse, or as a result of any accident or in any other manner; (c) damage from misapplication, overloading, or improper installation; (d) improper maintenance and repair; and (e) product alteration in any manner by anyone other than Us, with the sole exception of alterations made pursuant to product instructions and in a workmanlike manner.
Other exclusions
The warranty exclude
Cosmetic defects such as product finish, etc.
The removal or reinstallation of the product,
Accessory parts such as storage covers
Commercial or industrial use or application, or any hoisting application of the product
Failures due to acts of God and other force majeure events beyond the manufacturer’s control.
Problems caused by part that are not original part.
Limited of implied warranty and consequential damage
We disclaim any obligation to cover any loss of time, use of this product, freight, or any incidental or consequential claim by anyone from using this product.
Obligations of Purchaser
You must retain Your product purchase receipt to verify date of purchase and that You are the original purchaser. To make a warranty claim, please contact Customer Service at 1-888-380 7428, identify the product by make and model number and follow the claim instructions that will be provided. The product and the purchase receipt must be provided to Us in order to process Your warranty claim. Any returned product that is replaced or refunded by Us becomes our property. You will be responsible for return shipping costs or costs related to Your return visit to a retail store.
Remedy Limits
Product replacement or a refund of the purchase price is Your sole remedy under this limited warranty or any other warranty related to the product. We shall not be liable for: service or labor charges or damage to Your property incurred in removing or replacing the product; any damages, including, without limitation, damages to tangible personal property or personal injury, related to Your improper use, installation, or maintenance of the product or product component; or any indirect, incidental or consequential damages of any kind for any reason.
Assumption of Risk
You acknowledge and agree that any use of the product for any purpose other than the specified use(s) stated in the product instructions is at Your own risk.
Distributed by:
Forcome Co., Ltd
MADE IN CHINA




















