retrospec 350W Chatham Electric Beach Cruiser Bike

Product Information
The Electric Beach Cruiser Bike is a 350W electric bike designed for riding on road or paved surfaces. It is equipped with various components including tires, rims, spokes, front hub, fork, front mechanical disk brake, handlebar and stem, frame, pedals, chainwheel/crankset, chain cover, seat clamp, seat post, saddle, chain, rear derailleur, rear motor hub, freewheel, kickstand, battery, grip, shift lever and brake lever, throttle, brake, shift and display cables, display, front light, and rear light.
The bike is designed and manufactured to the latest international quality standards and comes with a warranty. The warranty covers the replacement of any original defective components within the specified warranty period.
Product Usage Instructions
Before Your First Ride
It is strongly recommended to take the bike to a local bike shop after assembling for professional safety checks. Visit https://retrospec.com/pages/store-locator to find a Retrospec dealer near you.
Keep the instruction manual for future reference.
Section I – Mechanical Components Operation, Maintenance & Safety
Riding Conditions:
The electric bicycle is designed for riding on road or paved surfaces with firm contact between the tires and the riding surface. Proper maintenance according to the manual is required. The maximum weight capacity is 350lbs (159kgs).
WARNING:
The owner/rider assumes the risk for personal injury, damage, or losses. Breaching the conditions in the manual will void the warranty automatically.
Saddle and Handlebar Set-Up:
Adjust the saddle to maintain a slight bend in the rider’s knee when the foot is in the lowest position.
List of E-Bike Component Names

- Tires & Tubes
- Rims
- Spokes
- Front Hub
- Fork
- Front Mechanical Disk Brake
- Handlebar & Stem
- Frame
- Pedal
- Chainwheel/Crankset
- Chain Cover
- Seat Clamp
- Seat Post
- Saddle
- Chain
- Rear Derailleur
- Rear Motor Hub
- Freewheel
- Kickstand
- Battery
- Grip
- Shift Lever & Brake Lever
- Throttle
- Brake, Shift & Display Cables
- Display
- Front Light
- Rear Light
Before your first ride
We strongly recommend taking your bike to a local bike shop after assembling so a professional, reputable bike mechanic can check your work and perform all necessary safety checks prior to the first ride. To find a Retrospec dealer near you, please visit https://retrospec.com/pages/store-locator.
Please keep these instructions for future use & reference. Do not discard.
Congratulations on your purchase of this Retrospec electric bike! We make sure all of our e-bikes have been carefully designed and manufactured to the latest international quality standards.Please read this instruction manual carefully and thoroughly before riding. It contains important information on safety, and maintenance and it’s the owner’s responsibility to read this manual before riding and keep it for future reference.
This user’s instruction manual includes two sections:
SECTION I – Mechanical Operation, and SECTION II – Electric Operation.
These instructions apply to electric bike models with following equipment:
Mechanical Components Operation • Derailleur with Disc Brakes
For mechanical equipment, an electric bicycle differs only slightly from a non-electric bike.
Electrical Components Operation
- The battery-pack mounted on the down tube
- The motor in the rear wheel hub
- The controller box is inside the frame
- Handlebar-mounted Display Panel operations.
Warranty
Should any original component prove defective in terms of workmanship within its warranty period, we will replace it. Warranty period for Retrospec electric bikes is as follows:
- Electrical Components excluding Battery: 2 years with proper maintenance
- Battery: 1 year
- Frame and Fork: 1 year
- All Other Components: 6 months
This warranty does not include labor and transportation charges. The company cannot accept any responsibility for consequential or special damage. This warranty applies only to the original retail purchaser who must have a proof of purchase in order to validate any claim. This warranty applies only in the case of defective components and does not cover the effects of normal wear, nor damage caused by accident, abuse, excessive loads, neglect, improper assembly, improper maintenance or the addition of any item inconsistent with the original intended use of the bicycle.
No bicycle is indestructible and no claims can be accepted for damage caused by improper use, competition use, stunt riding, ramp jumping and leaping or similar activities. Claims must be submitted through your retailer. Your statutory rights are not affected. The company reserves the right to change any specification without notice. All information and specifications within this manual are correct at time of printing.
Mechanical Components Operation
Mechanical Components Operation, Maintenance, & Safety
Contents:
- Conditions for riding this electric bicycle
- Saddle and handlebar set-up
- Safe cycling and safety tips
- Routine maintenance checks and lubrication
- Assembly instructions
Riding Conditions
This pedal electric assistance bicycle is designed for riding on road, or paved surfaces where the tires have firm contact with the riding surface. This e-bike must be properly maintained according to the instructions found within this manual. The maximum weight of the rider and load is 350lbs (159kgs).
WARNING!
The owner/rider assumes the risk for personal injury, damage, or losses. If the conditions in this manual are breached, the warranty will be void automatically.
Saddle and Handlebar Set-Up
The saddle can be easily moved either up or down. Adjust the saddle to keep the rider’s knee maintaining a slight bend when the foot is in the lowest (6 o’clock) pedaling position (Fig.2). To position the saddle fore and aft saddle position see (Fig. 3).
Safe Cycling and Safety Tips
Pre-Ride Check Points
Before you ride your pedal electric assistance bicycle always make sure it is in a safe operating condition. Particularly check that your:
- Nuts, bolts, quick-releases and parts are tightly fastened, not worn, damaged or loose.
- Riding position is comfortable and unencumbered.
- Brakes are operating effectively.
- Steering is free with no excessive play.
- Wheels run true and hub bearings are correctly adjusted.
- Wheels are properly secured and locked to frame/fork.
- Tires are in good condition and inflated to correct pressure (tire pressure; in on tire sidewall—do not exceed max tire pressure).
- Pedals are securely tightened to pedal cranks (NOTE: left side is reverse thread. Turn left to tighten).
- All reflectors are secure and in position.
After you have made any adjustment to your electric bicycle, check that all nuts and bolts are securely tightened and cables are free from kinks and fixed securely to the electric bicycle frame. Every six months, your electric bicycle should be professionally checked to ensure that it is in correct and safe working order. It is the responsibility of the rider to ensure all parts are in working order prior to riding this electric bicycle.
What Never To Do When Riding
- NEVER ride without wearing an approved helmet, which must meet USA/European (CPSC/EN) standards. Always comply with the local laws lland ordinances.
- NEVER ride on the same side of the road as oncoming traffic.
- NEVER carry a passenger as this bicycle is designed for a single rider only.
- NEVER hang item(s) over the handlebar as this could interfere with steering or catch in the front wheel causing a crash.
- NEVER hold on to another motor vehicle or bicycle.
- NEVER ride too close to another vehicle—stay aware and keep your distance.
WARNING!
Wet Weather Riding: Your bike’s brakes do not work as well under wet or icy conditions as they do under dry conditions. The braking distance in wet weather will be longer than that in dry conditions. Take special precautions in wet weather to assure safe stopping. Ride slower than normal and apply your brakes well in advance of anticipated stops.
WARNING!
Night Riding: Do not ride at night. If you have to be on your e-bike at night or in low-light conditions, always comply with laws and regulations (local and otherwise) for bicycle lighting. Use approved headlights (white), taillights (red) properly affixed to your e-bike in addition to all-around reflectors. For additional safety, wear light colored clothing with reflective stripes, or safety yellow or safety orange clothing. Check that the reflectors are firmly secured in the correct position and clean and not obscured. Damaged reflectors must be replaced immediately.
WARNING!
The seat post must be inserted at least up to the minimum insertion mark, or further so the insertion line is no longer visible (Fig. 4). If not, the seat post may bend or break, possibly damaging the bicycle or causing injury.
WARNING!
Handlebar stem minimum insertion mark on traditional quill stem must NOT be visible above the top of the headset. If the stem is extended beyond the minimum insertion mark, the stem may break or weaken the fork steering tube, possibly damaging the bicycle or causing an accident (only for bike equipped with a quill stem).
Routine Maintenance Check and Lubrication
WARNING!
As with all mechanical components, your bicycle is subjected to wear and stress. Different materials and components may react to wear or fatigue in different ways. If the design life of a component has been exceeded it may suddenly fail, possibly causing injuries to the rider. Any types of cracks, scratches, or change of coloring in highly stressed areas indicate that the life of the component has been reached and it should be replaced immediately.
Always inspect your bicycle before every ride.
WARNING!
Use only genuine replacement parts, particularly for safety-critical components, installed by a professional bicycle mechanic. To keep your electric bicycle functioning well, the following routine maintenance lubrication is necessary (refer to Fig. 5):
- Half-Yearly: Remove, clean, and lubricate chain, derailleur(s), cog set, and all cables. Check and replace as required.
- Weekly (or as needed): Wash bicycle with warm soapy water. Dry with a soft, nonabrasive cloth. Do not use strong chemicals or abrasives. Do not use a high-pressure washer. Inspect your bicycle while cleaning.

WARNING!
Every six months, your pedal electric assistance bicycle should be professionally checked to ensure that it is in correct and safe working order. It is the responsibility of the rider to ensure all parts are in working order prior to riding.
Assembly Instructions
Following is important information and instructions for assembling and maintaining your new electric bicycle.
Step 1: Unpacking Your Bike
- Remove your e-bike from the box.
- Watch-out for staples and sharp edges as you lift the bike out of the box. A helper can make this easier. Do not lay the box out flat and cut the bike out as you may damage the bike. HOT TIP: Use needle nose pliers to remove the staples before pulling the bike out of the box. This will insure they do not scratch you or the bike.
- Cut all packing zip ties. Detach all parts that are tied to the frame. Be careful not to cut/scratch the bike, particularly the tires and cables when removing the ties.
- Do not attempt to rotate the handlebar/fork until all zip ties and packing have been removed, otherwise you may damage the bicycle. Carefully examine the carton for loose parts and make certain that no parts are remaining in the box.
- Rotate the handlebars (and fork) to face forward.
- Examine your new bike for any visible damage which may have occurred during shipping.
| A – Tires Check for cuts and wear maintain pressure indicated on tires wall for maximum efficiency. | J – Stem and Handlebar Ensure stem nuts and bolts are tight. | T- Chain Cover Check the chain cover is secure and undamaged, replace if necessary. | B.C- Wheel Check that axles are sealed and secured properly. Rim should be kept free from wax, oil, grease and glue. Check for loosed or missing spokes. |
| K-Handlebar Check handlebar bolt is tight. Check brake lever securely mounted to bars and brakes stop smoothly and efficiency. | U-Pedals Lightly oil; bearings monthly. | D-Wheel Hub Grease bearing monthly. Adjust cones to avoid free play side to side. | M-Bell and Grip Check that they are clean and tight. |
| V-Pedals Reflector Check all fitting are secure. | E-Fork Dealer adjustment only | L-The Electrical Parts You can refer to the manual for electrical parts. | X- Bottom Bracket Clean, re-grease yearly checking for wear. |
| G-Brake Lightly oil exposed cables monthly. Maintain adjustment and replace brake pads when worn, brake cables when frayed. Bleed hydraulic brakes once a year. | Q-Rear Carrier Check the painting is OK, and no breakage. | H-Lights (Front and Rear) Ensure the front and rear battery light are secure and undamaged, Replace if necessary. | S-Chain Keep light oiled weekly, clean and lubricate haft yearly. |
Step 2: Front Wheel & Front Fender Installation
Installing the Front Wheel
- Remove the plastic dropout protector from the metal shipping axle (Fig. 6).
- Unscrew and remove the metal shipping axle from the fork dropouts. Use photo attached. You can discard or save this device in case you ship or transport your bike with the front wheel removed. Suggest you inflate the tire to make centering the wheel in the fork easier (point 4 below).
- Loosen the axle nuts on the front wheel. Lift the front of the bike and insert the front wheel into the fork dropouts (a helper can make this easier). Insert the tab of the safety washers into the small holes on the outside of the fork dropouts (some suspension forks to not have a hole. For these make sure the nut is fully seated in the dropout reses (Fig. 7).
- Inspect the wheel to make sure it is centered in the fork. Tighten each axle nut a little at a time (17mm or adjustable wrench), alternating between sides until each axle nut is properly tightened.

Step 3: Seat Assembly (Refer to Fig. 8)
Assembling the Saddle onto the Seatpost:
- Loosen the seat clamp nut.
- Insert the seat post into the seat clamp. Make sure the seat post is firm against the seat clamp limit and seated into the rails of the saddle.
- Re-tighten the seat clamp nut (hand tight).
- Insert the seat post into the frame seat tube and rotate the saddle until the top of the saddle is level to the ground. You can finish tightening the seat now or after Step 3.2. Do not sit, or test saddle until completing Step 3.2!

WARNING!
The seat post must be inserted into the seat tube at a depth where the minimum insertion line is not visible!
Inserting the Saddle/Seatpost Assembly Into the Frame Seat Tube, Quick-Release Seatpost Clamp:
- Open the seat post quick release lever (Fig.9). Apply a small amount of grease to the seatpost. Insert the seat post into the seat tube to sufficient depth so that the minimum insertion line is no longer visible. NOTE: The lever should require some force to close. If it closes too easily and does not hold the seat post in place, or if the effort to close the clamp is too great, adjust the clamping force by loosening or tightening the adjusting nut on the side opposite the lever.
- When you are satisfied with the height of the seat post, close the seat post quick release lever. The tightness of the lever is adjusted by rotating the adjustment nut opposite the quick. Turn the nut by hand to adjust the tension while holding the lever stable.

Step 4: Handlebar & Handlebar Stem Assembly (Refer to Figs. 10 & 11)
The handlebar has been pre-assembled together with brake levers, shifter levers and grips. Be sure that the longer cable is fixed to the right lever (rear brake) and shorter cable to the left (front brake). (NOTE: In some areas, such as the UK, the cables are required to be arranged in the opposite way).
Your e-bike may be fitted with an adjustable stem, a standard quill stem, or a threadless stem (Refer to Fig. 10). Regardless of stem type, always check that all the bolts are tight before riding. Respect the stem type and follow the instruction below:
- For Quill Stem: Insert the handlebar stem into the fork steer tube to the minimum height line that is marked on the side of the handlebar stem. It may be necessary to loosen the stem Expander Bolt so that the stem can slide into the fork tube, until you get your desired height of the handlebar stem. For Threadless Stem: Slide the stem over the fork steer tube.
- Align the handlebar stem with the front wheel (See Fig. 11). Securely tighten the stem bolt(s). Note: Some models require a 6mm hex key. (Tightening torque: 18N.m or 14foot lbs.torque).
- Positioning the Handlebar:
- Loosen the stem handlebar clamp bolt (Quill) or hex bolts (Threadless).
- Position the handlebar at the desired angle. Make sure the handlebar is in the center of the stem handlebar clamp.
- Tighten the handlebar clamp bolt (tightening torque: 18N.m or 14footlbs.lbs).
- Be sure that your handlebar and stem assembly is properly tightened before riding. The handlebar and stem should not rotate in the stem up or down or in the fork.

Step 5: Installing Pedals (Refer to Fig. 12)
The pedals are marked with either a “R” (Right) or “L” (Left) on the threaded end of the pedal axle. Screw the pedal marked by” R” into the right side of the crank assembly (chain side of bicycle). Turn the pedal (by hand) in the clockwise direction. Tighten securely with a 15mm open-end, 15mm pedal specific wrench, or adjustable wrench (tighten to torque: 34N.m or 26 lbs.).
Screw the pedal marked by “L” into the left side of the crank assembly. Turn the left pedal (by hand) in the counterclockwise direction. Tighten securely with a 15mm open- end, 15mm pedal specific wrench, or adjustable wrench (tighten to torque: 34N.m or 26 lbs.).
Pedal Identification:

Step 6: Brake Adjustments
The brakes on your bicycle should be correctly adjusted from the factory. However, it’s important to check the function of your brakes before your first ride. The following instructions are not exhaustive. We strongly suggest you take
your bike to your place of purchase, professional bike shop, or certified e-bike mechanic for assembly, adjustment, and maintenance.
Basic Disc Brake Adjustment
The following instructions are not exhaustive. We strongly suggest you take your bike to your place of purchase, professional bike shop, or certified ebike mechanic for assembly, adjustment, and maintenance.
A. Brake Lever and Brake Pad Travel Adjustment
You can adjust the amount of braking leverage by adjusting the brake lever travel and by the closeness of the brake pads to the brake disc.
Brake Lever/Cable Adjustment:
To adjust the travel of the brake lever, loosen the Locking Collar A1 (away from lever body), turn/unscrew the Adjusting Barrel A2 (what the cable enters) left/counterclockwise which tightens cable tension and increase lever travel & leverage, this will bring the caliper brake pads closer to the disc (Fig. 13). If the pads are rubbing against the disc, reverse the process. If you have tuned the Adjusting Barrel to its maximum and the lever travel is still excessive you will have to adjust the space between the pads and the disc. Tighten the Locking Collar up to the lever body.

Once the correct amount of travel has been reached, center the brake Caliper on the disc by adjusting screw C (Fig. 14). When the brake pads are centered on the disc the wheel should spin freely with no rubbing. Upon applying the brake(s), there may be a slight amount of noise until the pads “bed” in, this should stop after your first ride.
Make sure there is no oil or grease on your hands or on the disc which can degrade brake performance.
B. Checking Brake Pad Wear, Pad Replacement
Pads that are 1mm thick (or less) need immediate replacement (Fig. 15).
To install new pads, remove the brake caliper from the fork or frame by unscrewing hex bolts D (Fig. 16). Unscrew (left/counterclockwise), the smaller hex bolt inside hex bolt B (Fig. 17). Lift up and pull the inner pad downward, using the protruding tab. Slide a thin slot screwdriver under the outer pad and lift it up. Hold the screwdriver in this position and remove the pad with a pair of
long-nosed pliers. Remove the springs from the worn-out pads and fit them onto the new pads. Replace the new pads, keeping them slightly inclined into the seat of the Caliper.
Check that the spring hooks correctly onto the small piston. (When pulling downwards the pads should not come out). Refit the Caliper to the fork (or frame for rear brake). Turn adjuster screw C (Fig. 14) until the pads are centered on the disc and the wheel spins freely. Again, there may be some noise from the brake until it “beds” in. You may have to adjust the cable tension and lever adjustment follow previous Step A. Brake Lever and Brake Pad Travel Adjustment.
We strongly advise you have your brakes periodically checked and maintained by your dealer or a professional bicycle mechanic.

Step 7: Derailleur Gears Maintenance and Adjustment
The gears/derailleur(s) on your bicycle should be correctly adjusted from the factory. However, as cables do seat and stretch, it’s important to check the function of your shifting after your first ride. Note that it’s not unusual for your shifting system to need some adjustment after being used a few times.
We strongly recommend you have your e-bike serviced by your dealer or professional bike shop/mechanic. To ensure long life and efficiency for your drivetrain system, it must be kept clean and properly lubricated. Before attempting any adjustments, make sure you understand the drivetrain components functions and feel confident to attempt such maintenance.
- Left shifter controls the front derailleur and chain wheel(s); Right shifter controls the rear derailleur and rear cogset.
- The largest/larger rear sprockets on the cogset are the low [speed] gears used for hill climbing and low speed technical riding; the smallest/smaller rear cogs are for cruising and high(er) speed and downhill riding.
- NOTE: For good shifting and riding experience, follow these 4 actions:
- Shift only when pedaling (forward), do not shift when stopped.
- Do not use hard, aggressive pedal pressure while changing gears.
- Never back pedal when changing gears.
- Never force the gear shifting levers.
Rear Derailleur Adjustment:
There are two limit adjustment screws on the rear derailleur – High/”H” and Low “L”. Looking from the rear of the bike forward, the limit adjustments center the chain on the high/large and low/small rear cogs which prevents the chain from going over the large cog and into the wheel/left (the “H” or high adjustment screw) or into the frame/ right (the “L” or low adjustment screw).
First, the derailleur cable tension needs to be correct:
Position the shifter(s) so the chain is on the smallest rear cog and largest front sprocket – check for cable slack at point “B” (Refer to Fig. 18). If there is slack, loosen the cable nut or hex bolt, pull the cable with pliers and retighten the cable nut/bolt while pulling cable taut (tightening torque: 5-7N.m or 4-5 lbs.)

High/Large Cog (“H”) Limit Adjustment
Turn the “high limit” adjust screw marked “H” on the rear derailleur so that, again looking from the rear, the upper guide pulley is below the vertical plane of the center of the top/large cog.
Low/Small Rear Cog (“L”) Limit Adjustment
Turn the “low limit” adjust screw marked “L” on the rear derailleur so that, again looking from the rear, the upper guide pulley is below the vertical plane of the center of the low/small cog.
- Operate the shift lever to shift the chain from top gear to 2nd gear.
- If the chain will not move to the 2nd gear, turn the cable adjusting barrel on the rear derailleur to increase the tension (counterclockwise)
- If the chain moves past the 2nd gear, decrease the tension (clockwise)
- Next, with the chain on the 2nd gear, increase the inner cable tension while turning the crank forward. Stop turning the cable adjusting barrel just before the chain makes noise against the 3rd gear. This completes the adjustment. Make sure the drivetrain is clean. We suggest “dry” lubricants for most applications.
Step 8: Check Before Riding
Make sure the wheels are tight and secure. Tighten the front and rear hubs nuts securely. (Tighten torque: about 30N.m for front wheel, about 25 to 30 Nm. for rear wheel).
For Quick-Release (QR) hubs/axles, make sure the QR levers are in the locked/closed position. Before riding, lift the front of the bicycle so that the front wheel is off the ground, lightly bounce it to the ground and give the top of the tire a few downward strikes. The wheel should not wobble or come off and there should be no rattling. Do the same for the rear wheel.
Electrical Components Operation
The e-bike in this manual features “Walk Assist”. This electric assistance system will help riders walk the bike in case of a puncture or other case where the rider needs to walk the bike.
Contents:
- Important Safety Precautions
- Operation
- Battery Installation & Usage
- Display and Functions
- Using and Maintaining the Battery
- Using and Maintaining the Battery Charger
- Using and Maintaining the Electric Hub Motor
- Maintaining the Controller
- Maintaining the Power-off Control of the Brake Lever
- Maintaining the throttle
- Simple troubleshooting
- Main Technical Specification Sheet
Important Safety Precautions
- We strongly advise wearing an approved helmet which meets local safety standards.
- Obey local traffic rules when riding on public roads.
- Be aware of traffic conditions.
- Must be 16 years or older to operate this bicycle.
- Have your bike serviced only by authorized bicycle shops.
- Regular servicing will ensure a better performance and a safe riding experience.
- Do not place more than 350lbs (159kgs) on the bicycle, which includes the rider and cargo.
- Never have more than one rider on the bicycle.
- Follow the regular maintenance schedule in this owner’s manual.
- Do not open or attempt maintenance on any electrical components yourself.
- Contact your local bicycle specialist for qualified service when needed.
- Never jump, race, perform stunts, or abuse your bicycle.
- Never ride under the influence of intoxicating drugs or alcohol.
- Do not ride at night. If riding at night, low-light, or poor weather conditions is unavoidable, we strongly recommend using front & rear lights, reflectors, and bright, safety clothing.
- Wash with mild soapy water. Dry immediately with a soft, non-abrasive cloth.
- Do not use strong chemicals or abrasives.
WARNING! Do not direct water spray at hubs, bearings, and electrical components and NEVER use a high-pressure washer—these actions may damage electrical components and bearings (bottom bracket, hubs, headset).
- WARNING! Remove the battery before placing on any type of vehicle mounted rack for transport.
- WARNING! Never fly with battery. It is not permitted on passenger aircraft.
Operation
Your new electric assistance bicycle is a revolutionary means of transport, using an aluminum frame, Li-Ion battery, a super high efficiency electric hub motor, and controller with electric pedal assistance system, to support normal pedaling. These components will ensure safe riding with excellent function and performance. It’s important for you to note the following guidelines to get the best possible riding experience.
- Always check your bicycle before riding
- Ensure that the tires are fully inflated as indicated on the tire sidewall.
- Remember, performance of the bike and battery range is directly related to the weight of the rider and baggage/load, together with the stored energy in the battery. Battery range/performance can vary significantly based on terrain, load, & weather conditions.
- Charge overnight, prior to riding the next day.
- Clean and apply chain lube periodically as needed. With a soft rag or towel, wipe off excess lube. Clean and lubricate half-yearly (minimum).
Battery Installation & Usage
Retrospec Chatham Rev 2 36V/350W E-bikes have the battery positioned on the rear of the seat tube. The battery housing (that which the battery slides into) is attached to the frame by screws. Then the entire Battery Pack is locked into the Battery Housing by the key – see the operation details below.
- Insert and slide the Battery Pack down into the Battery/Controller plate, and push it into the housing/slider and ensure a snug fit.
- Make sure the Battery Pack is firmly pushed into the frame plate and its connector is securely inserted inside the controller box.
NOTE: Battery Lock
From the initial 12 o’clock position (battery and carrier are unlocked), insert the key into the key slot, press and turn it clockwise to 6 o’clock position (battery now locked into the housing). Reverse steps to unlock.
Battery Charging
You can charge your battery while installed on the bike or removed for remote charging. If your bike is near an AC outlet, you can charge it with your bike’s battery still installed. The charging port is covered by a plastic cap
Alternatively, you can remove the battery for charging. This feature is useful in small areas where the bike will not fit or AC power supply is not near the bike. Following the steps above:
- Make sure the battery is unlocked.
- Remember to keep your key secure!
WARNING! Use only the charger provided with the electric bike, otherwise damage could occur to your battery and void the warranty. When charging, both battery and charger should be minimum 4 in (10cm) away from the wall, and in a cool, ventilated environment. Place nothing around the charger while in use!
LED and Functions

There are four buttons on the T320 display. Including power switch, up button, down button and Walk Assist button. In the following description, the switch button is replaced with the text “SWITCH”.
button is replaced with the text
“UP”,
button is replaced with the text “DOWN”, and the Walk-Mode switch button is replaced by the text “WM”.
Walk Assistance:
- Hold the WM button for more than 2 seconds= ~4mph (6kph) power assist (Fig. 1):
- Holding the WM button after 2 seconds, the e-bike enters the state of walk assist. The e-bike is riding at a constant speed of 6 km/h, and the gear position indicator is not displayed.
- The power-assisted push function can only be used when the user pushes the e-bike, please do not use it when riding.
Handlebar-mounted Battery Power Display Panel:
Turn on the power. Four LED lights indicating the power levels will be displayed from low (bottom) to high (top) power levels. When all 4 LED Power Level lights are lit, this indicates a full, 100% battery charge. When the last light flashes for a long time, this is a warning indicating the battery should be charged immediately before [additional] riding.
- 5 LED lights on: power is 100%
- 4 LED lights on: power is 75%
- 3 LED lights on: power is 50%
- 2 LED light on: power is 25%
- 1 LED light is on and flashing: power is near zero and the battery needs to be recharged.

Selecting Pedal Power Assistance Level on Handlebar Display Panel:
When the power is on, you can shift to 5 pedal power assistance levels from low to high. Press the “-” button or “+” button, to shift the pedal power assistance levels between the lowest and highest levels.
Setting the Pedal Power Assistance Level:
When the power is turned on, the pedal power assist level defaults to the “ECO”. From there, press the “+” and “-” buttons to increase or decrease pedal power assistance respectively. Each level increases the assist by 20%.
Assistance Levels – Riding Conditions
- High Assistance Level: More electric power, less human propulsion is applied to the bike. Suited for uphill, head wind, or heavy load riding.
- Middle Assistance Level: Electric power and human propulsion are applied almost fifty/fifty to the bike. Suggested for riding on flat paved roads, cruising, and moderate fitness.
- Low Assistance Level: Less electric and more human propulsion applied to the bike. This is the maximum electric power savings (economic) level. Suggested for fitness, lower speeds, technical riding, crowded [multi-use] paths.
WARNING!
Turn off the main switch on the battery as soon as you are done riding. This is very important for saving the battery charge. This will extend your riding range and reduce “top-off” charging during rides.
Using and Maintaining the Battery
Advantages of Lithium Batteries
Your electric bicycle is equipped with high-quality lithium batteries which are a green energy source with reduced environmental impact and have the additional advantages of:
- Charging without “memory” effect
- Large energy capacity and output, small volume, light weight, suitable for high power
- Long life
- Wide temperature working range of: 14F-104F (-10°C to +40°C)
Using and Maintaining the Battery
For long battery life and to protect it from damage, use and maintain it following the guideline below:
- While riding, periodically check your battery charge level on your handlebar mounted Display Panel. If you notice the battery charge is 5% or less, charge immediately!
- Make sure you have a full charge before taking a long trip.
- To check the battery charge on the battery itself: Press the button on the end of the battery case.
- All 5 lights all blue color – battery is fully charged.
- If, for example, only 2 lights, charge promptly. (Fig. 2)
- If the bike is ridden infrequently, or stored long term, it must be fully charged every 2-3 months.

WARNING!
As mentioned above, long term storage, without periodic charging may reduce battery life.
- Never use any metals to directly connect the two poles of the battery, otherwise,
- the battery will be damaged due to short circuit, and warranty voided.
- Never put the battery near to fire or heat source.
- Never strongly shake, slam/drop, or throw the battery – damage is likely.
- When the battery pack is removed from the bike, always keep it out of reach of children to avoid and reduce the chance of accidents.
- Do NOT disassemble the battery – never.
- IMPORTANT! Always read the owner’s manual before charging the battery!
- IMPORTANT! Read the following points about the battery charger.
Using and Maintaining the Battery Charger
- Do not use this charger in an environment of gas and corrosive substances.
- Never strongly shake, slam/drop, or throw the battery – damage is likely.
- Always protect the battery charger from rain and moisture!
- Ideal operating temperature for the battery charger is: 14F-104F (-10°C to +40°C).
- Do NOT disassemble the battery charger – never.
- Use only the charger provided with your electric bike. Otherwise, damage could occur to your battery, battery charger, and void the warranty.
- When charging, both battery and charger should be minimum 4 in (10cm) away from the wall, and in a cool, well-ventilated environment. Place nothing around or on the charger, while in use!
Procedure for Charging
Charge the bike battery according to the following procedure:
- When charging the battery by AC (house/wall plug), it is not necessary to be on.
- Securely insert the charger output plug into the battery, then plug the main cable of the charger into a reachable AC (wall plug) outlet.
- During charging, the LED on the charger pack will be RED showing charging is in process. When the light on the charging pack turns GREEN, charging is complete.
- Upon full charge (GREEN light), FIRST disconnect the charger pack from the AC (wall plug); SECOND disconnect the charger output plug from the battery pack. FINALLY, close the charging socket cover on the battery – make sure it is securely closed.
Using and Maintaining the Electric Hub Motor.
Retrospec intelligent e-bikes are programmed to start with the electric assistance (“Start-Aid”) after a rotation of the pedals (crankset).
- Do not use this bike in flood waters, heavy rain.
- Do not immerse, submerge the electric parts in water – damage will likely happen.
- Avoid impacts to the hub motor, the aluminum alloy hub cover may break.
- Regularly check the screws on both sides of the hub motor; tighten them as necessary even if they are only a bit loose.
- It is necessary to periodically check the cable connection to the motor.
Maintaining the Controller.
Retrospec e-bikes have the Controller (the e-bike “brain”), positioned at the bottom and inside the battery pack holder/housing. The Controller is a critical component for your e-bike system. It is very important to follow the care guidelines below: Do not immerse, submerge the electric parts in water – damage will likely happen.
NOTE:
If you think water may have got into the control box, switch-off the power immediately and pedal without electric assistance. You can pedal with electric assistance as soon as the controller has dried out.
- As with the battery, hub, display and other electrical parts – Never strongly shake, slam/drop, or throw the Controller – damage is likely.
- As with the battery, the best operating temperatures for the controller is: 5F-104F (-15°C to +40°C).
- The controller should be used in normal working temperature range from -15°C to +40°C.
WARNING!
NEVER open the controller box. Any attempt to open the controller box, modify or adjust the controller will void the warranty. Please ask your local dealer or authorized service specialist to repair your bike.
Maintaining the Power-Off Control of the Brake Lever
This is a very important component for safe riding. Pay close attention to protect it from impact and damage. Regularly check that it is securely fastened to the handlebar.
Maintaining the Throttle Lever
Take care to protect the throttle from impact or damage. If your bikes falls or you are in a crash, make sure to check the throttle function before riding. Periodically check that the throttle cable is securely plugged-in to the throttle body. If not, check and plug it in again.
Simple Troubleshooting
The information below is for diagnosing problems only. It is not a recommendation for the user to carry-out repairs. Any remedy outlined must be carried out by a professional e-bike repair person who is educated on the safety issues with bikes & e-bikes.
Error Code Definition
Error Code Definition Table
| Error Code | Description |
| PAS level 1 light flashing | Current abnormal |
| PAS level 2 light flashing | Throttle abnormal |
| PAS level 1, 2 light flashing | Motor phase loss |
| PAS level 3 light flashes | Motor Hall signal is abnormal |
| PAS level 1, 3 light flashing | Braking abnormal |
| All PAS Level light flashing | Communication abnormal |
| All of the battery indication lights and Level lights flashing at the same time | Power on/off button sticking |
| All of the battery indication lights flashes | 6km button sticking |
| After the main battery switched on, the motor does not generate assistance when pedaling. | 1) the motor cable (waterproof connection joint) is loose; 2) brake lever did not return well, which keeps the switch in “power off” position; 3) the speed sensor is too far away from the magnetic ring on the B.B. axle; 4) the connection between the sensor and the controller is loosen or not connected well. | First of all, please check the battery if it is empty. If yes, charge the battery immediately. 1) check if the connection is securely fixed. If loose, joint them tightly. 2) make the brake lever come back to its normal position with care, without braking; 3) adjusting the distance between the magnetic ring and the sensor, to make sure the distance is within 3mm; 4) fix tight the connection between the sensor and the controller. |
| The distance per charge be- comes short (NOTE: perfor- mance of the bike battery is directly related to weight of the rider and any baggage/load/ wind/road/ constant braking). | 1) charging time is not enough; 2) the environment temperature is so low that it affects the battery working. 3) frequently going uphill, or riding with head wind, or on poor road condition, 4) the tires have low pressure (to be inflated); 5) frequently braking and starting. 6) battery has been stored without using for quite a long time. | 1) please charge the battery according the instruction (chapter 7.3); 2) in winter or under 0°C, store the battery inside the house; 3) it will be normal if the riding conditions are improve and hills are avoided; 4) Inflate the tires and ensure tires are fully inflated to recommended pressure for your bike; 5) Less frequen stop and go will result in improved range; 6) make regular charging according to this instruction manual (refer to Chapter 6.3) If the above has no effect, please contact your vendor or authorized service. |
| After plugging the power outlet, no charger indicator LED is lit. | 1) trouble from the power outlet; 2) poor contact between charger input plug and power outlet; 3) the temperature is too low. | 1) check and repair the power outlet. 2) check and insert the power outlet tightly. 3) charge it in house. |
| After charging over 4-5 hours, the charger indicator LED is still red, while the battery is still above not full (NOTE: it is very important to charge your bike strictly according to this instruction stated in Chapter 7, to avoid any trouble and damage occurred to your bike. | 1) environment temperature is 40°C and above. 2) environment temperature is under 0°C. 3) failed to charge bike after riding, resulting in over discharge. 4) the output voltage is too low to charge the battery. | 1) charge the battery in an area under 40°C, or according to this instruction chapter 7; 2). charge the battery inside the house, or according to this instruction chapter 7; 3) please well maintain the battery according to the Chapter 6.3 to avoid natural over-discharge; 4) no charging when the power supply is lower than 100V. |
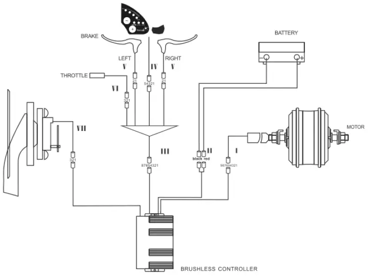
| l. Motor wire is connected with motor 1. Green (motor HA) 2. Yellow (motor HB) 3. Blue (motor HC) 4. Red (+5V) 5. Yellow (motor H2) 6. Green (motor H3) 7. Blue (motor H1) 8. Black (ground) 9. White (wheel speed signal) | II. Power wire is connected with the power 1. Red (36V) 2. Black (ground) | III. 1. Red (+36V) 2. Blue (lock cable) 3. Black (-36V) 4. Green (signal TX) 5. Yellow (signal RX) 6. Purple (5V) 7. Grey (throttle signal SP) 8. White (brake signal BKL) |
| IV. Display wire is connected with the display 1. Yellow (displayer signal ZF) 2. Green (displayer signal IL) 3. Blue (lock wire) 4. Black (-) 5. Red (+) | V. Brake lever wire is connect- ed with the brake lever 1. White (brake signal) 2. Black (5V) | Vl. Throttle 1. Purple (+5v) 2. Grey (signal) 3. Black (ground) |
| Vll. Power wire of the speed sensor is connected with the controller 1. Blue (signal) 2. Red (+5V) 3. Black (ground) |

Main Technical Specification Sheet
| Model | |
| Chatham Rev 2 | 36V/350W |
| Max Speed with electric assistance: | 20MPH/32KPH |
| Over current protection: | 13 +/- 1A |
| Under voltage protection: | 31.5 +/- 0.5V |
| Motor Type: | Burshless with planetairy gears |
| Rated Power: | 350W |























