ICM CONTROLS ICM2920 Integrated Furnace Control Board User Guide
Introduction
The ICM2920 is a form, fit, and functional replacement for the boards shown in the cross-reference section of this guide. The ICM2920 is an automated gas ignition control board which monitors the ignition sequence including the inducer, pressure switch, spark ignition, gas valve, flame sense, and circulating blower while maintaining full safety circuit monitoring including the high limit switch, roll out switch and auxiliary limit switch circuits. Onboard diagnostics will indicate when a fault condition exists.
Features
- Controls blower motors, gas valve, & spark ignitor in sequence
- Powers a cooling compressor & protects against short-cycling
- Selectable heat blower off-delay time
- Control can be used for 2-stage cooling by removing a tab
- Flash codes from the onboard LED indicate specific problems for easier troubleshooting
- Repeated ignition failures or flame losses will disable heat operation for safety.
Specifications
Input
- Line voltage: 230 VAC (RMS)
- Control voltage: 18 – 30 VAC (RMS), 0.15A max.
- Frequency: 50/60Hz
- Fuse rating: 3 A
Output
Relay Contact Ratings:
- Heat/Cool N.O.: 15A FLA, 30A LRA @230 VAC
- Heat/Cool N.C.: 16A FLA, 36A LRA @230 VAC
- Inducer: 4A FLA, 4A LRA @ 230 VAC
- Gas valve: 1.5A @ 24VAC pilot duty
- Compressor contactor: 1.0 A @ 24 VAC
Environmental
- Operating temperature: -40°C to 80C (104°F to 176°F)
- Storage temperature: -40°C to 85C (104°F to 185°F)
- Humidity: 5% – 95% R.H. (non-condensing) at +55˚C
Mechanical
- Dimensions: 6.50” L x 5.15” W x 3.00” D
Replaces
Goodman: PCBAG123, PCBAG123S Direct Spark Ignition Controls
Mode of Operation
When a call for heat is made by connecting the W and R terminals, the control runs through the following sequence to start the furnace:
- Ensure pressure switch is initially open
- Turn draft inducer motor on
- Wait for pressure switch to close
- Enact a 15-second pre-purge delay
- Energize gas valve, then spark ignitor
- Prove the Flame through the sensor
- Spark ignitor stops, gas stays on
- Enact a 30-second heat blower on delay
- Turn on the heat blower
When the W call is removed, the cycle ends normally as follows:
- Gas valve deactivates immediately
- Inducer turns off after a 30 second post-purge delay
- Heat blower deactivates after the delay selected by the delay jumper pins, either 150, 135, or 120 seconds
Electrostatic Discharge (ESD) Precautions
Caution
Use caution when installing and servicing the furnace to avoid and control electrostatic discharge; ESD can impact electronic components. These precautions must be followed to prevent electrostatic discharge from hand tools and personnel. Following the precautions will protect the control from ESD by discharging static electricity buildup to ground.
- Disconnect all power to the furnace. Do not touch the control or the wiring prior to discharging your body’s electrostatic charge to ground.
- To ground yourself, touch your hand and tools to a clean, metal (unpainted) furnace surface near the control board.
- Service the furnace after touching the chassis. Your body will recharge with static electricity as you shuffle your feet or move around, and you must reground yourself.
- Reground yourself if you touch ungrounded items.
- Before handling a new control, reground yourself, this will protect the control. Store the used and new controls in separate; containers before touching ungrounded objects.
- ESD damage can also be prevented by using an ESD service kit.
Remove Existing Control
CAUTION!
To service control, and prior to disconnection, label all wires. Failure to do so may result in wiring errors which can cause dangerous operation.
- Turn thermostat to OFF position or set it to the lowest possible setting.
- Turn OFF electrical supply to furnace.
- Turn OFF gas supply to furnace.
- Remove furnace blower and control access doors.
- Remove control box cover.
CAUTION!
Failure to turn off gas and electric supplies can result in explosion, fire,death, or personal injury. - Disconnect thermostat wires and humidifier wires (if equipped with a humidifier).
- Disconnect line voltage, blower, electronic air cleaner wires (if equipped), and transformer wires.
- Remove wiring harness from circuit board.
- Remove screws or any other fasteners and old circuit board.
- Examine control and control box to check for water stains.
- Make repairs if any sources of water leakage are found. Be sure to check humidifiers, evaporator coils, and vent systems in the area of the control.
Install New Control
- Ground yourself properly before installing the new ICM2920 control board.
- Mount the new control using any screws and fasteners previously removed.
- Connect all line/low voltage, accessory, thermostat and ground wires.
- Verify the sequence of operation.
Timing Specification
Heat Operation
- Pre-purge: 15 seconds
- Blower ON: 30 seconds
- Post-purge: 29 seconds
- Blower OFF (adjustable): 120/135/150 seconds
- Ignition trial 7 seconds
- Inter-purge (purge time between trials): 15 seconds
- Ignition activation period: 5 seconds
- Flame establishing period: 2 seconds
- Flame failure response time: 0.8 (max) seconds
- Number of trials: 3 trials
Hi-Speed Fan
- Blower ON: 7 seconds
- Blower OFF: 60 seconds
Cooling Operation
- Blower ON: 7 seconds
- Blower OFF: 60 seconds
- Compressor anti-short-cycle*: 180 seconds
- Compressor delay ON make*: 60 seconds
Compressor delay selected with breakaway configuration tab Intact = 3 minutes anti-short-cycle.
* Compressor delay selected with breakaway configuration tab broken = 60 seconds delay on make.
Blower Timing Select
Blower Off Delay Jumper
When in heat mode, the heat blower turns off 120, 135, or 150 seconds after a W call ends, depending on the position of the jumper. If the jumper is disconnected, the control defaults to 150 seconds.
Breakaway Tab For Cooling Anti-Short Cycle Delay
When the breakaway tab is left intact, the control introduces an anti-short-cycle delay between cooling calls. Hence, once the compressor is deactivated, it will not activate again for 180 seconds.
Speed Up Jumper
If the speedup pins are jumped at power-on time, the unit will bypass the compressor anti-short-cycle delay and energize the compressor if a Y call is in place. If a delay is already in progress when the connection is made, the board will ignore the remaining time and the compressor contactor activates immediately. When the tab is removed, the control waits 60 seconds after a Y call is made before activating the compressor. Any G calls will activate the cool blower instead of the heat blower.
Lockout
Repeated faults will disable heat operation for safety and the unit will enter lockout mode. While in lockout, fan & cooling modes operate differently depending on the cause of the lockout. The control will activate the heat blower & inducer during lock out. The lockout mode will automatically reset after 1 hour, or when 24 VAC power is removed for at least 3 seconds.
Fault Code Table For Status LED
| Flashes | Fault Condition |
| Steady ON | Control OK in standby, heat, cooling, or fan modes |
| Steady OFF | No power, or miswired gas valve |
| 1 | Lockout due to flame loss or ignition failure |
| 2 | Open pressure switch |
| 3 | Pressure switch closed with inducer off |
| 4 | Open limit switch |
| 5 | Flame detected with gas valve closed |
| 6 | Compressor output delayed by anti-short cycle/staging timer |
Troubleshooting
| Problem | Solution |
| Thermostat interference | There are some thermostats which can interfere with the way the ICM furnace boards sense the call for heat. If you are having any issues with establishing flame, the first step would be to remove all the thermostat wires from the board and temporarily jump R – W to test. If the furnace cycle completes, remove the jumper, and replace the existing thermostat with a battery-operated thermostat or a hardwired thermostat which uses a R & C connection. |
| Flame Loss | Flame out is considered when flame is lost during heating.
|
| No flame/ Ignition failure |
|
| Flame out of sequence | Flame out of sequence represents a scenario when flame is sensed while W signal is not present.
|
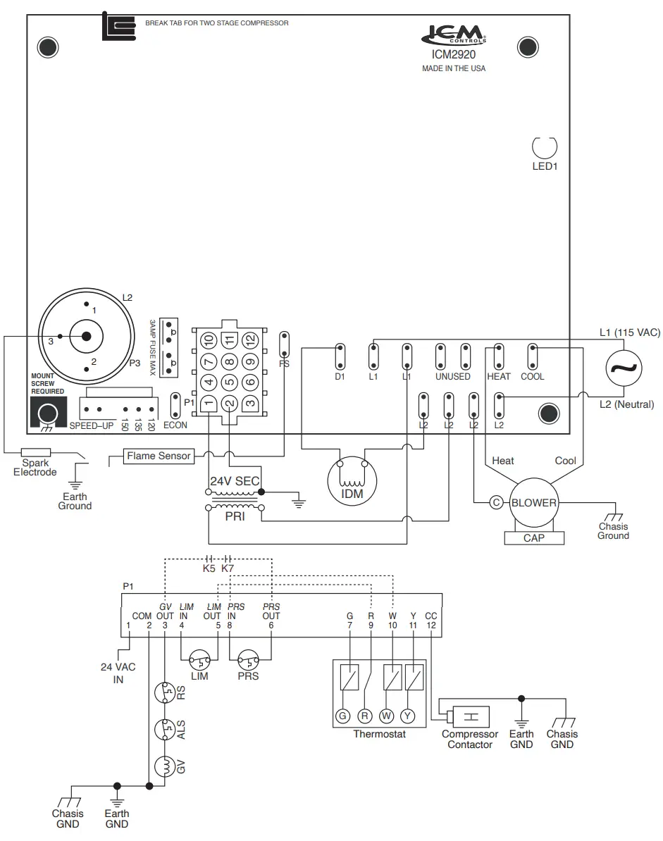
Pin Socket Pinout
Legend:
- 24 VAC HOT from transformer
- 24 VAC COM/chassis ground
- Gas valve out
- Limit switch in
- Limit switch out
- Pressure switch out
- Thermostat G in
- Pressure switch in
- Thermostat R out
- Thermostat W in
- Thermostat Y in
- Compressor contactor out
Wiring Diagram

Legend
| RS | Roll Out Switch |
| LIM | Limit Switch |
| ALS | Auxillary Limit Switch |
| GV | Gas Valve |
| PRS | Pressure Switch |
| CC | Compressor Contactor |
| IDM | Inducer Motor |
| CAP | Capacitor |
| ECON | Economizer |
| FS | Flame Sense |
| C | Blower Neutral |
| PRI | Transformer Primary |
| SEC | Transformer Secondary |
| GND | Ground |
| COM | Common |
Support
7313 William Barry Blvd., North Syracuse, NY 13212
(Toll Free) 800-365-5525
(Phone) 315-233-5266
(Fax) 315-233-5276
www.icmcontrols.com




















