LENNOX 23C48 Furnace Replacement Control Kit

Installation Instruction For Integrated Furnace Control Replacement Kit 23C48 Used With Single Stage Furnaces Equipped With Constant Torque Indoor Blower Motor
WARNING: Improper installation, adjustment, alteration, service or maintenance can cause property damage, personal injury or loss of life. Installation and service must be performed by a licensed professional HVAC installer (or equivalent), service agency or the gas supplier.
Shipping and Packing List
Package 1 of 1 contains:
- 1 – Integrated control 107163-01
- 1 – Diagnostic label
Application
Use replacement kit 23C48 with furnaces equipped with constant torque indoor blower motors. This control is de-signed for use with a 120V ignitor only. Do not install this integrated control in a furnace equipped with a 70V or 95V ignitor.
IMPORTANT: Disconnect power before servicing unit. Shut off main gas supplies to appliance until installation is complete.
Installation
WARNING: Protect the control from direct contact with water. If the control has been in direct contact with water, replace control.
WHEN SERVICING CONTROLS, label all wires prior to disconnecting. Wiring errors can cause improper and dangerous operation.
VERIFY proper operation after servicing.
WARNING: Disconnect power before servicing unit.
Shut off main gas supplies to appliance until installation is complete.
ELECTROSTATIC DISCHARGE (ESD) Precautions and Procedures
CAUTION
Electrostatic discharge can affect electronic components. Take precautions to neutralize electrostatic charge by touching your hand and tools to metal prior to handling the control.
- Turn off electrical and gas supplies to the furnace.
- Remove the access panel(s), to the blower compartment
- Label the wires before disconnecting the existing control.
- Disconnect the wires and harness connectors from the existing control.
- Remove the existing control from there control box.
- Position the replacement control over the mounting holes and carefully snap control in place
- Reconnect the wires and harness connectors in the replacement control.
- Affix the new label over the old label on the access panel.
- Install access panel back to the blower compartment.
- Restore electrical power and gas supplies to the furnace. Refer to the furnace installation instructions or sticker on the unit for start-up.
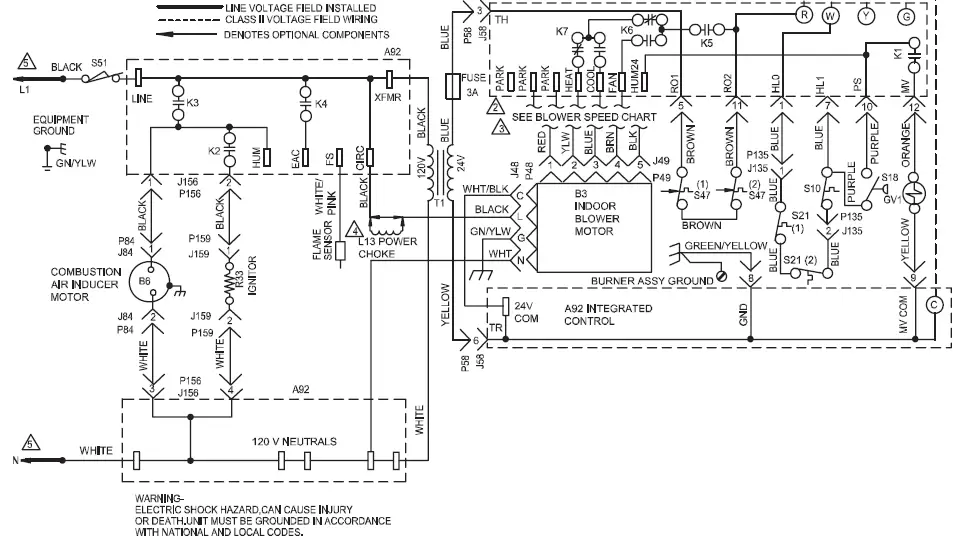
Typical 80% Efficient Furnace Wiring Diagram


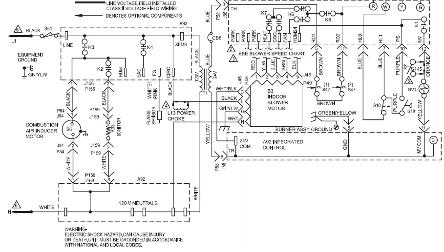
Typical 90% Efficient Furnace Wiring Diagram




















