Integrated Control Replacement Kit
Instruction Manual
INSTALLATION INSTRUCTIONS FOR INTEGRATED CONTROL REPLACEMENT KIT (22K51) USED WITH COMMUNICATING ENABLED SL280UHV, SL280DFV, EL296UHV, and EL296DFV UNITS
WARNING
This conversion kit is to be installed by a licensed professional service technician (or equivalent) or other qualified agency in accordance with the manufacturer’s instructions, all codes, and requirements of the authority having jurisdiction.
Shipping and Packing List
Package 1 of 1 contains:
1 – Integrated control – 107045-XX (two-digit suffix) –
1 – Diagnostic sticker 107343-XX (two-digit suffix)
Application
Use replacement integrated control kit (22K51) with communicating enabled SL280 and EL296 units. This control is designed for use with a 120V ignitor only. Do not install this integrated control in a furnace equipped with a 95V ignitor. Integrated control 107045 (two-digit suffix) can be used in communicating or non-communicating applications.
installation
WARNING
Protect the control from direct contact with water.
If the control has been in direct contact with water, replace the control.
WHEN SERVICING CONTROLS, label all wires prior to disconnecting. Wiring errors can cause improper and dangerous operations.
VERIFY proper operation after servicing.
WARNING
Disconnect power before servicing the unit.
Shut off main gas supplies to the appliance until installation is complete.
ELECTROSTATIC DISCHARGE (ESD) Precautions and Procedures
CAUTION
Electrostatic discharge can affect electronic components. Take precautions to neutralize electrostatic charge by touching your hand and tools to metal prior to handling the control.
- Turn off electrical and gas supplies to the furnace.
- Remove the access panel and the control box cover. Label the wires before disconnecting.
- Disconnect the wires and harness connectors from the existing control.
- Remove control by unlatching the two mounting legs on the right side of the control and then rotate the control toward you.
- Replace with the provided control and reconnect the marked wires and harness connectors.
- Replace the current diagnostic sticker with a provided diagnostic sticker.
- Restore electrical and gas supplies to the furnace.
Non-Communicating System
For non-communicating applications set all DIP switch settings and onboard links exactly as the control being replaced.
When replacing the control in a non-communicating system, it must be configured using the flow chart on page 4.
WARNING
Ensure proper earth grounding of the appliance.
Ensure proper connection of line neutral and line hot wires.
Communicating Enabled Furnace and NonCommunicating Outdoor Unit
Communicating Enabled Furnace and Communicating Enabled Outdoor Unit

Communicating systems four thermostat wires between the thermostat and the furnace/air handler control and four wires between the outdoor unit and the furnace/air handler control. When a thermostat cable with more than four wires is used, the extra wires must be properly connected to avoid electrical noise. The wires must not be left disconnected. Use wire nuts to bundle the four unused wires at each end of the cable. A single wire should then be connected to the indoor unit end of the wire bundle and attached to the “C” terminals as shown below.

Optional Accessories for use with Communicating System
NOTE: COMMUNICATING THERMOSTAT SENSES HUMIDITY & CONTROLS HUM CONTACTS TO CYCLE HUMIDIFIER BASED ON DEMAND. NO OTHER CONTROL OR HUMIDISTAT IS REQUIRED.
OPTIONAL OUTDOOR AIR SENSOR FOR USE WITH HUMIDIFIER (IF NOT ALREADY IN THE SYSTEM FOR OTHER FUNCTIONS. BUILT INTO ALL COMMUNICATING ENABLED OUTDOOR UNITS).

NOTE: 24V UV LIGHT APPLICATIONS
In a communicating system, neither furnace nor the air handler
UV light applications. An additional transformer for UV light applications is required.
HEPA BYPASS FILTER X2680 HEPA INTERLOCK KIT
COMMUNICATING ENABLED FURNACE

LVCS VENTILATION CONTROL SYSTEM


120V CONNECTIONS

24V HUMIDIFIER CONNECTIONS

Program Unit Capacity/Size Mode

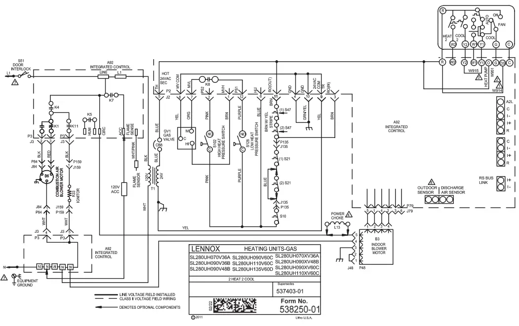
SL280UHV Schematic Wiring Diagram

| BLOWER SPEED CHART | ||||
| UNIT | FACTORY SHIPPED SETTINGS | SECONDARY LIMITS USED | ||
| HEAT | COOL | ADJUST | ||
| 070(X)V36A | FACTORY DEFAULT | HIGH | FACTORY DEFAULT | 2 |
| 090V36B | ||||
| 090(X)V48B | ||||
| 090(X)V60C | ||||
| 110(X)V60C | ||||
| 135V60D | ||||
| Program unit capacity/size | ||
| The character on 7- the segment LED (w dot ON) | Furnace Model | Circulator Motor Size |
| A | 070(X)V36A | 1/2 HP |
| b | 090V36B | 1/2 HP |
| C | 090(X)V48B | 1 HP |
| d | 090(X)V60C | 1 HP |
| E | 110(X)V60C | 1 HP |
| F | _ 135V60D | 1 HP |

- CUT W914 JUMPER LABELED “DEHUM OR HARMONY” FROM DS TO R, AT A92 CONTROL BOARD, WHEN USED WITH Comfortsense® 7000 THERMOSTAT
- CUT W951 JUMPER FROM 0 TO R, LABELED “HEAT PUMP”, AT A92 CONTROL BOARD, WHEN USED FOR DUAL FUEL APPLICATIONS
- JUMPER W915 FROM Y1 TO Y2 IS FACTORY INSTALLED AT THE A92 CONTROL BOARD. LEAVE IN FOR ONE STAGE COOL THERMOSTAT. CUT JUMPER Y1 TO Y2 FOR A TWO-STAGE COOL THERMOSTAT.
- L13 IS USED ON 1HP ONLY
THERMOSTAT HEAT ANTICIPATION SETTING.65 AMP HONEYWELL VALVE .43 AMP WHITE RODGERS VALVE - THE DIP SWITCH FACTORY DEFAULT IS FOR A TWC STAGE THERMOSTAT
- FIELD-SUPPLIED ACC WIRE
- USE COPPER CONDUCTORS ONLY DISCHARGE AND OUTDOOR AIR TERMINALS ARE FOR comfort USE ONLY
- THERMOSTAT CONNECTIONS ARE FOR NON-COMMUNICATING SYSTEMS ONLY. REFER TO comfort INSTALLATION INSTRUCTIONS FOR COMMUNICATING SYSTEMS.
- DHL TERMINALS ARE ONLY USED WITH comfort THERMOSTAT
HEAT, COOL TWO STAGE
NOTE: SEE INSTALLATION INSTRUCTIONS FOR PROCEDURE TO SET CORRECT BLOWER SPEED FOR SPECIFIC COOLING TONNAGE BEING APPLIED, AND HEATING TEMPERATURE RISE DESIRED.
TYPICAL SYSTEM SHOWN FOR 2 HEAT/2 COOL WITH A CONVENTIONAL THERMOSTAT. SEE INSTALLATION INSTRUCTIONS FOR CONNECTIONS TO OTHER EQUIPMENT AND ACCESSORIES.
S1 ROOM THERMOSTAT

WARNING
-ELECTRIC SHOCK HAZARD, WHICH CAN CAUSE INJURY OR DEATH. UNIT MUST BE GROUNDED IN ACCORDANCE WITH NATIONAL AND LOCAL CODES.
NOTE-
IF ANY WIRE IN THIS APPLIANCE IS REPLACED, IT MUST BE REPLACED WITH WIRE OF LIKE SIZE, RATING, INSULATION THICKNESS, AND TERMINATION
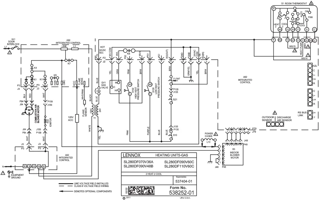
SL280DFV Schematic Wiring Diagram

| BLOWER SPEED CHART | ||||
| UNIT | FACTORY SHIPPED SETTINGS | SECONDARY LIMITS USED | ||
| HEAT | COOL | ADJUST | ||
| 070V36A | FACTORY DEFAULT | HIGH | FACTORY DEFAULT | 1 |
| 090V48B | ||||
| 090V60C | ||||
| 110V60C _ | ||||
| Program unit capacity/size | ||
| The character on 7- the segment LED (w dot ON) | Furnace Model | Circulator Motor Size |
| H | 070V36A | 1/2 HP |
| J | 090V48B | 1 HP |
| L | 090V60C | 1 HP |
| n | 110V60C | 1 HP |

- CUT W914 JUMPER LABELED “DEHUM OR HARMONY” FROM DS TO R, AT A92 CONTROL BOARD, WHEN USED WITH Comfortsense® 7000 THERMOSTAT
- CUT W951 JUMPER FROM 0 TO R, LABELED “HEAT PUMP”, AT A92 CONTROL BOARD, WHEN USED FOR DUAL FUEL APPLICATIONS
- JUMPER W915 FROM Y1 TO Y2 IS FACTORY INSTALLED AT THE A92 CONTROL BOARD. LEAVE IN FOR ONE STAGE COOL THERMOSTAT. CUT JUMPER Y1 TO Y2 FOR A TWO-STAGE COOL THERMOSTAT.
- L13 IS USED ON 1HP ONLY
THERMOSTAT HEAT ANTICIPATION SETTING.65 AMP HONEYWELL VALVE .43 AMP WHITE RODGERS VALVE - THE DIP SWITCH FACTORY DEFAULT IS FOR A TWC STAGE THERMOSTAT
- FIELD-SUPPLIED ACC WIRE
- USE COPPER CONDUCTORS ONLY DISCHARGE AND OUTDOOR AIR TERMINALS ARE FOR comfort USE ONLY
- THERMOSTAT CONNECTIONS ARE FOR NON-COMMUNICATING SYSTEMS ONLY. REFER TO comfort INSTALLATION INSTRUCTIONS FOR COMMUNICATING SYSTEMS.
- DHL TERMINALS ARE ONLY USED WITH comfort THERMOSTAT
HEAT, COOL TWO STAGE
NOTE: SEE INSTALLATION INSTRUCTIONS FOR PROCEDURE TO SET CORRECT BLOWER SPEED FOR SPECIFIC COOLING TONNAGE BEING APPLIED, AND HEATING TEMPERATURE RISE DESIRED.
TYPICAL SYSTEM SHOWN FOR 2 HEAT/2 COOL WITH A CONVENTIONAL THERMOSTAT. SEE INSTALLATION INSTRUCTIONS FOR CONNECTIONS TO OTHER EQUIPMENT AND ACCESSORIES.

WARNING
-ELECTRIC SHOCK HAZARD, WHICH CAN CAUSE INJURY OR DEATH. UNIT MUST BE GROUNDED IN ACCORDANCE WITH NATIONAL AND LOCAL CODES.
NOTE-
IF ANY WIRE IN THIS APPLIANCE IS REPLACED, IT MUST BE REPLACED WITH WIRE OF LIKE SIZE, RATING, INSULATION THICKNESS, AND TERMINATION
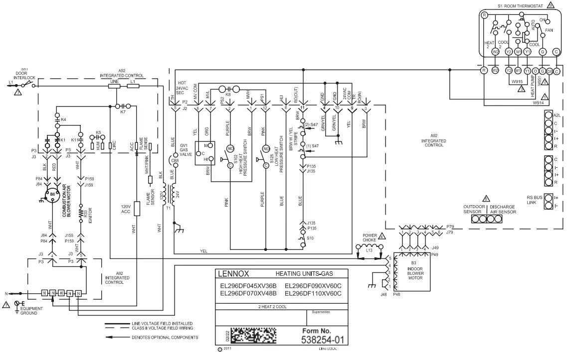
EL296DFV Schematic Diagram

| BLOWER SPEED CHART | ||||
| UNIT | FACTORY SHIPPED SETTINGS | SECONDARY LIMITS USED | ||
| HEAT | COOL | ADJUST | ||
| 045XV36B | FACTORY DEFAULT | HIGH | FACTORY DEFAULT | 1 |
| 070XV48B | ||||
| 090XV60C | ||||
| 110XV60C | ||||
| Program | unit capacity/size | |
| The character on 7- the segment LED (w dot ON) | Furnace Model | Circulator Motor Size |
| 8 | 045XV36B | 1/2 HP |
| 9 | 070XV48B | 3/4 HP |
| 11 | 090XV60C | 1 HP |
| U | 110XV60C | 1 HP |

- CUT W914 JUMPER LABELED “DEHUM OR HARMONY” FROM DS TO R, AT A92 CONTROL BOARD, WHEN USED WITH Comfortsense® 7000 THERMOSTAT
- CUT W951 JUMPER FROM 0 TO R, LABELED “HEAT PUMP”, AT A92 CONTROL BOARD, WHEN USED FOR DUAL FUEL APPLICATIONS
- JUMPER W915 FROM Y1 TO Y2 IS FACTORY INSTALLED AT THE A92 CONTROL BOARD. LEAVE IN FOR ONE STAGE COOL THERMOSTAT. CUT JUMPER Y1 TO Y2 FOR A TWO-STAGE COOL THERMOSTAT.
- L13 IS USED ON 1HP ONLY
THERMOSTAT HEAT ANTICIPATION SETTING.65 AMP HONEYWELL VALVE .43 AMP WHITE RODGERS VALVE - THE DIP SWITCH FACTORY DEFAULT IS FOR A TWC STAGE THERMOSTAT
- FIELD-SUPPLIED ACC WIRE
- USE COPPER CONDUCTORS ONLY DISCHARGE AND OUTDOOR AIR TERMINALS ARE FOR comfort USE ONLY
- THERMOSTAT CONNECTIONS ARE FOR NON-COMMUNICATING SYSTEMS ONLY. REFER TO comfort INSTALLATION INSTRUCTIONS FOR COMMUNICATING SYSTEMS.
- DHL TERMINALS ARE ONLY USED WITH comfort THERMOSTAT
HEAT, COOL TWO STAGE
NOTE: SEE INSTALLATION INSTRUCTIONS FOR PROCEDURE TO SET CORRECT BLOWER SPEED FOR SPECIFIC COOLING TONNAGE BEING APPLIED, AND HEATING TEMPERATURE RISE DESIRED.
TYPICAL SYSTEM SHOWN FOR 2 HEAT/2 COOL WITH A CONVENTIONAL THERMOSTAT. SEE INSTALLATION INSTRUCTIONS FOR CONNECTIONS TO OTHER EQUIPMENT AND ACCESSORIES.
WARNING
-ELECTRIC SHOCK HAZARD, WHICH CAN CAUSE INJURY OR DEATH. UNIT MUST BE GROUNDED IN ACCORDANCE WITH NATIONAL AND LOCAL CODES.
NOTE-
IF ANY WIRE IN THIS APPLIANCE IS REPLACED, IT MUST BE REPLACED WITH WIRE OF LIKE SIZE, RATING, INSULATION THICKNESS, AND TERMINATION
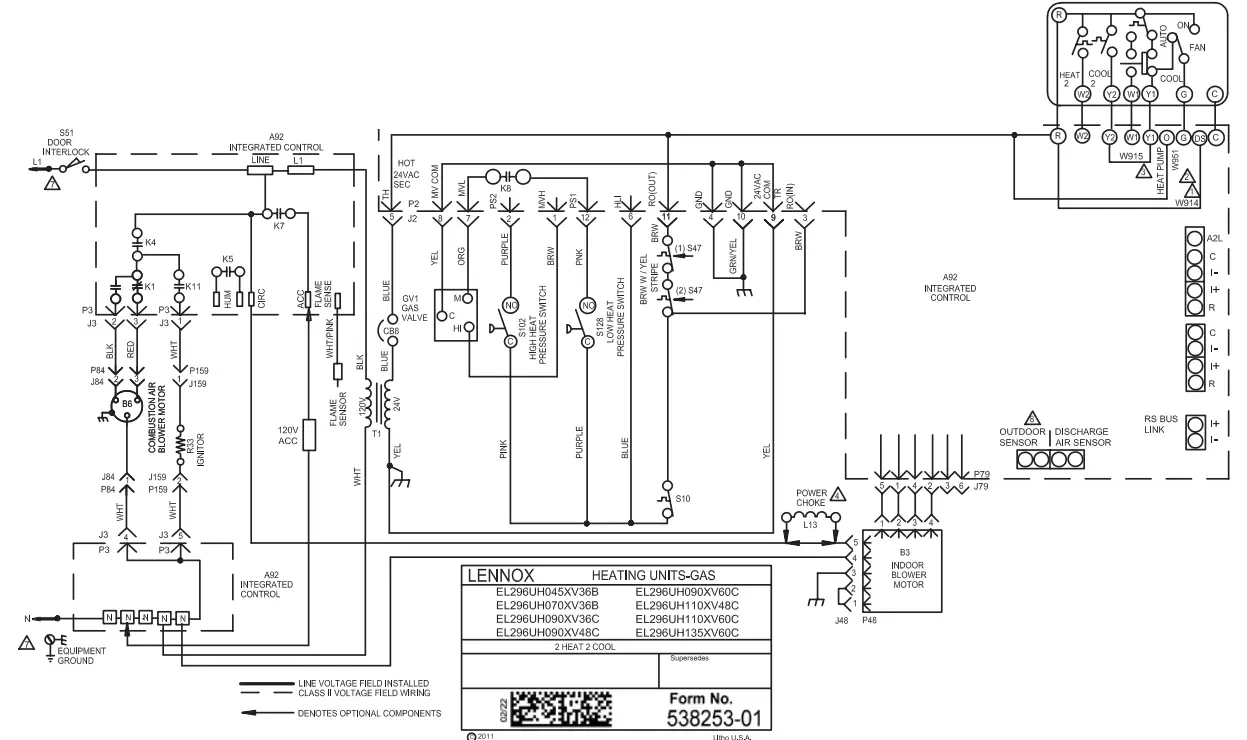
EL296UHV Schematic Wiring Diagram

| BLOWER SPEED CHART | ||||
| UNIT | FACTORY SHIPPED SETTINGS | SECONDARY LIMITS USED | ||
| HEAT | COOL | ADJUST | ||
| 045XV36B | HIGH | FACTORY DEFAULT | o | |
| 070XV36B | ||||
| 090XV36C | FACTORY | |||
| 090XV48C | DEFAULT | |||
| 090XV60C | ||||
| 110XV48C | ||||
| 110XV60C | ||||
| 135XV60C | ||||
| Program unit capacity/size | ||
| The character on 7- the segment LED (w dot ON) | Furnace Model | Circulator Motor Size |
| 0 | 045XV36B | 1/2 HP |
| 1 | 070XV36B | 1/2 HP |
| 2 | 090XV36C | 1/2 HP |
| 3 | 090XV48C | 3/4 HP |
| 4 | 090XV60C | 1 HP |
| 5 | 110XV48C | 3/4 HP |
| 6 | 110XV60C | 1 HP |
| 7 | 135XV60C | 1 HP |

- CUT W914 JUMPER LABELED “DEHUM OR HARMONY” FROM DS TO R, AT A92 CONTROL BOARD, WHEN USED WITH Comfortsense® 7000 THERMOSTAT
- CUT W951 JUMPER FROM 0 TO R, LABELED “HEAT PUMP”, AT A92 CONTROL BOARD, WHEN USED FOR DUAL FUEL APPLICATIONS
- JUMPER W915 FROM Y1 TO Y2 IS FACTORY INSTALLED AT THE A92 CONTROL BOARD. LEAVE IN FOR ONE STAGE COOL THERMOSTAT. CUT JUMPER Y1 TO Y2 FOR A TWO-STAGE COOL THERMOSTAT.
- L13 IS USED ON 1HP ONLY
THERMOSTAT HEAT ANTICIPATION SETTING.65 AMP HONEYWELL VALVE .43 AMP WHITE RODGERS VALVE - THE DIP SWITCH FACTORY DEFAULT IS FOR A TWC STAGE THERMOSTAT
- FIELD-SUPPLIED ACC WIRE
- USE COPPER CONDUCTORS ONLY DISCHARGE AND OUTDOOR AIR TERMINALS ARE FOR comfort USE ONLY
- THERMOSTAT CONNECTIONS ARE FOR NON-COMMUNICATING SYSTEMS ONLY. REFER TO comfort INSTALLATION INSTRUCTIONS FOR COMMUNICATING SYSTEMS.
- DHL TERMINALS ARE ONLY USED WITH comfort THERMOSTAT
HEAT, COOL TWO STAGE
NOTE: SEE INSTALLATION INSTRUCTIONS FOR PROCEDURE TO SET CORRECT BLOWER SPEED FOR SPECIFIC COOLING TONNAGE BEING APPLIED, AND HEATING TEMPERATURE RISE DESIRED.
TYPICAL SYSTEM SHOWN FOR 2 HEAT/2 COOL WITH A CONVENTIONAL THERMOSTAT. SEE INSTALLATION INSTRUCTIONS FOR CONNECTIONS TO OTHER EQUIPMENT AND ACCESSORIES.
WARNING
-ELECTRIC SHOCK HAZARD, WHICH CAN CAUSE INJURY OR DEATH. UNIT MUST BE GROUNDED IN ACCORDANCE WITH NATIONAL AND LOCAL CODES.
NOTE-
IF ANY WIRE IN THIS APPLIANCE IS REPLACED, IT MUST BE REPLACED WITH WIRE OF LIKE SIZE, RATING, INSULATION THICKNESS, AND TERMINATION
EL296UHV With Blower Drive Schematic Wiring Diagram

| BLOWER SPEED CHART | ||||
| FACTORY SHIPPED SETTINGS | SECONDARY LIMITS USED | |||
| UNIT | HEAT | COOL | ADJUST | |
| 045XV36B, | FACTORY DEFAULT | HIGH | FACTORY DEFAULT | o |
| 070XV36B | ||||
| 090XV36C | ||||
| 090XV48C | ||||
| 090XV60C | ||||
| 110XV48C | ||||
| 110XV60C | ||||
| 135XV60C | ||||
| Program unit capacity/size | ||
| The character on 7- segment LED (w dot ON) | Furnace Model | Circulator Motor Size |
| 0 | 045XV36B | 1/2 HP |
| 1 | 070XV36B | 1/2 HP |
| 2 | 090XV36C | 1/2 HP |
| 3 | 090XV48C | 3/4 HP |
| 4 | 090XV60C | 1 HP |
| 5 | 110XV48C | 3/4 HP |
| 6 | 110XV60C | 1 HP |
| 7 | 135XV60C | 1 HP |

- CUT W914 JUMPER LABELED “DEHUM OR HARMONY” FROM DS TO R, AT A92 CONTROL BOARD, WHEN USED WITH Comfortsense® 7000 THERMOSTAT
- CUT W951 JUMPER FROM 0 TO R, LABELED “HEAT PUMP”, AT A92 CONTROL BOARD, WHEN USED FOR DUAL FUEL APPLICATIONS
- JUMPER W915 FROM Y1 TO Y2 IS FACTORY INSTALLED AT THE A92 CONTROL BOARD. LEAVE IN FOR ONE STAGE COOL THERMOSTAT. CUT JUMPER Y1 TO Y2 FOR A TWO-STAGE COOL THERMOSTAT.
- L13 IS USED ON 1HP ONLY
THERMOSTAT HEAT ANTICIPATION SETTING.65 AMP HONEYWELL VALVE .43 AMP WHITE RODGERS VALVE - THE DIP SWITCH FACTORY DEFAULT IS FOR A TWC STAGE THERMOSTAT
- FIELD-SUPPLIED ACC WIRE
- USE COPPER CONDUCTORS ONLY DISCHARGE AND OUTDOOR AIR TERMINALS ARE FOR comfort USE ONLY
- THERMOSTAT CONNECTIONS ARE FOR NON-COMMUNICATING SYSTEMS ONLY. REFER TO comfort INSTALLATION INSTRUCTIONS FOR COMMUNICATING SYSTEMS.
- DHL TERMINALS ARE ONLY USED WITH comfort THERMOSTAT
HEAT, COOL TWO STAGE
NOTE: SEE INSTALLATION INSTRUCTIONS FOR PROCEDURE TO SET CORRECT BLOWER SPEED FOR SPECIFIC COOLING TONNAGE BEING APPLIED, AND HEATING TEMPERATURE RISE DESIRED.
TYPICAL SYSTEM SHOWN FOR 2 HEAT/2 COOL WITH A CONVENTIONAL THERMOSTAT. SEE INSTALLATION INSTRUCTIONS FOR CONNECTIONS TO OTHER EQUIPMENT AND ACCESSORIES.
WARNING
-ELECTRIC SHOCK HAZARD, WHICH CAN CAUSE INJURY OR DEATH. UNIT MUST BE GROUNDED IN ACCORDANCE WITH NATIONAL AND LOCAL CODES.
NOTE-
IF ANY WIRE IN THIS APPLIANCE IS REPLACED, IT MUST BE REPLACED WITH WIRE OF LIKE SIZE, RATING, INSULATION THICKNESS, AND TERMINATION
GAS UNITS
KITS & ACCESSORIES
508281-01
03/ 2022
© 2022



















