LENNOX 16F26 Commercial Split System Kits and Accessories
Shipping and Packing List
Package 1 of 1 contains:
- 1 – ICM Controller (A190 – see figure 6 for reference)
- 1 – Pressure transducer
- 1 – Fan power harness
- 1 – Heat pump harness
- 1 – Valve depressor tees with two cores
- 2 – Wiring diagram stickers
- 1 – High-pressure switch
- 1 – ICM Controller harness Wire ties / Self-tapping screws
WARNING
Improper installation, adjustment, alteration, service, or maintenance can cause property damage, personal injury, or loss of life. Installation and service must be performed by a licensed professional HVAC installer or equivalent, service agency, or gas supplier.
CAUTION
As with any mechanical equipment, contact with sharp sheet metal edges can result in personal injury. Take care while handling this equipment and wear gloves and protective clothing.
WARNING
Electric Shock Hazard! – Disconnect all power supplies before servicing. Replace all parts and panels before operating. Failure to do so can result in death or electrical shock.
Application
During low ambient conditions, the liquid line pressure will fall. If the pressure gets too low, the system will not have enough pressure drop across it to operate properly. To maintain the head pressure, the low ambient kit, instead of shutting down the condenser fan, slows down the condenser fan until the head pressure rises to the set point. This kit is designed for use in ambient temperatures no lower than 0°F (−17.8°C) unless otherwise noted in the Engineering Handbook.
Operation
Liquid line pressure for these ELP/ELS units is set at 315 psig. During low ambient conditions, as the liquid line pressure falls, the pressure transducer converts the liquid line pressure to an analog electric signal. The ICM controller then switches the fan motor to variable speed. The condenser fan speed is reduced, thus increasing the liquid line pressure to the setpoint to ensure the unit keeps operating properly. When the heat pump operates in heating mode, with the re-versing valve de-energized, the heat pump jumper is in N.C. mode and the fan runs at full speed.
Hardware Installation
- Disconnect all power to the outdoor unit and open panels on the outdoor unit to gain access to the control box.
- Install the ICM333 variable speed controller at the location shown below using the self-tapping screws provided.

- ELP 090-120 – Set the variable speed controller to the following settings:
- Setpoint: 315 psig
- Hard Start: Min.
- Cut-out Speed: Set to 5th marker from minimum
- Heat Pump Pin set to: N.C.
- ELS 120S – Set the variable speed controller to the following settings:
- Setpoint: 315 psig
- Hard Start: Min.
- Cut-out Speed: Set to 5th marker from minimum
- Heat Pump Pin set to: N.O.
- Disconnect the loss of charge switches from the liquid line.
- Install the valve depressor tees with two cores in place of the loss of charge switch.
- Connect the loss of charge switch to the valve core of the valve depressor tees.
Install the pressure transducer (ICM380) to the valve core of the valve depressor tees on the liquid line. Refer to figure 2. - On units without loss of charge switch on the liquid line, install the transducer directly on the liquid line. Valve depressor not required.
- ELS120S Units – remove the existing high pressure switch and replace it with the high pressure switch provided with the kit.

Electrical Installation
Connections for ICM333
- Connect the line power L2 wire to the terminal marked Line 2 on the ICM333 controller.
- Connect the motors for the outdoor fan to the terminal marked Motor 2 (blue wire marked A190-M) on the ICM 333 controller (A190).
- Check the voltage to the unit. Depending on the voltage, connect Line Power L1 to the correct terminal marked by Line1/ Motor 1.
- For voltages between 120 – 277, connect the L1 to the terminal second from the left. For voltages between 480 – 600, connect L1 to the left most terminal on the ICM333 controller.
Connections for Pressure Transducer
- Connect the black wire from the pressure transducer to P1 & P2 BLK COMM on the controller.
- Connect the red wire from the pressure transducer to P1 RED on the controller.
- Connect the green wire from the pressure transducer to P1 B, W, G on the controller.
IMPORTANT
It is essential that the existing fan power harness be removed and discarded as outlined in step 5 below. Continue to make the remaining connections per step 6.
Remaining Connections
- For ELP units, connect the reversing valve in parallel to the heat pump terminal on the ICM333 Controller with the harness provided.
- Install the stripped end of the harness in the ICM Controller. Unplug the existing wires from the de-frost board side only. Plug in the heat pump har-ness to the defrost board and then reattach the previously unplugged two wires.
NOTE Install the yellow wires from the harnesses to the same terminal on the defrost board and the purple wires to the remaining one. On kits without heat pump harness, refer to wiring diagram on page 3 to connect reversing valve in parallel to HP terminal on ICM333. - Install 24V Power Harness, A190 Controller (ICM 333) A190-24V and A190-COM, to TB14-R and TB14-C.
- Remove wiring to K10 relay.
- Remove wiring plugged into K10-4. DO NOT discard wiring.
- Remove existing fan power harness and discard it. (Refer to figure 4 for the harness to be discarded.)
- After disconnecting factory wiring to K10-4 (blue female 1/4ʺ QC terminal) per step 3, connect the wire marked K10-4/A190-M from the harness in the kit (blue male 1/4ʺ QC) to the K10-4 wire that was unplugged (blue female 1/4ʺ QC terminal). Plug wire from harness in kit marked A190-L2/K10- 4 into relay K10-4. Install remaining connections of the harness provided per the wiring diagram.
- Make sure all connections are in place.
- Use wire ties to bundle wiring and keep it away from sharp edges.
- Place the appropriate new wiring diagram sticker provided in kit on the unit.
- For heat pump applications, set heat pump pin on ICM controller to N.C
- Restore power to outdoor unit.
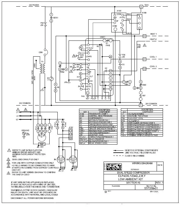
Wiring Diagram – ELP 090-120
Wiring Diagram – ELS 120
Factory-Installed Fan Power Harness (Must be Removed)
ICM Controller (A190) 




















