WHITE-RODGERS
Integrated Furnace Control
Installation Guide
50A55-3797

Failure to read and follow all instructions carefully before Installing or operating this control could cause personal Injury and/or property damage.
DESCRIPTION
The 50A55-3797 is an automatic gas interrupted ignition control that employs a microprocessor to continually monitor, analyze, and control the proper operation of the gas burner, inducer, and fan.
Signals interpreted during continual surveillance of the thermostat and flame sensing element initiate automatic ignition of the burner, sensing of the flame, and system shut-off during normal operation.

These controls incorporate system fault analysis for quick gas flow shut-off, coupled with automatic ignition retry upon sensing a fault correction. It is designed as a replacement for the following controls:
| Trane | White-Rodgers |
| CNT02891 | 50A55-474 |
| CNT03799 | 50A55-476 |
| CNT02789 | 50A55-571 |
| 50A55-3797 |
PRECAUTIONS
- Installation should be done by a qualified heating and air conditioning contractor or licensed electrician.
- If in doubt about whether your wiring is millivolt, line, or low voltage, have it inspected by a qualified heating and air conditioning contractor or licensed electrician.
- Do not exceed the specification ratings.
- All wiring must conform to local and national electrical codes and ordinances.
- This control is a precision instrument, and should be handled carefully. Rough handling or distorting components could cause the control to malfunction.
- Following installation or replacement, follow manufacturer’s recommended installation/service instructions to ensure proper operation.
CAUTION
Do not short out terminals on gas valve or primary control. Short or incorrect wiring may damage the thermostat.
WARNING
Failure to comply with the following warnings could result in personal injury or property damage.
FIRE HAZARD
- Do not exceed the specified voltage.
- Replace existing control with exact model and dash number.
- Protect the control from direct contact with water (dripping, spraying, rain, etc.).
- If the control has been in direct contact with water, replace the control.
- Label all wires before disconnection when servicing controls. Wiring errors can cause improper and dangerous operation.
- Route and secure wiring away from flame.
SHOCK HAZARD
- Disconnect electric power before servicing.
- Ensure proper earth grounding of appliance.
Ensure proper connection of line neutral and line hot wires.
EXPLOSION HAZARD
- Shut off main gas to appliance until installation is complete.
SPECIFICATIONS
- ELECTRICAL RATINGS [@ 77°F (25°C)]: Input Voltage: 25 VAC 50/60 Hz
- Max. Input Current @ 25 VAC: 0.45 amp
- Relay Load Ratings:
Valve Relay: 1.5 amp @ 25 VAC 50/60 Hz 0.6 pf
Ignitor Relay: 6.0 amp @ 120 VAC 50/60 Hz (resistive)
Inducer Relay: 2.2 FLA–3.5 LRA @ 120 VAC
Circulator Relay: 14.5 FLA–25.0 LRA @ 120 VAC - Flame Current Requirements:
Minimum current to insure flame detection: 1 μa DC*
Maximum current for non-detection: 0.1 μa DC*
Maximum allowable leakage resistance: 100 M ohms
*Measured with a DC microammeter in the flame probe lead - OPERATING TEMPERATURE RANGE: -40° to 175°F (-40° to 80°C)
- HUMIDITY RANGE: 5% to 93% relative humidity (non-condensing)
- MOUNTING: Surface mount multipoise
- Timing Specs: (@ 60 Hz**)maximum
- Flame Establishing Time: 0.8 sec
- Flame Failure Response Time: 2.0 sec
**At 50 Hz, all timing specifications should be increased by 20% Gases Approved: Natural, Manufactured, Mixed, Liquified Petroleum, and LP Gas Air Mixtures are all approved for use.
TIMING SPECIFICATIONS
(All times are in seconds, unless noted otherwise

*These times will vary depending on option switch position. See OPERATION section for further information.
INSTALLATION
MOUNTING AND WIRING
All wiring should be installed according to local and national electrical codes and ordinances.
The control must be secured to an area that will experience a minimum of vibration and remain below the maximum ambient temperature rating of 175°F. The control is approved for minimum ambient temperatures of -40°F. Any orientation is acceptable.
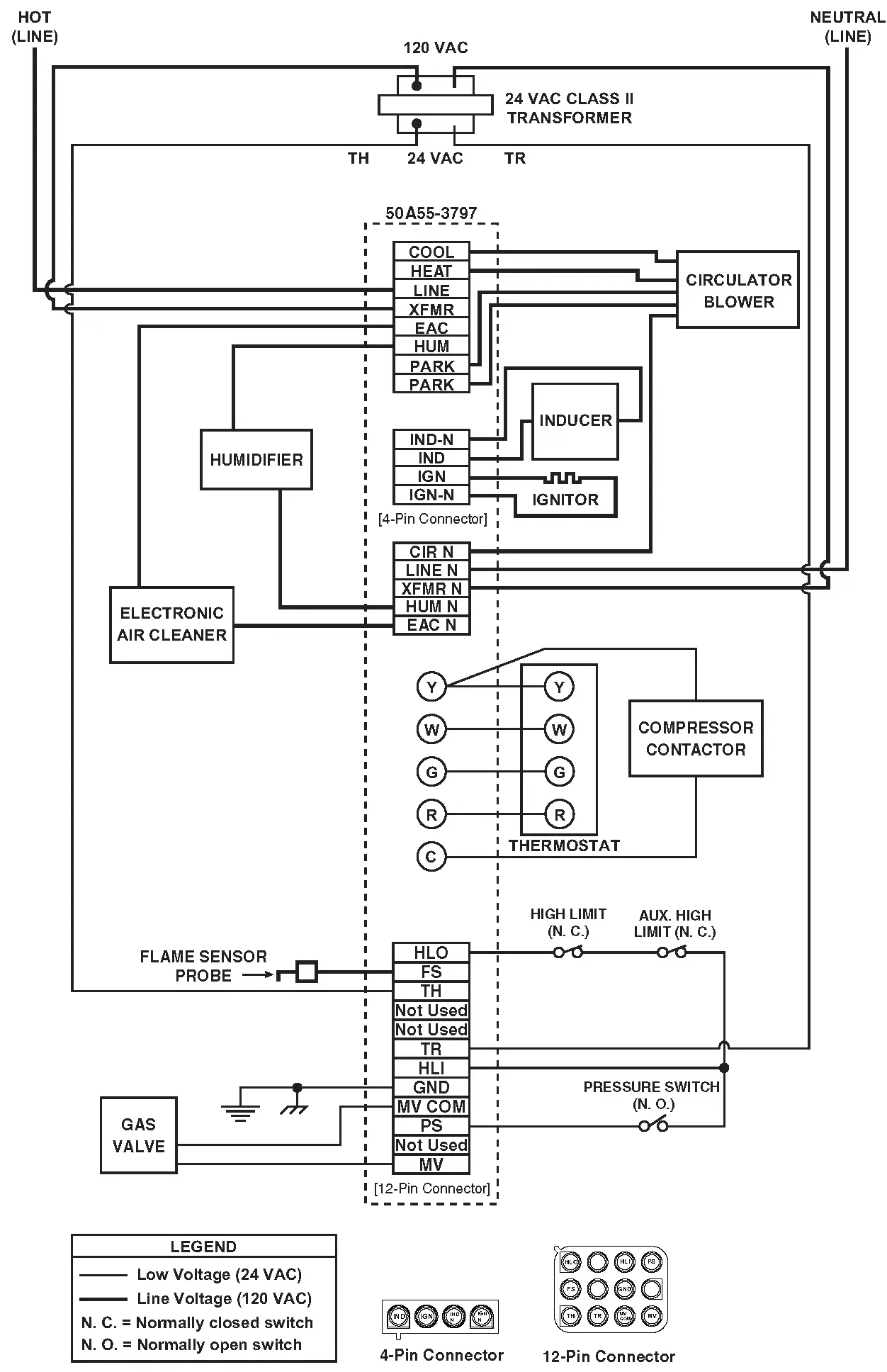
Refer to the wiring diagram and wiring table when connecting the 50A55 control to other components of the system.
UL approved, 105°C rated 18 gauge, stranded, 2/64″ thick insulation wire is recommended for all low voltage safety circuit connections. Refer to 50A55 specification sheet for recommended terminals to mate with those on the control.
UL approved 105°C rated 16 gauge min., stranded, 4/64″ thick insulation wire is recommended for all line voltage connections. Refer to 50A55 specification sheet for recommended terminals to mate with those on the control.
After installation or replacement, follow appliance manufacturer’s recommended installation or service instructions to ensure proper operation.
The 50A55 has only one serviceable part–an automotive type fuse, which protects the low voltage transformer from damage if its output is short-circuited. If the fuse has opened up, remove whatever caused the short circuit and replace the fuse with only a 5 Amp automotive type fuse. If the fuse is not the cause of the control’s problem, replace the entire 50A55 control. There are no other user serviceable parts.
CAUTION!
Do not short out terminals on gas valve or primary control. Short or incorrect wiring may damage the thermostat.
WARNING!
FIRE HAZARD
- Do not exceed the specified voltage.
- Replace existing control with exact model and dash number.
- Protect the control from direct contact with water (dripping, spraying, rain, etc.).
- If the control has been in direct contact with water, replace the control.
- Label all wires before disconnection when servicing controls. Wiring errors can cause improper and dangerous operation.
- Route and secure wiring away from flame.
SHOCK HAZARD
- Disconnect electric power before servicing.
- Ensure proper earth grounding of appliance.
- Ensure proper connection of line neutral and line hot wires.
EXPLOSION HAZARD
- Shut off main gas to appliance until installation is complete.
WIRING
Typical System Wiring Diagram

Typical System Wiring Table

OPERATION
The option switches on the 50A55-3797 control are used to determine the length of the heat delay-to-fan-off periods and cool delay-to-fan-off period. The following tables shows the time periods that will result from the various switch positions.

HEAT MODE
In a typical system, a call for heat is initiated by closing the thermostat contacts. This starts the 50A55 control’s heating sequence. The inducer blower and optional humidifier are energized and the ignitor is powered.
This controller has an adaptive algorithm that adjusts the duration of the ignitor warm-up to extend ignitor life.
Upon initial application of power, the warm-up time is 17 seconds. The ignitor on-time will then be increased or decreased depending on whether or not flame is achieved. The warm-up time is limited to a maximum of 21 seconds. During the first 64 warm-up periods following power-up, the warm-up time may not be less than 11 seconds.
Upon a call for heat, if the warm-up time has not been locked, it will be decreased by one second. This reduction of the ignitor on-time will continue until flame fails to be achieved (resulting in a retry).
In the event of a retry, the warm-up time will be increased by one second and locked in at that duration. Once the warm-up time is locked, it remains fixed until another call for heat results in a retry, in which case the warm-up time is again increased by one second and remains locked.
In the event of two successive retry attempts, the warm-up time will be unlocked and set to 21 seconds. If flame is then achieved, the warm-up time will begin adapting again with the next call for heat. If, however, this third attempt fails to achieve flame, the control will go into system lockout.
At the end of the ignitor warm-up time, both valves in the gas valve are opened. Flame must be detected within 4 seconds.
If flame is detected, the delay-to-fan-on period begins. After the delay-to-fan-on period ends, the optional electronic air cleaner is energized and the circulator fan is energized at heat speed. When the thermostat is satisfied, the gas valve is de-energized. After proof of flame loss, the heat delay to-fan-off period begins and the inducer blower remains energized to purge the system for 5 seconds. When the purge is complete, the inducer blower and humidifier are de-energized. After the delay-to-fan-off period ends, the circulator fan and electronic air cleaner are de-energized.
If flame is not detected, both valves are de-energized, the ignitor is turned off, and the 50A55 control goes into the “retry” sequence. The “retry” sequence provides a 60-second wait following an unsuccessful ignition attempt (flame not detected). After this wait, the ignition sequence is restarted with an additional 1 second of ignitor warm-up time.
If flame is established for more than 10 seconds after ignition, the 50A55 controller will clear the ignition attempt (or retry) counter. If flame is lost after 10 seconds, it will restart the ignition sequence.
During burner operation, a momentary loss of power of 50 milliseconds or longer will de-energize the main gas valve. When power is restored, the gas valve will remain de-energized and a restart of the ignition sequence will begin immediately.
A momentary loss of gas supply, flame blowout, or a shorted or open condition in the flame probe circuit will be sensed within 2.0 seconds. The gas valve will de-energize and the control will restart the ignition sequence. Recycles will begin and the burner will operate normally if the gas supply returns, or the fault condition is corrected.
If the control has gone into system lockout, it may be possible to reset the control by a momentary power interruption of one second or longer. Refer to SYSTEM LOCKOUT FEATURES.
COOL MODE
In a typical system, a call for cool is initiated by closing the thermostat contacts. This energizes the 50A55 control and the compressor. The cool delay-to-fan-on period begins. After the delay period ends, the optional electronic air cleaner is energized, and the circulator fan is energized at cool speed. After the thermostat is satisfied, the compressor is de-energized and the cool mode delay-to-fan-off period begins. After the delay-to-fan-off period ends, the circulator fan and electronic air cleaner (optional) are de-energized.
MANUAL FAN ON MODE
If the thermostat fan switch is moved to the ON position, the circulator fan (heat speed) and optional electronic air cleaner are energized. When the fan switch is returned to the AUTO position, the circulator fan and electronic air cleaner (optional) are de-energized.
SYSTEM LOCKOUT AND DIAGNOSTIC FEATURES
SYSTEM LOCKOUT FEATURES
When system lockout occurs, the gas valve is de-energized, the circulator blower is energized at heat speed, and, if flame is sensed, the inducer blower is energized. The diagnostic indicator light will flash or glow continuously to indicate system status. (System lockout will never override the precautionary features.)
To reset the control after system lockout, do one of the following:
- Interrupt the call for heat or cool at the thermostat for at least one second but less than 20 seconds (if flame is sensed with the gas valve de-energized, interrupting the call for heat at the thermostat will not reset the control).
- Interrupt the 24 VAC power at the control for at least one second. You may also need to reset the flame rollout sensor switch.
- After one hour in lockout, the control will automatically reset itself.
DIAGNOSTIC FEATURES
The 50A55-3797 control continuously monitors its ownoperation and the operation of the system. If a failure occurs, the LED will indicate a failure code as shown in
Troubleshooting section. If the failure is internal to the control, the light will stay off. In this case, the entire control should be replaced, as the control is not field-repairable.
If the sensed failure is in the system (external to the control), the LED will flash in the following flash-pause sequences to indicate failure status (each flash will last approximately 0.25 seconds, and each pause will last approximately 2 seconds).
DEFINITION OF TERMS
- Auto Restart – After one (1) hour of internal or external lockout, the control will automatically reset itself and go into an auto restart purge for 60 seconds.
- Cool Delay-To-Fan-Off – The period of time between the loss of a call for cool and the deactivation of the blower motor at Cool speed.
- Cool Delay-To-Fan-On – The period of time after a thermostat demand for cool before energizing the circulator blower motor at Cool speed.
- Flame Failure Response Time (FFRT) – The period of time between loss of the supervised main burner flame and the action to shut off the gas supply.
- Heat Delay-To-Fan-Off – The period of time between the loss of a call for heat and the deactivation of the blower motor at Heat speed.
- Heat Delay-To-Fan-On – The period of time between proof of the supervised main burner flame and the activation of the blower motor at Heat speed.
- Igniter Warm-up Time – The length of time allowed for the igniter to heat up prior to the initiation of gas flow.
- Ignition Activation Period (IAP) – The period of time between energizing the main gas valve and deactivation of the ignition means prior to the end of TFI.
- Inter-purge – The period of time intended to allow for the dissipation of any unburned gas or residual products of combustion between the failed trial for ignition and the retry period.
- Post-purge Time – The period of time intended to allow for the dissipation of any unburned gas or residual products of combustion at the end of a furnace burner operating cycle. Post-purge begins at the loss of flame sense.
- Pre-purge Time – The period of time intended to allow for the dissipation of any unburned gas or residual products of combustion at the beginning of a furnace operating cycle prior to initiating ignition.
- Recycles – The additional attempts within the same thermostat cycle for ignition after loss of the supervised ignition source or the supervised main burner flame.
- Retries – The additional attempts within the same thermostat cycle for ignition when the supervised main burner flame is not proven within the first trial for ignition period.
- Trial for Ignition Period (TFI) – The period of time between initiation of gas flow and the action to shut off the gas flow in the event of failure to establish proof of the supervised ignition source or the supervised main burner flame.
TROUBLESHOOTING

TECHNICAL SUPPORT: 1-888-725-9797
Emerson and White-Rodgers are
trademarks of Emerson Electric Co.
©2020 Emerson Electric Co.
All rights reserved.
emerson.com/white-rodgers




















