![]()
21V51U-843
Integrated Two-Stage/Variable Speed Motor
Hot Surface Ignition Control Kit
INSTALLATION INSTRUCTIONS
Operator: Save these instructions for future use!
FAILURE TO READ AND FOLLOW ALL INSTRUCTIONS CAREFULLY BEFORE INSTALLING OR OPERATING THIS CONTROL COULD CAUSE PERSONAL INJURY AND/OR PROPERTY DAMAGE.
DESCRIPTION
The kit Includes:
- 50V51-843 Ignition Control Module
- 21D64-2 Ignitor Kit
- Set of Interconnect Harnesses (for Goodman)
The 50V51-843 is a two-stage automatic gas interrupted ignition control employing a microprocessor to continually monitor, analyze, and control the proper operation of the gas burner and inducer. The 50V51-843 provides signals for the proper operation of a variable fan speed circulator blower.
Signals interpreted during continual surveillance of the two-stage thermostat and flame sensing element initiate automatic ignition of the burner, sensing of the flame, and system shut off during normal operation.
The control incorporates system fault analysis for quick gas flow shutoff, coupled with automatic ignition retry upon sensing a fault correction.
PRECAUTIONS
Installation should be done by a qualified heating and air conditioning contractor or licensed electrician.
If in doubt about whether your wiring is millivolt, line, or low voltage, have it inspected by a qualified heating and air conditioning contractor or licensed electrician.
Do not exceed the specification ratings.
All wiring must conform to local and national electrical codes and ordinances.
This control is a precision instrument and should be handled carefully. Rough handling or distorting components could cause the control to malfunction.
Following installation or replacement, follow the manufacturer’s recommended installation/service instructions to ensure proper operation.
CAUTION
Do not short out terminals on gas valve or primary control. Short or incorrect wiring may damage the thermostat.
| ||
Failure to comply with the following warnings could result in personal injury or property damage.
FIRE HAZARD
- Do not exceed the specified voltage.
- Protect the control from direct contact with water (dripping, spraying, rain, etc.).
- If the control has been in direct contact with water, replace the control.
- Label all wires before disconnection when servicing controls. Wiring errors can cause improper and dangerous operation.
- Route and secure wiring away from flame.
SHOCK HAZARD
- Disconnect electric power before servicing.
- Ensure proper earth grounding of appliance.
- Ensure proper connection of line neutral and line hot wires.
EXPLOSION HAZARD
- Shut off main gas to appliance until installation is complete.

emerson.com/white-rodgers
PART NO. 37-7115001 Replaces 37-7115D 2005
SPECIFICATIONS
ELECTRICAL RATINGS [@ 77°F (25°C)]:
Input Voltage: 25 VAC, 60 Hz (Class II transformer required)
Max. Input Current @ 25 VAC: 500mA + MV
Relay Load Ratings:
Gas Valve Relays: 1.5 amps @ 25 VAC, 60 Hz
Inducer Relays: 2.2 FLA – 3.5 LRA @120 VAC
Ignitor Relay: 4.0 amps @ 120 VAC (Resistive)
Humidifier/EAC: 120 VAC/1 Amp
Flame Current Requirements:
Minimum current to insure flame detection: 0.3 µa DC*
Maximum current for non-detection: 0.1 µa DC*
Maximum allowable leakage resistance: 100 M ohms
*Measured with a DC microammeter in the flame probe lead
OPERATING TEMPERATURE RANGE:
-40° to 175°F (-40° to 80°C)
HUMIDITY RANGE:
5% to 93% relative humidity (non-condensing)
Timing Specs: (@ 60 Hz) maximum
Flame Establishing Time: 0.8 sec
Flame Failure Response Time: 2.0 secs
Gases Approved: Natural, Manufactured, Mixed, Liquefied Petroleum, and LP Gas Air Mixtures are all approved for use.
21V51U-843 TIMING TABLE
(All times are in seconds, unless noted otherwise)
Event | Definition | 50M51-843 |
| Pre-purge Time | The period of time intended to allow for the dissipation of any unburned gas or residual products of combustion at the beginning of a furnace operating cycle prior to initiating ignition | 15 |
| Igniter Warm-up Time | The length of time allowed for the igniter to heat up prior to the initiation of gas flow. | 17 |
| Trial for Ignition Period (TFI) | The period of time between initiation of gas flow and the action to shut off the gas flow in the event of failure to establish proof of the supervised ignition source or the supervised main burner flame. | 4 |
| Ignition Activation Period (IAP) | The period of time between energizing the main gas valve and deactivation of the ignition means prior to the end of TFI | 3 |
| Retries | The additional attempts within the same thermostat cycle for ignition when the supervised main burner flame is not proven within the first trial for ignition period. | 2 times |
| Valve Sequence period | Valve sequence period equals 4 seconds trial for ignition period x (1 initial try + 2 retries) + 12 seconds. | 12 |
| Inter-purge | The period of time intended to allow for the dissipation of any unburned gas or residual products of combustion between the failed trial for ignition and the retry period. | 60 |
| Post-purge Time | The period of time intended to allow for the dissipation of any unburned gas or residual products of combustion at the end of a furnace burner operating cycle. Post-purge begins at the loss of flame sense. | 15 |
| Lock-Out Time | ANSI standard rated module timing. | 300 |
| Heat Delay-To-Fan-On | The period of time between proof of the supervised main burner flame and the activation of the blower motor at Heat speed. | 45 |
| Heat Delay-To-Fan-Off* | The period of time between the loss of a call for heat and the deactivation of the blower motor at Heat speed. | 90/120/150/180 |
| Cool Delay-To-Fan-On | The period of time after a thermostat demand for cool before energizing the circulator blower motor at Cool speed. | 5 |
| Cool Delay-To-Fan-Off | The period of time between the loss of a call for cool and the deactivation of the blower motor at Cool speed. | 60 |
| Automatic Reset Time | After one (1) hour of internal or external lockout, the control will automatically reset itself and go into an auto restart purge for 60 seconds. | 60 minutes |
*These times will vary depending on option switch position.
INSTALLATION
MOUNTING AND WIRING
All wiring should be installed according to local and national electrical codes and ordinances. The control must be secured to an area that will experience a minimum of vibration and remain below the maximum ambient temperature rating of 175°F.The control is approved for minimum ambient temperatures of -40°F.
Any orientation is acceptable. Refer to the wiring diagram and wiring table when connecting the 50V51 control to other components of the system. UL approved, 105°C rated 18 gauge min., stranded, 2/64″ thick insulation wire is recommended for all low voltage safety circuit connections. Refer to 50V51 specification sheet for recommended terminals to mate with those on the control. UL approved, 105°C rated 16 gauge min., stranded, 4/64″ thick insulation wire is recommended for all line voltage connections. Refer to 50V51 specification sheet for recommended terminals to mate with those on the control.
LENNOX NOTE
CERTAIN CONTROLS SUCH AS P/N 100870-01 HAVE A SPLIT IN THE OEM LIMIT CIRCUIT AND REQUIRE A MINOR WIRING CHANGE OR THEY WILL PRODUCE A FLAME SENSE ERROR.
CUT THE FACTORY WIRE CONNECTING TO 12-PIN MAIN CONNECTOR PIN 3 (FLAME PROBE). SEE WIRING TABLE ON PAGE 7.
ALL LIMITS WILL BE PROPERLY MONITORED THROUGH PIN 11. THE FLAME PROBE IS CONNECTED TO ¼” SPADE FP / E34, UPPER LEFT OF PCB.
The 50V51-843 has only one serviceable part an automotive type fuse, which protects the low voltage transformer from damage if the output is short-circuited. If the fuse has opened up, remove whatever caused the short circuit and replace the fuse with only a 3 Amp automotive type fuse. If the fuse does not correct the condition, replace the entire 50V51 control. There are no other user-serviceable parts.
Following installation or replacement, follow the appliance manufacturer’s recommended installation or service instructions to insure proper operation.
INSTALLER MUST-READ FOR PROPER INSTALLATION
- Wiring harnesses are included in this package to complete the installation of the “UNIVERSAL 50V51-843” for certain Goodman applications.
- Installer must-read Option Switch Settings section and set switches for proper control operation.
- For replacing the ignitor, a UNIVERSAL 21D64-2 is included. For proper installation, refer to the instructions included in the 21D64-2 kit.
- IMPORTANT: The installer may have to enlarge the existing ignitor hole to accommodate 21D64-2 larger (.394″) diameter.
GOODMAN NOTE
HARNESSES A & B ARE PIN TO SOCKET CONVERTERS AND ARE ONLY USED IF THE BOARD BEING REPLACED HAS SOCKETS.
THIS ALLOWS THE ORIGINAL FACTORY FURNACE WIRING TO WORK WITH THE NEW 50V51-843 (21V51U-843 KIT) WHICH HAS PINS.
OPTION SWITCH SETTINGS
MOTOR OPTIMIZATION
Amana/Goodman/Trane/Lennox/Thermo Pride The motor configuration DIP switches S3 and S4 must be set to match
IMPORTANT: Be sure to use proper switches for new board settings. Switch locations on old board may not be the same location as on the new board.
York The existing board has four shunt jumper banks to set motor function configuration. The four jumper banks are designated DELAY (E45), COOL (E43), HEAT (E46), ADJ. (E44). Each jumper bank has four pair of pins to have jumper installed to determine the type of voltage to the motor. These pin pairs are A (no signal) B (positive Half-wave rectified), C (negative Half-wave rectified), D (Full-wave unrectified).
On the new board, the motor functions must be duplicated on DIP switched S3 and S4 per the following table.
On the new board, the motor functions must be duplicated on DIP switched S3 and S4 per the following table.
FURNACE MANUFACTURER
DIP Switch Selection for OEM Applications
S2 | OEM | ||
| 1 | 2 | ||
| OFF | OFF | Trane | |
| OFF | ON | Thermo Pride/Goodman | |
| ON | OFF | Lennox | |
| ON | ON | York | |
IMPORTANT: Switch selection must match furnace manufacturer for proper motor operation.
Set DIP switches S2-1 and S2-2 to match the equipment using the table above. NOTE: DIP switch S2-3 is not used.
THERMOSTAT TYPE AND HEAT-FAN-OFF-DELAY
DIP Switches
| Switch Settings | Options | |||
| Thermostat Type and W2 Delay S7-1, S7-2 | S7-1 | S7-2 | Time | |
| Off | Off | Off* | ||
| On | Off | 10 Minutes | ||
| Off | On | Auto | ||
| On | On | 20 Minutes | ||
| Heat Fan Off Delay S7-3, S7-4 | S7-3 | S7-4 | Time | |
| Off | Off | 90 Secs* | ||
| Off | On | 120 Secs | ||
| On | Off | 150 Secs | ||
| On | On | 180 Secs | ||
Multi-stage Thermostat Set-up,
Factory Default
DIP switches S7-1 and S7-2 (see table above) are set to the “Off” position from the factory for use with a multi-stage thermostat. This allows the thermostat to control staging between low and high fire.
Single Stage Thermostat Set-up,
Module Controls Staging
DIP switches, S7-1 and S7-2 (see table above) configure for a single-stage thermostat. Options include a 10-minute delay on second stage, 20-minute delay on second stage or an Auto setting allowing the module to calculate the time delay for second stage based on average demand. The “Average Calculated Duty Cycle” table shows how the module calculates staging based on demand.
| Average Calculated Duty Cycle % Equals | or is less than | Low to High Stage Delay | Demand |
0 | 38 | 12 minutes | Light |
38 | 50 | 10 minutes | Light to Average |
50 | 62 | 7 minutes | Average |
62 | 75 | 5 minutes | Average to Heavy |
75 | 88 | 3 minutes | Heavy Light |
88 | 100 | 1 minute | Heavy |
Heat Fan Off Delay Timing
DIP switches S7-3 and S7-4 (see table above) configure the number of seconds the blower will run after the call for heat ends. Factory default is 90 seconds.
HEAT PUMP AND DE-HUMIDIFICATION
DIP Switches
Switch Settings | Options | ||
Heat Pump S5-1 | S5-1 | ||
Off | Installed | ||
| On | Not Installed* | ||
De-humidifier S5-2 | S5-2 | ||
| Off | Installed | ||
| On | Not Installed* |
*Factory Settings
Heat Pump Systems
DIP switch S5-1 (see table above) is set to “On” from the factory for use with conventional (non-Heat Pump systems). For heat pump systems move the S5-1 DIP switch to the “Off” position. This will continuously output an O signal to the motor whenever there isY signal and run the circulator blower at a constant speed when the pump is operating.
De-Humidification Connection
DIP switch S5-2 (see table above) is set to “On” from the factory for systems that do not have a dehumidification terminal connection from the thermostat. For systems using a thermostat that provides a De-Humidification option move DIP switch S5-2 to “Off”.
MOUNTING HOLE TEMPLATE

WIRING
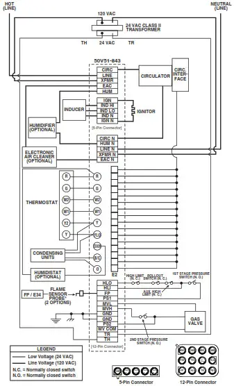
50V51-843 TYPICAL SYSTEM WIRING DIAGRAM
*Flame sensor probe may connect either through 12-pin main connector or to 3/16″ spade connector E34.
50V51-843 TYPICAL SYSTEM WIRING TABLE
| 50V51-843 TERMINAL | TERMINAL TYPE | SYSTEM COMPONENT CONNECTION |
| TERMINAL W1 W2 G R B/C YLO Y DEHUM O | two-stage thermostat W1 terminal (or equivalent) two-stage thermostat W2 terminal (or equivalent) two-stage thermostat G terminal (or equivalent) two-stage thermostat R terminal (or equivalent) two-stage thermostat B/C terminal (or equivalent) two-stage thermostat Y terminal (or equivalent) two-stage thermostat Y2 terminal (or equivalent) humidistat enable OUTPUT to circulator H/P or cooling mode OUTPUT to circulator | |
| MVH (Pin 1) PS2 (Pin 2) FP (Pin 3) GND (Pin 4) TH (Pin 5) HLI (Pin 6) MVL (Pin 7) MV COM (Pin 8) TR (Pin 9) GND-2 terminals (Pin 10) HLO (Pin 11) PS1(Pin 12) | gas valve SECOND STAGE 2nd stage pressure switch INPUT flame sensor probe* MUST BE RELIABLY GROUNDED TO CHASSIS 24 VAC transformer (low voltage HIGH SIDE) high limit INPUT gas valve FIRST STAGE gas valve COMMON 24 VAC transformer (low voltage COMMON SIDE) MUST BE RELIABLY GROUNDED TO CHASSIS high limit OUTPUT 1st stage pressure switch INPUT | |
| IGN ( Pin 1) IND HI (Pin 2) IND LO (Pin 3) IND N (Pin 4) IGN N (Pin 5) | ignitor HOT side inducer HIGH SPEED HOT side inducer LOW SPEED HOT side inducer NEUTRAL side ignitor NEUTRAL side | |
| E2-1 E2-2 E2-3 E2-4 E2-5 E2-6 E2-7 E2-8 E2-9 E2-10 E2-2 E2-12 E2-13 E2-14 E2-15 E2-16 | 24 VAC COMMON low heat speed select OUTPUT Circulator Blower 24 VAC COMMON Delay tap OUTPUT to circulator Cool tap OUTPUT to circulator “YLO” OUTPUT to circulator adjust tap OUTPUT to circulator 24 VAC COMMON “O” OUTPUT to circulator Humidistat/Y-Y2 OUTPUT to Circulator Blower Heat tap OUTPUT to circulator 24 VAC OUTPUT to circulator “W2” OUTPUT to circulator “Y” OUTPUT to circulator “G”/YLo OUTPUT to Circulator Blower green CFM indicator | |
| CIRC | spade terminal | circulator blower HOT terminal |
| LINE | spade terminal | input voltage (120 VAC) HOT side |
| XFMR | spade terminal | 24 VAC transformer line voltage HOT side |
| EAC (optional) | spade terminal | electronic air cleaner HOT side |
| HUM (optional) | spade terminal | humidifier HOT side |
| CIRC N | spade terminal | circulator blower NEUTRAL side |
| LINE N | spade terminal | input voltage (120 VAC) NEUTRAL side |
| XFMR N | spade terminal | 24 VAC transformer line voltage NEUTRAL side |
| HUM N (optional) | spade terminal | humidifier NEUTRAL side |
| EAC N (optional) | spade terminal | electronic air cleaner NEUTRAL side |
| FP / E34 | spade terminal | flame sensor probe (Lennox)* |
NOTE: Spade terminals are 0.25″ x 0.032″
* maximum recommended flame probe wire length is 36 inches.
OPERATION
NORMAL OPERATION HEAT ON
When the thermostat calls for heat the module verifies the pressure switches are open and energizes the inducer (high speed) and optional humidifier contacts. When the low-pressure switch contacts close a 15-second pre-purge begins. After 15 seconds the inducer switches to low speed and the 120 VAC ignitor is energized. The ignitor warms up for 17 seconds and the gas valve is energized on low fire. Flame must be detected within 4 seconds. If flame is detected, a 45-second heat, fan on time delay begins. This allows the heat exchanger to warm up before energizing the circulator on low speed and (optional) Electronic Air Cleaner contact. When the thermostat (or module) initiates second stage the inducer is energized at high speed.
This closes the second stage inducer pressure switch then energizes the second stage on the gas valve and then the high heat circulator speed.
NORMAL OPERATION HEAT OFF
When the thermostat satisfies for second stage, the control will switch high-speed inducer and high fire gas valve to low-speed inducer and low fire gas valve. After the 30-second high heat fan delay the circulator will drop to low speed. When the thermostat satisfies for first stage the gas valve de-energizes and the inducer will run low speed for a 15-second post-purge. The circulator runs until the heat off delay ends.
Note: If the module is configured for a single-stage thermostat and running on second stage when the call for heat ends, the circulator will drop to low speed after 30 seconds and continue until the heat-off delay ends.
COOL MODE
In a typical system, a call for cool is initiated by closing Y and G. This energizes the compressor and the electronic air cleaner (optional). The electronic air cleaner and the G and (Y or Ylo outputs to the Circulator motor will energize after the 5 second cool on delay period. After the thermostat is satisfied, the compressor is de-energized and the control starts a 60-second cool circulator speed-off delay. After 60 seconds the circulator is de-energized.
MANUAL FAN ON MODE
If the thermostat fan switch is moved to the “ON” position, the electronic air cleaner (optional) and the G circulator output to the circulator motor will be energized. When the fan switch is returned to the AUTO position, the G circulator output and the electronic air cleaner are de-energized.
TROUBLESHOOTING
SYSTEM LOCKOUT
When a system lockout occurs (1hour), the gas valve is de-energized, the low-speed inducer blower is energized for the 60 seconds inter purge period and the circulator is energized for selected heat off delay if it was previously ON. The diagnostic indicator light will flash the fault that is present (refer to diagnostic table).
To reset the control after system lockout, do one of the following:
System Reset
Remove 24 VAC power to the control for twenty (20) seconds or longer to reset the control.
Thermostat Reset
Remove the call for heat from the thermostat for a period of between (1) second and less 20 seconds. If flame is sensed with the gas valve de-energized, interrupting the call for heat at the thermostat will not reset the control.
Auto Restart
After one (1) hour of internal or external lockout, the control will automatically reset itself and go into an auto-restart purge for 15 seconds.
DIAGNOSTIC FEATURES
The control continuously monitors its own operation and the operation of the system. If a failure occurs the diagnostic indicator LED (DSI) will flash a “RED” failure code. If a failure is internal to the control the “RED” indicator will stay on continuously. In this case, the entire control should be replaced as the control is not field-repairable. If the LED is continuously OFF, there may be no power to the control or a failure within the control. If the sensed failure is in the system (external to the control), the LED will flash RED in the sequence listed in the Diagnostic Table. The LED will also indicate “System Status” as per the Amber and Green LED signatures listed in the Diagnostic Table. The LED will flash one RED flash at power-up.
CFM INDICATOR
The LED (DS2) CFM flashes when the blower motor is running. The flashing indicates the motor CFM (cubic feet per minute) airflow designated by the furnace manufacturer. Consult the furnace manufacturer for flash code detail.
FAULT CODE RETRIEVAL
To retrieve fault codes, push and release the “LAST ERROR” button for more than 1/5 second and less than 5 seconds. (Control will indicate this period by solid GREEN for 1/5 secs. to 5 secs.). The LED will flash up to five stored fault codes, beginning with the most recent. If there are no fault codes in memory, the LED will flash two green flashes. The control will flash the most recent error first and the oldest error last (last in first out). There shall be 2 seconds between codes. Solid LED error codes will not be displayed.
NOTE
These error codes may be different from furnace label or furnace manual.
TRI-COLOR (DSI LED) DIAGNOSTIC TABLE
| Green LED Flash | Amber LED Flash | Red LED Flash | Error/Condition | Comments/Troubleshooting |
| 1 | Flame sensed when no flame should be present | Verify the gas valve is operating and shutting down properly. Flame in burner assemble should extinguish promptly at the end of the cycle. Check orifices and gas pressure. | ||
| 2 | Pressure switch stuck closed/ inducer error | Pressure switch stuck closed. Check switch function, verify inducer is turning off. | ||
| 3 | 1st-stage pressure switch stuck open/inducer error | Check pressure switch function and tubing. Verify inducer is turning on the pulling sufficient vacuum to engage switch. | ||
| 4 | Open limit switch | Verify continuity through rollout switch circuit. | ||
| 5 | Open rollout/open fuse detect | Verify continuity through rollout switch circuit, check fuse. | ||
| 6 | 1st-stage pressure switch cycle lockout | If the first stage pressure switch cycles 5 times (open, closed) during one call for heat from the thermostat the control will lockout. Check pressure switch for fluttering, inconsistent closure or poor vacuum pressure. | ||
| 7 | External lockout (retries exceeded) | Failure to sense flame is often caused by carbon deposits on the flame sensor, a disconnected or shorted flame sensor lead or a poorly grounded furnace. Carbon deposits can be cleaned with emery cloth. Verify sensor is not contacting the burner and is located in a good position to sense flame. Check sensor lead for shorting and verify furnace is grounded properly. | ||
| 8 | External lockout (ignition recycles exceeded where flame is established and then lost) | Check items for exceeded retries listed above and verify valve is not dropping out allowing flame to be established and then lost. | ||
| 9 | Grounding or Reversed polarity | Verify the control and furnace are properly grounded. Check and reverse polarity (primary) if incorrect. | ||
| 10 | Module gas valve contacts energized with no call for heat | Verify valve is not receiving voltage from a short. If a valve wiring is correct and condition persists, replace module. | ||
| 11 | Limit switch open – possible blower failure overheating limit | Possible blower failure restricted airflow through appliance or ductwork. Verify continuity through limit switch circuit and correct overheating cause. | ||
| 12 | Module Ignitor contact failure | Fault code indicates the module ignitor contacts are not functioning properly. Replace module. | ||
| Solid | Module – internal fault condition | Module contacts for gas valve not operating or processor fault. Reset control. if condition persists replace module. | ||
| 3 double | 2nd-stage Pressure Switch Stuck Open/Inducer Error | Check pressure switch function and tubing. Verify inducer is turning on and pulling sufficient vacuum to engage switch. | ||
| 1 | Normal Operation with call for first stage heat | Normal operation – first stage | ||
| 2 | Normal Operation with call for second stage heat | Normal operation – first stage | ||
| 3 | W2 present with no W1 | Second stage call for heat on thermostat circuit with no call for first stage. Verify DIP switches are set for two stage thermostat and check the thermostat first stage circuit. Configured for a multi-stage thermostat the Module will not initiate heating unless first stage call from the thermostat is received. | ||
| 4 | Y present with no G call | Module will allow cooling to operate with only a “Y signal from the thermostat but will also trigger this code. Verify thermostat is energizing both “Y” and “G” on call for cool. Check “G” terminal connections. | ||
| Rapid | Low flame sense current | Low flame sense current is often caused by carbon deposits on the flame sensor, a poorly grounded furnace, or a misaligned flame sense probe. Carbon deposits can be cleaned with emery cloth. Check for improving furnace and module ground. Verify sensor is located in or very near flame as specified by the appliance manufacturer. | ||
| 1 | Standby or Call for Cool | Normal operation. Waiting for call from the thermostat or receiving thermostat call for cool. |
NOTES
___________________________________________________________________________________________________________
TECHNICAL SUPPORT: 1-888-725-9797
Emerson and White-Rodgers are
trademarks of Emerson Electric Co.
©2020 Emerson Electric Co.
All rights reserved.


















