Honeywell S8701/S8702 Direct Spark Ignition
Controls Installation Guide

APPLICATION
S8701 and S8702 Direct Spark Ignition Controls are designed for use in commercial cooking and other gas heating applications which require direct ignition and flame safety control of gas burners. S8701/S8702 controls are used to ignite the main burner(s), sense the flame and control the gas valve in these applications, see Table 1.
The S8701 is a single spark, single flame sense, direct ignition control that is compatible with dual rod systems.
The S8702 is a dual spark, dual flame sense, direct ignition control capable of igniting and sensing flame on two separate gas burners that are fed by a single gas valve. The S8702 is compatible with dual rod systems only.

Planning the Installation
WARNING
Fire or Explosion Hazard. Can cause property damage, severe injury, or death. Follow these warnings exactly:
- Plan the installation as outlined below.
- Plan for frequent maintenance as described in the Maintenance section.
Review the following conditions that can apply to your specific installation and take the precautionary steps suggested.
Frequent Cycling
This control is designed for use on commercial cooking appliances that typically cycle 400 times a day, year round. Perform a monthly checkout.
Water or Steam Cleaning
If a control gets wet, replace it. If the appliance is likely to be cleaned with water or steam, protect (cover) the control and wiring from water or steam flow. Mount the control high enough above the floor so it does not get wet during normal cleaning procedures.
High Humidity or Dripping Water
Dripping water can cause the control to fail. Never install an appliance where water can drip on the control. In addition, high ambient humidity can cause the control to corrode and fail. If the appliance is in a humid atmosphere, make sure air circulation around the control is adequate to prevent condensation. Also, regularly check out the system.
IMPORTANT
Always install a splash cover to protect the control from water damage.
Corrosive Chemicals
Corrosive chemicals can attack the control, eventually causing a failure. If chemicals are used for routine cleaning, avoid contact with the control. Where chemicals are suspended in air, as in some industrial or agricultural applications, protect the control with an enclosure.
Dust or Grease Accumulation
Heavy accumulations of dust or grease can cause the control to malfunction. Where dust or grease can be a problem, provide covers for the control to limit contamination.

Heat
Excessively high temperatures can damage the control. Make sure the maximum ambient temperature at the control does not exceed the rating of the control, see Table 2. If the appliance operates at very high temperatures, use insulation, shielding, and air circulation, as necessary, to protect the control. Proper insulation or shielding should be provided by the appliance manufacturer; verify proper air circulation is maintained when the appliance is installed.


a Valve used must be designed for DSI application. b Separate spark igniter and flame sensor mounted on a
common bracket.
INSTALLATION
When Installing this Product…
- Read these instructions carefully. Failure to follow them could damage the product or cause a hazardous condition.
- Check the ratings given in the instructions and on the product to make sure it is suitable for your application.
- The installer must be a trained, experienced service technician.
- After installation is complete, check out system operation.
WARNING
Fire or Explosion Hazard. Can cause property damage, severe injury or death. If a new gas control is to be installed, turn off gas supply before starting installation. Be sure to conduct a gas leak test after the control is installed.
CAUTION
Electric Shock Hazard. Can cause personal injury or equipment damage. Disconnect power supply before wiring.
IMPORTANT
If this is a replacement application, follow the appliance manufacturer’s instructions, if available. The manufacturer usually provides wiring diagrams, start-up and checkout instructions and the service procedures for their system. If the manufacturer’s instructions are not available, this information may be used as a general guide.
Mounting The S8701/S8702 Control
Select a location within 6 ft (1.8m) of the burner that will permit a direct cable route to the spark igniter terminal. Ready access to the terminals is necessary for wiring and servicing. The S8701/S8702 control may be mounted in any position. Use No. 6-32 machine screws or No. 8 sheetmetal screws 1 inch long for fastening. Fasten securely. Do not exceed the ambient temperature rating given in Table 2.

Mounting Auxiliary Controls
Mount the spark igniter, flame sensor, temperature control, transformer, gas control and any other auxiliary controls according to the manufacturer’s instructions.
NOTE:
The S8701 and S8702 installations require a 24V transformer rated to handle both the S8701/ S8702 current and the gas valve current. Table 4 shows the transformer rating necessary for various loads.

Wiring
General Precautions
- Check the wiring diagram furnished by the heating appliance manufacturer, if available, for circuits different from the ones shown. Carefully follow any special instructions affecting the general procedures outlined below.
- All wiring must comply with applicable electrical codes and ordinances.
- Disconnect the power supply before wiring to prevent electrical shock or equipment damage.
- If installing a separate Q345A flame sensor, the sensor leadwire should be kept as short as possible and should not be allowed to rest against grounded metal surfaces.
- A common ground is required for the S8701/S8702, the spark igniter and the main burner. The 24V (GND) terminal does not internally ground the transformer. The 24 V (GND) terminal must be grounded to the equipment chassis separately. Any auxiliary controls or limits must not be in the grounded leg.
- Ignition cable should not touch any metal surface or current carrying wires. It must not be more than 6 ft (1.8m) long.
- Do not short valve terminals as this may damage the temperature controller, the transformer or the S8701/S8702.

Wiring the S8701/S8702 Control
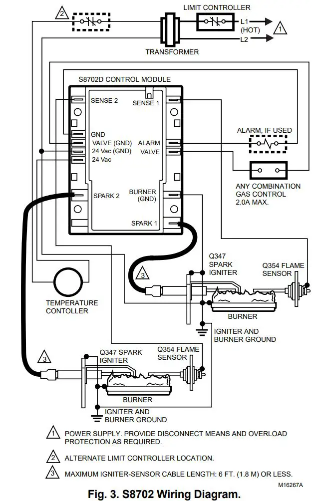
- Connect system components to the S8701/S8702 terminals as shown in the wiring diagrams, Figs. 2 and 3. Refer to the appliance manufacturer’s instructions for wiring any other auxiliary controls.
- Adjust temperature control heat anticipator to match system current draw. The current draw equals the total current required for the S8701 or S8702 (0.15A) plus the gas valve and all other 24 V control loads (vent dampers, prepurge relays, etc.). Gas valve must be designed for the DSI application.
NOTE:
Use only recommended ignition cable (see Table 5) to connect the S8701/S8702 with the spark igniter. Cable must not run in continuous contact with a metal surface or spark voltage will be greatly reduced; use ceramic standoff brackets if necessary. Cable length must not exceed 6 ft (1.8m).


Grounding the S8701/S8702 Spark Igniter and Main Burner
For the system to operate properly, spark igniter, flame sensor bracket, the burner (GND) terminal on the 24V (GND) terminal, and the S8701/S8702 control must share a common ground with the main burner. Use thermoplastic insulated wire with a minimum rating of 105°C (221°F) for the ground wire; asbestos insulation is not acceptable. If necessary, use a shield to protect the wire from radiant heat generated by the burner.
IMPORTANT Use moisture resistant 18 AWG wire rated for continuous duty up to 105°C (221°F). Connections must be clean and tight.
Connect the ground wire as follows:
- Fit one end of the ground wire with a female 1/4 in. quick-connect terminal and connect it to the male quick connect GND (Burner) terminal on the S8701/ S8702 control.
- Strip the other end of the GND (Burner) wire and fasten it under the igniter bracket mounting screw. If necessary, use a shield to protect the wire from radiant heat. The burner serves as the common grounding area.
- Fit one end of another ground wire with a female 1/4 in. quick connect terminal and connect it to the male quick connect 24V (GND) terminal on the S8701/ S8702 control.
- Strip the other end of the 24V (GND) wire and fasten it to the burner ground.
- If used with a separate flame sensor, make sure the bracket is connected to the burner ground.
NOTE: It is not necessary that the burner is earth grounded.
STARTUP AND CHECKOUT
The following start-up and checkout procedures are basic to all S8701 and S8702 control modules. If this is a replacement application, refer to the specific instructions provided by the heating appliance manufacturer (if available). Also, since the auxiliary controls used on any DSI system may differ, refer to the manufacturer’s instructions for start-up and checkout procedures for other system components.
NOTE:
If one of the system components fail, the S8701/ S8702 will either not operate or it will go into safety lockout (depending on the type of failure). If the system does not perform as outlined in Start System and Check Trial for Ignition steps below, refer to the SERVICE section to determine the cause.
Gas Leak Test
If the gas control has been replaced as a part of the S8701 or S8702 installation, perform the following test for gas leaks.
WARNING
Fire or Explosion Hazard. Can cause property damage, severe injury or death. To avoid possible explosion or fire, perform Gas Leak Test.
With the main burner in operation, paint the pipe joints and valve gasket with a rich soap and water solution. Bubbles indicate a gas leak. To stop leak, tighten joints and screws or replace the gasket. Never use a flame to check for gas leaks.
START SYSTEM
- Turn on the power and the gas supply. Set the temperature control to request heat and watch for a spark at the igniter (S8701D, S8702D models have no delay on start-up. S8702K and M models have a predetermined delay on start-up for prepurge.). Time the length of the spark operation; it must be within the Trial for Ignition (TFI) timing period (see Table 6).
- Check that the system starts as follows: Spark turns on, gas valve opens at once, and burner ignites after gas reaches main burner. Once burner flame is established, spark igniter cuts off. For S8702 models; flame must be established on both burners for spark igniters to turn off.
NOTE:
If the gas control has been replaced or serviced, lightoff may not be satisfactory until air has been purged from the gas line or the gas input and combustion air have been adjusted (see manufacturer’s instructions).

Check Trial for Ignition
- Check device label on control to determine correct Trial for Ignition time.
- With the system power off and the thermostat or temperature control set to call for heat, manually shut off the gas supply.
- Turn power on to energize the S8701/S8702, immediately start timing when the gas valve turns on.
- Determine the number of seconds to drop-out of the gas valve. It should not exceed the trial for ignition time shown in Table 6.
- After spark cutoff, manually reopen gas supply cock. No gas should flow to the main burner.
- Reset system as described below.
Resetting S8701 and S8702 After Safety
Lockout
If the control goes into safety lockout, it will remain locked out for D and K models, until the system is reset.
To reset the system: Adjust the temperature control setting to below room temperature, wait 5 seconds, and move the temperature control setting up to request heat or remove 24V power and reapply. Normal ignition should occur as described in Start System section.
NOTE: F and M models have the 3 retry feature for Trial for Ignition with 30 second interpurge between TFI periods. Safety lockout on the F and M models occurs after the 3rd TFI period if flame is not sensed. F and M models also automatically reset after one (1) hour in lockout.
CHECKOUT
Start the system and observe operation through at least one complete cycle to make certain all controls are operating safely.
Sequence of Operation
The S8701/S8702 controls perform the following basic functions:
- Supplies power to the electronic pulse-generator circuit for the spark igniter (14,000 volts, open circuit).
- Allows up to 23.75 seconds (maximum) for ignition and 1 or 3 trials before system safety lockout occurs (see Table 4).
- Senses burner flame for safe lighting (2 burners for S8702).
- Shuts off spark after burner is lit.
The S8701 and S8702 are powered by a 24 Vac transformer and activated when the temperature control requests heat.
Operation is as follows:
When the S8701/S8702 control is activated by the temperature control’s request for heat, S8701/S8702 controls perform a safe-start check that determines proper operation of the control before beginning the normal sequence of operation. Once the Safe Start Check operation passes, the control turns on the spark circuit and at the same time, the S8701/S8702 opens the gas control’s main valves, which allows gas to flow to the main burner.
Power is supplied to the generator until:
- The main burner(s) lights and the flame sensor current reaches 1.0 µA, or
- The ignition activation period ends
If the main burner lights, a flame sensing circuit is completed through the flame to the burner head to ground. This current flow sets the Trial for Ignition timer to the reset (normal) condition and interrupts the spark ignition circuit (flame sense must occur on both burners on a S8702). Should the current flow be interrupted, i.e., flame out condition, the trial for ignition period begins again.
The S8701/S8702 will keep the gas control main valve open as long as there is a request for heat and flame current through the flame sensing circuit. If, however, the trial for ignition timing period ends before the main burner lights or the flame sensor establishes enough current, the system will go into safety lockout or interpurge if the control is an F or M model.
When the system goes into safety lockout, power to the spark generator is interrupted, the power to the gas valve is interrupted and the alarm circuit is completed and the LED is steady on. The system will stay locked out until it is reset by moving the temperature control setpoint to below room temperature, no request for heat, for 5 seconds. Then, re-energize the system by moving the temperature control setpoint 5°F (3°C) above room temperature. Or, remove 24 Vac power to the control then reapply.
NOTE: F and M models will automatically reset from lockout after one (1) hour.


SERVICE
IMPORTANT
- Only persons trained and experienced in DSI systems should service this equipment.
- If a condition exists that causes the S8701 or S8702 control to go into safety lockout, meter readings must be taken quickly after restart– within the Trial-for-Ignition period.
- Always de-energize the system for at least 5 seconds before recycling for further tests. 4
- Always turn off gas supply before performing ignition checks.
- S8701 and S8702 control cannot be repaired. If the troubleshooting procedure indicates a malfunction in the S8701 or S8702, it must be replaced.
- The following service procedures are for the S8701/S8702 and basic DSI systems. On all installations, refer to the appliance manufacturer’s service instructions.
Preliminary Check
The following checks should be made before troubleshooting the system.
- Check for power to the heating appliance and the S8701 or S8702. Voltage to the control should be between 20.5 and 28.5 Vac when in run mode.
- Make certain that the manual shut-off valve in the supply line and the gas cock knob on the combination gas control valve are open.
- Make certain that all wiring connections are clean and tight.
- Make certain that the S8701 or S8702 is not in safety lockout. De-energize the system by moving the temperature control setpoint below room temperature or by removing the 24 Vac power to the S8701/S8702 control. Wait at least 5 seconds and reenergize the system by moving the thermostat or temperature control setpoint 5°F (3°C) above room temperature. Return setpoint to normal temperature setting or by re-applying 24 Vac power to the S8701/ S8702 control.
- Check ceramic insulator on flame sensor, spark igniter or igniter/sensor. A cracked insulator will allow current to leak to ground. Replace device if insulator is cracked.
- Check the flame sensor and its mounting bracket. Correct the position if bent out of shape.
- Review the S8701/S8702 normal sequence of operation. See START SYSTEM section.
S8701/S8702 COMPONENT CHECKS
Spark Ignition Circuit
The step-up transformer in the S8701/S8702 provides spark ignition at 14,000 volts (open circuit). To check the spark ignition circuit, proceed as follows:
- Shut off gas supply to the gas control.
- Disconnect the ignition cable at the S8701 or both S8702 spark terminals to isolate the circuit from the spark igniter or igniter sensor. Prepare a short jumper lead, using heavily insulated wire such as ignition cable.
WARNING
High Voltage. Can cause personal injury or death. To prevent electric shock, do not allow fingers to touch either the stripped end of the jumper or the stud terminal. - Perform this test immediately upon energizing the system, before the S8701 or S8702 goes into lockout and interrupts the spark circuit. Touch one end jumper firmly to the S8701/S8702 GND terminal. Do not remove the existing ground lead. Slowly move the other end of the jumper wire toward the spark terminal on the control to establish a spark. Pull the wire away from the spark terminal and note the length of the gap at which spark discontinues.
- A spark length of 1/8 inch (3 mm) or more indicates satisfactory voltage output. If no arc can be established or the maximum spark is less than 1/8 inch (3 mm), and power to the S8701 or S8702 input terminals was proved, replace the S8701/S8702.
Ignition Cable
Check the electrical continuity of the ignition cable and make certain the cable is not in contact with metal surfaces. The total cable length should not exceed 6 ft (1.8 m). Check connection to the spark terminal on the S8701/S8702 and the boot connection to the igniter/ sensor. Make certain they are clean and tight.
Grounding Connections
A common ground is required for the burner, spark igniter or igniter sensor mounting bracket, the 24 Vac (GND) terminal and the GND (burner) terminal of the S8701/ S8702. If ground is poor or erratic, safety shutdown may occur occasionally even though operation is normal at time of checkout. Therefore, if nuisance shutdowns have been reported, be sure to check ground connections.
Electrical ground connections at the spark igniter or igniter sensor and the S8701/S8702 must be clean and tight. If leadwire is damaged or deteriorated, use only a no. 14 to 18 gauge, moisture resistant, thermoplastic insulated wire with the 105°C (221°F) minimum rating as a replacement.
Flame Sensor Circuit
The S8701 and S8702 provide ac power to the flame sensor which the burner flame rectifies to direct current. If the flame signal is less than 1.0 µA dc, the system will lockout.
Check the flame sensing current from the sensor to the S8701/S8702 control as follows:
- Connect a meter (dc microammeter scale) in series with the flame signal wire as shown in figures 4 and 5. Use the Honeywell W136A test meter or equivalent. Disconnect the flame sense wire from the sense terminal on the control. Connect the red (positive) meter lead to the flame sense terminal on the control. Connect the black (negative) meter lead to the flame sense wire that goes to the flame rod.
- Restart the system and read the meter. The flame sensor current must be at least 1.0 µA and steady. If the reading is less than 1.0 µA or unsteady , see LOW OR UNSTEADY FLAME CURRENT section, below. If flame is present at sensor and a reading of 0 µA is obtained, check for a secondary ground connection to the 24 V (GND) terminal.


Low or Unsteady Flame Current
If the current to the S8701/S8702 is less than 1.0 µA or is unsteady, check the burner flame, flame sensor location and electrical connections as follows:
Burner Flame
The flame sensor must be constantly immersed in flame. Check burner flame conditions as shown in Fig. 8.
Flame Sensor
The flame signal is best when about 1 inch. (25 mm) of flame rod is immersed in the burner flame. A bent flame rod, bent mounting bracket or cracked ceramic insulator can affect flame signal. Replace flame sensor if necessary.
Electrical Connections and Shorts
Connections at the flame sensor must be clean and tight. If wiring needs replacement, use moisture resistant no. 18 AWG wire rated for continuous duty up to 105°C (221°F).

Checkout After Service
Perform the following steps before leaving the job (described in the CHECKOUT section).
- START SYSTEM
- TRIAL FOR IGNITION PERIOD CHECK
- SAFETY LOCKOUT RESET
Also perform any other checks recommended by the heating appliance manufacturer if system components other than the S8701 or S8702 were serviced.
TROUBLESHOOTING GUIDE
Start the system by setting the thermostat or temperature control to call for heat. Observe the system response and establish the type of malfunction or deviation from normal operation by using the troubleshooting guide. After any maintenance or repair, the troubleshooting sequence should be repeated until normal system operation is obtained.

![]()
Home and Building Control
Honeywell Inc.
Honeywell Plaza
P.O. Box 524
Minneapolis, MN 55408-0524
Home and Building Control
Honeywell Limited-Honeywell Limitée
155 Gordon Baker Road
North York, Ontario
M2H 3N7
69-1174 L.C. 4-99 Printed in Mexico



















