
VR8105, VR8205, and VR8305
Direct Ignition Combination
Gas Controls
INSTALLATION INSTRUCTIONS
APPLICATION
These direct ignition gas controls are used in gas-fired appliances with up to 415 ft 3 /hr capacity at 1 in. WC 3 pressure drop (8.5 m /hr at 0.24 kPa) on natural as.
They include a manual valve, two automatic operators, and a pressure regulator.
These gas controls are available in a range of valve capacities; see Table 1. (Table 2 provides gas capacity conversion factors.) The suffix letter indicates temperature range and regulator type; see Table 3.
Table 1. Valve Capacity. a
| Model | Size Inlet- Outlet (in.) | AGA Certified Capacity for Natural Gas | AGA Certified Minimum Regulation for Natural Gas | AGA Certified Maximum Regulation for Natural Gas | |||
| ft3/hr | m3/hr | ft3/hr | m3/hr | ft3/hr | m3/hr | ||
| VR8105 | 1/2 x 1/2 | 85 | 2. | 10d | 0.4 | 120 | 3. |
| VR8205 | 150 | 4. | 20e | 0.6 | 200 | 6. | |
| VR8305b’c | 240 | 7. | 30f | 0.8 | 340 | 10. | |
| VR8305bsc | 1/2 x 3/4 | 270 | 8. | 370 | 11. | ||
| VR830513’c | 3/4 x 3/4 | 300 | 9. | 415 | 12. | ||
a Capacity based on 1000 Btu/ft, 0.64 sp gr natural gas at 0.25 kPa pressure drop). 3, 0.64 sp gr natural gas at 1 in. WC pressure drop (37.3 MJ/m 3
b Capacity is reduced by 5 percent when using an outlet screen.
c Valves are guaranteed at only 77 percent of the rating.
d Minimum regulation for LP gas is 15,000 Btuh.
e Minimum regulation for LP gas is 40,000 Btuh.
f Minimum regulation for LP gas is 50,000 Btuh.
Table 2. Gas Capacity Conversion Factor.
| Gas | Specific Gravity | Multiply Listed Capacity By |
| Manufactured | 0.60 | 0.516 |
| Mixed | 0.70 | 0.765 |
| Propane | 2. | 2. |
Table 3. Model Number Suffix Letter Designation.
| Model No. Suffix Letter | Ambient Temperature Range | Pressure Regulator Type |
| A | 0°F tO 175° F (-18°C to +79°C) | Standard |
| C | Step-opening | |
| H | Slow-opening | |
| K | -40°F to +175°F (-40°C to +79°C) | |
| M | Standard | |
| P | Step-opening | |
| Q | Two-stage | |
| R | Convertible |
69-1226-06
SPECIFICATIONS
Body Pattern: Straight-through; See Table 1 for inlet and outlet size.
Electrical Ratings:
Voltage and Frequency: 24 Vac, 60 Hz or 50/60 Hz depending on the model.
Current Draw: 0.5A with both operators energized.
Capacity: See Table 1.
Conversion:
Use conversion factors in Table 2 to convert capacities for other gases.
Regulation Range: See Table 1.
Natural-LP Gas Conversion Kits: See Table 4.
Pipe Adapters:
Angle and straight adapters are available for 3/8-, 1/2- and 3/4-in. pipe. See Table 5. Flange kits include one flange with attached O-ring, four mounting screws, a
9/64 in. hex wrench and instructions.
Approvals:
American Gas Association Design Certificate: L2025006.
Canadian Gas Association Design Certificate: L2025006.
Australian Gas Association Design Certificate: 4214.
Approved for Delta C applications.
European Community (CE) Certificate: Pending.
PLANNING THE INSTALLATION
WARNING
Fire or Explosion Hazard. Can cause severe injury, death or property damage.
Follow these warnings exactly:
- Plan the installation as outlined below.
- Plan for frequent maintenance as described in the Maintenance section.
Heavy demands are made on the controls when direct ignition systems are used on central heating equipment in barns, greenhouses, and commercial properties and on heating appliances such as commercial cookers, agricultural equipment, industrial heating equipment, and pool heaters.
Special steps may be required to prevent nuisance shutdowns and control failures due to frequent cycling, severe environmental conditions related to moisture,
corrosive chemicals, dust, or excessive heat. These applications require Resideo Engineering review; contact your Resideo Sales Representative for assistance.
Review the following conditions that can apply to your specific installation and follow the precautions suggested.
Frequent Cycling
this control is designed for use on appliances that typically cycle three to four times an hour only during the heating season. In year-round applications with greater cycling rates, the control can wear out more quickly.
Perform a monthly check.
Table 4. Natural-LP Gas Conversion Kits.
| Model No. Suffix Letter | Kit to Convert Natural Gas to LP | Kit to Convert LP to Natural Gas |
| H, K, M | 393691 | 394588 |
| P | Not field convertible. | Not field convertible. |
| Q | 396021 | 396025 |
| R | Not required, convertible valve. | Not required, convertible valve. |
Table 5. Flange Adapter Part Numbers.
| Inlet/Outlet Pipe Size (in. NPT) | Flange Type | Part Numbers b ‘ | |
| Without Hex Wrench | With Hex Wrench | ||
| 3/8 | Straight | 393690-1 | 393690-11 |
| 3/8 | Elbow | 393690-2 | 393690-12 |
| 1/2 | Straight | 393690-6 | 393690-16 |
| 1/2 | Elbow | 393690-3 | 393690-13 |
| 3/4 | Straight | 393690-4 | 393690-14 |
| 3/4 | Elbow | 393690-5 | 393690-15 |
a Flange kits include one flange, one O-ring, and four mounting screws.
b Do not use flanges on control models with 3/4 in. inlet and 3/4 in. outlet. On models with 1/2 in. inlet and 3/4 in. outlet, use flanges only on the 1/2 in.
inlet side. Table 6 shows additional specifications for the CE-only models.
Table 6. VR8205A,H/VR8305A,H CE Models.
| Specification | VR8205A,H (CE Model Only) | VR8305A,H (CE Model Only) |
| Main Valve Connection | 1/2 in. ISO, 7/1 internal thread (BSP.PL) | 1/2 in., 3/4 in. ISO, 7/1 internal thread (BSP.PL). |
| Ambient Temperature Range | -20°C to +70°C (-4°F to +158°F) | |
| Maximum Inlet Pressure | 60 mBar (24 in. wc). | |
| Pressure Regulation | Servo regulator with adjustable outlet pressure; in accordance with EN 88 Class C. Natural gas: 9mBar, typical; LP: 20 mBar, typical. | |
| Regulator Adjustment | For natural gas, 7.5 mBar to 12.5 mBar, field adjustable. For LP gas, 20 mBar to 30 mBar, field adjustable. | |
| Ground Terminal | 6.3 mm | |
| Pressure Taps | 9 mm OD | |
| Valve Classification | B+D | C+D |
CAUTION
Equipment Damage Hazard.
Improper use can damage equipment.
Read the instructions before use. This control must be installed in accordance with the rules in force.
Water or Steam Cleaning
If the control gets wet, replace it. If the appliance is likely to be cleaned with water or steam, protect (cover) the control and wiring from water or steam flow. Mount the control high enough above the bottom of the cabinet so it does not get wet during normal cleaning procedures.
High Humidity or Dripping Water
Dripping water can cause the control to fail. Never install an appliance where water can drip on the control. In addition, high ambient humidity can cause the control to corrode and fail. If the appliance is in a humid atmosphere, make sure air circulation around the control is adequate to prevent condensation. Also, regularly check out the system.
Corrosive Chemicals
Corrosive chemicals can attack the control, eventually causing failure. If chemicals are used for routine cleaning, avoid contact with the control. Where chemicals are suspended in air, as in some industrial or agricultural applications, protect the control with an enclosure.
Dust or Grease Accumulation
Heavy accumulations of dust or grease can cause the control to malfunction. Where dust or grease can be a the problem, provide covers for the control to limit
contamination.
Heat
Excessively high temperatures can damage the control.
Make sure the maximum ambient temperature at the control does not exceed the rating of the control. If the appliance operates at very high temperatures, use
insulation, shielding, and air circulation, as necessary, to protect the control. Proper insulation or shielding should be provided by the appliance manufacturer; verify proper air circulation is maintained when the appliance is installed.
INSTALLATION
When Installing This Product…
- Read these instructions carefully. Failure to follow them could damage the product or cause a hazardous condition.
- Check the ratings given in the instructions and on the product to make sure the product is suitable for your application.
- The installer must be a trained, experienced service technician.
- After installation is complete, check out the product operation as provided in these instructions.
WARNING
Fire or Explosion Hazard.
Can cause severe injury, death or property damage.
Follow these warnings exactly:
- Disconnect power supply before wiring to prevent electrical shock or equipment damage.
- To avoid the dangerous accumulation of fuel gas, turn off gas supply at the appliance service valve before starting the installation, and perform Gas Leak Test after installation is complete.
- Always install a sediment trap in gas supply line to prevent contamination of gas control.
- Do not force the gas control knob. Never use any tools. If the gas control knob does not operate by hand, the gas control should be replaced by a qualified service technician.
Force or attempted repair may result in fire or explosion.
CAUTION
Equipment Damage.
Can burn out valve coil terminals.
Never apply a jumper across (or short) the valve coil terminals, even temporarily.
Follow the appliance manufacturer instructions, if available. Otherwise, use these instructions as a guide.
IMPORTANT
These gas controls are shipped with protective seals over the inlet and outlet tappings. Do not remove the seals until ready to install adapters or connect the piping.
Converting Gas Control from Natural GAs to LP Gas (or LP Gas to Natural Gas)
WARNING
Fire or Explosion Hazard.
Can cause severe injury, death, or property damage.
- Do not attempt to convert step-opening models (suffix letter P).
- Always change the main and pilot burner orifices when converting from natural to LP gas or from LP to natural gas. Carefully follow appliance manufacturer specifications and instructions to assure proper appliance conversion.
- Gas controls are factory-set for natural (and manufactured) gas or LP gas. Do not attempt to use a gas control set for natural (manufactured) gas on LP gas or a gas control set for LP gas on natural (manufactured) gas.
Controls with standard, slow-opening and two-stage regulators (model numbers with suffix letters H, K, M, or Q) can be converted from one gas to the other with a conversion kit (ordered separately). See Table 4 for the correct conversion kit.
Convertible Pressure Regulators
Controls with suffix letter R are convertible pressure, regulator models. They can be converted from natural gas to LP gas or from LP gas to natural gas without a
conversion kit.
Before converting the control from one gas to the other, check the control label and the appliance manufacturer rating plate to determine of the pressure regulator setting (factory-set) will meet the appliance manifold requirements after conversion.
NOTE: Convertible pressure regulator models (suffix letter R) do not have field-adjustable regulators.
If the factory pressure regulator setting meets the appliance manifold requirement, convert the control as follows:
- Remove the pressure regulator cap, Fig. 1.
- Invert the cap so that the letters appear that represent the gas type appropriate for the appliance; NAT for natural (manufactured) gas, LP for liquid petroleum gas.
- Replace the cap and tighten firmly.

Fig. 1. Top view of convertible pressure regulator cap.
Install Adapters to Control
If adapters are being installed on the control, mount them as follows:
Flanges
- Choose the appropriate flange for your application.
Remove the seal over the ignition system control inlet or outlet. - Make sure the O-ring is fitted in the groove of the flange. If the O-ring is not attached or is missing, do not use the flange.
- With the O-ring facing the gas control, align the screw holes on the control with the holes in the flange.
- Insert and tighten the screws provided with the flange. See Fig. 2. Tighten the screws to 25 inch-pounds of torque to provide a gas-tight seal.
M9046
Fig. 2. Firmly fasten flange to valve, but do not overtighten screws.
- DO NOT OVERTIGHTEN SCREWS. TIGHTEN TO 25 INCH-POUNDS.
Bushings
- Remove the seal over the control inlet or outlet.
- Apply a moderate amount of good quality pipe compound to the bushing, leaving two end threads bare. On an LP installation, use a compound that is
resistant to LP gas. Do not use Teflon® tape. - Insert the bushing in the control and carefully thread the pipe into the bushing until tight.
Complete the instructions below for installing the piping, installing the control, connecting the pilot gas tubing and the wiring. Make sure the leak test you perform on the control after completing the installation includes leak testing the adapters and screws. If you use a wrench on the valve after the flanges are installed, use the wrench only on the flange, not on the control. See Fig. 5.
Location
The gas controls are mounted in the appliance vestibule on the gas manifold. If this is a replacement application, mount the gas control in the same location as the old control.
Locate the combination gas control where it cannot be affected by steam cleaning, high humidity, or dripping water, corrosive chemicals, dust or grease accumulation or excessive heat. To assure proper operation, follow these guidelines:
- Locate gas control in a well-ventilated area.
- Mount gas control high enough above cabinet bottom to avoid exposure to flooding or splashing water.
- Assure the ambient temperature does not exceed the ambient temperature rating for each component.
- Cover gas control if the appliance is cleaned with water, steam, or chemicals or to avoid dust and grease accumulation.
- Avoid locating gas control where exposure to corrosive chemical fumes or dripping water is likely.
Install Piping to Control
All piping must comply with local codes and ordinances or with the National Fuel Gas Code (ANSI Z223.1, NPFA No. 54), whichever applies. Tubing installation must comply with approved standards and practices.
- Use a new, properly reamed pipe that is free from chips. If tubing is used, make sure the ends are square, deburred, and clean. All tubing bends must be smooth and without deformation.
- Run pipe or tubing to the control. If tubing is used, obtain a tube-to-pipe coupling to connect the tubing to the control.
- Install a sediment trap in the supply line to the control. See Fig. 3.
Install Control
- Mounted 0 to 90 degrees in any direction, including vertically, from the upright position of the gas control knob.
- Mount so the gas flow is in the direction of the arrow on the bottom of the control.
- Thread the pipe the amount shown in Table 7 for insertion into control or adapters. Do not thread pipe too far. Valve distortion or malfunction can result if the pipe is inserted too deeply.
Table 7. NPT Pipe Thread Length (in.).Pipe
SizeThread Pipe
this AmountMaximum Depth Pipe can be
inserted into Control3/8 9/16 3/8 1/2 3/4 1/2 3/4 1 3/1 6 3/4 
M3077
Fig. 3. Sediment trap installation.
1. ALL BENDS IN METALLIC TUBING SHOULD BE SMOOTH.
2.CAUTION: SHUT OFF THE MAIN GAS SUPPLY BEFORE REMOVING THE END CAP TO PREVENT GAS FROM FILLING THE WORK AREA. TEST FOR GAS LEAKAGE WHEN INSTALLATION IS COMPLETE. - Apply a moderate amount of good quality pipe compound (do not use Teflon® tape) only to the pipe, leaving two end threads bare. On LP installations, use a compound resistant to LP gas. See Fig. 4.
- Remove the seals over the control inlet and outlet if necessary.
- Connect the pipe to the control inlet and outlet. use a wrench on the square ends of the control. If a flange is used, place the wrench on the flange rather than on the control. Refer to Fig. 5 and 6.

Fig. 4. Use a moderate amount of pipe compound.

Fig. 5. Proper use of wrench on gas control with and without flanges.

Fig. 6. Top view of gas control.
WARNING
Electrical Shock Hazard.
Can cause severe injury, death or property damage.
Disconnect the power supply before making wiring connections. More than one disconnect may be involved.
Follow the wiring instructions furnished by the appliance manufacturer, if available, or use the general instructions provided below. When these instructions differ from the appliance manufacturer, follow the appliance manufacturer’s instructions.
All wiring must comply with applicable electrical codes and ordinances.
- Disconnect power supply before making wiring connections to prevent electrical shock or equipment damage.
- Check the power supply rating on the gas control and make sure it matches the available supply.
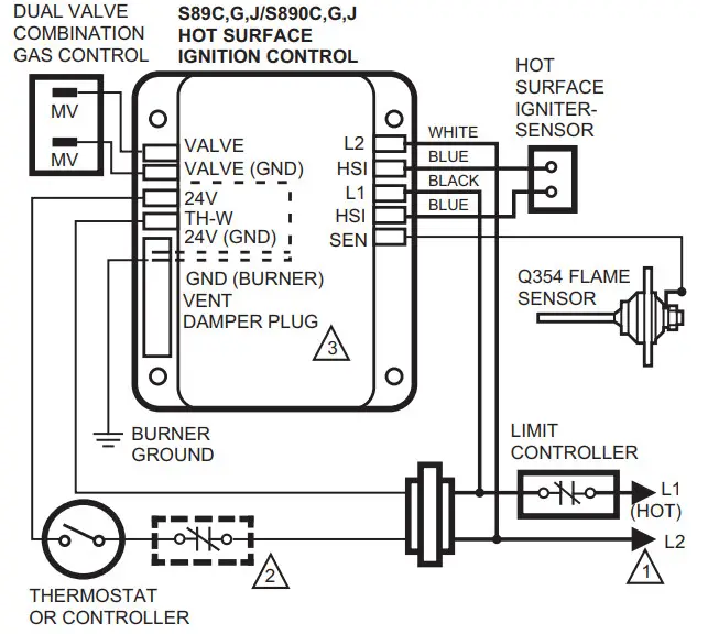
Install a transformer and other controls as required. - Connect the control circuit to the gas control terminals. See Fig. 7 and 8.
- Adjust thermostat heat anticipator to 0.50A rating stamped on valve operator.

M9043A
Fig. 7. Typical wiring connections for 24-volt control in S87 Direct Ignition System.
- POWER SUPPLY. PROVIDE DISCONNECT MEANS AND OVERLOAD PROTECTION AS REQUIRED.
- ALTERNATE LIMIT CONTROLLER LOCATION.
- MAXIMUM IGNITER-SENSOR CABLE LENGTH: 3 ft. (0.9 m) OR LESS.
- 3A REPLACEABLE FUSE.
- ALARM TERMINAL IS PROVIDED ON SOME MODELS.

M9047
Fig. 8. typical wiring connections with 24-volt control in S89 Direct Ignition System.
- POWER SUPPLY. PROVIDE DISCONNECT MEANS AND OVERLOAD PROTECTION AS REQUIRED. MAKE SURE L1 AND L2 ARE NOT
REVERSED; THIS WOULD PREVENT FLAME DETECTION. - ALTERNATE LIMIT CONTROLLER LOCATION.
- SEN TERMINAL AND Q354 FLAME SENSOR ON D MODELS ONLY.
WARNING
Fire or Explosion Hazard Can cause severe injury, death, or property damage.
- Do not force the gas control knob on the appliance. Use only your hand to turn the gas control knob. Never use any tools.
- If the knob does not operate by hand, the control should be replaced by a qualified service technician.
Gas Control Knob Settings
Gas control knob settings are as follows:
- OFF: Prevents pilot and main gas flow through the control.
- ON: Permits gas to flow into the control body. Under control of the thermostat and direct ignition module, gas can flow to the main burner.
NOTE: Controls are shipped with the gas control knob in the ON position.
Perform Gas Leak Test
WARNING
Fire or Explosion Hazard Can cause severe injury, death, or property damage.
Perform a Gas Leak Test every time work is done on a gas system to prevent gas leaks and possible explosion or fire.
Gas Leak Test
- Paint pipe connections upstream of the gas control with rich soap and water solution. Bubbles indicate a gas leak.
- If a leak is detected, tighten the pipe connections. Light the main burner. Stand clear of the main burner while lighting to prevent injury caused from hidden leaks that could cause flashbacks in the appliance vestibule.
- With the main burner in operation, paint the pipe joints (including adapters) and the control inlet and outlet with rich soap and water solution.
- If another leak is detected, tighten the adapter screws, joints, and pipe connections.
- Replace the part if the leak cannot be stopped.
Turn On System
Rotate the gas control knob counterclockwise
to ON.
Turn On Main Burner.
Follow appliance manufacturer instructions or turn the thermostat up to call for heat.
Check and Adjust Gas Input and Burner Ignition
IMPORTANT
- Do not exceed input rating stamped on appliance nameplate, or manufacturer-recommended burner orifice pressure for size orifice(s) used. Make certain the primary air supply to the main burner is properly adjusted for complete combustion. Follow appliance manufacturer instructions.
- IF CHECKING GAS INPUT BY CLOCKING GAS
METER: Make certain there is no gas flow through the meter other than to the appliance being checked. Other appliances must remain off with the pilots extinguished (or deduct their consumption from the meter reading). Convert flow rate to Btuh as described in form 70-2602, Gas Controls Handbook, and compare to Btuh input rating on the appliance nameplate. - IF CHECKING GAS INPUT WITH MANOMETER:
Make sure the gas control is in the OFF position before removing the outlet pressure tap plug to connect the manometer (pressure gauge). Also, move the gas control knob back to the OFF position when removing the gauge and replacing the plug. Before removing inlet pressure tap plug, shut off the gas supply at the manual valve in the gas piping to the appliance or, for LP, at the tank. Also, shut off gas supply before disconnecting the manometer and replacing the plug. Repeat Gas Leak Test at the plug with the main burner operating.
NOTE: Check the inlet pressure before adjusting the pressure regulator.
Standard and Slow-Opening (H, K, and M) Models
- Carefully check the main burner light off. Make sure that the main burner lights smoothly and that all ports remain lighted.
- Check the full rate manifold pressure listed on the appliance nameplate. Gas control full rate outlet pressure should match this rating.
- With the main burner operating, check the control flow rate using the meter clocking method or check pressure using a manometer connected to the outlet pressure tap on the control. See Fig. 6.
- If necessary, adjust the pressure regulator to match the appliance rating. See Tables 7A and 7B for factory-set nominal outlet pressure and adjustment range.
a. Remove the pressure regulator adjustment cap screw.
b. Using a screwdriver, turn the inner adjustment screw (Fig. 6) clockwise
to increase or counterclockwise
to decrease the gas pressure to the burner.
c. Always replace the cap screw and tighten firmly to prevent gas leakage. - If the desired outlet pressure or flow rate cannot be achieved by adjusting the gas control, check the gas control inlet pressure using a manometer at the inlet pressure tap of the gas control. If the inlet pressure is in the nominal range (see Tables 7A and 7B), replace the gas control. Otherwise, take the necessary steps to provide proper gas pressure to the control.
NOTE:
If the burner firing rate is above 150,000 Btuh on VR8305 models (see Table 1 for VR8305 capacities), it may not be possible to deliver the desired outlet pressure. This is an application issue, not a control failure. Take whatever steps are required to correct the situation.
Step-Opening (P) Models
Step-opening models require that you check and adjust the full-rate pressure first and then check the step pressure. The step pressure is not field-adjustable.
- Carefully check the main burner light off. Make sure that the main burner lights smoothly and that all ports remain lighted.
- Check the full rate manifold pressure listed on the appliance nameplate. Gas control full rate outlet pressure should match this rating.
- With the main burner operating, check the gas control flow rate using the meter clocking method or check pressure using a manometer connected to the utlet pressure tap on the gas control. See Fig. 6.
- If necessary, adjust the pressure regulator to match the appliance rating. See Tables 8 and 9 for factory-set nominal outlet pressure and adjustment range.
a. Remove the pressure regulator adjustment cap screw.
b. Using a screwdriver, turn the inner adjustment screw (Fig. 6) clockwise
to increase or counterclockwise
to decrease the gas pressure to the burner.
c. Always replace the cap screw and tighten firmly to prevent gas leakage. - If the desired outlet pressure or flow rate cannot be achieved by adjusting the gas control, check the gas control inlet pressure using a manometer at the inlet pressure tap of the control. If the inlet pressure is in the nominal range (see Tables 8 and 9), replace the control. Otherwise, take the necessary steps to provide proper gas pressure to the control.
- Carefully check the burner light off at step pressure. Make sure the burner lights smoothly and without a flashback to the orifice. Make sure all ports remain lighted. Cycle the burner several times, allowing at least 60 seconds between cycles for the regulator to resume the step function. Repeat after allowing the burner to cool. Readjust the full rate outlet pressure, if necessary, to improve light off characteristics.
Two-Stage (Q) Models
Two-stage models require that you check and adjust both high and low-pressure regulator settings. Twostageappliances operating sequences vary.
Consult the appliance manufacturer instructions for the specific operating sequence and regulator adjustment procedure for the appliance in which the control was installed.
- Set appliance to operate on high.
- Carefully check the main burner light off. Make sure that the main burner lights smoothly and that all ports remain lighted.
- Check the full rate (high) manifold pressure listed on the appliance nameplate for high pressure. The gas control full rate outlet pressure should match
this rating. - With the main burner operating, check the gas control flow rate using the meter clocking method or check pressure using a manometer connected to the outlet pressure tap on the gas control. See Fig. 6.
- If necessary, adjust the high-pressure regulator to match the appliance rating. See Tables 8 and 9 for factory-set nominal outlet pressure and adjustment range.
a. Remove the pressure regulator adjustment cap (Fig. 6).
b. Using a screwdriver, turn the inner adjustment screw for HI pressure clockwise
to increase or counterclockwise
to decrease the gas pressure to the burner. - After high pressure has been checked, check low-pressure regulation. Two-stage appliance operating sequences vary. Consult the appliance manufacturer instructions for the specific operating sequence and regulator adjustment procedure for the appliance in which the control is installed and for instructions on how to prevent the control from moving to the high stage while checking the low-pressure regulator setting.
- check the low rate manifold pressure listed on the appliance nameplate. Gas control low rate outlet pressure should match this rating.
- With the main burner operating, check the gas control flow rate as before (using the meter clocking method or check pressure using a manometer connected to the outlet pressure tap on the control).
- If necessary, adjust the low-pressure regulator to match the appliance rating. See Tables 8 and 9 for factory-set nominal outlet pressure and adjustment range.
a. Remove the pressure regulator adjustment cap (Fig. 6).
b. Using a screwdriver, turn the inner adjustment screw for LO pressure clockwise
to increase or counterclockwise
to decrease the gas pressure to the burner. - Once high and low pressure have been checked and adjusted, replace the pressure regulator adjustment cap. If the desired outlet pressure or flow rate cannot be achieved by adjusting the gas control, check the control inlet pressure using a manometer at the inlet pressure tap of the control.
If the inlet pressure is in the nominal range (see Tables 8 and 9), replace the gas control. Otherwise, take the necessary steps to provide proper gas pressure to the control.
Check Safety Lockout (SlowOpening Controls Only)
- With the system power off and the thermostat set to call for heat, manually shut off the gas supply.
- Energize ignition control and start timing safety lockout time. When spark ignition terminates, stop timing.
NOTE: When using the VR8105H, VR8205H, and VR8305H step-opening control, the specified ignition control safety lockout time must exceed 8.5 seconds for the system to function properly. - After spark cutoff, manually reopen the gas control knob. No gas should flow to the main burner.
- Reset the system by adjusting the thermostat below room temperature, wait 30 seconds, and then move the thermostat setting up to call for heat. Normal ignition should occur.
Table 8. Pressure Regulator Specification Pressures (in. wc).
| Model Type | Type of Gas | Nominal Inlet Pressure Range | Factory-Set Nominal Outlet Pressure | Setting Range | ||
| Step | Full Rate | Step | Full Rate | |||
| Standard, Slow | NAT | 5.0 – 7.0 | 4. | 3.0 – 5.0 | ||
| LP | 12.0 – 14.0 | 10.0 | 8.0 – 12 0 | |||
| Step | NAT | 5.0 – 7.0 | 0.9 | 4. | None | 0.7 – 1.7 |
| LP | 12.0 – 14.0 | 2. | 10.0 | None | 1.4 5.5 | |
| Two-Stage | NAT | 5.0 7.0 | 1.7 Low 3.5 High | 0.9 – 3.0 Lowa 3.0 – 5.0 High | ||
| LP | 12.0 – 14.0 | 4.9 Low 10.0 High | 2.5 – 7.0 Low 8.0 – 11.0 High | |||
a Low Fire setting range for VR8305Q 1/2 in. by 1/2 in. and 1/2 in. x 3/4 in. is 1.5 to 3.0 kPa.
Table 9. Pressure Regulator Specification Pressures (kPa).
| Model Type | Type of Gas | Nominal Inlet Pressure Range | Factory-Set Nominal Outlet Pressure | Setting Range | ||
| Step | Full Rate | Step | Full Rate | |||
| Standard, Slow | NAT | 1.2 – 1.7 | – | 0.9 | – | 0.7 – 1.2 |
| LP | 2.9 – 3.9 | – | 3. | – | 2.0 – 3.0 | |
| Step | NAT | 1.2 – 1.7 | 0.2 | 0.9 | None | 0.17 – 0.48 |
| LP | 2.9 – 3.9 | 0.5 | 3. | None | 1.4 – 1.37 | |
| Two-stage | NAT | 1.2 – 1.7 | – | 0.48 Low 0.90 High | – | 0.22 – 0.75 Lowa 0.75 – 1.2 High |
| LP | 2.9 – 3.9 | – | 1.2 Low 2.5 High | – | 0.6 – 1.8 Low 2.0 – 2.5 High | |
a Low Fire setting range for VR8305Q 1/2 in. by 1/2 in. and 1/2 in. x 3/4 in. is 0.37 to 0.75 kPa.
Check Safety Shutdown Performance
WARNING
Fire or Explosion Hazard.
Can cause severe injury, death or property damage.
Perform the safety shutdown test any time work is done on a gas system.
NOTE: Read steps 1 through 7 before starting, and compare to the safety shutdown or safety lockout tests recommended for the direct ignition (DI) module. When different, use the procedures recommended for the module.
- Turn off the gas supply.
- Set thermostat or controller above room temperature to call for heat.
- Watch for ignition spark or glow at hot surface igniter either immediately or following pre-purge. See DI module specifications.
- Time the length of spark operation. See the DI module specifications.
- After the module locks out, open the manual gas cock and make sure no gas is flowing to the main burner.
- Set the thermostat below room temperature and wait one minute.
- Operate system through one complete cycle to make sure all controls operate properly.
MAINTENANCE
WARNING
Fire or Explosion Hazard.
Can cause severe injury, death or property damage.
Do not disassemble the gas control; it contains no replaceable components. Attempted disassembly, repair, or cleaning can damage the control, resulting in gas leakage.
Regular preventive maintenance is important in applications in the commercial cooking and agricultural and industrial industries that place a heavy load on
system controls, because:
- In many such applications, particularly commercial cooking, the equipment operates 100,000 to 200,000 cycles per year. Such heavy cycling can wear out the
gas control in one to two years. - Exposure to water, dirt, chemicals, and heat can damage the gas control and shut down the control system.
The maintenance program should include regular checkout of the control as outlined in the Startup and Checkout section, and the control system as described in the appliance manufacturer literature.
Maintenance frequency must be determined individually for each application. Some considerations are: - Cycling frequency. Appliances that cycle 20,000 times annually should be checked monthly.
- Intermittent use. Appliances that are used seasonally should be checked before shutdown and again before the next use.
- A consequence of unexpected shutdown. Where the cost of an unexpected shutdown would be high, the system should be checked more often.
- Dusty, wet or corrosive environments. Since these environments can cause the gas control to deteriorate nmore rapidly, the system should be checked more
often.
The system should be replaced if:
- It does not perform properly on checkout or troubleshooting.
- The gas control is likely to have operated for more than 200,000 cycles.
- The control is wet or looks as if it has been wet.
SERVICE
WARNING
Fire or Explosion Hazard.
Can cause severe injury, death or property damage.
Do not disassemble the gas control; it contains no replaceable components. Attempted disassembly, repair, or cleaning can damage the control, resulting in gas leakage.
CAUTION
Equipment Damage.
Can burn out valve coil terminals.
Never apply a jumper across (or short) the valve coil terminals, even temporarily.
After servicing, verify proper system operation.
If Main Burner Does Not Come On
With Call For Heat
- Confirm the gas control knob is in the ON position.
- Adjust thermostat several degrees above room temperature.
- Using ac voltmeter, measure across MV terminals at gas control.
- If voltage is incorrect or not present, check control circuit for proper operation.
- If proper voltage is present, replace gas control.
INSTRUCTIONS TO THE HOMEOWNER
WARNING
Fire or Explosion Hazard.
Can cause severe injury, death or property damage.
Follow these warnings exactly:
- Before lighting, smell around the appliance for gas. Be sure to smell next to the floor because LP gas is heavier than air. If you smell gas:
(a) Turn off the gas supply at the appliance service valve. On LP gas systems, turn off the gas supply at the gas tank.
(b) Do not light any appliance in the house.
(c) Do not touch electrical switches or use the telephone.
(d) Leave the building and use a neighbor’s phone to call your gas supplier.
(e) If you cannot reach your gas supplier, call the fire department. - Replace the gas control in the event of any physical damage, tampering, bent terminals, missing or broken parts, stripped threads, or evidence of exposure to heat.
IMPORTANT:
Follow the operating instructions provided by the heating appliance manufacturer. The information below describes a typical control application, but the specific controls used and the procedures outlined in your appliance manufacturer instructions can differ, requiring special instructions.
To Turn ON Appliance
STOP: Read the Warnings Above Before Proceeding
- The lighting sequence on this appliance is automatic; do not attempt to manually light the main burner.
- If the furnace does not come on when the thermostat is set several degrees above room temperature, set the thermostat to its lowest setting to reset the safety control.
- Remove the burner access panel, if provided, on your appliance.
- Turn the gas control knob clockwise
to OFF. - Wait five minutes to allow any gas in the combustion chamber to vent. Then, if you smell gas, STOP! Follow Step 1 in the Warning above. If you do not smell gas, continue with the next step.
- If you do not smell gas, turn the knob on the gas control counterclockwise
to ON. - Replace the burner access panel.
- Reset the thermostat to the desired temperature.
- If the appliance does not turn on, turn the gas control knob to OFF and contact a qualified service technician for assistance.
Turning Off the Appliance
Vacation Shutdown
Set the thermostat to the desired room temperature while you are away.
Complete Shutdown
- Turn off the power to the appliance.
- Turn off the gas supply to the appliance.
- Turn gas control knob clockwise
to OFF.
The appliance will completely shut off.
Follow the procedures in the Instructions to the Homeowner section above to resume normal operation.
VR8105, VR8205, AND VR8305 DIRECT IGNITION COMBINATION GAS CONTROLS
Resideo Technologies, Inc.
1985 Douglas Drive North, Golden Valley, MN 55422
1-800-468-1502
69-1226—06 M.S. Rev. 03-20 | Printed in the United States
© 2020 Resideo Technologies, Inc. All rights reserved.
This product is manufactured by Resideo Technologies, Inc. and its affiliates.



















