resideo Intermittent Pilot Combination Gas Controls

INSTALLATION INSTRUCTIONS
APPLICATION
These intermittent pilot gas controls are used in gas-fired appliances with up to 415 ft3/hr capacity at 1 in. wc pressure drop (8.5 m3/hr at 0.25 kPa) on natural gas. They include safety shutoff, a manual valve, two automatic operators, a pressure regulator and a pilot adjustment.
These gas controls are available in a range of valve capacities, see Table 1. (Table 2 provides gas capacity conversion factors.) The suffix letter indicates temperature range and regulator type, see Table 3.
For CE-approved models, the relevant sections of these instructions and Table 4 are applicable.
Table 1. Valve Capacitya
|
Model | Size Inlet-Outlet (in.) | AGA Certified Capacity for Natural Gas | AGA Certified Minimum Regulation for Natural Gas | AGA Certified Maximum Regulation for Natural Gas | |||
| ft3/hr | m3/hr | ft3/hr | m3/hr | ft3/hr | m3/hr | ||
| VR8104 | 1/2 x 1/2 | 85 | 2.3 | 10d | 0.4 | 120 | 3.4 |
| VR8204 | 150 | 4.2 | 20e | 0.6 | 200 | 5.7 | |
| VR8304b,c | 240 | 6.8 | 30f | 0.8 | 340 | 9.6 | |
| VR8304b,c | 1/2 x 3/4 | 270 | 7.6 | 370 | 1.05 | ||
| VR8304b,c | 3/4 x 3/4 | 300 | 8.5 | 415 | 11.8 | ||
- Capacity based on 1000 Btu/ft3, 0.64 sp gr natural gas at 1 in. wc pressure drop (37.3 MJ/m3, 0.64 sp gr natural gas at 0.25 kPa pressure drop).
- Capacity is reduced by 5 percent when using an outlet screen.
- Valves are guaranteed at only 77 percent of the rating.
- Minimum regulation for LP gas is 15,000 Btuh.
- Minimum regulation for LP gas is 40,000 Btuh.
- Minimum regulation for LP gas is 50,000 Btuh.
Table 2. Gas Capacity Conversion Factor.
| Gas | Specific Gravity | Multiply Listed Capacity By |
| Manufactured | 0.60 | 0.516 |
| Mixed | 0.70 | 0.765 |
| Propane | 1.53 | 1.62 |
CE-Only Models
These gas controls are used in appliances up to 121kW or 415 kBTUH on natural gas and approved on EN126, which consists of one automatic safety shutoff valve, Class B or C, one servo-operated shutoff valve, Class D, pressure governor, Class C, manually-operated valve, with or without pilot outlet. Only the A, H and U models are available CE-approved.
Table 4 shows the additional specifications for the CE-only models.
Table 3. Model Number Suffix Letter Designation.
| Model No. Suffix Letter | Ambient Temperature Range | Pressure Regulator Type |
| A | 0°F to 175°F (-18°C to +79°C) | Standard |
| C | Step-opening | |
| H | Slow-opening | |
| Ua | Nonregulating (on-off) | |
| K | -40°F to +175°F (-40°C to +79°C) | Slow-opening |
| M | Standard | |
| P | Step-opening | |
| Q | Two-Stage | |
| R | Convertible |
Available only on CE VR8204 models.
Table 4. VR8204A,H/VR8304A,H,U CE.
| Specifications | VR8204A,H (CE Model Only) | VR8304A,H (CE Model Only) |
| Main valve connections (If NPT, the valves must be serviced by the appliance manufacturer. | 1/2 in. ISO, 7/1 internal thread (BSP, NPT. | 1/2 in., 3/4 in. ISO, 7/1 internal thread (BSP, PL) or 1/2 in., 3/4 in. NPT. |
| Valve Classification | B + D | C + D |
| Capacity (1kW = 3.41BTUH) | 29 kW at 2.5 mBar 43 kW at 5.0 mBar | for 1/2 in., 70 kW at 2.5 mBar 99 kW at 5.0 mBar. For 3/4 in., 87 kW at 2.5 mBar: 121 kW at 5.0 mBar. |
| Supply Voltage | 24 Vac, 50/60 Hz. | |
| Flanges | None. | |
| Closing time | Less than 1 second. | |
| Opening Time | Standard opening (A): less than 2 seconds. Slow opening (H): less than 6 seconds. Special fast opening (U): less than 1 second. | |
| Suited for gas families | 2H, 2L, and 3. | |
| Outlet Press Range (Except unregulated models) | Natural gas: 7.5 to 12.5 mBar (3 to 5 in. wc). Natural gas: 12.5 to 17.5 mBar (5 to 7 in. wc). LP gas: 20 to 30 mBar (8 to 12 in. wc). | |
| Manually operated valve operations | 10,000 cycles for manual valves; 200,000 cycles for automatic valves. | |
| Ambient temperature range | -20°C to +70°C (-4°F to +158°F). | |
| Maximum inlet pressure | 60 mBar (24 in. wc). | |
| Screen | Fine mesh on inlet. | |
| Pilot connectiona | M11 x 1 for 6 mm outside diameter tube. | |
| Ground terminala | 6.3 mm. | |
| Pressure tapsa | 9 mm OD for both inlet and outlet. | |
| Approval | CE-0063AU1215. | |
The VR8204U uses standard U.S. construction. Inlet and outlet ports are 1/2 in. NPT, and the pilot connection is the standard 7/16 in. thread for a 1/4 in. pilot tube. European-style inlet and outlet pressure taps are available.
CAUTION: Equipment Damage Hazard.
Improper use can damage equipment.
Read the instructions before use. This control must be installed in accordance with the rules in force.
SPECIFICATIONS
Body Pattern: Straight through; see Table 1 for inlet and outlet size.
Electrical Ratings:
Voltage and Frequency: 24 Vac, 60 Hz.
Current Draw: 0.5A with both operators energized.
Capacity: See Table 1.
Conversion: Use conversion factors in Table 2 to convert capacities for other gases.
Regulation Range: See Table 1.
Natural-LP Gas Conversion Kits: See Table 5.
Table 5. Natural-LP Gas Conversion Kits.
| Model No. Suffix Letter | Kit to Convert Natural Gas to LP | Kit to Convert LP to Natural Gas |
| H, K, M | 393691 | 394588 |
| P | Not field convertible. | Not field convertible. |
| Q | 396021 | 396025 |
| R | Not required, convertible valve. | Not required, convertible valve. |
Pipe Adapters:
Angle and straight adapters available for 3/8-, 1/2- and 3/4-in. pipe. See Table 6. Flange kits include one flange with attached O-ring, four mounting screws, a 9/64 in. hex wrench and instructions.
Approvals:
American Gas Association Design Certificate: L2025006. Canadian Gas Association Design Certificate: L2025006. Australian Gas Association Design Certificate: 4214. Approved for Delta C applications.
European Community (CE) Certificate: Pending.
PLANNING THE INSTALLATION
WARNING: Fire or Explosion Hazard.
Can cause property damage, severe injury, or death.
Follow these warnings exactly:
- Plan the installation as outlined below.
- Plan for frequent maintenance as described in the Maintenance section.
Table 6. Flange Adapter Part Numbers.
| Inlet/Outlet Pipe Size (in. NPT) | Flange Type | Part Numbera,b | |
| Without Hex Wrench | With Hex Wrench | ||
| 3/8 | Straight | 393690-1 | 393690-11 |
| 3/8 | Elbow | 393690-2 | 393690-12 |
| 1/2 | Straight | 393690-6 | 393690-16 |
| 1/2 | Elbow | 393690-3 | 393690-13 |
| 3/4 | Straight | 393690-4 | 393690-14 |
| 3/4 | Elbow | 393690-5 | 393690-15 |
- Flange kits include one flange, one O-ring and four mounting screws.
- Do not use flanges on control models with 3/4 in. inlet and 3/4 in. outlet. On models with 1/2 in. inlet and 3/4 in. outlet, use flanges only on the 1/2 in. inlet side.
Heavy demands are made on the controls when intermittent pilot systems are used on central heating equipment in barns, greenhouses, and commercial properties and on heating appliances such as commercial cookers, agricultural equipment, industrial heating equipment and pool heaters.
Special steps may be required to prevent nuisance shutdowns and control failure due to frequent cycling, severe environmental conditions related to moisture, corrosive chemicals, dust or excessive heat. These applications require Home and Building Control Engineering review; contact your Resideo Sales Representative for assistance.
Review the following conditions that can apply to your specific installation and follow the precautions suggested.
Frequent Cycling
This control is designed for use on appliances that typically cycle three to four times an hour only during the heating season. In year-around applications with greater cycling rates, the control can wear out more quickly. Perform a monthly checkout.
Water or Steam Cleaning
If a control gets wet, replace it. If the appliance is likely to be cleaned with water or steam, protect (cover) the control and wiring from water or steam flow. Mount the control high enough above the bottom of the cabinet so it does not get wet during normal cleaning procedures.
High Humidity or Dripping Water
Dripping water can cause the control to fail. Never install an appliance where water can drip on the control. In addition, high ambient humidity can cause the control to corrode and fail. If the appliance is in a humid atmosphere, make sure air circulation around the control is adequate to prevent condensation. Also, regularly check out the system.
Corrosive Chemicals
Corrosive chemicals can attack the control, eventually causing a failure. If chemicals are used for routine cleaning, avoid contact with the control. Where chemicals are suspended in air, as in some industrial or agricultural applications, protect the control with an enclosure.
Dust or Grease Accumulation
Heavy accumulations of dust or grease can cause the control to malfunction. Where dust or grease can be a problem, provide covers for the control to limit contamination.
Heat
Excessively high temperatures can damage the control. Make sure the maximum ambient temperature at the control does not exceed the rating of the control. If the appliance operates at very high temperatures, use insulation, shielding, and air circulation, as necessary, to protect the control. Proper insulation or shielding should be provided by the appliance manufacturer; verify proper air circulation is maintained when the appliance is installed.
INSTALLATION
When Installing this Product…
- Read these instructions carefully. Failure to follow them could damage the product or cause a hazardous condition.
- Check the ratings given in the instructions and on the product to make sure the product is suitable for your application.
- Installer must be a trained, experienced service technician.
- After installation is complete, check out product operation as provided in these instructions.
WARNING: Fire or Explosion Hazard.
Can cause property damage, severe injury or death.
Follow these warnings exactly:
- Disconnect power supply before wiring to prevent electrical shock or equipment damage.
- To avoid dangerous accumulation of fuel gas, turn off the gas supply at the appliance service valve before starting installation, and perform Gas Leak Test after installation is complete.
- Do not bend pilot tubing at gas control or pilot burner after compression fitting is tightened, or gas leakage at the connection can result.
- Always install a sediment trap in the gas supply line to prevent contamination of the gas control.
- Do not force the gas control knob. Use only your hand to turn the gas control knob. Never use any tools. If the gas control knob will not operate by hand, the gas control should be replaced by a qualified service technician. Force or attempted repair may result in fire or explosion.
Converting Gas Control from Natural Gas to LP Gas (or LP Gas to Natural Gas)
WARNING: Fire Or Explosion Hazard.
Can cause property damage, severe injury or death.
- Do not attempt to convert step-opening models (suffix letter P).
- Always change the main and pilot burner orifices when converting from natural to LP gas or from LP to natural gas. Carefully follow appliance manufacturer specifications and instructions to assure proper appliance conversion.
- Gas controls are factory-set for natural (and manufactured) or LP gas. Do not attempt to use a gas control set for natural (manufactured) gas on LP gas, or a gas control set for LP gas on natural (manufactured) gas.
Controls with standard, slow-opening, and two-stage regulators (model numbers with suffix H, K, M, or Q) can be converted from one gas to the other with a conversion kit (ordered separately). See Table 5 for the correct conversion kit.
Convertible Pressure Regulators
Controls with suffix letter R are convertible pressure regulator models. They can be converted from natural gas to LP gas or from LP gas to natural gas without a conversion kit.
Before converting the control from one gas to another, check the control label and the appliance manufacturer’s rating plate to determine if the pressure regulator setting (factory set) will meet the appliance manifold requirements after conversion.
NOTE: Convertible pressure regulator models (suffix letter R) do not have field-adjustable regulators.
If the factory pressure regulator setting meets the appliance manifold requirement, convert the control as follows:
- Remove the pressure regulator cap, Fig. 1.
- Invert the cap so that the letters appear that represent the gas type appropriate for the appliance. NAT for natural manufactured gas, LP for liquid petroleum gas.
- Replace the cap and tighten firmly.

Install Adapters To Control
If adapters are being installed on the control, mount them as follows:
Flanges
- Choose the appropriate flange for your application.
- Remove the seal over the gas control inlet or outlet.
- Make sure that the O-ring is fitted in the groove of the flange. If the O-ring is not attached or is missing, do not use the flange.
- With the O-ring facing the control, align the screw holes on the gas control with the holes in the flange. Insert and tighten the screws provided with the flange. See Fig. 2. Tighten the screws to 25 inch-pounds of torque to provide a gas-tight seal.
Bushings
- Remove the seal over the control inlet or outlet.
- Apply a moderate amount of good quality pipe compound to the bushing, leaving two end threads bare. On an LP installation, use compound that is resistant to LP gas. Do not use Teflon tape.
- Insert the bushing in the control and carefully thread the pipe into the bushing until tight.
Complete the instructions below for installing the piping, installing the control, connecting the pilot gas tubing and the wiring. Make sure the leak test you perform on the control after completing the installation includes leak testing the adapters and screws. If you use a wrench on the valve after the flanges are installed, use the wrench only on the flange, not on the control. See Fig. 5.

Location
The combination gas control is mounted in the appliance vestibule on the gas manifold. If this is a replacement application, mount the gas control in the same location as the old control.
Locate the combination gas control where it cannot be affected by steam cleaning, high humidity, or dripping water, corrosive chemicals, dust or grease accumulation or excessive heat. To assure proper operation, follow these guidelines:
- • Locate gas control in a well-ventilated area.
- • Mount gas control high enough above cabinet bottom to avoid exposure to flooding or splashing water.
- • Assure the ambient temperature does not exceed the ambient temperature ratings for each component.
- • Cover gas control if appliance is cleaned with water, steam, or chemicals or to avoid dust and grease accumulation.
- • Avoid locating gas control where exposure to corrosive chemical fumes or dripping water are likely.
Install Piping to Control
All piping must comply with local codes and ordinances or with the National Fuel Gas Code (ANSI Z223.1, NFPA No. 54), whichever applies. Tubing installation must comply with approved standards and practices.
- Use new, properly reamed pipe that is free from chips. If tubing is used, make sure the ends are square, deburred and clean. All tubing bends must be smooth and without deformation.
- Run pipe or tubing to the control. If tubing is used, obtain a tube-to-pipe coupling to connect the tubing to the control.
- Install a sediment trap in the supply line to the control. See Fig. 3.

ALL BENDS IN METALLIC TUBING SHOULD BE SMOOTH.
CAUTION: SHUT OFF THE MAIN GAS SUPPLY BEFORE REMOVING END CAP TO PREVENT GAS FROM FILLING THE WORK AREA. TEST FOR GAS LEAKAGE WHEN INSTALLATION IS COMPLETE. M3077
Install Control
- Mounted 0 to 90 degrees in any direction, including vertically, from the upright position of the gas control knob.
- Mount so the gas flow is in the direction of the arrow on the bottom of the control.
- Thread the pipe the amount shown in Table 7 for insertion into control or adapters. Do not thread pipe too far. Valve distortion or malfunction can result if the pipe is inserted too deeply
Pipe Size Thread Pipe this Amount Maximum Depth Pipe can be Inserted into Control 3/8 9/16 3/8 1/2 3/4 1/2 3/4 13/16 3/4 - Apply a moderate amount of good quality pipe compound (do not use Teflon tape) only to the pipe, leaving two end threads bare. On LP installations, use a compound resistant to LP gas. See Fig. 4.
- Remove the seals over the control inlet and outlet if necessary.
- Connect the pipe to the control inlet and outlet. Use a wrench on the square ends of the control. If a flange is used, place the wrench on the flange rather than on the gas control. Refer to Fig. 5 and 6.
Connect Pilot Gas Tubing
- Cut tubing to the desired length and bend as necessary for routing to the pilot burner. Do not make sharp bends or deform the tubing. Do not bend the tubing at the gas control after the compression nut is tightened, because this can result in gas leakage at the connection.
- Square off and remove burrs from the end of the tubing.
- Unscrew the brass compression fitting from the pilot outlet (Fig. 6). Slip the fitting over the tubing and slide out of the way. See Fig. 7.
NOTE: When replacing a control, cut off the old compression fitting and replace with the compression fitting provided on the combination gas control. Never use the old compression fitting because it may not provide a gas-tight seal. - Push the tubing into the pilot gas tapping on the outlet end of the control until it bottoms. While holding the tubing all the way in, slide the fitting into place and engage the threads; then turn until finger tight. Tighten one more turn with a wrench, but do not overtighten.
- Connect the other end of the tubing to the pilot burner according to the pilot burner manufacturer’s instructions.



Fig. 6. Top view of gas control.
Wiring
Follow the wiring instructions furnished by the appliance manufacturer, if available, or use the general instructions provided below. When these instructions differ from the appliance manufacturer, follow the appliance manufacturer instructions.
All wiring must comply with applicable electrical codes and ordinances.
Disconnect power supply before making wiring connections to prevent electrical shock or equipment damage.
- Check the power supply rating on the gas control and make sure it matches the available supply. Install a transformer, thermostat and other controls as required.
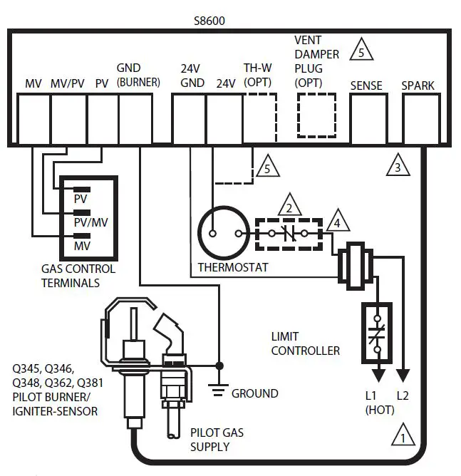
- Connect control circuit to the gas control terminals. See Fig. 8.

- POWER SUPPLY. PROVIDE DISCONNECT MEANS AND OVERLOAD PROTECTION AS REQUIRED.
- ALTERNATE LIMIT CONTROLLER LOCATION.
- MAXIMUM WIRE LENGTH 3 ft [.9 m].
- CONTROLS IN 24V CIRCUIT MUST NOT BE IN GROUND LEG TO TRANSFORMER.
- FOR MODULE WITH TH-W TERMINAL AND VENT DAMPER PLUG, CONNECT THERMOSTAT TO TH-W. LEAVE
STARTUP AND CHECKOUT
WARNING: Fire or Explosion Hazard.
Can cause property damage, severe injury or death.
- Do not force the gas control knob on the appliance. Use only your hand to turn the gas control knob. Never use any tools.
- If the knob does not operate by hand, the control should be replaced by a qualified service technician.
Gas Control Knob Settings
Gas control knob settings are as follows:
OFF: Prevents pilot and main gas flow through the control.
ON: Permits gas to flow into the control body. Under control of the thermostat and intermittent pilot module, gas can flow to the pilot and main burners.
NOTE: Controls are shipped with the gas control knob in the ON position.
Turn On System
Rotate the gas control knob counterclockwise ON.
Turn On Main Burner
Follow appliance manufacturer instructions or turn up thermostat to call for heat.
Perform Gas Leak Test
Fire or Explosion Hazard.
Can cause property damage, severe injury or death.
Perform Gas Leak Test every time work is done on a gas system.
IMPORTANT: Do not spray soap and water solution on the gas control. Do not use an excessive amount of soap and water solution to perform the gas leak test. These can damage the control.
Gas Leak Test
- Paint pipe connections upstream of the gas control with rich soap and water solution. Bubbles indicate a gas leak.
- If a leak is detected, tighten the pipe connections.
- Light the main burner. Stand clear of the main burner while lighting to prevent injury caused from hidden leaks that could cause flashback in the appliance vestibule.
- With the main burner in operation, paint the pipe joints (including adapters) and the control inlet and outlet with rich soap and water solution.
- If another leak is detected, tighten the adapter screws, joints, and pipe connections.
- Replace the part if a leak cannot be stopped.
Check and Adjust Pilot Flame
The pilot flame should envelop 3/8 to 1/2 in. (10 to 13 mm) of the tip of the igniter-sensor. See Fig. 9. If the pilot flame is small or lazy, the inlet gas pressure may be too low, or the pilot orifice may be partially clogged. Check and repair as necessary. If the pilot flame is hard and noisy, the inlet gas pressure may be too high. The gas control has a pilot adjustment mechanism to reduce the pilot flow if necessary. If pilot adjustment is necessary, proceed as follows:
- Remove pilot adjustment cover screw. See Fig. 6.
- The pilot adjustment is shipped at the full pilot gas flow rate. Turn the inner adjustment screw clockwise if the inlet pressure is too high. Turn the inner adjustment screw clockwise
to decrease or counterclockwise to increase pilot flame. - Replace the cover screw after the adjustment to prevent gas leakage.

Check and Adjust Gas Input and Burner Ignition
IMPORTANT:
- Do not exceed input rating stamped on appliance nameplate, or manufacturer’s recommended burner orifice pressure for size orifice(s) used. Make certain primary air supply to main burner is properly adjusted for complete combustion. Follow appliance manufacturer instructions.
- IF CHECKING GAS INPUT BY CLOCKING GAS METER: Make certain there is no gas flow through the meter other than to the appliance being checked. Other appliances must remain off with the pilots extinguished (or deduct their consumption from the meter reading). Convert flow rate to Btuh as described in form 70-2602, Gas Controls Handbook, and compare to Btuh input rating on appliance nameplate.
- IF CHECKING GAS INPUT WITH MANOMETER: Make sure the gas control knob is in the OFF position before removing outlet pressure tap plug to connect manometer (pressure gauge). Also move the gas control knob to the OFF position when removing the gauge and replacing the plug. Before removing inlet pressure tap plug, shut off gas supply at the manual valve in the gas piping to the appliance or, for LP, at the tank. Also shut off gas supply before disconnecting manometer and replacing plug. Repeat Gas Leak Test at plug with main burner operating.
NOTE: Check the inlet pressure before adjusting the pressure regulator.
Standard and Slow-Opening (H, K and M) Models
- Carefully check the main burner light off. Make sure that the main burner lights smoothly and that all ports remain lit.
- Check the full rate manifold pressure listed on the appliance nameplate. Gas control full rate outlet pressure should match this rating.
- With main burner operating, check the control flow rate using the meter clocking method or check pressure using a manometer connected to the outlet pressure tap on the control. See Fig. 6.
- If necessary, adjust the pressure regulator to match the appliance rating. See Tables 8A and 8B for factory-set nominal outlet pressure and adjustment range.
- Remove the pressure regulator adjustment cap screw.
- Using a screwdriver, turn the inner adjustment screw (Fig. 6) clockwise to increase or counterclockwise to decrease the gas pressure to the burner.
- Always replace the cap screw and tighten firmly to prevent gas leakage.
- If the desired outlet pressure or flow rate cannot be achieved by adjusting the gas control, check the gas control inlet pressure using a manometer at the inlet pressure tap of the gas control. If the inlet pressure is in the nominal range (see Tables 8A and 8B), replace the gas control. Otherwise, take the necessary steps to provide proper gas pressure to the control.
NOTE: If the burner firing rate is above 150,000 Btuh on VR8304 models (see Table 1 for VR8304 capacities), it may not be possible to deliver the desired outlet pressure. This is an application issue, not a control failure. Take whatever steps are required to correct the situation.
Step-Opening (P) Models
Step-opening models require that you check and adjust the full-rate pressure first and then check the step pressure. The step pressure is not field adjustable.
- Carefully check the main burner lightoff. Make sure that the main burner lights smoothly and that all ports remain lit.
- Check the full rate manifold pressure listed on the appliance nameplate. Gas control full rate outlet pressure should match this rating.
- With main burner operating, check the gas control flow rate using the meter clocking method or check pressure using a manometer connected to the outlet pressure tap on the gas control. See Fig. 6.
- If necessary, adjust the pressure regulator to match the appliance rating. See Tables 8A and 8B for factory-set nominal outlet pressure and adjustment range.
a. Remove the pressure regulator adjustment cap screw. Using a screwdriver, turn the inner adjustment screw
b. Always replace the cap screw and tighten firmly to prevent gas leakage. - If the desired outlet pressure or flow rate cannot be achieved by adjusting the gas control, check the gas control inlet pressure using a manometer at the inlet pressure tap of the control. If the inlet pressure is in the nominal range (see Tables 8A and 8B), replace the control. Otherwise, take the necessary steps to provide proper gas pressure to the control.
- Carefully check the burner lightoff at step pressure. Make sure the burner lights smoothly and without flashback to the orifice. Make sure all ports remain lit. Cycle the burner several times, allowing at least 60 seconds between cycles for the regulator to resume the step function. Repeat after allowing the burner to cool. Readjust the full rate outlet pressure, if necessary, to improve lightoff characteristics.
Two-Stage (Q) Models
Two-stage models require that you check and adjust both high and low pressure regulator settings. Two-stage appliance operating sequences vary. Consult the appliance manufacturer instructions for the specific operating sequence and regulator adjustment procedure for the appliance in which the control is installed.
- Set appliance to operate on high.
- Carefully check the main burner lightoff. Make sure that the main burner lights smoothly and that all ports remain lit.
- Check the full rate (high) manifold pressure listed on the appliance nameplate for high pressure. The gas control full rate outlet pressure should match this rating.
- With main burner operating, check the gas control flow rate using the meter clocking method or check pressure using a manometer connected to the outlet pressure tap on the gas control. See Fig. 6.
- If necessary, adjust the high pressure regulator to match the appliance rating. See Tables 8A and 8B for factory-set nominal outlet pressure and adjustment range.
a. Remove the pressure regulator adjustment cap (Fig. 6).
b. Using a screwdriver, turn the inner adjustment screw for HI pressure clockwise to increase or counterclockwise to decrease the gas pressure to the burner. - After high pressure has been checked, check low pressure regulation. Two-stage appliance operating sequences vary. Consult the appliance manufacturers instructions for the specific operating sequence and regulator adjustment procedure for the appliance in which the control is installed and for instructions on how to prevent the control from moving to high stage while checking the low pressure regulator setting.
- Check the low rate manifold pressure listed on the appliance nameplate. Gas control low rate outlet pressure should match this rating.
- With main burner operating, check the gas control flow rate as before (using the meter clocking method or check pressure using a manometer connected to the outlet pressure tap on the control).
- If necessary, adjust the low pressure regulator to match the appliance rating. See Tables 8A and 8B for factory-set nominal outlet pressure and adjustment range.
a. Remove the pressure regulator adjustment cap (Fig. 6).
Using a screwdriver, turn the inner adjustment screw for LO pressure clockwise to increase or counterclockwise to decrease the gas pressure to the burner. - Once high and low pressure have been checked and adjusted, replace pressure regulator adjustment cap. If the desired outlet pressure or flow rate cannot be achieved by adjusting the gas control, check the control inlet pressure using a manometer at the inlet pressure tap of the control. If the inlet pressure is in the nominal range (see Tables 8A and 8B), replace the gas control. Otherwise, take the necessary steps to provide proper gas pressure to the control.
Check Safety Shutdown Performance
WARNING: Fire or Explosion Hazard.
Can cause property damage, severe injury or death.
Perform the safety shutdown test any time work is done on a gas system.
NOTE: Read steps 1 through 7 before starting, and compare to the safety shutdown or safety lockout tests recommended for the intermittent pilot (IP) ignition module. Where different, use the procedure recommended for the module.
- Turn off gas supply.
- Set thermostat or controller above room temperature to call for heat.
- Watch for ignition spark or for glow at hot surface igniter either immediately or following prepurge. See IP module specifications.
- Time the length of the spark operation. See the IP module specifications.
- After the module locks out, open the manual gas cock and make sure no gas is flowing to the pilot or main burner. With modules that continue to spark until the pilot lights or the system shuts down manually, the pilot should light when the manual gas control knob is opened.
- Set the thermostat below room temperature and wait one minute.
- Operate system through one complete cycle to make sure all controls operate properly.
Table 8A. Pressure Regulator Specification Pressures (in. wc).
|
Model Type | Type of Gas | Nominal Inlet Pressure Range | Factory Set Nominal Outlet Pressure | Setting Range | ||
| Step | Full Rate | Step | Full Rate | |||
| Standard, Slow | NAT | 5.0 to 7.0 | — | 3.5 | — | 3.0 to 5.0 |
| LP | 12.0 to 14.0 | — | 10.0 | — | 8.0 to 12.0 | |
| Step | NAT | 5.0 to 7.0 | 0.9 | 3.5 | None | 0.7 to 1.7 |
| LP | 12.0 to 14.0 | 2.2 | 10.0 | None | 1.4 to 5.5 | |
| Two-Stage | NAT | 5.0 to 7.0 | — | 1.7 Low 3.5 High | — | 0.9 to 3.0 Lowa 3.0 to 5.0 High |
| LP | 12.0 to 14.0 | — | 4.9 Low 10.0 High | — | 2.5 to 7.0 Low 8.0 to 11.0 High | |
Low Fire setting range for VR8304Q 1/2 in. by 1/2 in. and 1/2 in. by 3.4 in. is 1.5 to 3.0 in. wc.
Table 8B. Pressure Regulator Specification Pressures (kPa).
|
Model Type | Type of Gas | Nominal Inlet Pressure Range | Factory Set Nominal Outlet Pressure | Setting Range | ||
| Step | Full Rate | Step | Full Rate | |||
| Standard, Slow | NAT | 1.2 to 1.7 | — | 0.9 | — | 0.7 to 1.2 |
| LP | 2.9 to 3.9 | — | 2.5 | — | 2.0 to 3.0 | |
| Step | NAT | 1.2 to 1.7 | 0.2 | 0.9 | None | 0.17 to 0.48 |
| LP | 2.9 to 3.9 | 0.5 | 2.5 | None | 1.4 to 1.37 | |
| Two-stage | NAT | 1.2 to 1.7 | — | 0.48 Low 0.9 High | — | 0.22 to 0.75 Lowa 0.75 to 1.2 High |
| LP | 2.9 to 3.9 | — | 1.2 Low 2.5 High | — | 0.6 to 1.8 Low 2.0 to 2.5 High | |
Low Fire setting range for VR8304Q 1/2 in. by 1/2 in. and 1/2 in. by 3.4 in. is 0.37 to 0.75 kPa.
Non-Regulating On-Off (U) Models
Non-regulating VR8204U Valves are designed for application in various parts of Europe where a separate, distinct, pressure regulator is required. The VR8204U is similar to the VR8204A in all other aspects and should be installed accordingly.
MAINTENANCE
WARNING: Fire or Explosion Hazard.
Can cause property damage, severe injury, or death.
Do not disassemble the gas control; it contains no replaceable components. Attempted disassembly, repair, or cleaning can damage the control, resulting in gas leakage.
Regular preventive maintenance is important for applications in the commercial cooking and agricultural and industrial industries that place a heavy load on system controls because:
- •In many such applications, particularly commercial cooking, the equipment operates 100,000 to 200,000 cycles per year. Such heavy cycling can wear out the gas control in one to two years.
- Exposure to water, dirt, chemicals and heat can damage the gas control and shut down the control system.
The maintenance program should include regular checkout of the control as outlined in the Startup and Checkout section, and the control system as described in the appliance manufacturer literature.
Maintenance frequency must be determined individually for each application. Some considerations are:
- •Cycling frequency. Appliances that may cycle 20,000 times annually should be checked monthly.
- •Intermittent use. Appliances that are used seasonally should be checked before shutdown and again before the next use.
- •Consequence of unexpected shutdown. Where the cost of an unexpected shutdown would be high, the system should be checked more often.
- Dusty, wet, or corrosive environments. Since these environments can cause the gas control to deteriorate more rapidly, the system should be checked more often.
The system should be replaced if:
- • It does not perform properly on checkout or troubleshooting.
- • The gas control is likely to have operated for more than 200,000 cycles.
- • The control is wet or looks as if it has been wet.
SERVICE
WARNING: Fire or Explosion Hazard.
Can cause property damage, severe injury or death.
Do not disassemble the control; it contains no replaceable components. Attempted disassembly, repair, or cleaning can damage the gas control, resulting in gas leakage.
After servicing, verify proper system operation.
If Main Burner Does Not Come On With Call For Heat
- Confirm the gas control knob is in the ON position.
- Adjust thermostat several degrees above room temperature.
- Using ac voltmeter, check for 24V at gas control:
- • If pilot lights, measure across MV/PV and MV.
- • If pilot does not light, measure across MV/PV and PV before safety lockout occurs.
- If voltage is incorrect or not present, check control circuit for proper operation.
- If 24V is present, replace gas control.
INSTRUCTIONS TO THE HOMEOWNER
WARNING: Fire or Explosion Hazard.
Can cause property damage, severe injury, or death.
Follow these warnings exactly:
- Pilot flame is lit automatically. Do not light the pilot flame manually.
- Before lighting the pilot burner flame, smell around the appliance for gas. Be sure to smell next to the floor because LP gas is heavier than air. If you smell gas:
- Turn off the gas supply at the appliance service valve. On LP gas systems, turn off the gas supply at the gas tank.
- • Do not light any appliances in the house.
- • Do not touch electrical switches or use the phone.
- • Leave the building and use a neighbor’s phone to call your gas supplier.
- •If you cannot reach your gas supplier, call the fire department.
- Replace the gas control in the event of any physical damage, tampering, bent terminals, missing or broken parts, stripped threads, or evidence of exposure to heat.
IMPORTANT:
Follow the operating instructions provided by the heating appliance manufacturer. The information below describes a typical control application, but the specific controls used and the procedures outlined in your appliance manufacturer instructions can differ, requiring special instructions.
STOP: Read the Warnings Above Before Proceeding.
The pilot flame is lit automatically. If the appliance does not turn on when the thermostat is set several degrees above room temperature, follow these instructions:
- Set the thermostat to its lowest setting to reset the safety control.
- Disconnect all electric power to the appliance.
- Remove the burner access panel if provided on your appliance.
- Turn the gas control knob clockwise to the OFF position.
- Wait five minutes to clear out any unburned gas. Then if you smell gas, STOP! Follow Step 2 in the Warning above. If you do not smell gas, continue with the next step.
- Turn the gas control knob counterclockwise to the ON position.
- Replace the burner access panel.
- Reconnect all electric power to the appliance.
- Set the thermostat to the desired setting.
- If the appliance does not turn on, turn the gas control knob to the OFF position and contact a qualified service technician for assistance.
Turning Off the Appliance
Vacation Shutdown
Set the thermostat to the desired room temperature while you are away.
Complete Shutdown
Turn off power to the appliance. Turn off the gas supply to the appliance. Turn the gas control knob to OFF. The appliance will completely shut off. Follow the procedure in the Instructions to the Homeowner section above to resume normal operation.























