Honeywell RA116A, RA117A, RA817A Protectorelay Oil Burner Controls Installation Guide

THESE ONE-PIECE, STACK-MOUNTED OIL BURNER PRIMARY CONTROLS CYCLE THE BURNER ON THERMOSTAT DEMAND AND SHUT DOWN THE BURNER ON FLAME LOSS OR SYSTEM MALFUNCTION.
- Combine a Protectorelay unit for cycling the burner and a Pyrostat flame detector for sensing temperature changes of flue gases up to 1000° F [556° C].
- RA116A is used with intermittent ignition burners (formerly called constant ignition burners).
- RA 117 A and RA817 A are used with interrupted ignition burners (formerly called intermittent ignition burners).
- Used with line voltage or 24V controllers.
- Safety switch may be manually tripped on all models.
- On RA 116A, lockout occurs if flame is not re-established during safety switch timing.
- On RA 117 A and RA817 A, flame or power failure is followed by a one minute (approximate) scavenging period and one attempt to re-establish flame. Lockout
occurs if flame is not re-established. - Manual reset of safety switch is required after ignition failure completely shuts off main burner.
SPECIFICATIONS
IMPORTANT
THE SPECIFICATIONS GIVEN IN THIS PUBLICATION DO NOT INCLUDE NORMAL MANUFACTURING TOLERANCES. THEREFORE, UNITS MAY NOT MATCH THE LISTED SPECIFICATIONS EXACTLY. ALSO, PRODUCTS ARE TESTED AND CALIBRATED UNDER CLOSELY CONTROLLED CONDITIONS, AND SOME MINOR DIFFERENCES IN PERFORMANCE CAN BE EXPECTED IF THOSE CONDITIONS ARE CHANGED.
SUPER TRADELINE MODELS
SUPER TRADELINE controls offer features not available on TRADELINE or standard models, and are designed to replace a wide range of Honeywell
and competitive controls.
SUPER TRADELINE MODELS AVAILABLE: RA 117 A Stack Mounted Protectorelay Special SUPER TRADELINE packaging with cross reference label and SUPER TRADELINE instruction sheet.
TRADELINE MODELS-
TRADELINE controls offer features not available TRADELINE MODELS: on standard models and are designed to replace a wide range of Honeywell and competitive controls. RA 116A Stack Mounted Protectorelay Special TRADELINE packaging with cross reference label and TRADELINE instruction sheet.

a Lockout occurs if flame is not re-established during the safety switch timing.
b Flame or power failure is followed by a one minute (approximate) scavenging period and one attempt to re-establish the flame. Lockout occurs if flame is not ~a-established.
ORDERING INFORMATION
FOR ORDERING INFORMATION WHEN PURCHASING REPLACEMENT AND MODERNIZATION PRODUCTS FROM YOUR TRADEUNE WHOLESALER OR YOUR DISTRIBUTOR, REFER TO THE TRADEUNE CATALOG OR PRICE SHEETS FOR COMPLETE ORDERING NUMBER, OR SPECIFY:
- Order number. TRADELINE or SUPER TRADELINE.
- Input voltage and frequency.
IF YOU HAVE ADDITIONAL QUESTIONS, NEED FURTHER INFORMATION, OR WANT TO COMMENT ON OUR PRODUCTS OR SERVICES, PLEASE WRITE OR PHONE:
- YOUR LOCAL HONEYWELL RESIDENTIAL AND BUILDING CONTROLS DIVISION SALES OFFICE (CHECK WHITE PAGES OF PHONE DIRECTORY).
- RESIDENTIAL AND BUILDING CONTROLS CUSTOMER SATISFACTION HONEYWELL INC., 1885 DOUGLAS DRIVE NORTH MINNEAPOLIS, MINNESOTA 55422-4386 (612) 542-7500 IN CANADA: HONEYWELL CONTROLS LIMITED 740 ELLESMERE ROAD
SCARBOROUGH, ONTARIO M1P 2V9 INTERNATIONAL SALES AND SERVICE OFFICES IN ALL PRINCIPAL CITIES OF THE WORLD.
AMBIENT TEMPERATURE:
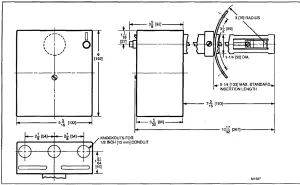
Operating: 0° F to 104° F [-18° C to 40° CJ. Shipping: -40° F to 150° F [-40° C to 66° CJ. DIMENSIONS: Refer to Fig. 1. ELECTRICAL RATINGS (amperes):
ELEMENT INSERTION LENGTH:
Adjustable from 3-1/2to5-1/2 inches[89to 140 millimeters].
MOUNTING FLANGE:
Available for 6 inch [152 millimeter] diameter pipe (refer to Fig. 2). Can also be flattened for flat-mounting applications.
24V THERMOSTAT HEAT ANTICIPATOR CURRENT: 0.4A. LINE VOLTAGE THERMOSTAT OR CONTROLLER (RA 116A, RA 117 A): 2 wire, SA. Requires jumper across Wand B terminals. Refer to Fig. 5 or 7. SAFETY SWITCH TIMING: 75 Seconds (nominal). APPROVALS:
UNDERWRITERS LABORATORIES INCORPORATED LISTED (RA116A, RA117A ONLY): File Number MP268, Guide Number MCCZ.
COMPETITIVE CROSS REFERENCE
The RA 116A replaces the following competitive devices:
a A Detroit 3-wire thermostat must be replaced by a 2-wire thermostat with a suitable heat anticipator.
b When replacing a model having an For O terminal to power a clogged filter indicator light, provide a separate transformer for the light.
The RA 117 A replaces the following competitive devices:
a A Detroit 3-wire thermostat must be replaced by a 2-wire thermostat with a suitable heat anticipator.
b When replacing a model having an For O terminal to power a clogged filter indicator light, provide a separate transformer for the light.
c Do not use RA 117 A to replace this control where timed ignition is required for a wall-flame burner.

INSTALLATION
WHEN INSTALLING THIS PRODUCT …
- Read these instructions carefully. Failure to follow them could damage the product or cause hazardous condition.
- Check the ratings given in these instructions and on the product to ensure the product is suitable for your application.
- Ensure the installer is a trained, experienced service technician.
- After completing installation, use t~ese instructions to check product operation.
CAUTION
- Do not bend contact arms or stops on the Pyrostat detector mechanism or make any adjustments other than those given in the instructions.
- Remove the cardboard packing behind the drive shaft lever by pushing the packing up and pulling it straight. out over the top of the lever. Do not remove packing by pulling sideways.
- Ensure all wiring complies with applicable codes and ordinances.
MOUNTING (Refer to Fig. 2)
Follow the mounting instructions supplied by the furnace, boiler, or burner manufacturer, if available. Otherwise, use the instructions provided below.
When replacing one of the controls listed on page 3, identify each leadwire as it is removed from the old control by marking the wire with the number of the RA 116A or
RA 117 A terminal to which it will be connected. Refer to Table 1 and 2 to translate the old terminal identifications to the new RA 116A or RA 117 A terminal identifications.
TABLE 1-IDENTIFYING TERMINALS FOR RA116A REPLACEMENT
If the position of the old control was satisfactory, install the new RA 116A or RA 117 A in the same location as the old one, making sure to insert the bimetal element the same
distance into the stack as the old element. If the old element was inserted more than 5-1 /2 inches [ 140 millimeters], insert the new control 5-1 /2 inches [140 millimeters]
into the stack. If the position of the old control was not satisfactory, close the old holes tightly with a metal plate and follow these instructions.
- Follow these location considerations.

FIG. 2-MOUNTING AND LOCATION CONSIDERATIONS
• Locate the control between the boiler or furnace and draft regulator.
• Locate the control as near as possible to the boiler or furnace.
• If mounting in an elbow, locate the element near the outer curve where the hottest gases flow.
• Do not locate the element where the temperature may exceed 1000° C [556° C]. - Cut a 1-3/8 inch [35 millimeter] hole in the stack at the location desired.
- Drill two holes and fasten the mounting flange using the screws provided. The flange should fit the mounting surface snugly, but it may be bent to fit a different radius
stack or flattened to fit a flat surface. Do not force the collar or mounting flange past the stop. - Insert the bimetal element at the center of the stack in direct path of the hottest flue gasses.
- Tighten the lockscrew.
WIRING
Follow the appliance manufacturer’s instructions, if available. Otherwise, follow the wiring diagrams shown in Fig. 3 through 7.
WIRING DIAGRAMS
FIG. 3-RA116A WIRING DIAGRAM WITH A 24V, 3- WIRE THERMOSTAT.

.
FIG. 7-RA817A WIRING DIAGRAM.
OPERATION
- The schematic diagrams show all systems in the idle condition:
- Burner off, no call for heat.
- Pyrostat contacts closed {RA 116A).
- “Cold” contacts closed, “hot” contacts open (RA 117 A, RA817A).
- Safety switches closed.
- All relays de-energized
NORMAL OPERATING SEQUENCE
On a thermostat (or line voltage controller) call for heat, the ignition, oil valve, and burner motor start. The safety switch begins heating. After the burner flame is established,
the stack temperature rises and expands the bimetal detector element. The Pyrostat contacts open (RA 116A) or the “hot” contacts close and the “cold” contacts open
{RA 117 A, RA817 A), de- energizing the safety switch heater.
The ignition circuit de-energizes (RA117A, RA817A only). When the call for heat is satisfied, the system returns to the idle condition.
IGNITION FAILURE
If the burner flame is not established within approximately 75 seconds {nominal) of a thermostat (or line voltage controller) call for heat, the Pyrostat contacts (RA 116A) or
“cold” contacts {RA 117 A, RAB 17 A) remain closed. During that time, the safety switch is heated. If the burner flame is not established after 75 seconds (nominal), the system locks out and cannot be started again until the safety switch is manually reset.
CYCLE RA116A
The loss of burner flame reduces the stack temperature, closes the Pyrostat contacts, and energizes the safety switch. If the burner flame is not re-established within the
75 second (nominal) safety switch timing, the system locks out and cannot be started again until the safety switch is manually reset. RA 117 A, RAB 17 A
The loss of burner flame reduces the stack temperature, opens the “hot” contacts, and shuts the system down by de-energizing the 2K burner motor relay. After a one
minute (approximate) scavenging period, the “cold” contacts close and energize the safety switch heater. If the thermostat (or line voltage controller) is still calling for heat,
the Protectorelay control makes one attempt to restart the system. If the burner flame is not re-established in 75 seconds (nominal), the system locks out and cannot be
started again until the safety switch is manually reset. POWER FAILURE DURING THE RUNNING CYCLE A power failure shuts off the ignition and burner motor.
If the thermostat is still calling for heat when power is restored, the stack temperature must cool and return the system to the idle position. Once the system returns to the
idle condition, it begins the normal operating sequence.
STARTUP AND CHECKOUT
FIRE HAZARD
CAN CAUSE SEVERE BURNS
Ensure the combustion chamber Is free of oil or oil vapor before starting system.
STEP THE PVROSTAT DETECTOR CONTACTS
The detector contacts are actuated by a friction clutch that is mounted on a rod connected directly to the heatactuated element. Occasionally, this clutch gets “out of
step” after a long period of idleness. To place the clutch and the contacts “in step,”
- Remove the cover.
- Pull the lever forward 1/4 inch (Fig. 8).
- Slowly release the lever.
- Replace the cover

START THE SYSTEM
- Ensure the Pyrostat detectors are in step.
- Push in and release the safety switch reset button.
- Open the hand valve in the oil supply line.
- Set the limit control and thermostat to call for heat.
- Close the line switch. The burner should start.
CHECK THE SAFETY FEATURES
Simulate Flame Failure:
- Follow the starting procedure to turn on the burner.
- Close the hand valve in the oil supply line.
- The RA 116A locks out after 75 second (nominal) safety switch timing. The RA117A and RA817A lock out after one minute (approximate) scavenging period and 75
second (nominal) safety switch timing. - Reset the safety switch and open the hand valve in the oil supply line.
Simulate Ignition Failure:
- Follow the starting procedure to turn on the burner, except do not open the oil supply hand valve.
- Safety switch locks out after 75 second (nominal) safety switch timing. Ignition and burner motor stops and oil valve closes.
- Reset the safety switch and open the hand valve in the oil supply line.
Simulate Power Failure:
- Follow the starting procedure to turn on the burner.
- With the burner running, trip the circuit breaker or remove the fuse to turn off power to the system. The burner should stop.
- Restore power. The burner should restart.
Check the Scavenger Timing:
- Follow the starting procedure to turn on the burner.
- With the burner operating normally, open and immediately close the line switch. The burner should stop immediately.
- After recycle timing (one minute approximately), the burner should restart automatically. If the system does not operate as described, proceed to
Troubleshooting.
TROUBLESHOOTING AND MAINTENANCE
To completely troubleshoot an oil burner installation, check the burner, ignition transformer, and oil primary
control for proper operation and condition.
TRIP SAFETY SWITCH BEFORE OPERA TING BURNER MAINTENANCE
CAUTION
Tripping the safety switch shuts down the burner but does not disconnect the power supply. Turn off the power at the system switch or the circuit breaker
before servicing the control system, burner motor, oil valve, or ignition to avoid electrical shock.

To tri~the safety switch, move the safety switch lever down until the red reset button pops out. Refer to Fig. 9.
The burner will not operate until the safety switch is reset by pushing the red reset button.
PRELIMINARY STEPS
Before checking the oil primary and cad cell, check out the following parts of the burner and ignition systems. Repair or replace controls as indicated.
- Wiring connections, power supply, and burner motor fuse. Ensure power is on to the controls, burner motor, and ignition transformer.
- Limit switch.
- Ignition transformer.
- Electrode gap and position.
- Contacts between ignition transformer and electrode.
- Oil pump pressure.
- Oil tubing to tank.
- Oil nozzle.
- Oil supply.
- Oil filter.
If the system is still not operating properly, check the oil primary control as instructed below.
CHECK THE OIL PRIMARY CONTROL
CAUTION
Since troubleshooting is done with the system powered, observe all necessary precautions to prevent electrical shock or equipment damage.
Equipment Required:
- Screwdriver
- Oto 300 Vac Voltmeter
- Insulated Jumper Wires
- Hard Surface Card (such as a business card) for
cleaning contacts
Burner Does Not Start When Thermostat Calls For Heat
PRELIMINARY CHECKS
- Ensure all limit switches are closed.
- Ensure safety switch is reset.
- Check for the proper line voltage at the oil primary. Proceed as follows after completing the preliminary checks.

Burner Starts, Flame Is Established. Then Safety Switch Locks Out on Safety.
PRELIMINARY STEPS:
- Reset the safety switch.
- Clean bimetal detector contacts. Proceed as follows after completing the preliminary checks.

Honeywell Inc.
U.S.A.: 1885 Douglas Drive N.
Golden Valley, MN 55422-4386
CANADA: 740 Ellesmere Road
Scarborough, Ontario M1 P 2V9
International Sales Offices in all principal cities of the world. Manufacturing in Australia, Canada, Finland, France, Germany, Japan, Mexico, Netherlands,
Spain, Taiwan, United Kingdom, U.S.A.





















