
Installation, use and maintenance instructions
Light oil burner
Two stage operation

| CODE | MODELL – MODEL MODELE | TYP TYPE |
| 3738050 | RG2D | 380T1 |
2901914 (12) – 09/2021
BURNER DESCRIPTION
Two stage light oil burner.
- The burner meets protection level of IP 40, EN 60529.
- Burner with CE marking in conformity with EEC Directives: Machine Directive 2006/42/EC, Low Voltage Directive 2014/35/UE, Electromagnetic Compatibility 2014/30/UE, and Efficiency 92/42/EEC.

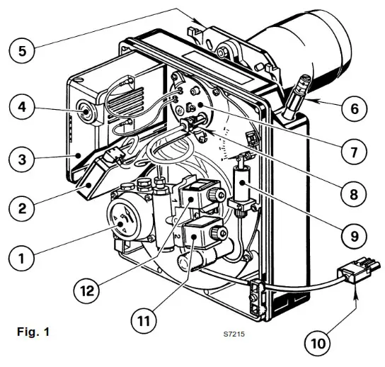
| 1 Pump with pressure reducer 2 Electronic start delaying device 3 Control box 4 Reset button with lock-out lamp 5 Flange with insulating gasket 6 2nd stage air damper adjustment assembly | 7 Nozzle holder assembly 8 Flame sensor 9 Hydraulic jack 10 4 pole socket 11 2nd stage valve 12 1st stage valve |
BURNER EQUIPMENT
Flange with insulating gasket . . . .No. 1
Screw and nuts for flange . . . . . .No. 1
7 pin plug . . . . . . . . . . . . . . . . . . .No. 1
Screw and nuts for flange to be fixed to boiler . . . No. 4
Flexible oil pipes with nipples . . . . . . . . . . . . . . . . No. 2
4 pin plug . . . . . . . . . . . . . . . . . . . . . . . . . . . . . . . No. 1
TECHNICAL DATA
TECHNICAL DATA
| TYPE | 380 T1 |
| Output – Thermal power | 3.6/4.1 — 10 kg/h – 42/49 — 118 kW |
| Fuel | Light oil, max. viscosity at 20°C: 6 mm2/s |
| Electrical supply | Single-phase, ∼50Hz 230V ± 10% |
| Motor | Run current 0.9A — 2720 rpm — 285 rad/s |
| Capacitor | 4 !.IF |
| Ignition transformer | Secondary 8 kV — 16 mA |
| Pump | Pressure: 8 — 15 bar |
| Absorbed electrical power | 0.18 kW |
OVERALL DIMENSIONS

WORKING FIELD (as EN 267)

INSTALLATION
BOILER FIXING

- Put on the flange (1) the screw and two nuts, (see Fig. 3).
- Widen, if necessary, the insulating gasket holes (5), (see Fig. 4).
- Fix the flange (1) to the boiler door (4) using screws (2) and (if necessary) the nuts (3) interposing the insulating gasket (5), (see Fig. 2).
FUEL SUPPLY

The burner is designed to allow entry of the oil supply pipes on either side.
Depending on the oil supply pipes position (to the right or to the left hand side of the burner) the fixing plate (1) and cable clamp (2) should be reversed, (see Fig. 5).
HYDRAULIC SYSTEMS
WARNING:
- Before starting the burner make sure that the return pipe-line is not clogged. An excessive back pressure would cause the damage of the pump seal.
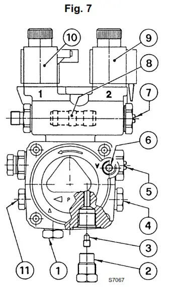
- The pump is designed to allow working with two pipes. In order to obtain one pipe working it is necessary to unscrew the return plug (2), remove the by-pass screw (3) and then screw again the plug (2), (see Fig. 7).

| 1 – Suction line 2 – Return line 3 – By-pass screw 4 – Gauge connection 5 – 2nd stage pressure adjuster | 6 – Suction gauge connection 7 – 1st stage pressure adjuster 8 – Pressure reducer piston 9 – 2nd stage valve 10 – 1st stage valve 11 – Auxiliary pressure test point |
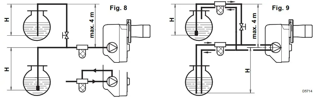
SYSTEM NOT PERMITTED IN GERMANY

| H meters | L meters | |
| ø i 8 mm | ø i 10 mm | |
| 0.5 1 1.5 2 | 10 20 40 60 | 20 40 80 100 |
PRIMING PUMP:
On the system in Fig. 6 it is sufficient to loosen the suction gauge connection (6, Fig. 7) and wait until oil flows out. On the systems in Fig. 8 and 9 start the burner and wait for the priming. Should lock-out occur prior to the arrival of the fuel, await at least 20 seconds before repeating the operation.
The pump suction should not exceed a maximum of 0.4 bar (30 cm Hg). Beyond this limit, gas is released from the oil. Oil pipes must be completely tight. In the vacuum systems (Fig. 9) the return line should terminate within the oil tank at the same level as the suction line. In this case, a non-return valve is not required. Should however the return line arrive over the fuel level, a non-return valve is required. This solution however is less safe than previous one, due to the possibility of leakage of the valve.
| H meters | L meters | |
| ø i 8 mm | ø i 10 mm | |
| 0 0.5 1 1.5 2 3 3.5 | 35 30 25 20 15 8 6 | 100 100 100 90 70 30 20 |

It is necessary to install a filter on the fuel supply line.
H = difference of level;
L = max. length of the suction line;
I. D. = internal diameter of the oil pipes.
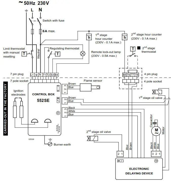
ELECTRICAL WIRING
WARNING
DO NOT EXCHANGE NEUTRAL WITH PHASE WARNING
NOTES:
- Wires of 1 mm2 section.
- The electrical wiring carried out by the installer must be in compliance with the rules in force in the Country.
- Connect 2nd stage thermostat between clamps T6 T8 by removing the bridge.
TESTING: Check the shut-down of the burner by opening the thermostats and the lock-out by darkening the flame sensor.


To remove the control box from the burner, loosen screw (A, Fig. 10) after removing all components, the 7 pin plug and earth wire.
In case of disassembly of the control box, retighten the screw (A) with a torque wrench setting of 1 – 1.2 Nm.
WORKING
COMBUSTION ADJUSTMENT
In conformity with EN267, the application of the burner on the boiler, adjustment, and testing must be carried out observing the instruction manual of the boiler, including verification of the CO and CO2 concentration in the flue gases, their temperatures, and the average temperature of the water in the boiler.
To suit the required appliance output, choose the proper nozzle and adjust the pump pressure, the setting of the combustion head, and the air damper opening in accordance with the following schedule.
The values shown in the table are measured on a CEN boiler (as per EN 267). They refer to 12.5% CO2 at sea level and with light oil and room temperature of 20 °C.
| Nozzle | Pump pressure | Burner output | Comb. head adjustment | Air damper adjustment | ||||
| bar | kg/h ± 4% | 1st stage | 2nd stage | |||||
| GPH | Angle | 1st stage | 2nd stage | 1st stage | 2nd stage | Set-point | Set-point | Set-point |
| 1.00 | 60° | 9 | 14 | 3.5 | 4.3 | 0 | 0.2 | 2. |
| 1.10 | 60° | 9 | 14 | 3.8 | 4.8 | 1 | 0.4 | 2. |
| 1.25 | 60° | 9 | 14 | 4.3 | 5.4 | 2 | 0.6 | 3. |
| 1.50 | 60° | 9 | 14 | 5.2 | 6.5 | 3 | 0.8 | 3. |
| 2.75 | 60° | 9 | 14 | 6.1 | 7.6 | 4 | 1.2 | 5. |
| 2.00 | 60° | 9 | 14 | 7.0 | 8.7 | 5 | 1.4 | 5. |
| 2.25 | 60° | 9 | 14 | 7.8 | 9.8 | 6 | 1.5 | 6.0 |
RECOMMENDED NOZZLES:
Monarch type R ; Delavan type W – E;
Steinen type Q ; Danfoss type S ; Satronic type S.
MAINTENANCE POSITION
THE ACCESSIBILITY TO THE NOZZLE, THE DIFFUSER DISC AND THE ELECTRODES IS MADE EASY IN 2 WAYS:
A Fig. 11
- Remove the burner out of the boiler, after loosing the fixing nut to the flange.
- Hook the burner to the flange (1), by removing the blast tube (2) after loosing the fixing screws (3).
- Remove the small cables (4) from the electrodes and the diffuser disc-holder assembly (5) from the nozzle-holder assembly after loosing its fixing screw (3, Fig. 13, page 7).
- Screw the nozzle (6) correctly and tighten it as shown in the figure.
- In the long head version the socket wrench (7) should lock the extension part that carries the nozzle.

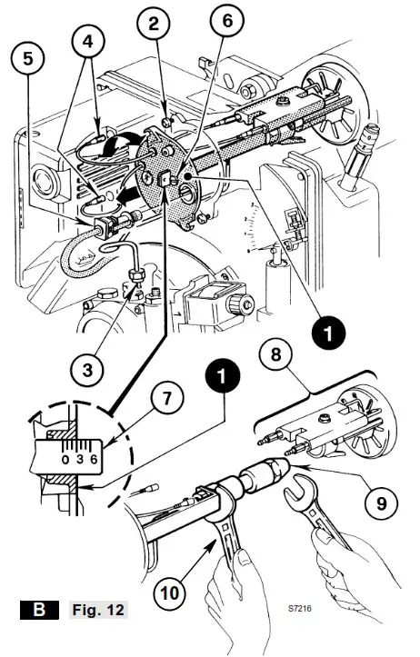
B Fig. 12
- Remove nozzle-holder assembly (1) after loosing screws (2) and nut (3), remove the small cables (4) from the control box and the flame sensor (5).
- Withdraw the small cables (4) from the electrodes, remove the diffuser disc-holder assembly (8) from the nozzle-holder assembly (1) after loosing screw (3, Fig. 13).
- Screw the nozzle (9) correctly and tighten it as shown in figure.
- In the long head version the socket wrench (10) should lock the extension part that carries the nozzle.

ATTENTION
During the reassembly of the nozzle-holder assembly screw the nut (3) as shown in the figure below.

COMBUSTION HEAD SETTING
(See Fig. 12)
It depends on the output of the burner and is carried out by rotating clockwise or counterclockwise the setting screw (6) until the set-point marked on the regulating rod (7) is level with the outside plane of the nozzle-holder assembly (1).
- In the sketch the combustion head is set for an output of 1.50 GPH at 15 bar. The set-point 3 of the regulating rod (7) is at the same level with the outside plane of the nozzle-holder assembly (1) as shown in the schedule.
ELECTRODES ADJUSTMENT (see Fig. 13)
ATTENTION
Lean the diffuser disc-holder assembly (1) on the nozzle-holder (2) and lock it by screw (3). For prospective adjustments loosen screw (4) and move the
electrodes assembly (5).
To have access to the electrodes carry out operation as described in chapter 4.2 (page 6) “RECOMMENDED NOZZLES”.
WARNING
MEASURES MUST BE RESPECTED

PUMP PRESSURE AND AIR OUTPUT
• 1st STAGE ADJUSTMENT
ADJUSTMENT OF AIR SHUTTER:
Unloosen the nut (1), turn the screw (2) until the indicator (3) reaches the position desired. Then lock the nut (1), (see Fig. 14).
PRESSURE REGULATION:
This is set at 9 bar at the factory. Should it be necessary to re-set or alter such pressure, this can be done, by adjusting screw (7). The pressure gauge must be mounted in place of cap (8), (see Fig. 15).

• 2nd STAGE ADJUSTMENT
ADJUSTMENT OF AIR SHUTTER:
Unloosen the nut (4), turn the screw (5) until the indicator (6) reaches the position desired. Then lock the nut (4), (see Fig. 14).
PRESSURE REGULATION:
This is set at 14 bar at the factory. Should it be necessary to re-set or alter such pressure, this can be done, by adjusting screw (9).
The pressure gauge must be mounted in place of cap (8), (see Fig. 15). When burner shuts down the air damper automatically closes till a max. chimney depressure of 0,5 mbar.
BURNER START-UP CYCLE
1st stage thermostat
2nd stage thermostat
Motor Ignition transformer
1st stage valve
1st stage flame
2nd stage valve
2nd stage flame
Lock-out lamp

Lock out is indicated by a lamp on the control box (4, Fig. 1, page 1).
MAINTENANCE
Burner requires a periodic maintenance carried out by qualified and authorized technicians.
Maintenance is essential for the reliability of the burner, avoiding the excessive consumption of fuel and consequent pollution.
Before carrying out any cleaning or control always first switch off the electrical supply to the burner acting on the main switch of the system.
THE BASIC CHECKS ARE:
- Check that there are not obstructions or dents in the supply or return oil pipes.
- Clean the filter in the oil suction line and in the pump.
- Clean the flame sensor, (8, Fig. 1, page 1).
- Check for correct fuel consumption.
- Replace the nozzle (see Fig. 12, page 7) and check the correct position of electrodes (Fig. 13, page 7).
- Clean the combustion head in the fuel exit area, on the diffuser disc.
- Leave the burner working without interruptions for 10 min. and check the right settings at 1st and 2nd stage of all components stated in this manual. Then carry out a combustion check verifying:
- Smoke temperature at the chimney;
- Content of CO2 (%);
- Content of CO (ppm);
- Smoke value according to opacity smokes index according to Bacharach scale.
FAULTS / SOLUTIONS
Here below you can find some causes and the possible solutions for problems that could cause a failure to start or a bad working of the burner.
A fault usually makes the lock-out lamp light which is situated inside the reset button of the control box (4, Fig. 1, page 1).
When lock out lamp lights the burner will attempt to light only after pushing the reset button. After this if the burner functions correctly, the lock-out can be attributed to a temporary fault.
If however the lock out continues the cause must be determined and the solution found.
| FAULTS | POSSIBLE CAUSES | SOLUTION |
| The burner will not start when the ad- justment thermostat closes. | Lack of electrical supply. | Check presence of voltage in the Lel – N clamps of the 7 pin plug. |
| Check the conditions of the fuses. | ||
| Check that thermostat limit is not lock out. | ||
| The flame sensor sees false light. | Eliminate the light. | |
| Thermostats are faulty. | Replace them. | |
| The connections in the control box are wrongly inserted. | Check and connect completely all the plugs. | |
| Burner runs normal- ly in the prepurge and ignition cycle and locks out after 5 seconds ca. | The flame sensor is dirty. | Clear it. |
| The flame sensor is defective | Change it. | |
| Flame moves away or fails. | Check pressure and output of the fuel. | |
| Check air output. | ||
| Change nozzle. | ||
| Check the coil of solenoid valve 1st stage. | ||
| Burner starts with an ignition delay. | The ignition electrodes are wrongly positioned. | Adjust them according to the instructions of this manual. |
| Air output is too high. | Set the air output according to the instructions of this manual. | |
| Nozzle dirty or worn. | Replace it. |
WARNING
In the event of a burner lockout, more than two consecutive burner reset operations could cause damage to the installation. On the third lockout, contact the Aftersales Service.
DANGER
If further lockouts or burner faults occur, interventions must only be made by qualified, authorized personnel (as indicated in this manual, and in compliance with the laws and regulations currently in force).
WARNING:
The manufacturer cannot accept responsibility for any damage to persons, animals, or property due to error in installation or in the burner adjustment, or due to improper or unreasonable use or nonobservance of the technical instruction enclosed with the burner, or due to the intervention of unqualified personnel.

RIELLO S.p.A. I-37045 Legnago (VR) Tel.: +39.0442.630111
http://www.riello.it
http://www.riello.com
Subject to modifications


















